Fórum témák
» Több friss téma |
Fórum » Csöves erősítő készítése
Ne feledd betartani a fórum viselkedési szabályait, és a topik megmaradásának feltételeit. [link]
A téma átmenetileg fagyasztva lett, hozzászólni nem tudsz!
Sajnos még teljesen nincs kész várom hogy eljőljőn a jó kis 40.-fok attól függ milyen lesz a végleges doboza..meg persze .másik kimenő TRAFÓ
Most nézem, hogy ez a bronzker 2 perc a lomextől. Na legközelebb elsétálok hozzájuk is. Köszi az információkat!
Bizony én is mindíg összekötöm a hasznosat a hasznossal, ha már arra járok!
Sőt mivel én ide autóval megyek általában elkanyargok a nagycsavar-ba is ez kb 5 perc autóval!
Sokszor Én is (pl. lomexbe), de volt már úgy, hogy busszal kellett az egyetemről hazajönnöm. Azóta óvatosabb vagyok...
Már csak 850 menet 0,35-öst kell rátekernem. Soronként szigetelem.
On!
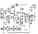
Nos beizzitottam a csöves nagyotthalló erősítőmet , némi kis gubanc ellenére azért ugy látszik talán sikerült életre keltenem a mai szép délutánon ! A hangzásvilága az jó csöves , zajilag tökéletes majdnem hogy 0 az alapzaj , de ez így van rendben hisz egy felyhallgató erősítőnél ez a normális . Egy csöpp átalákitást eszközölni kellett mert mint kiderült utólag , a hálózati trafómat alul méreteztem ezért kellett előfeszt tennem a kapcsolás kiegészítéséhez. Eredetileg 80 mA volt az áramfelvétel ami csatornánként soknak bizonyult ezért a felére kellett venem , most 40mA csatornánkét , és így már a trafóm elviseli az áramfelvétel nagyságát .
Mesélj egy kicsit a gubancról és a megoldásáról, hátha tanulok/unk belőle!
Szép munka! Biztos örülni fog akinek csinálod.
Köszönöm! Jó hogy nem fogadtunk a múltkor a börzén amikor felvetettem hogy a képek láttán öt percen belül jön majd a gyanusítás hogy a kivágásba-ablakba ragasztott rézháló ötletét a te RIAA-dtól loptam, mert vesztettem volna!
Egy kis átalakitás utáni helyzetkép !
Szép lett Lacikám!
Igen így már rámondható hogy viszonlag jól működik , zajilag, hangilag tökéletes.
De már most eldöntöttem hogy nem marad meg így ebben a formában .A júliusi találkozóra elviszem megmutatni , de azután keresek a bent lévő alkatrésztemetőnek egy jobb helyet. A kondikat itt pakolgatom már évek óta a polcon ,már nem tudom honnam jöttek ?
Szep lett !
Hangja , milyen fulessel probaltad ? Mit kellett alakitanod ?
A hangja az egészen jó , csak sajnos nincs nagy impedanciás fülesem ezért rendesen kipróbálni sem tudtam , egy kommersz fejhallgatóval próbáltam de csak zajilag , meg azért már abból a hangminőség is leszűrhető .
Az átalakítás csak annyi hogy a hálózati trafóm alul lett méretezve ezért kellett egy - előfeszt tennem be hogy vissza tudjam szabályozni a nyugalmi áramot . Alapból csatornánként 90 mA eszik ez soknak bizonyult a trafóm nem igen tolerálta ,ezért vissza szabályoztam csatornánként 40 mA -ra A hangzásban nem befolyásol semmit csak kevesebbet eszik , még 30 mA -ig lelehet menni de már ott ténylegesen romlik a hangkép . Sajnos a hálózati trafó így is 2-3 órai üzem után jól melegszik , ezért vagy kap majd egy új trafót , vagy az egész úgy ahogyan van megy a levesbe !
Hello!
Olvasgattam a témában, a csöves fejhallgató erősítő ügyében, és az a kérdés jutott az eszembe hogy mi lenne ha lenne benne kimenő, miben változtatná ez a dolgot? Keresgettem kapcsolásokat, de nem hagyott nyugodni a kérdés, a PCL86 se, tudom lerágott csont, csak annyiban esősítsetek meg, hogy lehetséges az, hogy összerakva egy ilyen erősítőt, a gyári vasmagot használva azt a bizonyos 4cm^2 kimenőt áttekerve az 50 ohm os füleshez működhetne a dolog? Üdv Gábor.
Röviden és tömören Igen !
Most tekerek egy uj hálózatit így nem lessz a kárzohaté a csöves felyhallgató erősítőm !
Szerintem nem csak lehetséges, de készen is megkapod, ha egy ilyen kitermelt trafót használsz. Az én pici trafóimon 2 szekunder van és állítólag a nagyobb ohm számú az a fejhallgatóhoz jó, de sose próbáltam.
Nem vagyok igazán a képbe, de
A képkimenő trafó átételét meg kelenne nézni. Lehet, hogy megoldás
A "hír" csak részben igaz. A TV-készülékek köztudottan nem rendelkeztek hálózati trafóval, ezért a hálózat egyik pontját egyszerűen hozzákötötték a sasszéhoz, még arra sem véve a fáradtságot, hogy az egyutas (egyetlen) dióda helyett beépítsenek még hármat, és máris kétutas egyenirányításhoz jutottak volna (biztos kegyetlen drága volt a + 3 db BY238, a TV 3 havi fizetésre rúgó vételárához).
Ez sajnos egyben azt is jelentette, hogy a TV teste akár fázisra is kerülhetett, tekintettel arra, hogy a konnektort mindkét pozícióban be tudom akadálytalanul dugni. A szekunder tekercs tehát a visszacsatolás megvalósítása miatt testen van, ezt a káván belüli hangszóróra még rá merték kötni, mivel egyetlen része sem volt kívül, ahol érintkezésbe került volna a felhasználóval. A hátlap levételéről meg a felirat rendelkezett (miszerint TILOS levenni, beavatatlanok számára). A fejhallgató, és magnó csatlakozók ebből a szempontból már neuralgikus pontnak számítottak, mert itt már szándékosan ki voltak a pontok vezetve. A hangszórót működtető tekercs ugyan bőven el tudta (volna) látni a rákapcsolt készülékeket energiával, de ez az előbb felvázolt érintésvédelmi okok miatt nem volt járható. Ezért a tervezők a szekunder tekercs mellé (attól, a primertől, és a vasmagtól is jól elszigetelve) feltekertek még egy pár menet második szekundert, mely semmilyen más résszel nem állt galvanikus kapcsolatba. Tehát, ez nem illesztette az egyébként is ismeretlen impedanciájú fejhallgatót a végerősítőhöz, egyszerűen csak ellátta őket hangfrekvenciás feszültséggel. Az ilyen készülékek esetén a végfokozat terhelését a hangszóró, annak kikapcsolt állapota esetén pedig egy - a hangszóró kikapcsoló által rákapcsolt - 4,7 Ohm , 5W-os ellenállás adta.
Az RT 2006-os évkönyvében jelent meg egy cikk
Plachtovics Györgytől, E/PCL86-os csővel készitett fejhallgató (pontos jével ) erősitő.A kimenőtrafó M55/SM55, többféle impedanciájú fejhallgatóhoz készült szekunder tekercsekkel. (32,50,600 ohm) Megépitettem, jól szól. A régi TV-k kimenője is M55-ön van, ha jól tévedek, de láttam már pici hiperszilen is.
Nekem ki van vezetve a PCL86SE-mben az a tekercs. És egész jól szól. bár nem audiofil a füles, csak ilyen 500Ft-os. De szinte naponta hallgatnom.
Luki, a régi TV-k kimenője nem EI54/18?
A puding próbája... szokták mondani. Amig ki nincs próbálva egy csőves fejhallgató erősitő 300- 600 ohmos komoly fülesel addig nem igazán lehet eldönteni a minőségét.
Hali.
Ezek remek hírek, mert ECL se-t már építettem, tetszett is a hangja csak ilyen kis kimenővel nem volt elég teljesítménye, így hát feledésbe merült a dolog. De most hogy van ez a füles így lehet újra megépítem. Viszont lenne pár kérdésem, míg anno ECL 86 ot építettem meg, viszont most csak PCL 85 tudok szerezni, ez alkalmas lenne a feladatra?? És ha nem gond ezekhez a tv kimenőkhöz nem tudok nekem mellékelni egy dokumentációt, vagy legalább a menetszámokat meg tudjátok mondani?? Üdv Gábor!
Persze hogy EI, látszik hogy nem birom a meleget
Nem figyeltem....
Köszönöm a kimerítő választ, nagyon érdekes és hasznos volt.! Megint okosabb lettem.
felkadásom tárgya a zaj............általam épitett erőúsitő egyik oldala kicsi zajos a másik nem sok mident probáltam csőcsere stb... azon tanakodom hálotrafó a baj vagy az elhelyezés..
Ha jól emlékszem 6c33c-- tud valaki valamit mondani róla ..csak a neten láttam róla képet..pl
|
Bejelentkezés
Hirdetés |




) erősitő.



