Fórum témák
» Több friss téma |
Fórum » Csöves erősítő készítése
Ne feledd betartani a fórum viselkedési szabályait, és a topik megmaradásának feltételeit. [link]
A téma átmenetileg fagyasztva lett, hozzászólni nem tudsz!
Először megépíted így, megméred az anódfeszt az EF-en, aztán ha kevés, csökkented az ellenállást. Szerintem olyan 200V-nak kell lennie rajz, bár ezt nem tudom.
Üdv p_istvan
Kerestem én is a rajzot de ezt találtam, sok rajz Bővebben: Link ,talán sokan csemegéznek itt ,párat megnéztem és letöltöttem. Kellemes kutatást .Ötlet és tapasztalatszerzést. Talán erre a rajzra gondoltál?,MKIII alul Üdv
Üdv I48
Én is kutattam találtam MKIII rajzot csak kérdés az a bizonyos ominózus e?. Már feltettem . Szívesen böngészek ,és megosztom ,de nyelvtani gond (megfogalmazás ) főleg éjjel munka után ,ezért Bo(c)ss mindenki. Iskolában megutáltatták velem a Magyar nyelvet pedig Somogy megyei vagyok .Ezért már 6.-as koromtól elektronika , és segítség nélkül , azaz könyvek a segítség stb . Üdv
Helló!
Azt szeretném kérdezni hogy ha a Dynacoprd erősítőmnek csak a csöves végfokát szeretném használni kell valamilyen átalakítást elvégeznem? 30perc után recsegi ropogni kezdett, az összes kondenzátort kicseréltem a végfokban minden ellenállást aminek kicsit is eltért az értéke minden feszültségem rendben van mégis vacakol. Lekötöttem a tranzisztoros előfokot és semmi baja végének végig az eleje szivatott. Ezt annyira nem is bánom igazából nem is akartam használni az előfokát a hangszínei nem tetszettek. A rajzon szereplő 6-os csatlakozási pontnál lekötöttem és raktam rá egy kimenetet potméterrel. Az elképzelésem az hogy a nagy redszeremhez csatlakoztatom a Fostex stúdió keverőmhöz. Első próbára kicsit érzéketlennek tűnik nagyon ki kell hajtanom a keverőt hogy igazán jól megszólaljon. Így változtatás nélkül jól illeszkedhet egymáshoz ez a bemenet és a keverőm szabvány kimenete? Itt a Dynacord kapcsolási rajza: Dynacorde
Sajnos ez nem az . Ha jól saccolom ez a rajz az 50-60 évekből való, valami gitáros cucc. Nem sikerült megfejtenem. De ezt majd a gitárosok megteszik helyettem.A névrokon az egy viszonylag új fejlesztés, néhány évesre gondolom.Mindenesetre kösz a fáradozásodért.
A kimenőhöz 20Hz fa-ra, 270V-hoz 10 négyzet cm-re, sima si-maghoz 0,6T gerjesztéssel nekem 2X2400 menet
és a szekunderek 8 ohmra, 55, 24 ohmra 97 menet A huzalok sorban:0,1, 0,36,0,27 mm. De "hallgassuk" meg az esetlegesen más véleményeket is.
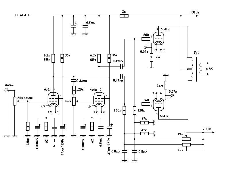
Eljutottam a 6С19П összeépítéséig, de egy apróság bizonytalan: HGY kolléga mondta, hogy 6Н13С helyett 2-t kell parallelbe kötni, 6С41С helyett 3-at… Az én rajzomon 6С41С van, és többen 2 párhuzamos 6С19П-t mondtak, egy másik rajzon is így van írva. Nos?
Kössz. Az jó ötlet. Ez nekem eszembe se jutott.
Szia..Én most fejeztem be egy 6h13c --De egy ismerösöm most jutott el odáig hogy beszerezte a csőveket.....de egy jó kapcsolás kéne.Én is majdnem elhajlottam a gu-50 felé csak a sapkája nem tetszett .
ezért lett 6h13c . Van valakinek kép a GU 50 működése közben?. ![]() Szerk, : köb.. Nem kiabálunk..
Nekem van, sötétben, elég közelről. GU50
Szia.
Nekem tetszik sapkástul együtt is.Csak már ott tartanák,hogy elkezdhetném de mostanában nagyon sokat dolgozom. "Cirokl" Laci készségesen felajánlotta a segítségét amit nincs szándékomban visszautasítani,úgyhogy úgy néz ki lesz nekem is hamarosan egy csövesem.
2 is elviszi, de 3 jobban. Csináltam egy táblázatot, mindeki eldöntheti hogy melyik cső hány db másikkal váltható ki.
A kimenő teljesítményt első körben az anóddisszipáció határozza meg. (Pa) Az illesztő kimenőtrafó ellenállását a cső belső ellenálása (Ri) A táblázatból látható, csodák nincsenek. Mivel mind a 4 cső azonos felhasználásra készült, látható a hasonlóság. Innentől egyéni, hogy 6 db 6C19 vagy 1 db 6C33. Fűtésigény, belső ellenálás, anód disszipáció kb. azonos mindkét alternatívánál. Mondjuk én egy 10 W PP vagy 6W PSE-nél a 6C19-et választanám, mert össze tudom válogatni párba, kicsit kisebb meghajtófesz kell. A 6N13 kicsit erősebb, de ott a két csőfél adott a búrán belül. Nagyobb teljesítménynél meg szigorúan a 6C41 vagy 6C33 a sok párhuzamos cső alkalmazása helyett.
Ó
Akkor még kutakodnom kell megfelelő kapcsolás után, mert egy cső helyett 3-at berakni abszolút hülyeség… A 2-2 még tökéletes lett volna a 6e5P-vel hajtva, de akkor még visszatérünk a dologra Ha ezt a motyót megcsinálom 2-2 6S19P-vel, az mennyire lesz "béna"? Köszi az eddigieket is
Nem használtam még a 6E5P-tetródát, de mostanság divatos. Akár jó is lehet. (nekem is van vagy 4 db)
A meghajtás szerintem gyenge, ezeknek az orosz tápcsöveknek (és általában a triódáknak) minimum egy Wiliamson kell ellenütemben. És szimmetria.
De láttam már a neten vagy 60 db csöves 6C19 OTL-t is. Nagy az Isten állatkertje..
2X10 W 6C19 PP 3-4 K illesztéssel szerintem igen jó, jobb mint EL84, csak a meghajtás...Csodák itt sincsenek.
Divatos vagy sem, nekem tetszenek a hasonló dolgok: olyan ronda, hogy már szép
Meghajtásnak kiváló. Sokan már végfoknak is használnák, ami kis teljesítménynél nem is hülyeség.
De triódának kötve már kicsi a teljesítmény. Én még kipróbálnám a 4P1L csövet is meghajtásnak. Még pentódaként is iszonyúan lineáris! Ha kell, küldök jelleggörbét.
Ez is jó "hülyén" néz ki, majd holnap megtanulmányozom, elvileg hoz egyet a postás
(viccen kívül) Találtam jelleggörbét… Most aztán belekavarodtam, böngészgetek, aztán majd kisül belőle valami Köszi szépen!
Jó kis cső a GU-50...
Ha nem tetszik a sapija, szedd le róla, úgy már egész jópofa. Én most épitem vele az SE-t, remélhetőleg az Audiofil Találkozóra már kész lesz, egyenlőre még csak darabokban van.... Idézet: „Nagyobb teljesítménynél meg szigorúan a 6C41 vagy 6C33 a sok párhuzamos cső alkalmazása helyett.” Sajnos a 6C33C-t is csillagozhattad volna, mert abban is két trióda van párhuzamosan kötve, és nem sok figyelmet fordított a gyártó az egyformaságukra. Manipulálni is csak a fűtésen keresztül lehet valamelyest (ha nem nagy az eltérés), ebből következik hogy 2* 6,3 V-al kell fűteni. Van olyan 33-asom is, ahol fél csőnél 100 mA, egész csőnél 110 mA-re áll be az anódáram ugyanakkora rácselőfesznél, el lehet képzelni mennyire hasonló a két trióda a búrában. Ha igazán jót akarunk, válogatni kell őket csőfelekre, ami nem olcsó feladat (mindkét oldalát befűtve kb. kétszeres anódáramnak kell lennie, ahhoz képest mintha csak az egyik triódát fűtjük, változatlan rácselőfesznél), és akkor nem említettem, hogy sztereóban a két oldalnak is egyforma jár.
Szerintem 2-2 vel is tökéletes főleg PP-nél, jelentéktelenül lesz csak kisebb a teljesítmény (kicsit "B"-sebb "AB"-ben, mint 41-el ugyanaz kijön belőlük. Tiszta "A" osztályban kicsit kisebb, mert 2 csőnek kisebb a megengedett disszipációja, mint a 41-esé, de még úgy sem biztos, mert lineárisabb, ha jól emlékszem (ez nem biztos)). Mindenesetre, ha 4 db-ot össze tudsz válogatni, akkor kár ezen aggódni.
10 cm2 vason 1 W-ra 4800 menet primer, 87:1 áttétel 8 ohmra, mekkora Raa-ra gondoltál ilyen csillagászati menetszámokkal, 60 K Raa kell ezeknek a csöveknek?
Szerintem valamit nagyon elsaccoltál.
Kiszámoltam 6C4C SE-hez a kimenőt. Primer 1600 menet 0,21-es huzalból 4*2 sor sorba kötve, szekunder 90 menet 0,49-es huzalból 3 sor párhuzamosan a primerek között. Így 2,5K/8R áttétel jön ki, kb. 0,7T-vel 20négyzetcentis EI vason. Jobb lenne vastagabbra a primert, de csak ilyen huzalom van kb. 5kg. A hozzáértő Urak véleményére vagyok kíváncsi. Ha ez így rendben van akkor hétvégén elkezdeném tekerni...
A 0,21-es sovány lesz a 6C4C-nek, tekerd duplán ha tudod, vagy csinálj 2 primert párhuzamosan kötve (mindegyik primer részt kétszer tekerd, ezeket párhuzamosan, a párhuzamos primer részeket pedig sorosan). A menetszámok szerintem jók. :yes:
Visszavonom, nem vékony a 0,21 sem a 6C4C-nek, 6C41C-re gondoltam, de azért szerintem jobb úgy ahogy javasoltam.
20 Hz fa-ra én más értékeket számoltam. 1T-s gerjesztést simán lehet a sima szilíciumos vasnak adni.
1,2T is megengedett, de de mivel bizonytalan minőségű a vas, ezért 1T val számoltam. 270V sosem lesz a 2 anód közti váltakozó hangfrekis feszültség. Én az 1969-es rádiótechnikában lévő kimenőszámításos képleteket használtam. A számításaim szerint: Uaa = gyök alatt(Pki x Raa). ezzel a képlettel max 74V váltakozó hangfrekvenciás feszültség jelenik meg a két anód közt maximális kimenőteljesítménynél 1,5W kimenőteljesítményen 3,6kOhm Raa-n, és ezt kell transzformálni a 4 és a 24 ohmos kimeneteknek megfelelő feszültségre az áttétel ismeretében. 4 ohm az 2,45V kimenőfeszültségnek felel meg 1,5W kimenőteljesítményen és 24 ohm az 6V kimenőfeszültségnek felel meg 1,5W kimenőteljesítményen. mivel 1,5W kimenőteljesítményt szeretnénk elérni. És ugye az áttételt a menetszám arányokból kapod és az impedancia transzfromáció az az áttétel négyzete.
Na na, csak óvatosan azzal a gerjesztéssel. A szilíciumos vas esetén hálózati trafónál jó az 1 - 1.2 T, mert ott a hiszterézis görbe miatti torzítás nem igazán érdekes, de kimenőtrafó esetén jobb a kissebb gerjesztés, mert bár ez nagyobb vasmagot jelent, a torzítása kisebb, Én is inkább a 0.6 T -t javasolnám, sőt, némi légrésnek is jótékony hatása van a linearitásra.
Idézet: „Ha nem tetszik a sapija, szedd le róla, úgy már egész jópofa. ” Sapiban is egész jópofa. |
Bejelentkezés
Hirdetés |


ezért lett 6h13c . Van valakinek kép a GU 50 működése közben?. 

Akkor még kutakodnom kell megfelelő kapcsolás után, mert egy cső helyett 3-at berakni abszolút hülyeség… A 2-2 még tökéletes lett volna a 6e5P-vel hajtva, de akkor még visszatérünk a dologra


(viccen kívül) Találtam jelleggörbét… Most aztán belekavarodtam, böngészgetek, aztán majd kisül belőle valami 










