Fórum témák

» Több friss téma
Fórum » Mosógép vezérlők és általános problémáik
Lapozás: OK   45 / 594
(#) Bártfai Ferenc válasza Bártfai Ferenc hozzászólására (») Jún 27, 2010 /
 
Bárkinek van működő LVB V 1.32-es procija eladó az legyen szíves szóljon... Előre is köszönöm
(#) norci 74 hozzászólása Jún 27, 2010 /
 
Sziasztok! Van egy 24 éves automatám, de most olyan problémája van, hogy bárhová tekerem a programkapcsolót mindig csak centrifugáz, egyébként minden mást (víz le és felengedést stb.) megfelelően csinál. Ez egy AEG ÖKO LAVAMAT 950 E-NR 605 628455; TYP E WV 0165; F-NR 076 139580; a vezérlő elektronika száma: AEG 645 182 180 Teszek fel egy képet a panelről.
Ha tudtok megoldást a problémára, kérlek írjátok meg. Köszönöm!
(#) Tanyasipeti válasza Bártfai Ferenc hozzászólására (») Jún 28, 2010 /
 
Nem HD6433642-re gondoltál?
És ha kapsz is ilyen processzort, akkor még szükséged lesz a benne levő programra, sőt bele is kell tudnod égetni.

Talán egyszerűbb egy másik WT100-as vezérlőpanelt szerezned, vagy valamilyen másik mosógép vezérlő panelt. Minthogy Micsurin nyomdokaiba léptél, vélhetően most már mindegy, milyen panelt kapsz A lényeg, hogy kefés motorhoz való legyen.
(#) Bártfai Ferenc válasza Tanyasipeti hozzászólására (») Jún 28, 2010 /
 
Hát....
nem teljesen mind1 mivel a Wt100-as vezérlőtábláját nem szeretném lecserélni.... annyi macera volt mire feltettem.... fúrás, faragás, Flexelés.. nah meg a kérdés: Lessz még ebből mosógép? volt is míg valaki nem balfa..oskodott és russzul nem dugott fel egy csatlakozót.
(#) Bártfai Ferenc válasza Bártfai Ferenc hozzászólására (») Jún 28, 2010 /
 
Módosítanám a kérésem.. :d nah szóval... jó bármien működőképes LB2000 UNI-ST panel ami ahogy a kínaiak mondanák: kici ócó
(#) zoz11 válasza Bártfai Ferenc hozzászólására (») Jún 28, 2010 /
 
LB2000-es kell neki, de a rövidebbik fajta!
Vagy esetleg bontott proci, szerintem azért a verziószámot írta. amúgy én tudok ezekbe írni, meg olvasni is tudok belőle.
Üdv: Zoltán
(#) vladcepes hozzászólása Jún 28, 2010 /
 
Sziasztok.
Segítségre lenne szükség.
Adott egy Whirlpool AWT 2284 es mosógép.
Kb fél éve xarakodik.Először úgy kezdte hogy miután kinyomta magából a vizet ott megállt.Tovább kellett léptetni aztán elvégezte a dolgát.
Szét lett kapva teljesen a gép megnéztük a csöveket megnéztük a lefolyó csövet a falba is,kiszedtük a szivattyút is tökéletesen működik.(lehet hogy még valamit kihagytam mert már rég volt de mindent átnéztünk amit annak idején ajánlottak),most viszont apum szétkapta a programkapcsolót mivel már nem csak egy helyen állt meg a program,így a programkapcsolóra gyanakodott.
Szétszedte teljesen és ahol van ez a tekerő része (nem tudom minek nevezzem) ott van két billenő érintkező egy jobboldalt meg egy baloldalt(kis rugókkal ellátva). Aki szedett szét ilyet az tudja miről beszélek.Egy a lényeg hogy az egyik ilyen kis érintkező le volt oxidálódva (fekete-beégve),
Meg lett pucolva csiszolva szépen vezette az áramot vissza lett pakolva az egész,és egy üres mosásnál szépen végig ment a gép.Aztán a második mosásnál megint megállt.Újabb szétszedést követően megint be volt feketedve ez a kis billenő érintkező tehát valamitől beéghet.Néztük az elektronikáját de sehol nem látni semmi nyomokat hogy valami ki lenne égve.
Valaki járt már így? vagy javított hasonló dolgot? Ha igen megosztaná a véleményét? Előre is köszönöm.
Új programkapcsolót nem akarnak venni apumék mert 30 pénz akkor inkább egy új mosógépet.De előtte mindenképp megérné megbütykölni hátha sikerülne.
Amúgy lejárt a garija és rá 2 hónapra ezt csinálta(mintha be lett volna programozva hogy gari lejárta után be kell neki frúccsolni azonnal). Ha valaki tud valamit megköszönöm.
(#) ixel hozzászólása Jún 28, 2010 /
 
Sziasztok!

Van egy AWT 2287 Whirlpool mosógépem, sajnos bármelyik program elindítása után csak zizeg egy kicsit és nem csinál semmit. A kihívott szerelő szerint vezérlőpanel gondja van, sok-sok ezer Ft!
Nincs valakinek valamilyen ötlete, valóban csak panelcsere segíthet?
Előre is köszi a segítséget!
(#) Bártfai Ferenc válasza vladcepes hozzászólására (») Jún 28, 2010 /
 
Szia...
annyira nem vagyok mosógép guru... de annyit már tudok, hogy van program választó, és program kapcsoló... én programválasztót szedtem szét.. abba nincs ilyesmi... de szerintem próbáljátok meg nyomon követni, hogy mit kapcsolhat az a kis kapcsoló ami beég... nekem van 1 olyan érzésem, hogy a fűtőszálat.. esetleg azt nézzétek meg nem-e kontaktos rajta a saru... az is okozhat ilyen jellegű problémát (szerintem)
(#) imikee10 válasza vladcepes hozzászólására (») Jún 28, 2010 /
 
Szerintem már el van égve és nem megfelelő a kontaktus.
Amikor összeraktátok azért működött mert nem ment át rajt nagy áram erősség. Amikor megint elromlott az azért van mert nem zár már rendesen és amíg meg nem ég addig félig-meddig még átvezet.
Azért egy fotó sokat segítene meg, hogy mit kapcsol.

Imi
(#) Bártfai Ferenc válasza Bártfai Ferenc hozzászólására (») Jún 29, 2010 /
 
Hát.... A szennyes csak gyűlik és gyűlik.. azt hiszem nekem kell majd kézzel mosni
(#) Bártfai Ferenc válasza Bártfai Ferenc hozzászólására (») Jún 29, 2010 /
 
Nah szóval nézelődtem kicsit a neten.. de semmi siker :'(
(#) pankotain válasza Tanyasipeti hozzászólására (») Jún 29, 2010 /
 
Köszönöm a választ!

Valóban a proci jó maradt, de még a triak mellet elment 1db 2W 10R ellenállás, meg az előlaphoz menő sor csatlakozó nem érintkezett.
Azonban 3 mosás után megint füstölt egyet.
Alul a szivattyúnak össze éget a csatlakozója és zárlatos lett.
Megoldottam sima sarukkal, kicseréltem megint az elfüstölt alkatrészeket és azóta jó a szerkezet
Akinek ilyen gépe van, ne nagyon árassza el az alját, mert hamar beleér a vízbe és jön a panelból a füst.
De szerencsére megjavítható
(#) pankotain válasza pankotain hozzászólására (») Jún 29, 2010 /
 
Még annyi hogy a triak bekötése ugyan az, vagyis stimmel.
Szerencsére nem kell semmi átalakítás
(#) vladcepes hozzászólása Jún 29, 2010 /
 
Bártfai+imikee10.

Köszi a hozzászólásokat.
Igen csinálhattam volna képet de akkor nem volt mivel,aztán most miután össze lett rakva,apám megelégelte és elvitte szerelőhöz.
Majd megírom mi is volt a problématikája és hogy menyibe fájt.

Üdv:
(#) Bártfai Ferenc válasza vladcepes hozzászólására (») Jún 30, 2010 /
 
oké.. Sok sikert hozzá.
(#) Bártfai Ferenc válasza Bártfai Ferenc hozzászólására (») Jún 30, 2010 /
 
Sziasztok..
Új fejlemény az én ügyemben... Mivel itt senki nem jelentkezett, hogy van LB2000-es panelja eladó vagy LVB V1.32 procija ezért kitaláltam, hogy veszek egy hibás vezérlőt amiben az elterjettebb 2.22 es proci van találtam is egyet elég jó áron még ha procit is kell vennem akkor is olcsón megúszom a dolgot.
véleményetek erről:
(#) Bártfai Ferenc válasza Bártfai Ferenc hozzászólására (») Jún 30, 2010 /
 
Egy kicsike esélyt látok arra, hogy ha kicserélem a rossz alkatrészeket akkor beröffen és elkezd mosni... bár valami elég csúnyán kikészítette.
(#) Bártfai Ferenc válasza Bártfai Ferenc hozzászólására (») Jún 30, 2010 /
 
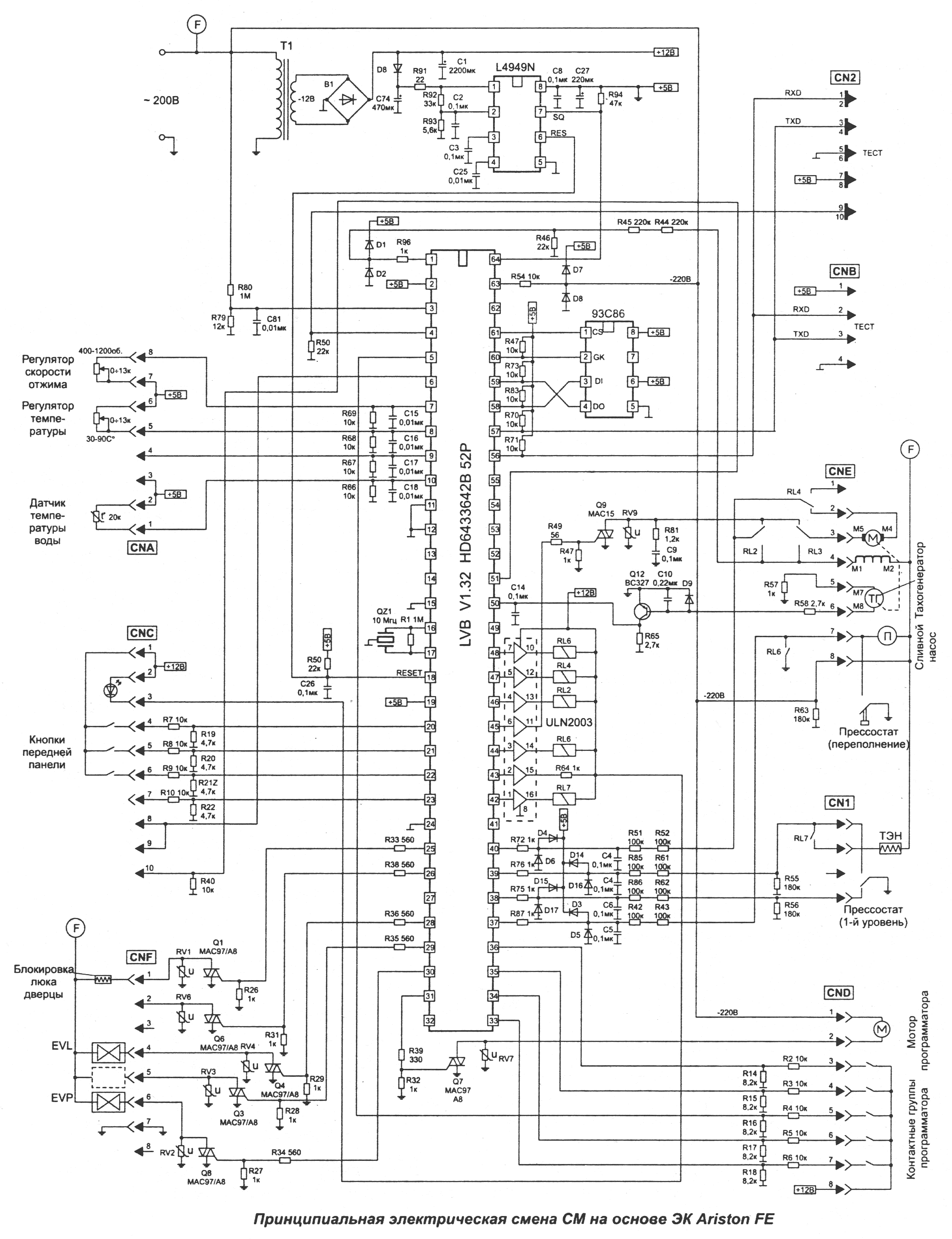
Na hosszas keresés után találtam LB2000 kapcsolási rajzot és írásos dolgokat igaz oroszul:
http://www.elremont.ru/stirm/st_eng/steng_rem67.php

csatolva a kapcsolási rajz, ha ez segít valakinek
(#) Bártfai Ferenc válasza (Felhasználó 13571) hozzászólására (») Jún 30, 2010 /
 
Oh észre se vetten. Nagyon szépen köszi
(#) szaba hozzászólása Jún 30, 2010 /
 
Sziasztok!
Kis segítségre lenne szükségem. Van egy Fagor 3f-211-es mosógép. Mosás közben egyszer csak elhallgatott. Azóta a kijelzőn nem jelenik meg semmi, mintha nem kapna áramot - panelig eljut. A panelt szétszedve egy kondenzátor és egy dióda közti nyákrész fekete. Hogy tudnám ezeket multiméterrel kimérni, hogy tényleg rosszak-e? Másik furcsa dolog, hogy a bekapcsoló mikrokapcsoló nem szakít meg, úgy tűnik mintha ez is tönkre ment volna.
Van vkinek ötlete, hogy milyen irányban nézzek körül?

Köszönöm előre is...
(#) Bártfai Ferenc válasza Bártfai Ferenc hozzászólására (») Júl 1, 2010 /
 
Na szóval meg van az LB2000 panel orosz leírása magyarul.. kapcsolási rajzokkal...Stb. ha valakit érdekel szóljon és fel teszem.
(#) jocoka hozzászólása Júl 4, 2010 /
 
Sziasztok!

A nővéremnek van egy whirlpool awt 5100-ás mosógépe,a kővetkező hibát generálja.
A mosásig minden rendben, majd amikor odaér az öblítéshez, akkor ugye beengedi a vizet, majd elkezdi forgatni dobot majd megint vizet, vesz és ezt teszi állandóan.
Ha tovább lépteted, akkor tovább lép a cetrifugállásra itt kinyomja a vizet, majd egyszer felpörög és leáll majd ezeket, ismételgeti, de nem lép tovább,
és a vizet is túl tölti.
Szerintetek, mi lehet vele a gond, és hol kezdjem a hibakeresést.
És ha valaki tudna nekem feltölteni egy kapcsi rajzott annak is örülnék.
Előre is köszönöm.
Üdv: Jocó
(#) zoz11 válasza jocoka hozzászólására (») Júl 5, 2010 /
 
Hello
Kapcs rajz az felejtős, meg amúgy se tudnál vele mit kezdeni.

Amúgy ez a vízszint szabályzó hibájára utal, vagy annak a csöve vagy a légcsapdája van eldugulva. Azt ne kérdezd, hogy mi ez meg hogy hol van, olvass vissza, már 100x leírtuk.
Üdv: Zoltán
(#) jocoka válasza zoz11 hozzászólására (») Júl 5, 2010 /
 
Szia!
Köszi a választ akkor megnézem amitt leírtál.
Üdv:jocó
(#) Tanyasipeti hozzászólása Júl 5, 2010 /
 
Sziasztok, segítség!

Hosszasan küzdöttem egy Ariston LD44-es mosogatógéppel, ami se kép, se hang problémával került hozzám. Miután valamelyest talpra állt, úgy tűnik, elfelejtette a benne levő EEPROM (ST M24C64) a tartalma egy részét, mivel mindig egy 1ó40perces mosogatást akar csinálni, amit végig is csinál, ha hagyom neki.

Kiolvastam az EEPROM tartalmát, elmentettem és a 0x01D0 feletti területet kinulláztam, FF-fel feltöltöttem, ezt-azt írogattam, mert úgy találtam, hogy ő is erre a területre írkál működés közben.

Attól függően, hogy éppen mit írtam, változott a helyzet: volt, hogy TEST üzembe ment, volt, hogy egy 2órás programot kezdett el csinálni, szóval valahol itt van a kutya elásva. Sajnos információ híján csak ilyen heurisztikus módszerrel próbálkozhattam, ami bár roppant időigényes, nem sok eredményre vezetett.

Ha tehát valaki rendelkezik ilyen mosogatógép EEPROM tartalommal és elküldi nekem, piros betűvel írom a nevét a naptárba.
Ha valakinek csak fizetős verzió áll rendelkezésére, az is érdekel.
Üdv
(#) vgyre válasza Bártfai Ferenc hozzászólására (») Júl 5, 2010 /
 
Szia!
Engem érdekelne, végre nem sötétben tapogatóznék javításkor.
Előre is köszi!
Gyula
(#) Bártfai Ferenc válasza vgyre hozzászólására (») Júl 6, 2010 /
 
Szia!
Amint haza jutok feltöltöm neked... elég sok okosság van benne, bár a fordítás elég szó alapú de el lehet igazodni rajta. Pl: most vált tisztává előttem az is, hogy az 1.32-es processzor helyére simán be tehetem a 2.22-es processzort és menni fog csuklás nélkül....Stb
(#) vladcepes válasza Bártfai Ferenc hozzászólására (») Júl 6, 2010 /
 
Sziasztok.
Na erre tudna valaki hozzászólni.
Amint írtam feljebb is hogy mi volt a problematika a géppel,végül elvitte apum szerelőhöz.
Két nap múlva hív az ürge hogy kész a gép most tart a második próbamosásnál,és még egyet csinál vele addig amíg érte mennek.(amúgy 16 e-be fájt).
Elhozta apum de már az első mosásnál megint elkezdett megállni a gép.(tehát a xarnak adtak egy nagy pofont).
Végül tegnap kiderült hogy ruha nélkül mos rendesen végig viszi,de ruhával megakad. (apám akkor amikor szétkapta és azt az oxidációt lepucolta,amit pár hozzászólássál feljebb is leírtam ) neki is végigment tökéletesen a program-persze ruha nélkül),de ruhával már nem.Na és ezután már nem kapta szét megint hanem elvitte szerelőhöz.És most az van hogy most megint visszavitte a szerelőhöz. Szerintetek mi az ami nem engedi ruhával végigmenni-és ruha nélkül meg igen. Köszi a hozzászólásokat.
(#) jocoka hozzászólása Júl 6, 2010 /
 
Sziasztok!

Megcsináltam, amit zoz11 leírt nekem de semmi változás,lehetséges hogy elfelejtette a programját.
Van rajta egy eeprom 26 vagy 24c-valami most pontosan, nem tudom mert nincs közelembe a gép gondolom abban tárolja a programot.
Lehet, hogy ezt kellene frissíteni ?
Ha igen honnét tudnám ezt megszerezni?
Hogyha valaki tudna segíteni azt nagyon megköszönném.
Üdv: Jocó
Következő: »»   45 / 594
Bejelentkezés

Belépés

Hirdetés
XDT.hu
Az oldalon sütiket használunk a helyes működéshez. Bővebb információt az adatvédelmi szabályzatban olvashatsz. Megértettem