Fórum témák

» Több friss téma
Fórum » Csöves erősítő készítése
 
Témaindító: seedz, idő: Márc 31, 2006
Témakörök:
Ne feledd betartani a fórum viselkedési szabályait, és a topik megmaradásának feltételeit. [link]
A téma átmenetileg fagyasztva lett, hozzászólni nem tudsz!
Lapozás: OK   1021 / 2208
(#) sebestyen_ferenc válasza klemo86 hozzászólására (») Júl 20, 2010
Szia gondolom a RTÉK, az egyszerűbb verziójú. Megpróbálok erősebb szűrést neki vagy dc fűtést alkalmazzak?
(#) sturbi válasza klemo86 hozzászólására (») Júl 20, 2010
Nincsen semmiféle ellentmondás. Az ultralineáris kapcsolás a pentódás kötéshez képest jelent javulást minőségben, csekélyebb teljesítményveszteség árán. A triódás kötés lineárisabb, de a meghajtása problémásabb lehet, és a teljesítmény lényegesen kisebb, mint a pentódás kötésnek. Pont azért találták ki, hogy egy kielőgítő kompromisszumot találjanak a triódás kötés jobb minősége és a pentódás kötés jobb teljesítménye között.
(#) zoly15 hozzászólása Júl 20, 2010
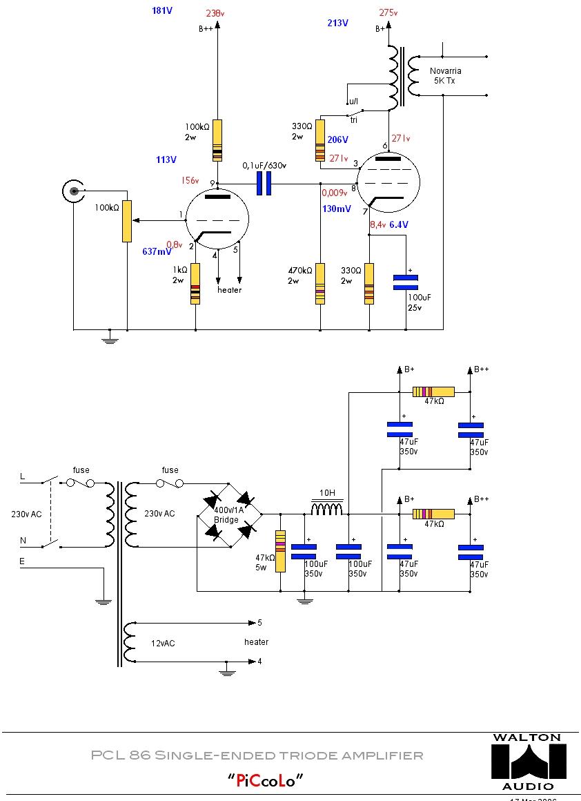
Hali mindenkinek! Megépítettem azt a kapcsolást ami a képen látható. Csöves téren kezdő vagyok, ez volt az első munkám. De nem egészen jól működik. Már kis hangerőn is torzít, nem olyan sokat erősít. Mértem feszültségeket. Kékkel irkáltam fel a rajzra. Most nézem, hogy a fűtés egyik ágát nem tettem a gnd-re. Mi okozhatja a hibákat? A fűtés nekem DC volt, gondolom nem az okozza a gondot. Előre is köszönöm a válaszokat!

pcl86se.JPG
    
(#) (Felhasználó 1947) válasza zoly15 hozzászólására (») Júl 20, 2010
A rajz jó,és egyértelmű.
A tápokat ellenőrizd le, mert az általad mért értékek sokkal alacsonyabbak a kelleténél. a csőbekötéseket szintén nézd át.Használt cső sem előnyös.
A kimenő milyen?
Ezen múlik a "csoda" tehát nem mindegy mi van ott.
(#) zoly15 válasza (Felhasználó 1947) hozzászólására (») Júl 20, 2010
Szia! A táp kicsit leesett. Terheletlenül a B+ 300V környékén volt... A cső bekötése jó többször is néztem már. A kimenő trafó ezen a képen a jobb oldali. Ez a cső még vadonat új! De lehet hogy ki kéne cserélnem egy másikra, hátha..
(#) CIROKL válasza zoly15 hozzászólására (») Júl 20, 2010
Idézet:
„Már kis hangerőn is torzít, nem olyan sokat erősít.”


A kapcsolás az működik , de csodát ne várj ha TV- és kimenőd van ! azzal elég picike hangerőt fogsz kapni.
Ha már kisérletezel a csöves technikával akkor javaslom drótozd át erre a PCL -kapcsolásra , megéri !
Bővebben: Link
(#) zoly15 válasza CIROKL hozzászólására (») Júl 20, 2010
Szia! Igen, TV kimenőm van. De miért csak kis hangerőt tud? Hiszen a "tv is tud ordítani" A rádió kimenő miben másabb egy tv kimenőtől?
(#) (Felhasználó 1947) válasza zoly15 hozzászólására (») Júl 20, 2010
Cirok Lacinak igaza van, ezzel a trafóval sokra nem mész.
Ha tanácsolhatom: Minimum egy SM65-re tekerj hozzá kimenőt.A primer 5-5,2k legyen.
A táp meg nem kicsit esett le, hanem nagyon.
A jó tápegység fontos, nagyon függ a hang tőle.
(#) sebestyen_ferenc válasza zoly15 hozzászólására (») Júl 20, 2010
Én a szekunder tekercset át kelet tekerjem, mert 750 ohmos hangszóró volt a terhelés eredetileg talán nálad is ez a probléma.
(#) (Felhasználó 1947) válasza CIROKL hozzászólására (») Júl 20, 2010
Látom "egy rugóra" jár az agyunk
(#) zoly15 válasza (Felhasználó 1947) hozzászólására (») Júl 20, 2010
Köszönöm a választ! A táp leesett. De nem értem miért 2Db 40W-os trafó van szembe kapcsolva. Vagy ennyit kajálna? A pufferem az 470uF. Trafót nem szeretnék tekercselni. Csak kíváncsi voltam mit tud a csöves. De a He talin szeretnék beszerezni kimenőket. Rádió kimenő az jobb lenne? Feltéve ha akad a börzén, vagy nem viszik el az orrom elől a trafókat.
(#) Doncso válasza zoly15 hozzászólására (») Júl 20, 2010
Szerintem meg a feszültségeket kellene első körbe rendbe tenni. Hans Janinak is TV kimenők voltak benne, semmi baj nem volt azzal. De 2-3W nál többet akkor se várj a kapcsolástól. Nem mellesleg elsőre az is valami ha megszólalt nem igaz? A fütést is ellenőrizd, a PCL-nél nem is a 12-14V pontossága a lényeg, hanem , hogy 300mA-rel fűtsd a csövet, azaz, kösd a fűtés vezetékek közé az ampermérőt, és mérd meg az áramot, lehet nem is megy rendesen a fűtés, akkor meg nem fognak emittálni az elektronok rendesen. Ez lenne a lényege az elektroncsőnek.
(#) sprofan válasza zoly15 hozzászólására (») Júl 20, 2010
Én is ugyan ilyen kimenőket használtam mint a jobb oldali,a míg saját hibámból menetzárlatos nem lett az egyik... De addig is meglepően nagy hangja volt, bár kissé mély hiányos (nem meglepő persze) Most ilyenek vannak Bővebben: Link nem túl nagyok ezek sem, de érdekes módon sokkal több benne a mély. (számomra már az élvezhető kategóriába esik) Nálam a 2db cső egy 50W-os trafóról ketyeg, bőőven elég neki..
(#) Doncso válasza (Felhasználó 1947) hozzászólására (») Júl 20, 2010
Luki mester. Nem kellene egyből bedobni Zoly-t a mélyvizbe, látod még most ismerkedik az alapokkal, szegény honnan tudná, hogy tekerje meg 5k-ra a kimenőt. Előbb az alapokat kellene kicsit átnyálaznia, úgy azonnal tudná mit várjon ettől a kapcsolástól.
(#) (Felhasználó 1947) válasza zoly15 hozzászólására (») Júl 20, 2010
Idézet:
„Trafót nem szeretnék tekercselni.”


Hát pedig ezt, mivel a csöves erősitők szerves velejárója, nem fogod megúszni.

Szerintem a trafó nem árt ha 80-90W körüli.
(#) zoly15 válasza Doncso hozzászólására (») Júl 20, 2010
Szia! Igen, az is valami hogy megszólalt. A fűtés rendben van 280mA-al fűtött (labortápról fűtöttem ) Nem a teljesítmény kell nekem, hanem a minőség. De épp hogy "zörög" de már akkor torzít. Honlap adok a tápnak Meddig lehet lemenni a táppal?
(#) sturbi válasza zoly15 hozzászólására (») Júl 20, 2010
Nagyon kicsi a tápfeszed. Ha meglenne a 280 V akkor számíthatnál kb. 1,5 W-ra a hangszórón, ami jó minőségben nem is olyan kevés. Kisebb tápfesszel kisebb katódellenállás kell, legalább a pentóda résznek (neked kb. 180-220 ohm között valahol a 330 ohm helyett), az már nem ugyanazt a hangot hozza, de jó. A baloldali kimenővel én is csináltam már hasonló kapcsolásokat, triódás kötésben hozta a mélyeket is elfogadható szoba szinten, a közepei és magasai egészen jók. A fűtés is fontos, ne legyen kisebb a fűtőáram 300 mA-nél, ehhez általában 14-14,5 V kell, ha kevesebb, torzítani fog.
(#) (Felhasználó 1947) válasza Doncso hozzászólására (») Júl 20, 2010
Igaz, bocs Zoly!
Szóval olvass utána a témának, és a tápokra ügyelj-Fontos!
(#) zoly15 válasza (Felhasználó 1947) hozzászólására (») Júl 20, 2010
Amikor megírtam az első csöves építési szándékos hsz-emet, egyből írt egy kedves fórumtárs, hogy ő teker trafókat.. Tehát nem kell nekem a tapasztalat nélkül kimenőkkel bajlódni. De nekem az irreális, hogy kezdő erősítőnek már egyből tekerjek/ tekertessek kimenőt..
(#) zoly15 válasza sturbi hozzászólására (») Júl 20, 2010
Köszönöm! Lemegyek, megemelem a tápfeszt. Plusz adok neki 14V-ot. Aztán jelentkezem.
(#) Doncso válasza zoly15 hozzászólására (») Júl 20, 2010
Inkább fel kellene menni. A minőséggel még várj, azt ne ebbe keresd, előbb tanuld meg az alapokat, hogy működik az elektroncső, és néhány példakapcsolást. De semmi képp se keseredj el az első kudarctól, én megtettem, de szerencsére később meghallgattam Hans Jani PCL-jét, na az észhez térített, és folytattam, de már tapasztalatokat keresve. Szóval a lényeg az, hogy tanulj, próbálj ne összevissza belekapni mindenbe, figyelj, adok mejd egy könyvet, nem hosszú, de nagyon érdekes, és minden benne van, amit az alapokhoz tudni illik, én is úgy kaptam köbzoli barátomtól, tudod utálok olvasni de ez nagyon érdekes volt, így elolvastam, majd te is el fogod, sokkal okosabb leszel utána.
D.
(#) klemo86 válasza sebestyen_ferenc hozzászólására (») Júl 20, 2010
Nem egyszerűbb, ez teljes egészében ugyanaz A szokásos szűréseket javaslom csak: anódkörben C-L-C, a fűtés "közepét" testeld. (Ha szimmetrikus a fűtőtekercsed, akkor egyszerűen a közepét vidd testre, ha nem, akkor 1-1 100Ω-os ellenálláson közösítsd testre, vagy egy 150Ω-os trimmerrel.)
(#) (Felhasználó 1947) válasza zoly15 hozzászólására (») Júl 20, 2010
Akkor ne tekerj/tekertess kimenőt.
Használj rádióból származó kimenőt, az egy fokkal jobb a tv-s kimenőnél.
Nekem semmi anyagi érdekem nincs trafókészités ügyben, félre ne érts!
(#) klemo86 válasza sturbi hozzászólására (») Júl 20, 2010
Ja, akkor ezért nem lehet csak EL34, 6CA7 és társainál látni! Akkor kb semmi kételyem már efelől
(#) CIROKL válasza zoly15 hozzászólására (») Júl 20, 2010
Idézet:
„De nekem az irreális, hogy kezdő erősítőnek már egyből tekerjek/ tekertessek kimenőt..”

Igen nem is kell ha csak ismerkedni szeretnél a csöves világgal , de ha egy kicsit magasabb igényeid lennének hangerő és minőség terén akkor ezt a kimenő dolgot nem lehet kihagyni , akkor igen is tekerni vagy tekertetni kell ez nélkül nem lehet megúszni . Egy csöves erősítő szerves része a kimenő amin nem szabad spórolni semmit , mind anyagilag és minőségileg sem , sok esetben ezen múlik vagy bukik az erősítő hangzása , hangképe.
(#) Doncso válasza CIROKL hozzászólására (») Júl 20, 2010
Jól mondod Laci. Bohóckodni lehet akár egy 230/12V trafóval is légrésesre lemezelve, szólni az is fog, Müszikém szerint nem is akárhogy, de a minőséghez már nincs más kiút.
(#) zoly15 válasza zoly15 hozzászólására (») Júl 20, 2010
Megemeltem a tápfeszt. A B+nál van 330V A B++nál pedig 270V. A fűtésre még ráhúztam 14V-ról fűtöttem. Bekapcsoltam, Működik De egy hangerő felett most is torzít, pedig nem esik a tápfesz. Vagy már a kimenő megy telítésbe? Álltam ott magamnak és vigyorogtam, de nem tudtam hogy min
(#) zoly15 válasza Doncso hozzászólására (») Júl 20, 2010
Köszönöm! Eszemben sem volt meghátrálni a kudarctól. Csak azt gondoltam itt az ideje valami kis tapasztalatot gyűjteni
(#) Doncso válasza zoly15 hozzászólására (») Júl 20, 2010
Az építés örömén. Azért egy két dolgon finomíthatsz még, ott vannak az értékek a kapcsi rajzon, azokhoz próbál közelíteni szépen. Nyugalmi áram mennyi? Az sem mindegy. Ezt a katód ellenálláson eső feszből kiszámolhatod. 30-40mA ha jól emlékszem elég neki, mivel A osztályba megy.
(#) CIROKL válasza zoly15 hozzászólására (») Júl 20, 2010
Idézet:
„De egy hangerő felett most is torzít,”

Zoli arra nem is gondolsz hogy ez a bizonyos hangerő már a kimenő által nyújtott MAX hangerő ! /Mértél már valamit ?/
Következő: »»   1021 / 2208
Bejelentkezés

Belépés

Hirdetés
XDT.hu
Az oldalon sütiket használunk a helyes működéshez. Bővebb információt az adatvédelmi szabályzatban olvashatsz. Megértettem