Fórum témák

» Több friss téma
Fórum » Csöves erősítő készítése
 
Témaindító: seedz, idő: Márc 31, 2006
Témakörök:
Ne feledd betartani a fórum viselkedési szabályait, és a topik megmaradásának feltételeit. [link]
A téma átmenetileg fagyasztva lett, hozzászólni nem tudsz!
Lapozás: OK   1022 / 2208
(#) zoly15 válasza CIROKL hozzászólására (») Júl 20, 2010
Nem úgy értettem, hogy jó mindég is az a tv/ rádió kimenő. De "tanuló erősítőnek" pont elég. Nemsokára szeretnék én is valami komolyabb végfokot építeni. De még nem tudom hogy mit kéne.
(#) sturbi válasza CIROKL hozzászólására (») Júl 20, 2010
Jó az a kapcsolás, és jó a kimenő is (legalábbis a baloldali, én azt ismerem ezek közül). Ha átköti pentódásnak, ahogy javasolod, rosszabb lesz a mélyátvitel (mert a kisebb belső ellenállás lefele tolja az átvitelt), nagyobb lesz a teljesítmény, de füllel nemigen lehet észrevenni, nagyobb lesz a torzítás is, ami viszont esetleg észrevehető lesz. Kipróbálni persze érdemes, ízlésfüggő is, hogy kinek mi tetszik.
(#) klemo86 válasza zoly15 hozzászólására (») Júl 20, 2010
Pont találtam a 3 ládányi trafóból egy ECL86-os kimenőt, amit sprofan kolléga is mutatott! Megyezhetünk
(#) zoly15 válasza Doncso hozzászólására (») Júl 20, 2010
Azon is, meg olyan megható volt a hangzás.
(#) zoly15 válasza CIROKL hozzászólására (») Júl 20, 2010
De erre gondoltam, hogy ennyit tud. Mérni hol kell hogy lássam hogy ennyit tud?
(#) CIROKL válasza sturbi hozzászólására (») Júl 20, 2010
Nem mondtam hogy rossz lenne az a kapcsolás , csupán ajánlottam egy jobbat!
(#) Doncso válasza zoly15 hozzászólására (») Júl 20, 2010
Áhháá! Megfertőződtél! Ide látom a szemedbe.
(#) zoly15 válasza klemo86 hozzászólására (») Júl 20, 2010
Egy kimenő "nem kimenő" Sztereót szeretnék ha építek. De ha a pcl ennyit tud, akkor ez nekem kevés lesz. Vagy, a tv hangkimenő nem a leg híresebb? A rádió kimenő jobb?
(#) zoly15 válasza Doncso hozzászólására (») Júl 20, 2010
Igen, ez a nagy harci helyzet Van egy Vidi hangfal párom ami nagyon szép magasakat tud. Őt szeretném meglepni
(#) klemo86 válasza zoly15 hozzászólására (») Júl 20, 2010
Ha ekkora ismeretséged van a MÉH telepen, kukázz két egyforma csöves rádiót - megtalálsz benne csöveket, hálózatit, kimenőt Csak Át (újra) kell építeni egy jó kapcsolással.
(#) zoly15 válasza klemo86 hozzászólására (») Júl 20, 2010
Tévedsz! Nincs semmiféle ismeretségem a méh telepen. Meg amúgy is, hogy keveredik ide a méh telep?
(#) klemo86 válasza zoly15 hozzászólására (») Júl 20, 2010
Az elektronikai hulladék veszélyes hulladék, csak gyűjtőhelyre szabad "dobni" Hátha van valami jó cucc… Felénk idén lomtalanítás se volt
(#) zoly15 válasza klemo86 hozzászólására (») Júl 20, 2010
Sajna lomtalanítás felénk sem volt (még) De egyre kevesebb a használható motyó :no:
(#) klemo86 válasza zoly15 hozzászólására (») Júl 20, 2010
Amúgy meg azt mondom Neked, hogy érdemes orosz csövekből építkezni, egyrészt az áruk miatt, másrészt a minőségük miatt (egy valamit nem szabad elfelejteni, azt, hogy az orosz "copy" csövek egy része nem sikerült valami jól - tehát olyat keress, amit csak ők gyártottak) Kinézetre lehet válogatni, a közkedveltebb csövekből nem véletlen készült annyi féle variáció… Az én mostanim is nagyon ígéretes, csak nem az én idegeimnek való a toroid-tekercselés Holnap még egyszer megpróbálom, 2 méteres huzaldarabokkal talán nem lesz olyan orbitális gubanc, mint a mostaninál - aztán majd összeforrasztgatom sorban őket…
Ja, majd elfelejtettem: NOS csövek! (new old stock) Csak és kizárólag! (véleményem szerint)
(#) klemo86 válasza zoly15 hozzászólására (») Júl 20, 2010
Persze, az ilyenektől már megszabadult mindenki
(#) sturbi válasza zoly15 hozzászólására (») Júl 20, 2010
Sztereóban lényegesen hangosabbnak tűnne, és a jó csöves térhatás is mellbe vágna. Persze a 2*1,5 W nem nagy teljesítmény, bulizni nemigen lehet vele, nem mindenkinek elég, de szinte mindenkinek van (én is általában ilyen csöppségeket hallgatok). Saját építésű kiserősítő hangja mellett a legjobb izmosabb darabokat tervezgetni.
(#) Ricsi89 válasza sturbi hozzászólására (») Júl 20, 2010
Sokáig én is ennyit hallgattam a szobában, tökéletesen megfelelt. Most a műhelyben pihen és várja a sorsát. Kevés a hely és sok az erősítő.
(#) sturbi válasza CIROKL hozzászólására (») Júl 20, 2010
Igen, érdemes megpróbálni, lehet hogy jobb eredményt tudna elérni vele, végülis nem nagy meló, és a visszacsatolással korrigálni tud a kimenőtrafó gyengeségein is. Dupla hangerőt is azért már meghallani.
(#) sturbi válasza klemo86 hozzászólására (») Júl 20, 2010
Miért nem csinálod meg sima kétutasra az egyenirányítást, akkor a rácselőfesznek is egyutasan, vagy kétutasan le tudsz venni amennyit akarsz, nem kell a toroid tekeréssel bajlódni.
(#) rockersrac válasza CIROKL hozzászólására (») Júl 20, 2010
[OFF]Írtam privátot lemez ügyben, de nem kaptam választ rá sajnos! :hide:
(#) klemo86 válasza sturbi hozzászólására (») Júl 20, 2010
Nem lennék én ekkora gondban, ha a 110V helyett a kis affér miatt nem 14,5-öt adna a segédtrafó
(#) sturbi válasza klemo86 hozzászólására (») Júl 21, 2010
Pont ezért mondom, akkor nem lenne szükség a 110 V-os tekercsre, Egyetlen greatz híddal meglenne a plusz és a a minuszos táp is kétutasan a 2*190 V-ból.
(#) sebestyen_ferenc hozzászólása Júl 21, 2010
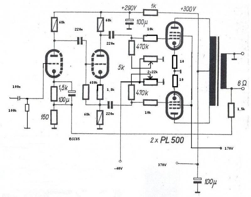
Üdv szeretném megépíteni PL500PP erősítőt, a csövek már megvannak a kimenő vasam sajnos 10,5cm2. Megvetem a primer tekercs drótját a kérdésem az menyivel módosul a menetszám esetleg a huzal vastagság, ha kisebb a trafó?
(#) Action2K válasza sebestyen_ferenc hozzászólására (») Júl 21, 2010
Mennyivel kissebb? Mert ha sokkal, akkor lehet, el sem férnek a huzalok. Kevesebbre tekerni lehet, de csak módjával, mert megváltoznak a paraméterek. A kissebb keresztmetszet pedig az átvitelben is, főleg a mély hangok hiányával fog párosulni. Attól hogy kissebb a keresztmetszet, lehet nyújtottabb a trafó, s lehet, hogy elférne.
(#) sebestyen_ferenc válasza Action2K hozzászólására (») Júl 21, 2010
Pontosabban 4,2*2.5 azaz 10.5cm2 a vasmag. A cséve 2.75*4.4 -es. Remélem ráférne.
(#) zoly15 válasza sturbi hozzászólására (») Júl 21, 2010
Sztereóban, lehet hogy hangosabbnak tűnne. Kipróbáltam a másik kimenővel is, azzal valamivel jobban muzsikál! Nem bírtam megállni, hogy a kis Videoton hangfalamat ne vigyem le neki. A hangja gyönyörű csak nekem a hangerő kevés. (Ez nem csak neked szól) Ha építenék egy PP-t az hangosabb lenne igaz? A minőségileg melyik jobb az SE vagy a PP?
(#) Ricsi89 válasza zoly15 hozzászólására (») Júl 21, 2010
SE-ben is van nagyobb teljesítményű, pl GU50SE. Az már tud kb 8W-ot.
(#) zoly15 válasza Ricsi89 hozzászólására (») Júl 21, 2010
Gondolom a GU50SE tud nagyobb hangot, nem? Akkor a PP mit tud? Én is a GU50-el szemezgettem. Elég olcsó is, de a minősége mennyire jó? Erre a kérdésre várok választ több embertől.
(#) zoly15 válasza (Felhasználó 13571) hozzászólására (») Júl 21, 2010
Értem! Akkor ki kell próbálnom egy PP-t. De kimenőm nincs hozzá Csak a HE taliban bízhatok!
(#) lpcollector válasza zoly15 hozzászólására (») Júl 21, 2010
Véleményem szerint kezdd először egy kisebb költségű SE-vel. A GU50 olcsó is és sokan sikerrel építettek belőle jó hangú erősítőt.
Halkan jegyzem meg, azért érdemes 4-5W felett is meghallgatni egy SE-t...
Következő: »»   1022 / 2208
Bejelentkezés

Belépés

Hirdetés
XDT.hu
Az oldalon sütiket használunk a helyes működéshez. Bővebb információt az adatvédelmi szabályzatban olvashatsz. Megértettem