Fórum témák

» Több friss téma
Fórum » Műveleti erősítő
 
Témaindító: petrik, idő: Júl 31, 2005
Lapozás: OK   15 / 112
(#) libertitas hozzászólása Júl 11, 2010 /
 
Sziasztok!
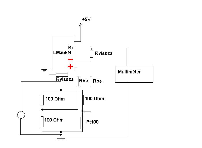
Differenciál erősítő módban bekötött műveleti erősítővel szeretném "feldolgozni" egy Pt100 hőmérő ( mely Wheatstone-hídba van kötve ) jelét LM386N típusú műveleti erősítővel.
A problémám az, hogy nem a várt eredményeket kapom a kimeneten, ha az erre a célra megfelelő alapkapcsolás szerint rakom össze az áramkört.
Ha 5V-ról működtetem az IC-t és 1,58V-ról a hidat, akkor az erősítő kimenetén 2mV van. (Rvissza=100k, Rbe=10k)
Ha minden így marad, de Rvissza=274k és Rbe=10k lesz, akkor a kimenet 3,74V-ra vált.
Akárhogy változtatom az ellenállásokat, sehogysem kapok értelmes kimeneti eredményt. (Arról nem is beszélve, hogy ha ráfújók tartósan vagy megfogom a Pt100-at, kicsit sem változik a kimenet)
Mellékeltem a kapcsolást.

pt100.JPG
    
(#) libertitas válasza (Felhasználó 15355) hozzászólására (») Júl 11, 2010 /
 
Bocs, lm358-at akartam írni.
(#) libertitas válasza (Felhasználó 15355) hozzászólására (») Júl 11, 2010 /
 
A mellékelt lapon a Vr mit jelent mert nem találtam róla infót ?
(#) libertitas válasza (Felhasználó 15355) hozzászólására (») Júl 11, 2010 /
 
Köszi a linkeket. Ezek kicsit komolyabbak, mint amit én terveztem.
Viszont most egyelőre csak az első linked lapján található kapcsolást tudom megépíteni, mert ahhoz van alkatrészem, melyhez viszont tudnom kellene, hogy mi az a Vr=IV ?
(#) proli007 válasza libertitas hozzászólására (») Júl 11, 2010 / 1
 
Hello!
- Első dolog, a híd kiegyenlítettségének ellenőrzése, tehát a hídban a platinán kívül pontos ellenállások szükségesek.
- Ha a visszacsatoló ellenállás 274kohm, akkor a műveleti erősítő erősítése, 27,4-szeres.
- A PT100 ellenállás változás tartománya 0°C esetén 100ohm, míg 100°C esetén 138,5ohm. Így ha a hídban minden ellenállás 100ohm és a hídfeszültség 1,58V, akkor 0°C esetén a híd kimeneti feszültsége 0,0mV, míg 100°C esetén 126,88mV
- Ezt a bemenő feszültséget erősítve, 0°C esetén 0,0V-ot, míg 100°C esetén 3,47V feszültséget kapunk elméletileg. A kettő érték között, a kimeneti feszültség változása, lineáris.
- A valóságban az LM358 nem egy ideális erősítő, tehát nem képes a kimenet "lemenni" 0V-ra, és a kimenet legmagasabb feszültség szintje, is kb. a 100°C-hoz tartozó 3,5V környékén van..
- Ha a hídelemek 100ohm-osak, és szobahőmérsékleten volt a platina, akkor a két érték között kellett volna lenni a kimenőfeszültségnek. De elég erős a gyanú, hogy az erősítő "szögre van akadva, (2mV/3,74V) így a kimenet feszültsége a hídfeszültség változására már nem változik.

- Minden esetre ellenőrizd, hogy tényleg negatív visszacsatolást alakítottál ki, és nem pozitívat. (lehet a kimenetről, nem az invertáló bemenetre, hanem a neminvertálóra csatoltál vissza. Ezért a kimenet kiakad..
- Mérd meg a híd aktuális feszültséget, és a kimeneti feszültség ennek 27,4-szeresének kell lenni.
- Ellenőrizd, hogy a platina, a jó hídágban helyezkedik-e el. Kiegyenlítetlen híd esetén, az invertáló láb felé menő hídágnak kell a pozitívabbnak lenni. (az invertáló lábra menőhöz képest)
- Az LM358 nem a kis offset feszültségéről híres, így a mérésnél, 3..5°C hiba is lehet..
üdv! proli007
(#) libertitas válasza proli007 hozzászólására (») Júl 12, 2010 /
 
Szia!
Köszi a segítséget, hasznos volt. Most úgy látszik működik. Reagál az IC kimenete arra, ha finoman megfogom a platinát, és kb. egész reális eredményt mutat a bemeneti feszekhez képest, viszont a kimenet még mindig nem számítható a megszokott képlet alapján:
Uki=|(Ube1-Ube2)|×A
Nálam most a kapcsolás az alábbi:
1,5V hídfesz, 10× erősítés, Ube1=737mV (ez a Pt100 ága, mely az IC nem inv. bemenetére megy), Ube2=744mV, Uki=480mV

Amit számoltál, hogy 1,58V-os hídfesz esetén 100fokon 126,88mV lesz a kimeneti fesz, az nem teljesen tiszta, hogy hogy jön ki. Biztos jó, csak nem tudom, hogyan számoltad.
(#) libertitas válasza proli007 hozzászólására (») Júl 12, 2010 /
 
Közben megvan, hogy hogyan számoltad.
Nekem Volt értékben jött ki és hirtelen azt hittem, hogy nem jó, mert 0,...-el kezdődött, a te eredményed meg mV-ban van.
(#) proli007 válasza libertitas hozzászólására (») Júl 12, 2010 /
 
Hello!
A 358 nem Rail-to-Rail erősítő, így az Uki=Ube*Au alapján számított kimeneti feszültség, csak abban a tartományban igaz, amit a kimeneti feszültség be tud járni.. (És nem szabad figyelmen kívül hagyni az offset hiba értékét.)
üdv! proli007
(#) libertitas válasza proli007 hozzászólására (») Júl 12, 2010 /
 
Rendben.
Ma egy kicsit elszórakoztam a kapcsolással, és oda jutottam, hogy a kimeneti feszültség kb. 10szerese a mérendő hőmérsékletnek.
Tehát a szobámban 22fok van, a kimeneti fesz. 220-és 225mV között változik. Ha megfogtam a platinát 275-280mV között változott az értéke.
Ezt ellenőriztem egy Maxwell multiméteres K-szondával, mely 29 fokot mutatott.
Annyiban módosítottam a kapcsolást, hogy a híd után bekötöttem egy 99,6 Ohmos ellenállást, amely ezt a pontosodást(?) eredményezte.
Természetesen sok a hibalehetőség, de nem is akarok tized pontossággal mérni, bőven elég 1-2fok eltéréssel is.

Szerinted hiteles lehet ezzel a megoldással a "műszer" ?
Hogyan tudnám azt megcsinálni, hogy ha 1,5V-os elemről hajtom meg a hidat, akkor ahogy az elem merül, ne változzon a referencia értékem?
(Most 2 labortápról hajtom az egészet és így nem túl mobilis )
(#) proli007 válasza libertitas hozzászólására (») Júl 12, 2010 /
 
Hello!
A hídfeszültséget stabilizálod.. De ha a hídfeszültség változik, akkor a hídátlót állandó értéken tartani már nem egyszerű feladat..
Tekintve, hogy a hídfeszültség változása szorzatként jelentkezik a képletben. Tehát kiegyenlített hídnál, tök mindegy mekkora a hídfeszültség, viszont kiegyenlítetlen híd esetén, százalékosan akkora a hídátló feszültségének változása, mint amekkora a hídfeszültség változás.

A szorzatot kompenzálni, viszont csak egy változtatható ellenállású osztóval lehetséges (erősítés állítás). Az meg macerás.
- De miért kell elemről táplálni a hidat, mikor ott van az 5V feszültség? Ráadásul gyanítom, hogy ezt egy PIC-re akarod vezetni. Annak, legegyszerűbb referenciája maga a tápfeszültség, így automatikusan kompenzálja is a híd tápfeszültség változást.
- De ha a PIC referenciájának beviszed az 1,5V hídfeszültséget, az is kompenzálja önmagát.
- Másik módszer, ha a híd feszültséget is megméred a PIC-el, és szoftveresen kompenzálod a hibát.
üdv! proli007
(#) libertitas válasza proli007 hozzászólására (») Júl 12, 2010 /
 
Így van, PIC-kel szeretném majdan feldolgozni az értéket, és kijeleztetni 7 szegmensessel, bár ott még nem tartok.

Az 5V-os híd táplálást azért hanyagoltam, mert nagyon melegszik a platina és eltorzítja az eredményt. Kb. 1,5V az, ami még megengedhető szerintem.
Azt viszont nem tudtam, hogy ha 1,5V lesz a PIC referenciája akkor az is kompenzálódik. Én csak az 5V-ra emlékeztem, mint alap referencia.
Amint időm engedi nekilátok a PIC-es résznek.

Köszi a segítséget, jól jött.
(#) proli007 válasza libertitas hozzászólására (») Júl 12, 2010 /
 
Hello!
A referencia feszültség minimumát, meg kell nézni az adatlapon.. (mert van olyan)
Egyébként, pedig az 5V-ból, egy kis LM317-el lehet stabilizálni a hídfeszültséget is. Valamint a hídnak nem szükséges csupa 100ohm-ból állni. (mint ahogy Simpi linkjein is látható..)
üdv! proli007
(#) fongab válasza libertitas hozzászólására (») Júl 12, 2010 /
 
Szia
2mA, még átlehet folyatni, a platinán. Ez kb0,2V, utána melegszik, és a magasabb hőmérséklet tartományba, egyre nagyobb lesz a eltérés, tényleges, és a kijelzett között.
így is 0°C =100ohm 0,2V 100°C=138,5ohm 0,277V a különbség 0,077V ha csak 10x erősítés márt kijelezhető. A 100x erősítésről, nem is beszélve( 7,7V).

Te 25mA, hajtasz a platinán. Persze hogy melegszik. Legalább a híd csúcsaihoz 1,2Kohmos ellenállást, mind a +, mint a –, táphoz. Úgy, márt ott lesz valahol.
üdv.
(#) libertitas válasza fongab hozzászólására (») Júl 12, 2010 /
 
Szia!
Az előző kapcsolásomat módosítottam közben úgy, hogy egyelőre 100Ohmot tettem a híd végére, mellyel az áram 7mA-re csökkent, viszont így arányos lett a kimenet mV-ban a hőmérséklettel.

Majd kipróbálom a te verziódat is a kiloOhmos nagyságrendben, csak most már késő van ehhez.
(#) GxxANC hozzászólása Júl 20, 2010 /
 
Sziasztok!

OPA445 tápellátásához mekkora teljesítményű transzformátor kellene? 2x24V stabilizált tápról szeretném járatni, és csak feszültségerősítést végez előfok gyanánt egy végerősítő elé. 2db táplálása szűkséges. Van egyébként valami számítási eljárás amivel meg lehet mondani az adott körülmények között mekkora trafóteljesítmény szükségeltetik adott műveleti erősítőhöz? Nézegetem az adatlapját de nem jöttem rá. Gondolom erősítő bemenetére nem dolgozik rá nagy teljesítménnyel, ezért egy 1.8VA-es nyáktrafóra gondoltam, nem tudom ez elegendő-e, és ha igen mennyi ME-t bír el.

Köszönöm!
(#) GxxANC hozzászólása Júl 26, 2010 /
 
Sziasztok!

Adott egy műveleti erősítő, aminél az erősítés szintjét egy hagyományos nem invertáló kapcsolás adja. A kérdésem az lenne, hogy ha a bemenő jel (hangjel, mivel erősítőbe lesz, és a hangerőtől függ a szintje) akkorára nő, hogy a beállított erősítési tényező miatt a kimeneten a tápfesszel egyenlő nagyságú, vagy nagyobb jel kellene hogy kimenjen, abban az esetben mi történik? Torz jel keletkezik, vagy a ME korlátozni fogja a kimenő feszültséget a tápfesze alá?

Köszönöm!
(#) maestro hozzászólása Júl 28, 2010 /
 
Üdv!
Összedobtam egy nem invertáló erősítőt 741-el, de nem akar működni. Az erősítés 101-re van beállítva (100k, 1k), a nem invertáló bemenetre pedig egy feszültségosztóval létrehozott 40mV van kötve. A kimeneten pedig mindig 0V van! Ha a kimenetre teszek egy 100k-s felhúzó ellenállást, akkor közel erősít (Uki=3-4V), de ha a nem invertáló lábát földre húzom, akkor is 3-4V marad a kimeneten! A táplálás nem kettős tápról megy!
(TL072-vel is ugyanez)
Mi lehet a probléma?
(#) saraha hozzászólása Júl 28, 2010 /
 
Sziasztok.
Meg tudná nekem valaki magyarázni,hogy mi a lényegi különbség az OPA132 és az OPA134 között?
(#) proli007 válasza maestro hozzászólására (») Júl 29, 2010 /
 
Hello!
Például, hogy nem kettős tápfeszültséget használsz..
100kohm-al, sehova nem lehet húzni egy OPA kimenetét, tehát valami általános probléma van..
Rajzot kellett volna felraknod nem?
üdv! proli007
(#) maestro válasza proli007 hozzászólására (») Júl 30, 2010 /
 
Kapcsolási rajzot nem akartam rajzolni, mert annyira egyszerű, de itt találtam egy hasonlót.
Bővebben: Link
Annyi eltérés, hogy a nem invertáló bemeneten 1kohm volt, majd leszedtem, de akkor is ugyanez. Meg ugyanarra a tápra kötött feszosztóból kapja a jelet. (leosztott egyenfeszültség: 30-50mV)
Az IC biztos jó! Kettős tápom meg nincs itthon, de ha csak azzal működik, akkor majd veszek két 9V-os elemet.
Egyébként tinában erősít.
A 100kohm felhúzó ellenállás komparátor üzemben bejött, azért raktam olyat ide is.

szerk: kicseréltem a felhúzó ellenállást 4,7k-ra és ugyanez a jelenség lép fel, csak logikusan nagyobb feszültség van a kimeneten. Egyáltalán kell a kimenetre felhúzó ellenállás?
(#) maestro válasza (Felhasználó 15355) hozzászólására (») Júl 30, 2010 /
 
Jó, de oly mindegy neki, hogy 0V van a bemeneten vagy 50mV, és a kimenet egy hangyányit sem változik. Pedig Voltokban mérhető változást kellene látnom.
Van még itthon: LM324, LM358, TL062, TL072. Valamelyik esetleg megfelelne egyes táphoz is?
(#) maestro válasza (Felhasználó 15355) hozzászólására (») Júl 30, 2010 /
 
Stabil tápom van. Akkor gondolom elég a 2 Zéner is az ellenállásokkal. Csak próbapanelre kell az egész, tehát nem kell, hogy atombiztos legyen.
Köszi a segítséget. Majd kipróbálom így is.
(#) maestro válasza (Felhasználó 15355) hozzászólására (») Júl 30, 2010 /
 
Már miért ne működne egyennel? A feszültséget az ellenállások végeire adom! Nem marad a J2 csatlakozó sem, meg középen az az összekötés sem. A többi alkatrészt meg ne képzeld oda. Most próbáltam ki és nagyon jól működik a táp. Köszi az ötletet!
Már csak meg kell néznem, hogy elég lesz-e az IC-nek a 6,9V.
(#) proli007 válasza maestro hozzászólására (») Júl 30, 2010 /
 
Hello!
- Ha a tápfesz rendben van, akkor sem lesz megfelelő az áramkör. Ilyen egyszerű lelkületű IC-vel nem lehet mV-okat erősíteni, mert az offset feszültségük, 1..3mV között van. Ha ezt felerősíted százszorosára, akkor az már pld. 300mV hibát fog okozni a kimeneten. Persze lehet offset-ezni is az áramkört. (bár a gyári offset-ek erősen rontják az offset drift értékét..)
- Tehát ide jóval precizebb erősítő kell, pld. egy OP07.
- A tápfeszt alapvetően, a kimenet szükséges kivezérlési mértéke fogja meghatározni. Mert annak is van maradék feszültsége. Tehát legjobb esetben is, nem közelítheti meg a tápfeszt 1..2V-ra. De használhatsz eltolt tápfeszültséget is, akkor nem +-6,9V lesz, hanem mondjuk -2V és +12V. Természetesen ez csak akkor jérható út, ha a kimenet kivezérlés igénye 0..Ut-2V között van.

Persze ezt úgy mondom, hogy semmit nem tudok a felhasználásról és a szükséges minőségi igényeidről, mert azt nem osztottad meg velünk.
üdv! proli007
(#) maestro válasza proli007 hozzászólására (») Júl 30, 2010 /
 
Helló!
Már működik az áramkör, csak az a fránya próbapanel volt a ludas.
Köszi mindenkinek!
Egyébként egy komparátorra fog menni a jel, és nem kell, hogy olyan pontos legyen.
(#) alex077 hozzászólása Aug 1, 2010 /
 
Sziasztok!

Van egy kis problémám:
2-200mV-ig terjedő DC feszültséget (egy söntön eső feszt) kellene felerősítenem 0-5V-ra. Egy PIC-kel szeretném majd ezt feldolgozni. +5V áll redelkezésre.
Tudna valaki ehhez kapcsolást/műveleti erősítőt/linket ajánlani?
Fontos lenne a pontosság.
Köszi
(#) proli007 válasza alex077 hozzászólására (») Aug 1, 2010 /
 
Hello!
Definiálhattad volna a pontossági igényed, az, hogy "fontos lenne a pontosság" még nem műszaki paraméter..

De ha "kellően pontos" áramkört szeretnél építeni, akkor az LTC1053-at ajánlanám hozzá. Bár ennek kimenete csak 4,5V-ra tud felmenni, de ha pontosan akarsz mérni a PIC-el, akkor a referencia feszültségnek úgy sem használhatod a tápfeszültséget, hanem belső vagy külső referenciát, ami nyilván alacsonyabb feszültségű lesz..
üdv! proli007
(#) alex077 válasza proli007 hozzászólására (») Aug 2, 2010 /
 
mV pontosságot szeretnék legalább.
Rákerestem az IC-re és horror árban lehet csak hozzájutni.
Nem írtam ugyan, de az is fontos lenne, hogy ne legyen túl drága. Értem ezalatt, hogy max párszáz forintos alkatrészekből megépíthető legyen az áramkör.
Döglött ötlet és ne foglalkozzak vele vagy azért pár műveleti erősítővel megoldható a dolog? (TL074, TL082 van most nekem)
Köszi
(#) proli007 válasza alex077 hozzászólására (») Aug 2, 2010 /
 
Hello!
Ezekkel az erősítőkkel nem mész semmire. Ha pár mV-t hibát szeretnél maximum a kimeneten, akkor csak 10-szerres erősítés esetén is, az offset feszültségnek, 0,1mV alatt kell lenni. Egyszerű erősítők offset feszültsége, pedig 2..3mV között van.
Ha olcsó megoldást szeretnél, akkor a +5V-ból kell készíteni egy 555-el negatív feszültséget. (-2..-3V bőven elegendő) és egy OP07-et használni. Ezzel már biztosítható a kitűzött cél. (De az OP-nek sem fog a kimenete felmenni 5V.)
Ennél egyszerűbb lenne, esetleg egy OPA350 Rail-to Rail erősítő használata, csak azt meg nem látom hol kaphatsz itt.
üdv! proli007
(#) alex077 válasza proli007 hozzászólására (») Aug 2, 2010 /
 
Először ezzel az OP07-el kísérletezek multisimben. Azt írtad, hogy -2,-3 V elég Vcc- -nak, de akkor Vcc+ -nak +2,+3 V kell? Szóval szimmetrikusnak kell lennie a feszültségnek? Mondjuk +-3V?
köszi
Következő: »»   15 / 112
Bejelentkezés

Belépés

Hirdetés
XDT.hu
Az oldalon sütiket használunk a helyes működéshez. Bővebb információt az adatvédelmi szabályzatban olvashatsz. Megértettem