Fórum témák
» Több friss téma |
Fórum » Feszültség kétszerező
Témaindító: elek-tronika, idő: Ápr 5, 2007
Témakörök:
Sziasztok!
Meg tudná mondani nekem valaki, hogy a BAY251 helyett mit lehetne használni? Ezt a típust már sehol nem találom. Köszönöm előre is!
Üdv mindenkinek!
nekem egyenáramú feszültségnégyszerező kellene, ami 3V-ból csinál 12V-t. Ez egy szobatermosztáthoz kell, mert alapból 3V-os vezérlőjelen kapcsol.
hello!
nekem egy feszültség háromszorozó kéne.. egyenlőre csak a lehetőségeket fontolgatom. 21.5V-ot kéne erősíteni 51VDC-75VDC közé. az áramát egyenlőre nem tudom, de egy erősítőhöz kéne (STK) az lenne a kérdésem, hogy megfelel-e ez a megoldás, a célra?
Sziasztok!
Egy másik topicban kaptam az ötletet, hogy a problémámat Step Up converterrel orvosoljam. A következő lenne a CÉL: 10,5V - 14,5V közötti bemenő egyenfeszültség mellett kb 16V-os kimeneti egyenfeszültséget szeretnék elérni minimum 8A, de inkább 12-14A terhelhetőséggel. Próbáltam utánaolvasni a kérdésnek, de az alapismereteim is hiányosak némiképp az angoltudásom pedig határozottan korlátos ...Ha valaki esetleg tud megfelelő kapcsolást, vagy bármit ami segíthet kérem ne habozzon! Előre is köszönöm! Üdv! Andris
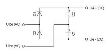
Sziasztok! Szeretném a segítségeteket kéri egy feszültségkétszerezőben! Találtam kapcsolási rajzot, de az a gondom, hogy nincsenek megadva a pontos értékek! és ezt szeretném s.o.s- ben megkapni! Csatolom a képet! A segítségeket előre is köszönöm!
Bocsánat a legfontosabbat kihagytam! 12 voltból 24voltot szeretnék kapni! Köszi
1,2 V-os akkumulátor feszültségét szeretném megnövelni 1,5 V-ra, és 30 mA teljesítményt kell leadnia 1,5 V-on és tiszta egyenáramot. Hogyan lehetne ezt megoldani?
Hát....
leszimuláltam neked.. r2 50 Ohm jelképezi a fogyasztót. üdv.: Foxi
Szia!
töltsd le a TL494-es Ic adatlapját és szerezz egy rossz PC tápot. (valószímű ez az IC benne van a pc tápban).Aztán ha meg van, akkor lehet át sem kell tekerni a trafót, csak bekötni fojtónak... ez az IC (és persze több másik) ellát minden funkciót, Ha megvagy várlak a topicban...
Szia!
12V ból nem lesz 24V! ugyanis ha 12v egyenfesz, azt nem lehet kétszerezni. Ha 12V váltófesz, azt lehet, de abból meg 31,4 V lesz terheletlenül. Az általad adott kapcsolást nem lehet méretezni, mert nem tudjuk a terhelést. egyutas egyenirányításnál nagy kapacitások kellenek, mert nagyon hullámos lesz az egyenfesz. erősítőnél Amperenként 2000µF ajánlott, egyutasnál szerintem a duplája (50Hz esetén) üdv.:Foxi
Hello! Kinéztem magamnak egy ,,feszültség kétszerezőt", de van benne 2db 1ss108-as dióda, nem tudjátok, hogy honnan tudnék ilyet beszerezni, nem találok sehol. Esetleg mivel tudnám helyettesíteni? Ez a fórum elején van belinkelve. Esetleg van még valami hasonló méretű kapcsolás? 5V-ról legalább 20V-ra, max30V-ra
Szia!
Például ezzel a schottky diódával helyettesítheted. 20-30mA-nél többet nem nagyon vehetsz ki ebből a kapcsolásból.schottky
A második már ütős. A szkennelt RT-cikkben biztosan van valami leírás a kapcsolásról.
Nem akarok senki agyára menni, de mit rövidít az RT, és hol keresgéljem?
Az RT a Rádiótechnika folyóiratot jelenti. Honnan vannak a rajzos képek? Csak úgy lettek?
Igen, csak úgy lettek.
Innen van, nézd a "76685"-ös hozzászólást, "Joci77" tette hozzá, ez...n van. Most nincs sok időm, de majd megpróbálom vhol megkeresni, hogy mit írnak róla... Kösz a választ
Üdv mindenkinek!
Kezdőként, csak alapismeretekkel keresnék egy kapcsolást 12DC-ről 24 DC-re. Az autó aksijáról szeretném tölteni egy 24V-os szünetmentes két sorbakötött zselés aksiját. Gondolkodtam mechanikus soros-párhuzamos átkapcsolón, de akkor vagy tölt, vagy dolgozik. Előre is köszönöm!
Hi
Bocss az ekezetekert de nem sajat gepen irok (igaz erossen fekete pakos lessz) Na szoval a laptopot szeretnem kocsiba hajtani, nem talaltam autos toltot kene egy 12V/20v/os konverter kb 5-6A lehetoleg a 20V legyen stabil. Ha tuttuok segijjetek mer januar elseje ota nincs segej Koszi
3 fázisú BLDC motor feszültségét hogyan tudom négyszerezni 48V pakk töltéséhez?
Sziasztok!
Remélem nektek segít valamiben, mivel én még kezdő vagyok a méretezési részét nagyon nem értem Link az oldal közepe fele van az amit mi keresünk szerintem, ha használható és valaki tud segíteni a méretezésbe akkor azt nagyon megköszönném
Sziasztok!
segítséget szeretnék kérni......van az alábbi feszültségnégyszerezőm, ehhez szeretnék kérni egy beültetési rajzot...sajna az eagle-t nem igazán vágom, próbálkoztam benne, de nem ment.......nem szeretnék követelőzőnek tűnni, de nagyon sürgős ügy lenne.... Köszönöm
sziasztok az lenne a kérdésem hogyan lehet házilag tattoo géphez valaó állítható feszűltségű tápegységet összerakni előre is köszi a segítséget
Helló
Nem szeretnék beleszólni így 3 év távlatából, de a villard féle fesz kétszerező 16v/10000µF-es elkókkal nekem működött és szólt a dudám. 6v-os simsonom volt ez felnyomta 12-re, a 2 * 10000µF bőven elég volt, illetve ez a kapcsolás egynirányít is, és a dudának egyenáram kell. Minden oké és a duda is szól a mai napig. A te általad elképzelt végfokos dolog sem lenne rosz de ott is egyenirányítás, és a töltés nem zavarna be? "Simson" dudához merem ajánlani az "én" ötletemet nekem bevált, nem zsákbamacska. :yes:
Sziasztok
![]() Az lenne a kérdésem, hogyan tudnék egy Például: 1000VA-es trafóból aminek szekunderjei 2x36~V >>> 2x72~Voltot csinálni? Nem tudom hány amperes és lesz-e ennek valami teljesítmény vesztesége? Amúgy egyenirányítva használnám természetesen 2x100-110 (+/-) Voltra lenne szükségem. Egy 800Wattos panelről volna szó amit be szeretnék indítani. Válaszokat köszi! ![]() Üdv:Tibi
1V-ból szeretnék 12V-ot előállítani.Tud valaki nekem kapcsolást adni?
A max P 3,6W Előre is köszi
Napelem : 3,6A 1V
ezt akarom 12V-ra feltolni
Hello Urak! Szeretnék feszültséget duplázni, illetve emelni. A környezet a következő: kimenti jel 1,3-1,4V-os pulzáló jel, ami egy kissé átalakitott vezeték nélküli csengőből jön. A betáplálása stabil, trafóról megy. A kimeneti oldalon egy 3V-os omron relét működtet, aminek lábai 24V-ot kapcsolnak. Szoval a lényeg, hogy nekem 3V kellene oda.
Igy is működik a dolog, de sejna a relé kb 2 havonta kinyiffan Köszönöm a válaszokat előre is
Mitől nyiffan ki a relé, ha fele feszültséget kap? Egyáltalán mi a hibajelenség?
|
Bejelentkezés
Hirdetés |




...



Köszönöm a válaszokat előre is 




