Fórum témák
» Több friss téma |
Sziasztok!
Találtam egyszer egy olyan kapcsolást, amivel nagy érzékenységű mikrofont lehetett csinálni számítógéphez elektret mikrofonpatronnal, de sajnos nem találom a rajzot! Kérlek Titeket, hogy segítsetek, mert most szükségem lenne egy ilyenre! köszönettel: Varga Miklós
hello!
tudnátok küldeni elektret mikrofon előfeszítés rajzot, hogy mekkora kondenzátor, és mekkora ellenállás kell? köszi
Erre a kapcsolási rajzra nézve:
[link=http://www.d-audio.hu/pub/czn15e.html]http://www.d-audio.hu/pub/czn15e.html[/link] Az RL az oda van írva : 2.2kohm A kondenzátor az mondjuk 1 µF A tápfesz 1.5-12V Én is kb ilyen értékekkel szoktam ilyet használni
köszi! a kondenzátor negatív fele a kimenet fele néz ugye? Én is csináltam ilyet, de én 100nFos kondenzátorra emlékszem!
igen, a kimenet felé!
Kondit meg mindenki olyat rak bele, amit szeretne, meg amit jónak gondol
értem, köszi, akkor akár lehet bele 100nFos is..
Lehet. Nem nagybőgőt akarsz hangosítani. (A konditól függ az alsó határfreki)
nem, számítógéphez kellene beszélgetésre! A hangkari mikrofon bemenetén van +5V, az adná a tápot, csak nem akarok túl bonyolult szerkezetet összerakni!
Sziasztok!
Vettem egy mikrofont kemély 350 ft-ért, szétszedtem nem volt benne semmi más mint a mikrofon meg vagy 3 dióda, 2 ellenállás azt kész. Olyat szeretnék építeni (csak a mikrofont felhasználva), hogy a kimenő hang úgy kb. mindig 0,6-0,8 decibel-ig legyen. Szóval ha 10 centire beszélek tőle akkor ne szakajon ki a másik dobhártyája, de ha mondjuk 1,5 méterre vagyok tőle akkor is halja a másik mit beszélek. Ha nincs más megoldás, de ha tényleg nincs más megoldás akkor lehet PIC-s is, de csak akkor ha nincs más megoldás. Szóval összevetve van egy mikrofonom és olyat szeretnék belőle csinálni, hogy ha kell erősítse, ha kell halkítson a hangomon. Ja és ha lehet ne zabáljon annyi áramot és úgy 9-12 V -ról működjön. Remélem a kéréseim teljesíthetők.
Neked egy AGC rendszerű mikrofon-előerősítőre lesz szükséged. Azt jelenti ez a mozaikszó, hogy automatikus erősítésszabályozás, azaz "Automatic Gain Control".
Az okosok majd adnak neked megfelelő kapcsolási rajzot is...
Automatic Gain Control
Ezek a kapcsolások ilyen típusúak. és ha lehetne légszíves magyarázd el a dolgogat benne meg ilyesmi. de azért köszi
Hát azért nem vaok olyan ügyi, hogy ránézésre megmondjam, de szerintem építsd meg a link1-et az jó egyszerű, ha nem működik, akkor sem dobtál ki sok pénzt az ablakon.
![]() Bocs. az előző hsz-emben a link nem "jelent meg.."
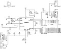
Megnéztem a Google a képtalálatokát és találtam egy ilyet. (a mellékletbe van), de erre az lenne a kérdésem, hogy mér kell 2 line out, és hogy ilyen ssm2167 ic-t honnan lehet beszerezni és hogy mennyi, meg azt hogy ezt érdemes lenne mehéríteni nkem. a válaszokat szívesen fogadom
Legyen szíves valaki megrajzolni a kapcsolási rajzot, és a nyákot nekem nagyjából, (+ kimenet jackra) hogy megtudjam építeni, mert nekem ez még nagyon egyszerű kapcs. rajz révén is bonyolult. Előre is köszönöm! Bővebben: Link
a nyákot már megrajzolom, csak nem tudok kiigazodni, hogy miért van bekeretezve szaggatott vonallal a kapcs. rajz egyik fele, meg miért ábrázol tranzisztort, mikor az elvileg nem is kell bele, és onnan, melyik részét kell kötnöm a jack egyik felére, és melyiket a másikra.
Hello!
Elvagy tévedve ! Nincs mit ezen nyákra tervezni !!! Az a szaggatott rész csak az mutatja mivan a dobozon belül? A doboz maga a kapszula tartalma ami 1 mikrofon és 1 illesztő FETes erősítő egybeépitve az alumínium házban! A terminal 1 2 meg a két kivezetése a mikrofonnak. 1ik kivezetés az egész ház (terminal2) ez megy a föld negatív pontra árnyékolásra . A terminal1 " meleg " jel vezeték amin kijön a hangfrekis jel amit az erősító bemenetére kell kötni. A rajzon vázolt formában R és C tagokkal összépitve. C nek bármilyen 470n-10µF terjedő kondi megfelel. Elektrolit kondi polaritására figyeljél ! Ekkor a pozitív fele menjen a meleg pontra a mikrofon felé ahol az ellenállás csatlakozik !!! Negatív fel pedig menjen az erősítőbe. Nyák se kell mert "repülőben" magában a mikrofon házában esetleg kis ügyeskedéssel a csatlakozó dugóban is összeszerelhető! Ha pedig PC-be kell akkor akár az R C tagok el is hagyhatóak !!! Mivel a hangkártya "miki" bemenete eleve ilyen kialakítású.Csak a mikrofon meleg és árnyék pontja elég a bementére kötni. Ha tudsz 1 multiméterrel mérni egyenfeszt .A mikrofon bemeneten kb.: 3-5 Volt körüli feszültséget kellene tapasztalni. Az éppen elég arra hogy a mikrofon kapszulát meghajtson. Ha egyébb helyre kell akkor meg 1 segéd tápot is kell belerakni pl.: 1 ceruza elem 1.5V . nagyobb fesz esetén egyenesen arányosan nagyobb ellenállást kell alkalmazni 9 voltnál már 6*2.2k ellenálás ~ 15k-20k (mert 6*1,5V =9V ) Sok sikert !
Hello!
A napokban vettem egy "Philips SBC MD110" tipusu mikrofont. 1 kis technikai adat: Type: Dynamic Polar pattern: Omni-directional Frequency range: 100 - 10 000 Hz Impedance: 600 Ohm Sensitivity: -80 dB +/- 3 dB A számítógéphez szerettem volna használni, csak valamiért nem működik. Hozzákötöttem egy számítógép-erősítőhöz, de úgy se értem el több sikert. Azt szeretném megtudni hogy most egy ilyen célra alkalmatlan mikrofot vettem(ilyen esetben lehetne-e valamilyen meoldást találni a problémára) vagy a mikrofon nem működhet. (A számítógép bemenete biztosan jó). Amennyiben melléválasztottam, azesetben hogyan tudnám megnézni hogy működik e, hogy visszavigyem-e a boltba (garanciás).
Hali!
Szerintem a Dynamic-us mikrofonok nem igazán nyerőek számítógépre. Ha mégis azt akarod használni, keress hozzá előerősítő kapcsolást. Idézet: „nem igazán nyerőek számítógépre.” mért? egy preamp és mehet a line in -be... egy szupi kapcsi... üdv Idézet: „mért?” úgy értettem előerősítő nélkül nem nyerő...
Bocsi, én se fogalmaztam elég egyértelműen.
Viszont megoldottad pityu tool problémáját!
Köszi szépen hogy pár perc alatt meg is válaszoltátok a kérdésemet.
Nem értem mit vergődtök az ilyen olyan mikrofonokkal PChez.
Hacsak beszélgetni kell akkor 1 fejhallgató is megteszi ha nincs más kéznél ... !!!Pontosabban 2db fejhallgató ... 1iken hallgatod mit mondanak , másikon meg te szövegelsz simán bedugva a mikrofon helyére . Persze meg kell próbálni, melyik az a fejhallgató oldal, ami működik, mert a mikrofon-bemenet lehet mono és ekkor rövidrezárhatja az egyik fejhallgató ereit. Ez nem gond. Na jó a hangminőség nem valami hifi meg lehet "süket" a mikrofon kicsit hangosabban és jó közelről kell rá beszélni de tudsz egyből és közel semmiből csináltál mikrofont! Érdemes ezen kívül a mikrofon erősítést /mic boost pipát/ bekapcsolni a keverő pultnál. Ez a SPECIÁLIS gombok megjelenítésének bekapcsolásával érhető el. SOK sikert !
Klasszikus gitárhoz szántam a mikrofont. Ahoz elég sovány minőséget produkálnak a nagyon olcsó
-kifejezetten beszélgetésre szánt- mikrofonok. Valamint ha ki szeretném hangosítani a hangszert(real time) akkor a "windshield" remélem valamelyest meggátolná a gerjedést (ami az üreges test miatt nagyon hamar előlép) főleg ha egy-két effektet is használok.
Hello!
Azzal a problémával fordulok hozzátok, hogy szétszedtem egy AEG típusú rádiónak a headset-jét. A mellékelt rajzon a benne talált alkatrészek bekötése található. Addig ok hogy van benne egy elektret mikrofon aminek a hideg pontja a jack dugó legfelső részére van kötve a meleg pontja a jack dugó "hegyéhez" és az adásgomb egy ellenállással földre húzza a jack dugó középső érintkezőjét. De a rajzon amit kondinak rajzoltam alkatrész a mikrofon két lába között egy kis sárga smd "valami" kondinak sejtem, de nem tudom az értékét, egyáltalán kondi? Ha igen milyen értékű??? Segítségeteket előre is köszi.
hello! kösz a segítséget. Nélküle működhet?
Hello!
Megint én vagyok. Bocs ahülye kérdésért de azt szeretném megtudni hogy ezek a mikrofonok mennyire kényesek a párára? Ez ugyanis azéert fontos mert egy airsoft maszkba szeretném beletenni(olyan mint a paintball) és a leheletemből kicsapódó pára vajon tönkreteszi? Ha igen mit lehet tenni ellene? Kösz a segítséget. |
Bejelentkezés
Hirdetés |








