Fórum témák
» Több friss téma |
Fórum » Hangváltók (készítése)
A mértékegységeket a mérőszámtól szóköz választja el. A személynevekből képzett mértékegységek (Volt, Ohm, Amper, stb.) nagybetűvel írandók!
Ezt a megoldást tudtam én is
csak gondoltam van valami más titka is amit én nem tudok. Most az egyszer kár, hogy jól tudtam. Köszi.
Sziasztok!
Nem értek hozzá ezért kérdezem. Az ilyen peizos magasoknak nincs ellenállása? Már mint ha csak úgy magában mérem. Ha nincs akkor ezekben a hangváltós képletekben hogy kell be helyettesíteni az ellenállás értékét?
Ellenállása nincs, ahogy általában a hangszóróknak (vagyis van, de azt DC ellenállásnak érdemes nevezni, és piezónál elég magas az értékről van szó). Ellenben van neki impedanciája, úgy 1000R körül, ami frekvenciafüggően változik. Ezért nem használunk piezót imp. kompenzálás nélkül.
Ez a következőt jelenti: A hangszóróval párhuzamosan kapcsolsz egy ~10Ohmos ellenállást, és ezután már bármilyen felüláteresztő szűrőt biztonsággal használhatsz előtte.
Értem, köszönöm a válaszod.
Akkor keresek itthon 10ohm körüli ellenállást, és akkor 10 ohm körölinek vehetem a magas ellenállását (nem bizok magaban ezért me kérdezem) hány wattos ellenálló kell oda? Akkor ami a magas előtte van 47ohm-s ellen állás sorosan az valószínűleg driver korrekció lenne? Nem sok az egy kicsit? Amúgy elkezdtem magamtól mérni az ellenállást itthon kokány módszerekkel és tényleg 1000R körül jött ki.
Igen, nagyjából a 10R érvényesül. Az ellenállás teljesítménye többtényezős, függ a teljes bemenőtől, meg a szűrő töréspontjától is. De általában 5-20W körül meg lehet úszni.
Nincs most nálm peizó, hogy ellenőrizzem az impedanciát, de nagyjából 1k-ra emlékszem középen.
Sziasztok!
Van egy hangváltóm mondjuk inkább csak két ferritmagos tekercs sorba kötve (mély ládába volt) az lenne a kérdésem hogy ezt csak sorba kell kötni a hangszóróval és vág is nekem? Vagy kell bele esetleg még valami? Meg a két tekercset hogyan helyezzem el mert amikor egymáshoz közelíttettem velük működés közben változott a hang? A segítséget előre is köszi
Hogy mi kell még bele, azt a körülmények határozzák meg, a két tekercset meg minél távolabb egymástól, bár a ferriteseknél kisebb a szórt tér.
Köszi a választ
Helló,
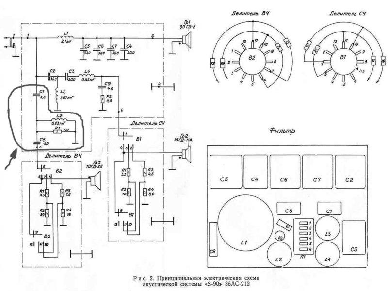
Hangváltóban jártasok véleményét/segítségét szeretnem kérni. Ősleletű S-90 hangfalat kellene rendbe szedjek záros határidőn belül, amikből hiányzott a magas sugárzó. Videoton HG2,5 1544-464 8 Ohm-os hangszorókat sikerült szereznem ami hasonlít is az eredetiekhez. Több helyen is azt olvastam, hogy ennek a hangfalnak a keresztezési frekvenciái 500/5000 Hz. A hangváltót viszont át kellene alakítani egy kicsit(az eredeti magas 16 vagy 25 már nem emlékszem). A kérdésem az lenne, hogy nagy galibát okozna, hogyha a felső keresztezési frekvenciát letolnám 4000-re ?
Hello! Olyan kérdésem lenne, hogy a kondin kivül a magassugárzóval miért kell tekercset párhuzamosan kötni, ezzel miért lesz jobb? Mi változik? Köszi!
Elméletben a vágás meredeksége változik -6dB ,ről -12 dB re.
Whitefül
Üdvözlet mindenkinek! Előre bocs ha már elhangzott a felvetés.
Minap készítettem egy másodrendű szűrőt egy 15 colos mélyhangszóró elé.Egyenlőre csak ami itthon volt abból. 0,5mH tekercs és 25mikró kondenzátor. Rákötöttem a rendszerre a hangenerátor programot,és már 400 HZ fölött határozott halkulást éreztem. Beütöttem ezeket az alkatrész adatokat hangváltó kalkulátorba és 1424 HZ -et adott vágási frekinek! Akkor most mi van?
Arra a következtetésre jutottam hogy a hangváltó progik csak tájékoztató jellegű adatokat szolgáltatnak ,a hangszóró pontos adatainak ismerete nélkül.
Javaslom aki hangváltót épít tesztelje le hogy tényleg ott vág e ahova tervezve lett.
Kérdés, hogy mennyi a lezárás, és milyen hangszóróval nézted?
A whiteful féle oldalon több megbízhatatlan, túlhaladott/elavult információ is van, és néhány hiba is, pl. a scriptben, amit te néztél. Alkatrészekből visszaszámolás esetén nem veszi figyelembe a lezáró impedancia értékét. Pedig a törésponti (-3dB) frekvencia attól is függ.
Nem kell, és nem biztos, hogy jobb lesz, csak más. Mindig a hangszóróktól függ, hogy milyen váltást érdemes alkalmazni. Még egy fontos dolog van, a beépített tekerccsel csak elektromosan közelít majd a levágási meredekség a 12dB/oktávhoz (az impedanciamenet rezonancia pontja miatt még elektromosan sem), akusztikusan a hangszóró+doboz átvitelétől is függ, h. valójában milyen a levágási meredekség.
Lehet, hogy én látok rosszul, de elég nehéz leolvasni az alkatrészértékeket.
Mi a változtatás oka, célja? Mivel nem vagy elégedett? Mert így távolról, mérés nélkül, elég nehéz megmondani, hogy adott helyzetben mit művelnek egymással a hangszórók és ez a váltó.
Idézet: „ A whiteful féle oldalon több megbízhatatlan, túlhaladott/elavult információ is van, és néhány hiba is” Ő legalább letett az asztalra valamit.
Ezt a választ irrelevánsnak látom ebben a helyzetben.
Sziasztok!
Vettem kettő darab 2 utas hangváltót,a gyártó szerint: 12dB / Oct F1: 2000 Hz Impedance: 8 ohm Van rajta egy ilyen dolog: FULL PROTECTION BY LAMP Mellékelem a rajzot,most az az ellenállás mi a túrót művel a magas előtt? A rajzon az izzó 12V 20 wattos Én arra gondoltam hogy valamiféle védelem...
Védelem, persze (kb. mint amikor javításkor az adott készülékkel sorosan kapcsolunk egy izzót). Nagyobb felvett teljesítménynél (pl. clippelő, torzításba vezérelt erősítő) nő az izzóra jutó teljesítmény is, a szál felizzik, megnő az ellenállása, ezzel arányaiban kevesebb jut a magasra.
Helló mindenkinek. Egy olyan kérdésem lenne, hogy mi történik egy 8 Ohm-os hangváltóval akkor, amikor 4 Ohm-os hangszórót kötök rá? Változni fog a keresztezési frekvencia? Előre is köszönöm.
Nem fog normálisan működni megfelelő lezárás hiányában. Nem csak a × frekvencia változik, hanem a szűrő karaktere is töréspont környékén.
Helló. Sajnálattal hallom
Esetleg nem tudnál ajánlani egy kétutas, 4 Ohm-os hangváltót aminek 2000Hz-nél van a keresztezési frekvenciája? 50W-al lenne a maximum terhelve. A mély hangszóróról sajnos csak annyit tudok hogy 25/50W terhelhetőségű, magasnak meg ezt akarnám. Tudom, nem egy túl jó az a hangszóró, de csak sajnos erre van pénzem.
Ez 2000Hz-nél nem váltható, inkább 4 körül. Sajnos wattokból nem lehet váltót tervezni, több infó kell. Érzékenység, átvitel, vagy legalább egy kép h. lássam mit művel a rezonáns rendszer.
Üdv mindenkinek. Van nekem két mélyközépsugárzóm. Szereztem két piezot és ezekből szeretnék kétutas ládát készíteni. A kérdésem az lenne ,hogy az 1K Ohm ellenálású piezohoz ,hogyan számoljam ki a hangváltó alkatrészek értékét ,illetve meg lehet -e csinálni a szűrőt ilyen nagyimpedanciás sugárzónál ellenálások használata nélkül? Aki jártas ilyenben vagy épített már ilyet kérem segítsen. Köszönettel. Skero!
Köszönöm a válaszodat! :kalap:
Nem, mindenképpen kompenzálni kell a piezó impedanciáját egy párhuzamos 10 ohmos ellenállással, és egy sorossal beállítani az érzékenységet a mélyközéphez.
Köszönöm! A soros ellenálás gondolom nem kell nagy teljesítményű de párhuzamosnak mégis mekkora teljesítményű kell? Rakhatom akkor az ellenálásokat a szűrő elé? Így számolhatnék a piezo impedanciájávaj a szűrőnél. A mélysugárzók 180W -osak a piezok 300W -osak.
Soros 5W, párhuzamos legalább 20W. Így valószínűleg meg fog maradni.
Nem, csak a szűrő után tudod elhelyezni az imp. kompenzálást, közvetlenül a hangszóró kivezetésére párhuzamosan. A szűrő elé legfeljebb a soros ellenállás kerülhet. Ha a páhuzamos is ott lenne, az teljes sávban hatna, arra meg ilyen bemenőteljesítménynél nem hiszem, hogy van indok. A piezó nem nagyon vesz fel teljesítményt, ott inkább max. bemenőfeszültség létezik.
Köszönöm a választ! Akkor mindenképpen a párhuzamos ellenálás értékével kell a szűrő értékeket számolni mivel a szűrő után kell rakni (ahogy írtad is ,hogy külömben kihat a mélyre is az ellenálás).
|
Bejelentkezés
Hirdetés |




csak gondoltam van valami más titka is amit én nem tudok. Most az egyszer kár, hogy jól tudtam. Köszi.


Esetleg nem tudnál ajánlani egy kétutas, 4 Ohm-os hangváltót aminek 2000Hz-nél van a keresztezési frekvenciája? 50W-al lenne a maximum terhelve. A mély hangszóróról sajnos csak annyit tudok hogy 25/50W terhelhetőségű, magasnak meg 