Fórum témák
» Több friss téma |
Fórum » Elektroncső
Hú...Ez kielégítő válasz volt
Köszönöm szépen
Egy elég "érdekes" kérdést tennék föl: mire lehet használni az elektroncsövet? -> Mit lehet építeni belőlük? -> Mire jók? (úgy általánosságba)
Na most ez egy olyan kérdés volt, mint hogy mire lehet használni egy tranzisztort.
Szinte bármire. Építhetsz belőle erősítőt, rádiót, tv-t, számítógépet(hogy a végleteket nézzük). Szóval bármire, csak lehet nem egyszerű. :yes:Az elektroncsövek tulajdonképpen a tranzisztorok ősei, akkor használták őket, amikor tranzisztorok még nem voltak, vagy még drágák, fejletlenek voltak. Minden készüléket ezekkel építették fel. Pár elvetemült ember még számítógépet is épített elektroncsövekből.
A keresőt kérdezted? Én kérdeztem, és válaszolt: Bővebben: Link és Bővebben: Link
Rengeteg féle elektroncső létezik, így felhasználása is sokrétű. Néhány példa.
Dióda: A félvezetődiódákhoz hasonlóan leginkább egyenirányításra használják. Trióda: Három elektródás lineáris erősítésű csőtipus. Kicsit hasonlít a J-FET-re. Nixie cső: Numerikus adatok, vagy egyéb jelek megjelenítésére használt eszköz. Magnetron: Mikrohullámok keltésére szolgáló speciális elektroncső.
Köszi a válaszokat! Nem túlzottan keresgéltem, valóban, bocsi! (bár nagyjából én is ezekre gondoltam) De az első link hogy jön ide?
Lenne egy kérdésem kérdésem, ami talán jobban illik ide. Tegnap letöltöttem .djvu -ban egy elektroncső-atlaszt. Jó "kis" könyv, bár vannak gondjaim vele. Pl. a bekötések...a könyv végén vannak a "csőfejbekötések". De ezekből sok-sok cső hiányzik. Akkor most mire van ez?Elektroncsöves készülékek építéséhez, szervizeléséhez milyen speciális eszközökre, műszerekre van szükség?
Nos, eljutottunk idáig. Nem némely félvezetők hasonlítanak a csövekre, hanem a csövek hasonlítanak a félvezetőkre. Bár a csövek voltak (sokkal) előbb, és ezek tulajdonságait fejlesztették a félvezetőkbe, bár az is igaz, vannak félvezetők, amiknek nencsen csöves "gyökerük".
Talán figyelmetlenül olvasod a csőkatalógust. Van jópár cső, aminek azonos a bekötése, ezekhez egy csőfejbekötés tartozik, amit az adatlapján jeleznek. Én elég sokat használtam a katalógust, de még nem találtam olyat, hogy a benne szereplő csőnek ne lett volna meg a csőfejbekötése.
A csöveket leginkább egy alapkapcsolásban lehet vizsgálni, mérni. Régen voltak csővizsgáló berendezések, sokféle foglalattal, dugaszokkal, hogy minegyik elektródára rá lehessen adni a megfelelő feszültséget, változtatható táp, és fűtőfeszültségekkel. Feszültségmérővel, árammérővel lehet megmérni a munkaponti adatokat, és összehasonlítani a katalógusadatokkal. Ennek alapján lehet következtetni a cső állapotára. Csöves berendezések javításához ugyanazok a műszerek kellenek mint minden javításhoz, csak a feszültség méréshatárának kell nagyobbnak 500 - 1000 V -nak lennie.
Az első linket félrenyomtam. Ez lett volna:Bővebben: Link
Hát ebben a formában nem épp könnyen "kezelhető", átlátható az az atlasz. Most csak átfutottam, de ez mindjárt szembe tűnt. De ezek szerint béna voltam...
Egy Maxwell MX25 323, ami AC, DC 1000V, 10A -ig mér, megfelel ilyen célra is? A csövek beméréséről, azonosításáról teszteléséről, javításáról mutatnátok, mondanátok ezt-azt?
Természetesen megfelel, de több, akár 2 - 3 műszerrel könnyebb, nem kell mindíg dugdosni, összerakod a kapcsolást, és már mérsz is. Pl. fűtőáram feszültség mérésére elég egy alapműszerből készített fesz, és árammérő.
A csövek azonosítása már nehezebb feladat, általában feltételez egy elég jó ismeretet, anódlemez formája, árnyékolások, de ha a lábak felől benézel a cső belsejébe, akkor meg lehet találni, ill. azonosítani az elektródák kivezetéseit, de nem mindíg, különösen összetett csövek esetén nem. Csövet javítani nem lehet, ha levegős v törött biztosan vége. Mérés után a paraméterei sokkal rosszabbak, mint a katalógus adatok, akkor elhasználódott, ha még szép, mehet a vitrinbe. Idézet: Mármint a csővizsgálót? Vagy mit? De mindenestre örülnék egy jó kapcsinak!„Természetesen megfelel, de több, akár 2 - 3 műszerrel könnyebb, nem kell mindíg dugdosni, összerakod a kapcsolást, és már mérsz is.” Egyszer megtaláltam ezt a módszert. Itt végülis az a lényeg hogy DC 600-700V -ot kapjunk, amit a fűtés kivételével az összes lábra rávezetünk? Mekkora fesz és áram jöhet (még) szóba?
Én csővizsgálóról, csővizsgálatról beszéltem. Ezt a "javítási módszert" amit linkeltél, én is ismerem, nekem még nemigen jött be. Ha egy csőnek leromlott az emissziója, azon már senki nem tud változtatni, és ez az elhasználódás legfőbb oka. No meg a túlterhelés.
Hy! valaki tud ajánlani dióda csövet 500V egyenirányítására? Én DY86-ra gondoltam, de azért megkérdem! Előre is köszi!
És tudsz küldeni csővizsgáló kapcsolási rajzot és leírást hozzá?
Mekkora áramra kellene?
A DY 86 csak 0.8 mA, de 22 kV -t bír, a PY 83 5 kV max, 157 mA, PY 88 550 V max, 220 mA
Mindezek az adatok impulzusüzemre vonatkoznak.
Pár dologból összeállíthatod a mérőkapcsolást, egy foglalat köré. (attól függ milyen csövet akarsz vizsgálni). Kell változtatható egyenfeszültségforrás 100 - 250 V között az anód számára, 0 - 50 V a rácsfeszültség számára, fűtőfeszültség előállítására egy 10 - 20 W os trafó kb 30 V váltófeszültséggel, egy 1000 ohmos, 10 W os huzalpoti a fűtőáram beállításához, és egy 1 - 25 kohm között szabályozható min. 2 W -os potméter az anódellenállás gyanánt, és egy 4.7 kohm a segédrácsba. Akár "deszkán", akár légszereléssel összerakod a földelt katódos kapcsolást, és már mérheted is a rácselőfeszhez tartozó anód áramot és feszültséget., ezekből számíthatod a meredekséget.
De legjobb, ha a helyén saját áramkörében végzed el a méréseket.
A PY 88 esetében nem, azok max értékek, az impulzusüzemre 6 kV
A maximális áram 0.12A vagy több is lehet. 100V a legkissebb fesz amivel a cső találkozhat az áramkörben.
A felső határok, a maximumok az érdekesek, amiket nem lehet túllépni., igy az érték, vagy több nem mnd semmit.
Akkor túl kéne méreteznem a dolgot? Azaz jóval erősebb cső kéne bele.
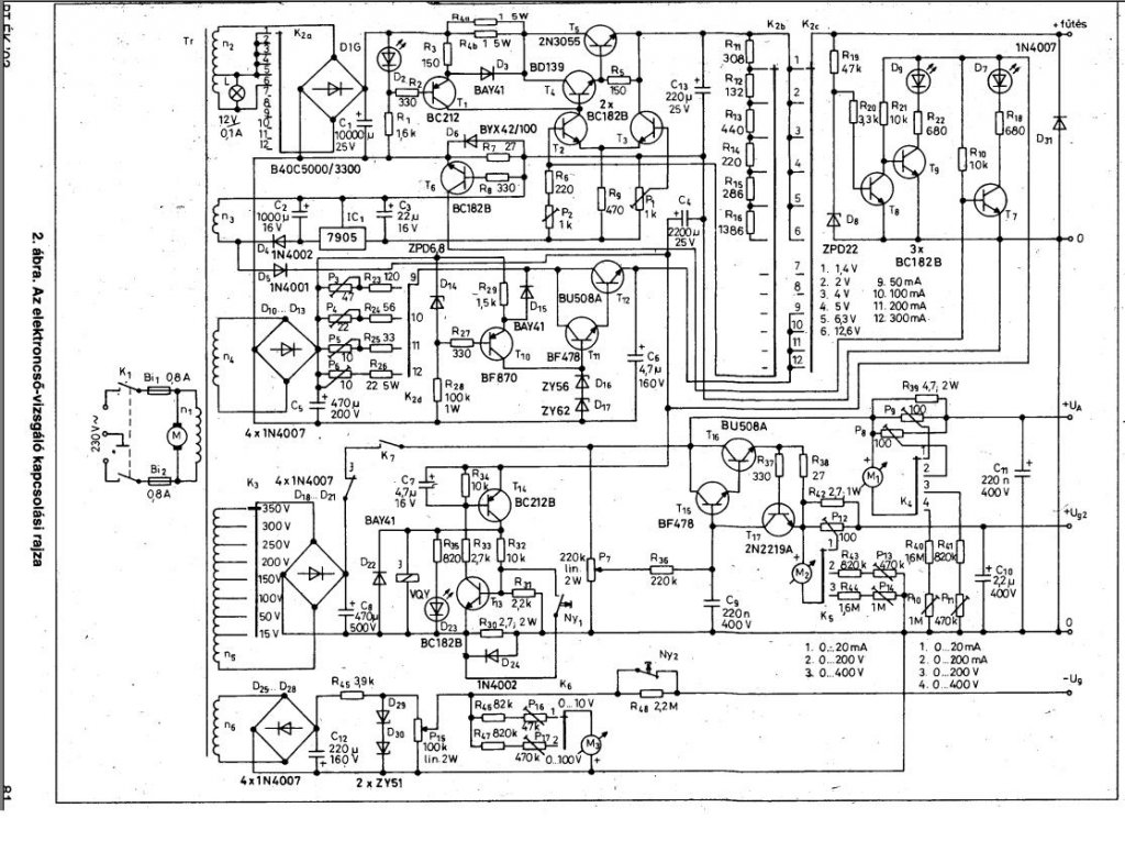
Nagynehezen találam egy komplett csővizsgálót, leírással...de igencsak bonyolult mind a kapcsi, mind a leírás. Érdemes egyátalán megépíteni ilyet? Mit lehet vele kimérni és azzal mit érek el, mit tudok meg?
Ebben mi a bonyolult?
17 tranyó az egész, egy kivezérlésjelzőben is van annyi
Elég bonyolult, ilyet annak érdemes csinálni, aki csővizsgálattal foglalkozik.
Az M1 műszer mutatja az anódfeszülséget és anódáramot K4 kapcsolóval beállított méréshatárral, az M2 a segédrács áramot és feszültséget a K5 kapcsolóval beállított méréshatárral, amit a P7 potival szabályozhatsz, az M3 műszer a rácselőfeszültséget méri amit a P15 potival állíthatsz. A csövek fűtését a K2 kapcsolóval állíthatod a vizsgálandó csönek megfelelő értékére. A LED -ek a fűtés szakadását illetve a cső zárlatát jelzik. A vizsgálandó cső katódját 0 -ra, az anódját UA ra, a segédrácsát (ha van) az Ug2 re, a vezérlőrácsát a - Ug1 re, a fűtést a +fűtésre, ill a 0 -ra kell kötni. Az Ny1 nyomógomb megnyomásával lehet alaphelyzetbe vissza állítani, ha zárlat történne, és a védelem lekapcsol, az Ny2 gombbal lehet a rácselőfeszt finoman megváltoztatni, rácsáramot indikálni. megtudod a csövek minden statikus paraméterét, és akár párbaválogatásnál is segít.
Még mindíg nem írtad, mik a követelmények, mekkora feszültséget, és áramot akarsz egyenirányítani.
Vannak erősebb csövek is, pl. higanygőz egyenirányítók, több kV , és több A ra is, de ma már eléggé elavultak, és szinte beszerezhetetlenek, ilyenkor inkább maradnak a félvezetők.
Akkor válassz inkább szilíciumdiódát. Jobban jársz.
Igen ez így már egyre jobban hangzik! Így is teszek! Köszi! :yes:
Miert talaltal nehezen ?
Es az elso kapcsolasi rajz itt Itt van leiras es hasznalati utmutato is :Precision Tube Tester Data |
Bejelentkezés
Hirdetés |




Köszönöm szépen
Szinte bármire. Építhetsz belőle erősítőt, rádiót, tv-t, számítógépet(hogy a végleteket nézzük). Szóval bármire, csak lehet nem egyszerű. :yes:

17 tranyó az egész, egy kivezérlésjelzőben is van annyi 