Fórum témák
» Több friss téma |
Fórum » TV hiba, mi a megoldás?
Ó, ez egy élvezetes agytorna inkább. Együtt gondolkozunk!
kösz de a potméterek egysemüködig a fokuszt nemlehet állitani
Valaki meg tudná mondani, hogy az említett Sorrento képcsövét ki lehet-e mérni, hogy nem a fűtés zárlatos-e?
A rajzot nézegettem; karikáztam rajta két kondit, meg egy alkatrész, amiről nem tudom, hogy mi jelentene :/ Jó kondikra gondoltam, iiletve mi akarna lenni az a valami amibe ott be, majd kifolyik az áram?
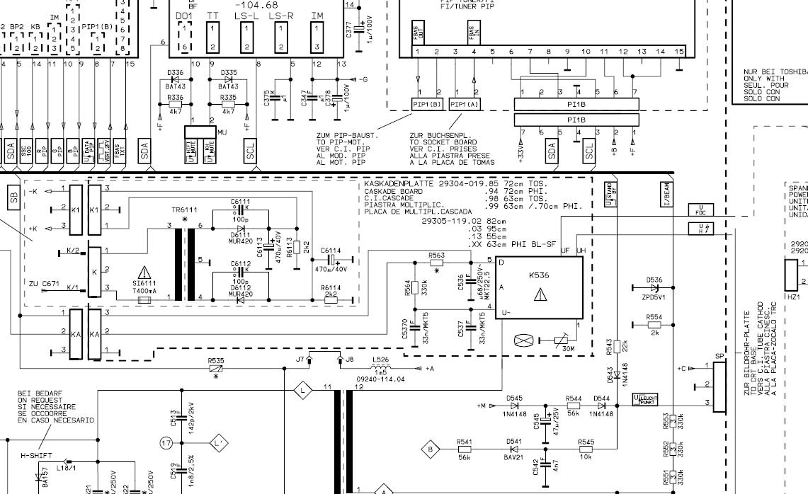
Szkóp mérőheggyel megnézzem a 12-es és 13-as jelölést, hogy milyen a jelalak, ha igen akkor hogy?
A karikázott rész a soreltérítő tekercs csatlakozója. Van rajta egy biztonsági átkötés azért, hogyha nincs a sorvégfokra kötve a soreltérítő tekercs, akkor ne kapjon tápfeszültséget a sorvégfokozat(BU+sortrafó primer). A piros vonallal jelzett sortápfeszültség útja jó. Tehát mekkora egyenfeszültséget mérsz a C250-en, összerakott állapotban? A 13-as mérőponttal ne foglalkozz. A 12-es sormeghajtást nézd meg.
Csinálj már egy képet a sokszorozóról meg a homályos képernyőről.
Természetesen ki lehet mérni. Húzd le a képcsőfoglalatról a képcsőpanelt., és mérj rá a fűtőszál két kivezetésére ohmmérővel. A fűtés kivezetéseinek másik képcsőlábakhoz képest szakadást kell mutatniuk, csak a párjával lehet kapcsolatban.
Ahiba ugykezdödött hogy lehuzott a nagyfeszültség egyetcsattant és szétnyilt a sokszorozo ez egykülönpanelon van és az ujj alkatrésszel aliglehett látni valamitt a képrnyön,fény van csak aszt se lehet szabályozni és azért kérdem mert negyven éve szerelek de még ilyen hibám még nem volt.
Ez nem a dinamikus fókusz panelje? Egy kis trafó van rajta. Típusa CUC...?
Megvan az eredmény. A 47µF-es elkót megkerestem. Mértem 170V-ot standby ba. Bekapcsolás kor nyöszörgő hang mellett leesett a fesz olyan 90V körülre, de alig bírtam leolvasni mert ugrált, de kb 150V-tól nem nagyon ment feljebb. Itt szerintem nemigazán van eddig hiba.
Szkópos vizsgálat, 10-es osztó, Volt /DIV 5V Time per Div 1ms... olyan 100V csúcsfesz van a bázison hogy ihaj csuhaj 8V-helyett A kapcsrajzon lévő jelalak helyett ugyanolyan sinus van mint a collectoron vagy az emitteren. Halott lenne a BU? vagy a bázis felől jön a hiba? Szerintem a sinus hallatszik a sorkimenőről is...
A BU-t kollektor-emitter között is mérd meg.
nem az a panel amire te gondolsz,az egybevan a sokszorozo panellal arra kell ráforasztani a sokszorozott,azon van egykis trafo,dióda,kondi,ellenállásokvan külön egy panel OST/WEST BST/cikszáma/.
3,2 Ω a fűtés, sehol máshol nem mérek kapcsolatot, akkor gondolom ez jó.
Rendben köszi a válaszokat.
Viszont azt nem tudom hogy hogy mérjem le vagy hogy nézzem meg a kondenzátort hogy ki van e száradva?! Nagy valószínűséggel nekem nem bu típusú tranzisztorom van hanem J6920 típusú. Jó nagy darab tranzisztor.Még nem mértem le de igyexek. Kondik nincsenek felpuklisodva, sem szétdurranva Hála istennek. Mellesleg a tv visszakapcsol egy idő után ha eleget kapcsolt ki-be egymásután, és nincs vele baj egy két napig maximum. Ezért nem igazán értem ha zárlatos netalántán a tranyó akkor miért kapcsolhat egyáltalán be úgy hogy működik is. Mert mikor erősítőt csinálok akkor és zárlatos egy tranzisztor akkor nem szól!
Legalább is nincs zárlat kis feszültség mellett. Viszont üzemi feszültségek mellett lehet gond. Szikrázás nem volt a képcsövön belül?
Nem, én nem láttam benne semmit. A táp elkozás után mejd referálok
sípolt a tranzisztor de mikor kivettem akkor nem szerintetek mi a gebasz?
Ha a sokszorozón van egy púp az segítség?
Neked segítség, mert a púp azt jelenti, hogy a sokszorozó elhalálozott.
Grunding M 72-115 IDTV. a tipusa, a sokszorozo panelon van egy kistrafo kettödioda,kettökondi,biztositék melg egy elkokondi
Postaköltséggel pont a készülék értékének 5-szöröse
Próbálok itt helyben valami bontottat keresni.
Ellenőrizd a trafó körüli alkatrészeket és a trafó vezérlését.
az abajom hogy nincshozzá rajzom ha esetleg tudnánd hogy holtudnák szerezni hozzá rajzott nem kap vezérlést a trafo közben meg minden jott mutat ezért vagyok meg akadva mert a fokusz teljesen eltünt teljesen szétvan esve a potméterek nem reagálnak,a képcsönyakon egy minimálisan reagál egy kicsi lesötétitt.
Rajz: Get Manual
Sziasztok!
Van egy Videoton Infracolor 2000-em .Mikor bekapcsoltam egy szikrát láttam a képcső felől.Szerintetek az eltérítő tekercs lett zárlatos? Ha igen,akkor esetleg le tudnátok írni,hogyan lehet kicserélni? |
Bejelentkezés
Hirdetés |





8V-helyett

