| Fórum témák 
 
 » Több friss téma | Fórum » Hangváltók (készítése) A mértékegységeket a mérőszámtól szóköz választja el. A személynevekből képzett mértékegységek (Volt, Ohm, Amper, stb.) nagybetűvel írandók! 
 
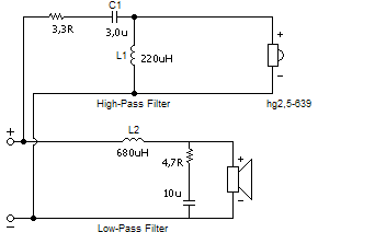
				Inkább meg kéne mérni, hogy mennyire saccoltam elfogadhatóan.   A képekből nem látom, hogy szól. Nincs ezen semmi bonyolult, az elrendezést te választod meg, lényeg, hogy minél távolabb kerüljön egymástól a két tekercs (főleg ha légmagos mindkettő). Pl. ezért sem kell ragaszkodni a nyák-lapra szereléshez, meg a vékony rézfólia sem a legszimpatikusabb megoldás egy hangváltónál az alkatrészek összekötésére. A + soros kapcsolást a × (eredetileg replusz, itt ugyan nem egészen szabályosan használva) az adott ponttól a test felé, a hangszóróval párhuzamosan kapcsolt alkatrészeket jelöl. Van még kérdés? 
 
				na most megint megkavartál a mondandód utolsó részével  inkább mellékelek egy rajzot, légyszi helyettesítsd be a dolgokat   
				az az igazság hogy tök kuka vagyok ilyen téren, én inkább az autóhifihez értek azon belül is a beszereléshez, elhelyezéshez, majd végleges beállításhoz (szinpadkép stb stb)      
 
				Azon a rajzon nincs rajta.						 
 
				na mostmár tényleg nagyon szépen köszönöm a segítségedet  sajnos a hangfalat nemtudom majd mérni, mivel nincsen hozzá eszközöm, tehát csak fülelni tudok majd. Annak viszont örülök, hogy az általam rajzolt doboz 16 literje elég lesz hozzá zártban. Ja és a változatosság kedvéért egy a digitalizációtól megmenekült Tesla stereo erősítő fogja őket hajtani ( tesla AZS 222). Üdv   
 
				Megkérdezhetem , hogy ha nem légmagos tekercset készítek, hanem egy pici toroid magra tekerek , akkor milyen előnyei hátrányai vannak ennek a tekercsnek?  Légmagos tekercsnél pl egy 2 mH tekercs felemészt egy rézbányát. 
 
				igen zárt. nem is kell 75hz nekem elég 100körül, 160nál váltok kb.						 
 
				A telítésre kell vigyázni gondolom, kis méretnél ez akadályozhat, vagy az, hogy ráfér-e egyáltalán az adott érték..						 
 
				Olyan PC tápból kibányászott toroid gyűrűk , amire semmi nincsen írva. 0.8 - 1 es huzal már elegendő szokott lenni , 100 W -ig? Meglehet azt csinálni ,hogy több vékony huzalt tekerek párhuzamosan ,és így érem el a megfelelő keresztmetszetet? Hasonlóan mint a litze? A kapcsi tápok primer tekercsét így is szokták tekerni. 
 
				Szerintem azok nem ferritek, és nagyon alacsony lehet az AL érték, nem hiszem, h. lenne belőle elfogadható induktivitás. Több vékony huzalból is lehetne, de egy soros tekercsnél a magastartomány átvitele szerintem nem kell hogy érdekeljen, nem kell aggódni a skin hatás miatt.    
 
				De pl ha vékony huzalból van sok vastag meg épp nincs?						 
				Shalafi megírta ,hogy lehet ,de fölösleges sorbakapcsolt (aluláteresztő) tekercsnél. Persze ha nincs más akkor miért ne,csak kicsit nyűgösebben lehet tekercselni. Felül áteresztőnek magashoz még talán előnye is lehet mert főleg nagyobb frekvencián a vezető keresztmetszetének külsején folyik a legtöbb áram ,így viszont sok szálnál megnől a "külső" keresztmetszet.						 
 
				Azt hittem, hogy fejlesztési céllal akarod.   De nem tilos valóban. 
				Az ,hogy mekkora teljesítményt bír az adott átmérőjű huzal az attól is függ ,hogy lég, vas, vagy feritmagos. De legfőképpen a hangszóró impedanciája határozza meg. Közel dupla teljesítményt bír egy hangváltótekercs 8 Ohm -os hangszóróval mint 4 -el(persze ott már máshol vág).						 
 
				Tisztábban leírva: a légmagos tekercsnél inkább a huzalátmérő, és a tartósan megengedhető max. áramerősség a korlát amit rövid időre túl lehet lépni, de sokáig nem érdemes fűteni a tekercset, hiába a nagy tömegű réz. Ferritesnél meg mélytartományban a telítés (illetve az ehhez tartozó áramerősségérték, amit nem lehet túllépni), és emiatt nagyon sok múlik a DC ellenálláson, illetve a lezáráson.						 
				Nem teves az elgondolas? 8 Ohmon ugyanarrol az erositorol kb 1/2 aramot huz a hangszoro mint 4 Ohm-rol . A tekercsen 8 Ohmos hangszoroval fele aramerosseg folyik. ZLRC meromuszer amatoroknek ..PC hangkartyara de van USB-re is. Bővebben: Link 
				Persze sorbakötött tekercsről van szó. Több áram nem folyhat a kisellenálású tekercsen mint amit a hangszóró képes felvenni. Te is ezt írtad. Magyarázd meg légyszives mire gondolsz. 0.1 -0.8 Ohm -os tekercsek szivesebben viselik a nagyobb feszültséget mint a több áramot szerintem.						 
 Idézet:Adott DC ellenállásnál ez hogy is valósulhat meg? Ha nagyobb feszültség esik egy bizonyos tekercsen, az azt jelenti, hogy nagyobb áram is folyik rajta. „0.1 -0.8 Ω -os tekercsek szivesebben viselik a nagyobb feszültséget mint a több áramot szerintem.”   
 
				Igen ,de arra gondoltam ,hogy a hangszóró "impedanciáján" keresztül nézve a dolgot. Maga a hangszóró korlátoz áramot is a hangváltótekercsnek. 10W 4 Ohm -on fele feszültség és dupla amper mint 8 Ohm -on. Akkor 10W 4 Ohm nagyobb A -el terheli a tekercset ha a hangszóróval már sorba köttük. A 8 Ohm -os hangszórón kevesebb áram folyik adott feszültségen ,még akkor is ha az erősítő több A -t is tudna szállítani mint amit a hangszóró felvesz.						 Idézet: „Magyarázd meg légyszives mire gondolsz. 0.1 -0.8 Ω -os tekercsek szivesebben viselik a nagyobb feszültséget mint a több áramot szerintem.” P=U*I eltekintve a szigeteles altal megengedett maximalis feszulsegtol ,mindegy mi no az U vagy az I . De itt nincs olyan nagy feszultseg . 
				De itt most nem erről volt szó , 20V 1A is 20W meg 10V 2A is. A tekercset mégis az utóbbi terheli jobban. A hegesztőm betáp kábele jóval vékonyabb mint a munkakábel mégis valamivel több teljesítmény megy át rajta. Olvasd el a linken a műszaki paramétereket ,egy adott tekercs képességeit 4 ill 8 Ohm -on. És ragaszkodjunk a témához. Képletekkel én is szolgálhatok.       Bővebben: Link  Bővebben: Link						 
 
				kedves shalafi.66. tudnál küldeni esetleg nekem egy rajzot, ami szerinted is jó lehet? előre is köszönöm!						 
				A huzalba A/mm2 az aramsuruseg amit a tekercsbe megengedsz egy hegesztotrafonal  lehet nagyobb mint a halozati tapegyseg  trafoknal  mivel nem hasznalod allandoan csak rovid idoszakaszokba aztan meg hulni is hagyjak. A pillanatforraszto pisztolyoknal is vekony a huzal es kevesebb menetszam is lehet igy hamar tul- melegszik igy nem hasznalhato allandoan bekapcsolva. Gondolom errol van szo, A link-eken reklam adatok vannak nem biztos hogy pontos adatok .Tulajdonkeppen valtoaramrol van szo errol kellene valami adatot adjanak .ez csak altalanos "ismerteto leiras" ahol egyesek szepitgetik a dolgokat . Ami a fontos az hogy a tekercs Z ne legyen nagyobb mint mondjuk 1 Ohm ...igy is mar 20% az erobol rajta lessz. A 8 ohmos hangszoro eseteben 1Ohm-os tekercs csak 10%-ot fut el. A hangszoro tekercs kb. 0.25mm atmeroju az aramsuruseg nagyon nagy de a keves menetszam a legresben eleg jol hutve van * aranylag egy transzformatorhoz kepest vagy tobmenetes /reteges tekercshez kepest). De a hangszoro kabel jo vastag es minnel rovidebb kell legyen hogy az aramot ne korlatozza hanem jusson minnnel tobb a hangtekercshez, ( apropos a hegeszto kabel ..) igy az erositoket a hangszoo melle teszik minnel kozelebb. Power compresion JBL adatlap Itt latszik milyen sokat esik a hatasfok a hangtekercs melegedesetol . A JBL az egyik komoly ceg mely feltunteti a hohatast ami nem kicsi ! 4,3dB a "nominalis" terhelhetosegen.( continuous PinkNoise (25-250Hz) 2 hours duration) 
 
				Ez teljesen természetes.   És ebben igazad is volt. 
  A váltótervezés nem így működik, ilyen kikötések nincsenek, mindig az adott célnak épp megfelelő alkatrészt-tekercset-ellenállást, kondenzátort használjuk. És ehhez a témához a kompressziónak már tényleg nagyon-nagyon kevés köze van, nem kell minden hangszórós topikba beírni.  Már csak azért sem, mert ez nem egzakt érték, adott hangszórótól-rendszertől-alkalmazási körülményektől függ. 
 
				Persze, van itt a témában két problémásabb elgondolkodtató váltózás is, igyekszem hamar választ adni.						 
 
				Ne mond mar .... Itt a hangszororol van szo ...Ez a link egy lathato leellenorizheto pelda volt az elobb targyalt emlitett peldara amit a kolegank adott a heggeszto cuccal. Ugy hogy probald megerteni mirol van szo ne csak valaszoljal kapasbol .Turelmetlen vagy es ez feluletesseghez vezethet. Szuro szamolo program Idézet: „# Inductors gauge/power ratings: In inductors, the gauge of the wire used determines power handling. Common values are: 20 gauge = 180 watts, 18ga = 250 to 300w, 16ga = 500w and 14ga = 800w. ” Szoval tanacsod az hogy elovigyazatossan kell eljarni a kello es megfelelo alkatresz valasszuk a eppen a cel erdekeben . Ez hogy nincs kikotes ez nagyon erdekes .Ez nem kikotes hanem altalanos tanacs amit minden tervezo megemlit az amatorok reszere . Peldaul hangszoro 2 Ohm , tekercs 1,5 Ohm, kabel 0,5 Ohm ...lathato hogy a teljesitmenynek csak az 50% -a jut a hangszorohoz.De szerinted ez nem szamit es nincs semmi koze a problemahoz. Azert nem hiszem hogy nem szamit a szuro tekercs kompresszioja se mert ha az is melegszik valamenyit es megno az ellenalasa.Meg a kabel is melegedhet nagy eronel. Itt is lehet nezelodni : Solid core inductors A bal oldalon talalhato link-ek kozott van "Crossover Calculators" is. Itt vannak a kapcsolasi rajzok . passive crossovers Midrange-nel 1 Ohm ,baszusnal 0,242 Ohm -os a tekercs ellenallasa. 
 
				Butaság. Egy hangváltónál ne a hegesztéssel próbáld már körbemagyarázgatni a triviális valóságot. Én nem vagyok felületes, felületes az pontosan te vagy. Összehordasz hetet-havat cél és értelem nélkül. Én - ha már jelzőket keresel - pontos és tárgyilagos vagyok, és ne haragudj, de hangváltókészítés terén nekem nem tudsz újat mondani. A számolóprogram csak egy újabb fölösleges és kéretlen link, mert egy valódi hangsugárzónál önmagában használhatatlan. Idézet:Mit kell ezen nézelődni? A konkrét péla meg éppen azt támasztja alá, amit én írtam. És pont. Ezzel itt a vége. „Itt is lehet nezelodni” 
				Hagyjuk a hegesztőtrafót ,ez csak olyan tied féle traktoros példa volt és nem a tekecseiben történő dolgokat hoztam fel csak a táp és a munkakábelt ,hogy kisebb feszültségen nagyobb Amperhez nagyobb keresztmetszetű vezető kell (még ha kevesebb teljesítmény is folyik rajta)... A reklámadatokat nem lehet készpénznek venni ,de most arról volt szó ,hogy egy adott hangváltótekercs 4 vagy 8 Ohm -os impedanciával sorbakötve ,hogyan viseli a teljesítményt (W) . Mivel lényegesen kisebb az impedanciája a hangváltó tekercsnek (amit ki is fejtettél ,hogy ez miként befolyásolja a hatásfokot bár én ezt soha nem cáfoltam) ezért a hangszóró impedanciától függ , hogy mennyi A esik rajta. Épen ezért nagyobb impedanciával sorbakötve valamivel  nagyobb teljesítményig (W) használható. Menetszám dolgában pedig nagy különbségek vannak a különböző értékű hangváltó tekercsek között.						 
  Ki gondolná, hogy az U=I*R -t ennyit kell magyarázni.. | Bejelentkezés Hirdetés | 






