Fórum témák
» Több friss téma |
Nem teljesen értettem a problémádat a előbbi hozzászólasom alapján. Az egy eepromos letárolásra vonatkozott, ami itt nem kell.
A 12 000 1/perc fordulat az nem kevés, de egy proci számára adott esetben nem sok. Az egyik fontos dolog, hogy 20Mhz-es Quartz-ot használj. Az sem biztos, hogy a Parsic moduljai adják a legjobb megoldást egy fordulatszám mérésre. Régebben csináltam, 3000-ig biztosan müködött.
Én csak azért kérdem, mert ebben az esetben 1600 jel egy másodperc alatt, azaz 0,625 milisekundumként kén hogy jelet adjon. A Parsicban viszont ezt nem tudom szimulálni, ott minimum 2ms-al lehet. A Hall szenzor 1MHz-is képes venni a jelet, azzal nem lenne gond, csak a PIC-ben nem voltam biztos. Beállítanám hogy félmásodpercet kap egy számláló hogy számolja a bejövetet, megkapja a 800 jelet, kiértékeli, és újra, kap félmásodpercet, megkapja a jelet... stb. Én 4MHz-es kvarcot használok
Hello!
Így nem fogja megszámolni, csak ha egy ASM betétet írsz hozzá. Mert a Parsic úgy működik, mint egy PLC 2ms-onként fut le a program, ami elvégzi a leírt logikai összefüggéseket. üdv! proli007
Hát én azt nem tudok.... :O Más valaki, Te tudsz?
4MHz-es kvarcot használok, de miért pont 1,3-at állítsak be?
Egyébként nem a szimuláció miatt fog müködni vagy sem.
1600Hz-et úgy sem látnád meg... Keress egy PIC-es fordulatmérő, vagy frekimérő projektet a neten, használd azt, vagy annak segítségével variáld a parsic-al. Esetleg_ezt
Csak azért nem működne, mert 1600Hz? És ha csak 200, vagy 400Hz lenne?
A szimuláció élményét akarod megtapasztalni, vagy a tényleges fordulatszám mérést a PIC-el?
A Parsic beállítások menű alatt lehet változtatni a szimuláció "sebességét". A tényleges fordulatszám megméréséhez egyetlen jel is elég fordulatonként, tehát ha jól értettem az eddig elhangzottakat, akkor 200Hz maximálisan. Ebben az esetben a Parsicos modulokból is ki lehet alakítani a mérést, de javaslom a 20Mhz-es quartz-ot, (esetleg 16Mhz-t)
Helló. Ténylegesen akarok fordulatot mérni, és szimulacioban is ki akartam probalni. 12000 fordulatnal 1600 Hz.
Ha a parsic programmal nem sikerül egyszerűen tegyél a pic elé egy tizes frekvenciaosztót
160hz- el már biztosan megbírkózik a parsic is
Én gondoltam ilyesmire, de inkább nem írtam, nehogy hülyeséget mondjak, hogy kellene egy olyan valami, mi mondjuk a lendkerék 1x körbefordulásánál, a PIC-nek ne 8 jelet adjon, hanem mondjuk csak 4et. Lehet ilyet?
Vannak ,különböző számláló -frekvencia osztó ic-k . pl
7490(ez 5v os táppal ) 4017 ez akár 14 v os táppal is működik . Ha jól emlékszem a 7490 is beállítható 2-4-8 -9 10 es osztásra , de a 4017 - az 2-től 10 ig egyszerűen állítható (vagy még ott a 4040 az bináris akár 1024 ig-is oszthat (ez a 3 csak példa van még vagy 30-típus )
Tényleg. A 4017-est már jó párszor használtam. Annak a bemenete képes feldolgozni 1600Hz-et?
Egy lehetséges megoldás a 2x7 szegmenses számláó
témában feltett kérdésre
Helló. Azt szeretném megoldani, hogy visszafelé is számoljon, de hogyan csinálhatnám?
Még egy gyors kérdés. Mi a legegyszerűbb módja annak, hogy ha van a bemeneten jel, akkor kiírja a szöveget a kijelzőre, viszont ha nincs jel, eltűnjön, ne maradjon ott.
Köszönöm válaszod
Üdv!
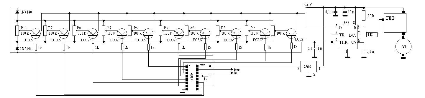
Egy DC motort szeretnék tűimpulzusokkal fordulatszám szabályozni. Ez a motor az épülő robotautóm meghajtásáért felelne. A robot "agya" egy HP mini pc lesz, aminek sajnos csak egy LPT port-ja ezért takarékoskodnom kell bitekkel Az első elképzelésem egy 555ic-n alapuló szabályzóvolt, amin a kitöltési időt állító potiból többet sorba rakok és egy léptető körrel (ami fel és le is léptet) váltok a potik között, amik különböző értékekre vannak állítva, így szabályozva a motort.(csatoltam képet az elgondolásomról) Viszont ez a megoldás nem biztos, hogy a leghatékonyabb, és legköltséghatékonyabb , de sajnos PIC-et még soha nem égettem, programoztam.a suliba tanultam programozást, de pascal alól a nokiás snake játék a legbonyolultabb, amit írtam eddig Ha valaki tudna segíteni egy olyan PIC es vezérlésben, ami előállítja a tűimpulzust és az említett fel illetve le léptető bitekkel vezérelve a kitöltési időt változtatva vezérli a motor fordulatszámát egy FET en keresztül azt nagyon megköszönném ![]() Van egy 16F877A tipusú PIC-em, de égetőm nincs hozzá, és még soha nem programoztam. A robotba kellene még egy kormány szervó vezérlés, egy fék szervó vezérlés, és egy kamera X és Y tengely mozgató szervó vezérlése. Plusz led es refi és infra refi a kamerának. Ha ezt esetleg mind meglehetne oldani a birtokomban lévő PIC el az szuper lenne. Ha valaki tudna segíteni a vezérlés megvalósításában, program írásában (csak pascal nyelven tudok sajnos programozni) az legyenszives írjon privit és megadom az elérhetőségeimet. A válaszokat előre is köszönöm! Üdv.:H.Viktor
Elírtam
![]() Idézet: A potikat nem sorba hanem párhuzamosan kötöm!„Az első elképzelésem egy 555ic-n alapuló szabályzóvolt, amin a kitöltési időt állító potiból többet sorba rakok” Elnézést
sokkal egyszerűbb lehetne a "hardver" ha a pic PWM kimenetét használod !
Sajnos semennyire nem értek a PIC-ekhez ezért azt sem tudom melyik a PWM lába :S néztem a neten leírást, de nem lettem sokkal okosabb.
Nekem viszont tökéletesen megfelelne az is, ha a fent csatolt kapcsolást egy kisebb PIC-el vezérelném a már leírt módon ebben valaki tudna segíteni?
Ha ezt a kapcsolást akarod használni , a legegyszerűbb ha egy 4017 -est használsz (10-es számláló) ha mondjuk 8 ra van állítva a következő érték előtt nullázod és a bemenetére ezután adod a következő értéknek megfelelő számú impulzust , nem kell programozni és a filléres árával verhetetlen
Emlékszem annak idején, amikor a léptető motorokkat kezdtem megismerni, és nem volt mivel vezérelni, előkaptam a jó öreg 4017est, és abbol állítottam össze a vezérlőt, és szépen működött.
Bele rajzoltam a kapcsolásba a 4017 et (csatoltam) valaki meglesné, hogy jó-e a bekötés?
Felmerült két kérdésem az ENABLE input és a +10 output lábak mire valók? És köszönöm szépen a segítséget!
Az enable (engedélyezés) a bemenő impulzusok "bejutását " engedélyezi. A + 10 az egy kimenet
ennek segítségével lehet több számlálót kaszkádba kötni
Akkor az enable lábra rákötöttem a tápot, hogy mindig engedélyezzen a tranyókat kicseréltem npn-ről pnp-re és az ic kapott egy 6v-os stabot a tranyók és az enable 1k-s védő ellenállást
Remélem így már működni fog !
Alkalmazhatnál ( PL: X9C104PIZ (Bővebben: Link)) digitális ellenállást is. Sokkal elegánsabb megoldás! S a lépésszáma is több...
Helló. Segítségeteket szeretném kérni. Fordulatszámmérőt készítek. A bejövő jelek számát alakítom megfelelő értékűre. A multiplexer részével lenne gondom, nem tudom hogyan oldhassam meg, hogy rendesen működjön, és a legegyszerűbben. 123 jel beérkezésénél félmásodperc alatt az első táblázat érvényes.(a programban 1másodperc alatt számolja a bejövő jelet, hogy tudjam jobban megfigyelni, kiértékelni a működösét. Viszont ha a bejövő jel már 124, akkor a második táblázat érvényes. Ha a bejövő jel TR2 8ms, és 1000ms alatt számolja a bejövő jelet, akkor 3600-at mutat, ahogyan kell. Ez az első táblázat utolsó száma. Ha 1004ms-ra állítom, ami határérték a két szám átváltása között, akkor beugrik a 3. táblázat első száma, tehát 3600 után 7400 jön. És így ugrál a 2 számjegy. Ha 1010ms - 1040ms-ra állítom, az érték fix 7400. Ha 1050ms-ra állítom, mrá rendesen számolja a második táblázat számait, tehát 3700-tól folytatja a számlálást.
|
Bejelentkezés
Hirdetés |




160hz- el már biztosan megbírkózik a parsic is





