Fórum témák
» Több friss téma |
Fórum » Léptetőmotorok (vezérlése)
tb6560 tud 16*-os microsteppet is.
Az ára borsos, mert 2500Ft körül van, viszont jól dokumentált adatlapja és alapkapcsolása van, 3A-ig tud motorvezérlést minden kiegészítő nélkül. Nézd meg az adatlapját.
Igen, nagyon jó de ettől még mindig harmad-negyed áron van amit ajánlottam...
A 74194 kb 50 ft, a L293D kb. 250 ft, panel és néhány alktarész 300 ft és össze kell rakni aztán készen is van a cucc.
Szélsőséges, de nagyon csendes és finom megoldás, a szinuszjellel, vezérelt áramgenerátor csomag.
Sziasztok! Nekem olyan problémám van hogy a gépemen(laptop) usb csatlakozón kívül semmi nincs. Ezen keresztül nem lehet valahogy összekötni a steppermotorral? Azaz két motort szeretnék vele vezérelni, tudásomhoz képest nagy fába vágtam a fejszémet, lézert szeretnék csinálni! Tehát ahhoz két léptetőmotort szeretnék vezérelni, valamit biztos össze lehetne programmal hozni. Kérem segítsetek!
Szia!
Van olyan topic hogy usb-> soros átalakító (talán max IC)vagy USB -> RS232 .... a soros adat meg feldolgozható párhuzamossá, illetve valamilyen mikrovezérlővel vezérelhetőek a motorok. Azonban a 3. irány is kell neked, mert a lézer fókuszába kell emelni az asztalt, ha nem csak állandó vastagságot akarsz vágni.
Én discoba használatos lézert szeretnék építeni, de még nem nagyon vagyok jártas az ilyen vezérlések kiépítése terén. és az a helyzet hogy még én se tudom hogy pontosan mit és hogy kellene de a mechanikai megoldásokkal nem lessz gond, csak az elektronikával.
Mikrovezérlő programozás megy valamennyire ?
Szia!
Ide nézz be: Bővebben: Link
Lehet, hogy ilyesmire gondoltál?!
D-sub 25 - USB CNC gép cstlakozása USB-n keresztül. D-sub-USB átalakító
Igen valami ilyesmire gondoltam, nem értek a mikrovezérlőkhöz sem sajnos, a cnc az megy
az szakmám is, gondoltam valami jó progival meg lehetne oldani két léptetőmotorral jó ábrákat. De az is bibi hogy a cnc programozásban elküldheted a tengelyeket egy bizonyos távolságra de hogy rezgő mozgás közben tegye ezt... hát nem tudom
Sziasztok!
Összeollóztam egy vezérlő kapcsolást. Tekintsétek már meg legyetek szívesek, hogy működőképes-e a rajz. Azért kérem, mert egyáltalán nincs tapasztalatom a léptetőmotor vezérlés terén. Köszönöm szépen. Unipoláris léptetőmotor vezérlő:
Rezgő mozgás? Ezt hogy érted?
Elvileg a tengelyeknek simán gördülékenyen kell haladniuk.
Első pillantásra jónak tűnik.
Amin változtatnék: Ha a motor kisáramú, (értsd: 1-2-300 mA-es) akkor azt akár közvetlenül is elviszi az ULN2803, mert elvileg 500mA-t bír tartósan. Ha meg így kettesével használod, akkor még többet. Ha viszont nagyobb áramigényű, akkor a tip127 meghajtásához nem biztos, hogy elég az 1k soros ellenállás. Én 470 Ohm - 330 Ohm körülit használnék. Másrészt inkább valami FETet használnék a bipoláris tranzisztor helyett, kevésbé melegszik.
Ha pedig valóban nagy áramú a motor, akkor a 7805 helyett 78H05-öt használnék. Bár egyszerre maximum két tekercs dolgozik, de ha kimelegszik a stabkocka, akkor korlátozni fog, aminek lépésvesztés lesz az eredménye.
Hello!
Felhívnám a szíves figyelmedet, hogy a TIP127 darlington tranzisztor, így az ellenállás bőven megfelel számára. De a Fet-ben teljesen igazad van, mert a darlington szaturációs feszültsége a legjobb esetben is 600..700mV. üdv! proli007 Idézet: „Ha pedig valóban nagy áramú a motor, akkor a 7805 helyett 78H05-öt használnék.” A motor árama nem megy át a stabkockán... Idézet: „Felhívnám a szíves figyelmedet, hogy a TIP127 darlington tranzisztor, így az ellenállás bőven megfelel számára. De a Fet-ben teljesen igazad van, mert a darlington szaturációs feszültsége a legjobb esetben is 600..700mV.” Való igaz, nem néztem meg alaposabban és a katalógusadatait sem. Most viszont megnéztem, és ezt találtam: UCE(sat) [ IC= 3A; IB = 12mA ] = 2V UCE(sat) [ IC= 5A; IB = 20mA ] = 4V Bár nem tudom mekkora a motor tápfeszültsége, de ha pl.12V, akkor az 1 kOhm-os ellenállással szűkösen van meg a 12mA-es bázisáram, ami a 3A-hez kell, és akkor már 2V a maradékfeszültsége. Ennek látszólag ellentmond, ha a karakterisztikáit nézzük: De akkor is 3A-nál már jóval 1 V feletti (ha nem is 2V) 5A-nál pedig másfél V körüli a maradékfeszültsége. Szóval jó lenne tudni, hogy mekkora áramot és feszültséget igényel az a motor...
Helló!
Nagyon köszönöm. Általános vezérlőt szeretnék építeni, ami a nagyobb áramú motorokhoz és a kisebb teljesítményű motorokhoz is egyaránt használható legyen. Nincs még végleges végfok. Ha FET-es ajánlás van, akkor némi segítségre szorulok, (kapcsolási rajz illesztése a már meglévő ULN2803 IC-vel felépített kapcsoláshoz), mert FET-et még nem használtam.
Csak a balról jobbra beidegződés... elnézést!
De a lézernél máshogy van. Ott folyamatosan oda vissza rezegnek a motorok hogy ne egy pontot rajzoljon hanem vonalakat. Például ha egy négyzetet szeretnél akkor megírod a progit hogy merre mozduljon el pl. ha a vízszintes mozgás "X" a függő "y" akkor:
+x +y -X -y És akkor így megvan egy négyzet, de hogy azt lássam is folyamatosan akkor ezt folyamatosan ismételnie kell amíg én nem akarok mást. De ha csak egy csíkot szeretnék például akkor ide oda kell mozgatnom az eggyik tengelyt. Én erre gondoltam amikor rezgő mozgást írtam. Nem igazán tudom hogy lehetne ezt megoldani, és persze ha még össze is hozok egy ilyet az még csak egy ábra sajnos nem értek a mikrokontrollerekhez sem talán az a pic igaz?
Összeraktam tesztpadon az áramkört, de nem működik. egyáltalán. Tudnál nekem javasolni egy unipoláris motor vezérlőt, aminek a fordulatszáma és a forgás iránya is változtatható.
Köszönöm szépen.
Pl. az STK672 család tagjai. Egyetlen monolitban benne van az egész cumó. Áramkorlátos, chopperes, féllépéses (azt hiszem a mikrolépést is tudják), irányváltással. Nyomtatókból, másológépekből bonthatsz pl.
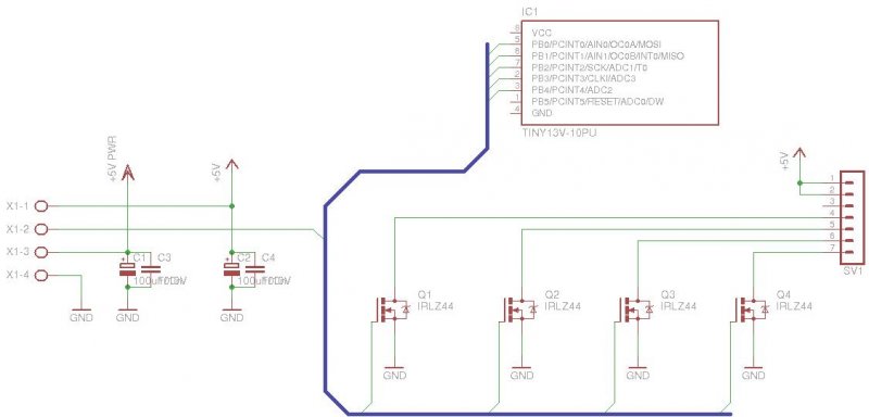
Egy bemenet az irány, egy másik az áramkorlát, egy harmadik az órajel (gyk. a sebesség jel). Vagy csinálhatsz egy ilyet is, mint a mellékletben. Ezt mondjuk programozni is kell, cserébe olcsó. Speciel ez csak egy irányt tud és nincs áramkorlátja, de mondjuk egy tiny2313-al már ez is belefér.
Helló. Ez az STK rendkívül jó gondolat, köszönöm. Csak marha drága. Tthon 11.000 Ft. Ebay-en 7$-ért láttam. Onnan veszem meg. +3$ a szállítás. (STK672-080)
Hello!
Bocs, én csak a meghajtásba próbáltam belebeszélni. A léptető motorokkal kapcsolatban vannak itt nálam sokkal illetékesebbek.. De a "nem működik", az azért még nem műszaki paraméter. Mert ebből ugyan nem sokat tudnak meg a segítőid.. Azért nem panaszkodhatsz. Van egy ami jó, csak "drága", és egy olcsó, ami "nem működik". Tehát választék azért van.. üdv! proli007
És ha mondjuk Ezt választanád? Ez már csak 2800 jó magyar forint.
Igen, ez lényegesen olcsóbb, és ebben is benne van a cucc. Ez is jónak tűnik, sőt. Köszönöm.
Nincs mit! Tapasztalatról eredményről képeket kérünk ide!
Mit gondoltok? Ez kamu IC, vagy tényleg ennyire nagy árkülönbség lenne... ?
ebay: Bővebben: Link ez kb 3000 Ft. Itthon: Bővebben: Link |
Bejelentkezés
Hirdetés |





az szakmám is, gondoltam valami jó progival meg lehetne oldani két léptetőmotorral jó ábrákat. De az is bibi hogy a cnc programozásban elküldheted a tengelyeket egy bizonyos távolságra de hogy rezgő mozgás közben tegye ezt... hát nem tudom
sajnos nem értek a mikrokontrollerekhez sem talán az a pic igaz? 



