Fórum témák
» Több friss téma |
Fórum » Hangváltók (készítése)
A mértékegységeket a mérőszámtól szóköz választja el. A személynevekből képzett mértékegységek (Volt, Ohm, Amper, stb.) nagybetűvel írandók!
Nagyon zavaros vagy. Inkább rajzoljad le mit , hogyan kötöttél.
A kalkulátort te láttad el adattal, de azt nem találhatja ki ,hogy mire gondoltál.
Jó reggelt köszönöm hogy foglalkozol a dologgal. Gyorsan skicceltem egyet az elképzeléseim alapján,ez is kalkulátor segítségével készült. Csak nem vagyok benne biztos hogy jó és képes 4000Hz környékén vágni valamint nem engedi a mélyet 80Hz alá. És mindez egy (castone cpa-400) as hajtaná szinte teljes sávban.Ezt csak a tűrőképesség miatt írtam.
Ezeket értékeket miből számoltad? Van mérésed ,vagy adatlapod?
-Az R-50 érzékenyebb mint 100dB? -A 0.680mH tekercs 2000 Hz-nél vágja a mélyet 6dB meredekséggel! Az izzólámpás védelem működését ,méretezését nem ismerem.
Ezeket az értékeket sajnos nem számolgatással választottam.Hanem a mellékelt oldalon található kalkulátor segítségével 2 rendű Linkwitz-Riley számítással.A keresztezési frekvenciát adatlap után kalkuláltam magamtól. Mivel a Ring 103dB és gyári adatlap szerint kb 4000Hz-nél 95dB ugyan ez a helyzet mélynél is.Az ellenállásokat csillapításnak szántam + az izzót is. Mivel nem tudom semmivel alátámasztani a gyakorlatban történő dolgokat szándékosan próbáltam túlméretezni a védelmet. Hisz nem 0 állásban használom az EQ-t a programok meg állítólag ebben számolnak és szerintem ezek komoly +/- dB ha egy bizonyos beállítás mellet tekergetem a hangerőt és különböző zenéknél játszok a hangszinteken.A lényeg az hogy nem tudom elméletben sem alátámasztani ez mind mind csak feltételezés részemről. Szerinted milyen szűrő kell a mély elé hogy ne menjen lentebb a kelleténél? Kérlek javíts ha rossz a gondolkodás menetem és ha megkérhetlek javitsd ki a skiccemet ha nem gond számodra. Nekem magas ,de ez gondolom te is észrevetted éppen ezért nem bánom az építő kritikát.Ez a bizonyos oldal
Azt , hogy mennyire menjen mélyre illetve mennyire nem azt a doboz megfelelő hangolásával lehet beállítani.
Ha 4000 Hz nél szeretnéd a mélyet vágni , akkor 0.33mH tekercs kell sorosan. A magassal sorosan egy 1,5 µF kondi . A magasat fordított polaritással kell bekötnöd. Az Lpad soros tagja 3.3 ohm, a párhuzamos 33 ohm. Hallgasd meg így izzóval és anélkül is. De mindez csak elmélet , gyakorlatban nem ártana mérni impedanciát ,és egy átvitelt is, mert így csak találgatás.
Értelek még annyi lenne hogy, magas előtt maradhat e a párhuzamos 0,640mH vagy kivegyem.Esetleg cseréljem azt is 0.33mH-ra? És ha nem tetszik a hangja estleg nem fed át rendesen milyen mezei eszközökkel célszerű méregetni a kívánt értékeket hogy legközelebb esetleg azzal is tudjak szolgálni a cél érdekében.Mert hidd el elhiszem hogy elég nehéz így bármilyen formában segíteni és megértem.
Nem .Vedd ki mert az teljesen más lesz. Egyenlőre a magashoz nem kell más ,mint sorosan egy 1.5µF fólia kondi, meg az L-pad. Másodrendű váltót hagyjuk későbbre.
Szerintem nem nagyon kell bespájzolni ,mert nem olcsók a hangváltó alkatrészek.
Melyik is ezek közül?
Az elmélet azt mondja, hogy 0,33mH-vel biztosan nem fog 4k-nál észrevehetően csökkenni a hangnyomás. Az elsőrendű szűrő ide viszont nem jó ötlet, a ringnél keresztezés körül lapos karakterű, kis jóságú, magasabb töréspontú, másod, vagy harmadrendű szűrő lenne célszerű. L-pad nem valószínű, hogy szükséges, elég egy nagyobb értékű, és teljesítményű soros ellenállás.
Mit javasolsz? Az izzólámpás védelem ,hogyan is működik? Kösz ,hogy segítesz.
Szia az én szemszögemből nézve: jobrol-balra, R25-ös ,R50-es, R50Birad, így a középső az.Egyébként miért kérdezted? :heureka:
Sziasztok,csináltam egy hangváltót a hangfalaimba,csak a magas átvitelét keveslem egy picit,de ha a magas elé nagyobb kondit rakok akkor néha egy furcsa torzítás jelenik meg rajta
Mit kéne változtatnom rajta ? A tekercsekhez azért nem írtam értéket mert nincs induktivitás mérőm.
Úgy, hogy ha egyszer felizzik, megnő az ellenállása, és emiatt csökken a magashangszóróra jutó teljesítmény. Ha csökken a kimenőjel szintje, visszahűl, és visszaáll közel az eredeti állapot.
Hogy nagyjából beazonosítsam, melyiket is használod, ugyanis nem mindegy váltókészítés szempontjából. Ez nem a keresztezési frekvenciák harca, nem elég kitalálni a 4k-t és kész.
Eddig értelek, és köszönöm hogy ezek szerint te is próbálsz segíteni a gondomon. A 4k nem hasra ütés szerűségre alapoztam igaz nincsenek méréseim se.Egyszerűen adatlap után választottam ezt az értéket.Mivel 3,5k-ról indul kb az általam választott lehető legalacsonyabb értéktől egyenes az átvitele adatlap szerint.Tudatában vagyok annak a ténynek hogy 5k- nál kezd el szépen muzsikálni de részemről egyszerű a magyarázat:az evm 12L maximum 7,5k- ig vánszorog föl de ez már kritikus és halk persze ez is adatlap szerint ,(de azt megjegyezném ha szabad,ők nem hiszem hogy kamuznak az értékekkel hisz az egyik legjobb felső kategóriások világ színvonalon)És visszatérve, konkrétan a megfelelő átfedés érdekében tettem ennyire le az értéket hogy ne legyen akkora luk. Remélem kielégítő választ adtam a kérdésedre! Még annyit hozzá tennék mérési eredményekkel csak akkor tudok szolgálni ha sikerül összehozni ptesza kütyüjét.És még valami lenne csak érdekesség képen adott egy hangsugárzó, történetesen R-50 mivel Ring semmi köze a dobozhoz méret....stb. Szerintem egyszerűen megfelelő meredekségű és frekvencia tartományú váltóval, csillapítással hozzá illesztjük a mélyhez és kész.Légyszives ne érts félre, nem pont neked orientálódik a kérdésem hanem úgy általánosságban. Mert szinte mindent le írtam lassacskán csatolom az önéletrajzomat is,egyébként ha volna valamicske fogalmam hangváltó készítésről nem fordultam volna segítségért.
sziasztok!
azzal a kérdéssel fordulnék hozzátok , hogy csinálni akarok egy kisebb hordozható "hangrendszert" egyik ismerősöm csinált egyet volt egy mélyláda és 2 magasugárzó, elég egyszerű szerkezet volt, csak hamar visszaadtam neki igy nem tudtam megnézni , hogy mi is van benne valójában. Azt tudom , hogy volt benne egy mély szűrő és egy magas szűrő, 12 v os akksiról üzemelt és nagyon jol szolt. Namost nekem az lenne a kérdésem hogy valaki tudna e berakni valami kapcsolási rajzot ide, eddig eljutottam itt a szűrő a mélynek , de kéne egy a magasnak is.Válaszotok előre is kösz Üdv.
Sziasztok!
Építettem anno egy ládát, sima két utasat. A mélyet simán kötöttem be, de a magas elé szeretnék valamit tenni. Próbálkoztam pár fóliakondival. Az 1 µF-es kondival már recseg, amikor elkezdem hajtani rendesebben. 200 watt RMS saját gyártmányú cuccal. A mély még bírná, de a magas az nem. Pedig 300 wattos a magas. Ne kérdezzétek, hogy hány hz-nél szeretném vágni, fogalmam sincs, csak annyi, hogy szeretném, ha lágy, kellemes hangja lenne. Milyen fóliakondenzátort ajánlotok erre, és milyen kapacitásút? Előre is köszönöm!
Én ezt értettem eddig is. Adatlapokat linkelhetnél, ha már így leírtad, hogy mire képes a két hangszóró. A magasnál sztem nem túlzás a 3,5kHz, a kisebb Reflex ringre szoktam azt írni, hogy 5000-től jó, mert a méréseim annakidején ezt mutatták.
A mélyközép meg gitárhangszóró, valóban szélessávú, de elég beteg rezonanciák szoktak lenni ezeknél középtartományban, és az irányítottság a méretéből adódik, arra is figyelni kell keresztezésnél.
evm12l a magas meg a reflex r-50.
Köszi. Nem volt sok kedvem kikeresni az adatlapot. A reflexről meg még nem láttam mérést eddig.
No szóval akkor úgy néz ki, mélyközép fronton pont az van, amit az előzőben látatlanban leírtam.
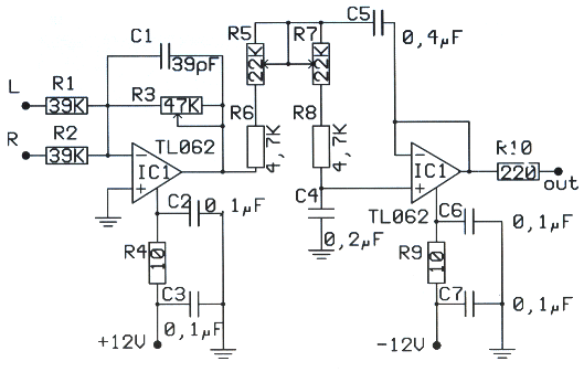
Sziasztok. Szeretnék csinálni egy aktiv hangváltót subwooferhez. Ezt dobta ki a google. Mi a véleményetek róla, érdemes megcsinálni?
Köszi szépen. Igy már nyogott szivvel megépitem.
De van itt van http://kepfeltoltes.hu/view/101224/1258581549images_www.kepfeltolte...u_.jpg ezt így csináld meg és jó lesz...igaz én csak javítottam hangváltót.
attól függ hány ohmos a hangszóró,ha 8 akkor olyan kell,4 akkor 4ohmos...csak ha 4 ohmosa hangszóród és nem 4 ohmos hangváltót csinálsz akkor meg is halhat a hangszóró.....
Sziasztok. Van még egy kérdésem, van értelme sztereoban megépiteni a hangvátót? Csak azért kérdezem mert a házimozirendszerekben és 2.1esekben is mindig monot láttam. Hangositásra használnám, ha kész lesz, kisebb bulikban, rendezvényeken.
Sziasztok! Van egy hangfalpárom ami a következő hangszórókból áll: somogyi elektronik srp3040(méy),egy m.n.c. magass,és egy videoton közép.Tudom,hogy nagyon vegyes,de nincs baj vele.Viszont nincs benne váltó csak a magason és a középen egy-egy kondi.A magason 2 mikro a középen 4,7mikro.Így használom évek óta és nagyot szól tisztán a mély is brutális.Amióta egy terelő van a hangfalban.A kérdésem az ,hogy szerintetek érdemes beruházni egy váltóra ?Vagy nem lenne lényeges változás? főleg a mélynyomó hangjára gondolok.A magasnak és a mélynek szerintem elég a kondi?Vagy érdemesebb lenne aokat tis váltóval?Nagyon kíváncsi vagyok a véleményeitekre! Előre is köszönöm a segítséget!
Azok a kondik egyutt a hangszorok terhelo impedanciaival maga a hangvaltok .Hogy jobban (helyesebben ) legyen megvalositva egy bonyollultabb szurokor (magasabb foku szuro +kompenzaciok ) kene amit elegge nehez megvalositani es a hangszorokhoz illeszteni .Van a net-en sok leiras tettem en is link-et ezekhez,valamint van magyarul is @salafi egy web-oldalan egy bevezeto cikk a problema megertesehez.keress vissza a forumban es ratalalsz .
Ha nem HiFi zenet akarsz sztereoban halgatni talan nem is eri meg a sok munka .Ha hobbibol akarsz egyet megvalositani hogy tapasztalatot szerezzel akkor lehet kezdeni a tanulast... |
Bejelentkezés
Hirdetés |









Hogy nagyjából beazonosítsam, melyiket is használod, ugyanis nem mindegy váltókészítés szempontjából. Ez nem a keresztezési frekvenciák harca, nem elég kitalálni a 4k-t és kész.




