Fórum témák
» Több friss téma |
Fórum » PIC vagy AVR
Témaindító: (Felhasználó 466), idő: Okt 5, 2005
Témakörök:
Az Atmel is küld, ha már veszel tőlük valamit(neten rendelsz, meg cég vagy asszem). A Microchip is küld, DE! Magyarországra nem. (A jó kis magyar mentalitás miatt főleg....)
Hadd védjem a PIC-eket. Mondjátok hogy nagyon nehéz áttérni egyik PIC-ről a másikra. Nekem eddig még soha nem volt ilyen problémám. Programoztam és használtam már 6lábú 10F-et, 12F-et, 16F-et és 18F-et is. Soha nem találkoztam semmi olyan hibával, hogy ne lehetne áttérni. Volt pár olyan eszközöm amiben programozás közben derült ki, hogy kicsi a RAM vagy a ROM vagy az EEPROM-ja. Fogtam megnyitottam a microchip katalógust, kerestem egy ugyanannyi lábú PIC-et, és kicseréltem. Átírtam a deklarálást, hogy másik PIC-et használok és ennyi.
Amúgy meg nincs olyan PIC ami nem SPI-vel programozható vagy az ICD ne tudná programozni. Nem mindegyiket tudja debugolni de programozni mindet. Ez a lényege az ICD-nek. (persze kivétel ezalól a sorozatgyártásban beültetett gyáriprogramozott PIC-ek) PIC-nél a PGD, mint a neve is mutatja Data, PGC a Clock, az MCLR meg felfogható SPI-s ChipSelectnek. Egyetlen ok amiért még mindig nem térnék át AVR-re az az, hogy Mo.-n nehezen beszerezhető és kevés típus van. A Microchip sokkal több félét gyárt, sokkal költséghatékonyabb egy alkalmazás. Gondolok itt a kell az I/O, de nem kell sok memória. Magyarul könnyedén ki tudsz választani egy nagy lábszámú PIC-et kevesebb memóriával ami mondjuk kevesebb mint felébe kerül. Konkrét példa. Míg AVR-nél tinyAVR-ből 20 alap típus, addig PICből vagy ötször ennyi. Azonos lábszámnál a memóriával arányos árral. PIC-nél is ugyanúgy mint az AVR-nél minden prockónak azonos tokozás és család (10F/12F/16F/18F) mellett ugyan azok a portjai. Kiválasztasz egy másikat, és 100% hogy csak át kell írni a fordítóban a libet. Az ingyen C fordító hiány egyébként igaz. A legelterjedtebb otthoni fordító a CCS-C, aminek igaz hogy van ára, de annyira nem vészes. Bár rendes C fordító terén én továbbra is jobban támogatom a HI-TECH PICC fordítóját. Microsoft is úgy hozta meg a kedvet a Win-re való programozáshoz, hogy ingyen adta a C fordítóját... Persze hogy mindenki rákapott. Ez a Microchip egy óriási hibája. Aki 18-as PIC-et assemblyben programoz az nem épp elméjű, és bizony a lehetőség nincs adva hogy hivatalos gyártó adjon fordítót ingyen (kivéve a student). Léteznek a PIC-hez is ilyen fordító próbálkozások amik ingyenesek. TCP/IP-t akár PicOnNet-el is nagyon gyorsan létre lehet hozni, hardveres TCP/IP stackel is. És bizony a PICONNET is ingyenes... Ez örök háború. Persze cégünk most épp olyan AVR-t használ egyik termékbe, ami uP és MP3 dekóder egyben, ami a PICnél nincs.
Udv!
Idézet: „Míg AVR-nél tinyAVR-ből 20 alap típus, addig PICből vagy ötször ennyi” Jah, es 5-fele protokol a programozashoz vagy ICD2... kilove Idézet: „...CCS-C, aminek igaz hogy van ára, de annyira nem vészes. Bár rendes C fordító terén én továbbra is jobban támogatom a HI-TECH PICC fordítóját” ...aminek mar eleg veszes az ara is, tehat nincs ingyen fordito... Idézet: „Léteznek a PIC-hez is ilyen fordító próbálkozások amik ingyenesek.” ...a GCC nem egy probalkozas... Idézet: „TCP/IP-t akár PicOnNet-el is nagyon gyorsan létre lehet hozni, hardveres TCP/IP stackel is. És bizony a PICONNET is ingyenes...” A PICONNET-et ingyen adjak??? Hol? Maris rendelek vagy 100-at. Meg nem talalkoztam olyan gyartoval, aki ingyen osztogatja a HW-t... HW TCP/IP stack? Hallottam mar rola. http://www.wiznet.co.kr/pro_iin_W3150.htm Ez az, jonak tunik. De ha mindent ilyen egyszeruen ossze lehet rakni, miert nem annyira elterjedt? Erdekes modon meg mindig a C-ben jol megirt TCP/IP- hasznaljuk nap mint nap PC-n es uP-n ugyszinten. Sracok! Olyan emberektol varok erveket es ellenerveket, akiknek mindket gyartonal van legalabb 2-2 ev aktiv tapasztalata. Csak ok tudjak, mi miert van es mi miert nincs...
Valamit elfelejtettem.
Valaki azt mondta, hogy nehez beszerezni az AVR -eket az orszagban. Bővebben: Link Budapesten es Szegeden is!!! Postaznak is!!! Mindenfele AVR van!!! Ha nincs, telefonon fel lehet hivni oket es szereznek!!! Az Atmel hivatalos magyarorszagi distributora!!! Errol ennyit...
Az MSC Bp is jópár fajta AVR-t forgalmaz...nem is rossz áron, mostanában volt feléjük árcsökkenés...
Én pontosan a Wiznet TCP/IP és komplett Ethernet moduljait használom. Abban AVR-van.
Piconnethez minden szoftver ingyenes. De azért a realtek chipet meg a pic-et nem kell adniuk. Realtek RTL 200 forint... technik: pontosan megírtam hogy igen... sajnos nincs ingyenes fordító. Nem kell rákontrázni. ICSP protokol van minden PIC-en. Nem ötféle "protokol a programozáshoz". Ret egy nagyon jó bolt. Havonta több mint 10-szer jön tőlük cégünkhez csomag. De sajnos ha megnézed benne van a katalógusban, de sajnos raktárkészleten nincs. Kb egy hét míg behozzák... ChipCAD-hez bemész és megkapod. A budapesti codixnál meg sajnos alig van pár típus. Na mindegy. Ellenérveket csak az tud felhozni a másik ellen aki tudja hogy miért nem. Ha valaki közli, hogy azért nem mert nehezebb beszerezni, akkor azt el kell fogadni ugyanúgy mint ha valaki azt mondja hogy kicsi a flashe. Neki kicsi, és neki beszerezhetetlen... Pont ezért tette le voksát a másik mellett... Nem kell ostoba "demárpedig akkoris"... Sajnos a PIC alulmarad ár terén az AVR-el szemben...
Udv!
Idézet: „ICSP protokol van minden PIC-en. Nem ötféle "protokol a programozáshoz".” ![]() Egy programozot mondj, ami viszi az osszes PIC-et. ICD2 nem jo! Debugger van AVR-hez is, JTAG neven fut, de ez nem kovetelmeny egy alap fejleszokornyezethez. STK200-hoz hasonlot mondj, aminek a megepitesehez osszesen 2 ellenallas, 1 kondi, egy 40Ft-os IC az LPT port vedelmere es egy LPT port csatlakozo kell es minden PIC-hez jo. Szerintem ilyen nem letezik.
A szükséges HW jó mindegyik csak programozásához, ez pár alkatrész. Az, hogy egy puritán pic programozóval nem lehet mindent programozni nem a pic hibája és nem is a programozóé. A windowsos PIC égetők nem képesek rá. Linuxra van jó PIC égető program ami a sima pár alkatrészes JDM-el vígan elprogramozgat 18F-et is...
Fölösleges szerintem ezeken vitatkozni...
A tény, hogy a PIC jobban befutott még akkor is, ha minden típushoz külön programozó kell...ezen nincs mit megvitatni, ennyi, kész...és nem lehet megtalálni a pontos okait... Lehet, hogy egyszer majd megfordul a mérleg, és rájön mindenki, hogy milyen jó is az, ha egyetlen programozóval lehetséges az összes típust égetni...még ha heteket is kell várni a típus beszerzésére... De addig marad a jelenlegi helyzet, amit el kell fogadni...aki meg nem fogadja el, az harcoljon, de ne itt az oldalon, mert romhalmazzá válik és azt nem szeretnénk
Udv!
Nos, nem is olyan haszontalan ez a topic... Idézet: „Linuxra van jó PIC égető program ami a sima pár alkatrészes JDM-el vígan elprogramozgat 18F-et is...” Nagyon megkoszonnem, ha belinkelned a megepitesehez szukseges infokat. En ott adtam fel a PIC-et, mikor beszereztem par PIC16F877A procit, mert a sima PIC16F877 helyett ezt ajanlotta a ChipCad. Csak azt nem tudtam, hogy tortent nemi valtozas a programozasi protokolban es a jol bevalt Tait-fele egeto mar nem vitte, hol felismerte, hol nem... Szemely szerint en is Linux felhasznalo vagyok, a Win-t mar 4 eve kiuztem az eletembol. Milyen SW-t hasznalsz linux-on?
Egy pár linuxos égető programot ismerek ami nagyon sok típussal megy.
Pl.: pp06, picprg és sokan esküsznek a PonyProgra. Nagyon régen használtam Linuxot pic programozására, de az első kettő 100% hogy fut, és többiekkel ellentétben nincs lpt port problémája. 5 éve ICD-zem szal azóta a programozás is Win-en megy MPLAB-al. De az biztos hogy ha mégegyszer sima programozó kellene tuti linuxon tenném. Windowsra sok olyan programozó van ami pár típussal kompatibilis csak. Aki Linuxos prg írásának fog az már ért hozzá és még jóesetben a pic-hez is. Ergo százszor jobb égető programok születnek. Bár ezutóbbi szerintem igaz minden Linuxos program fejlesztésre... De ez már csak saját vélemény... ![]() Szerk: most jut eszembe hogy azt hiszem a pp06 az ami teljesen szabadon fejleszthető. Először is open source, másodsorban ha nem ismer valami PIC-et akkor a tries, reburn és delay megadásával tud programozni (ezeket az adatokat megtalálod minden doksi ICSP szekciójában) Nekem ez volt 12F508-nál. Azóta már persze szerepel benne...
Ez egy nagyon kedvelt forum tema. Miert van nehany embernek kenyszere arra, hogy valamit jobbnak tartson masnal. Aki AVR-t v. PIC-et hasznal azert teszi mert ismeri,megszokta, annak a hasznalatara allt ra. Csak azert mert egy masik hozzaszolo mast mondott , senki sem fogja a kukaba dobni a programozojat,mc-ket es megszerzett programozoi tudasat. Akiben van kezseg es tehetseg az barmelyik (es nem csak ez a ket gyarto) mc-el , barmit meg tud epiteni. Szerintem a jo szakember, legyen az profi vagy amator nem arrol ismerszik meg, hogy milyen mc-t hasznal, hanem hogy amit elkeszit, az mennyire jo. Egyebkent en mindket tipust hasznalom. De egyiket sem mondanam jobbnak a masiknal.
Hmmm...azt hiszem, ez tökéletesen így van, ahogy mondottad az előbb!
A leges-legnagyobb igazság ebben ez, ki is emelném kiegészítve ékezetekkel egy picit: Idézet: „Akiben van kézség és tehetség, az bármelyik (és nem csak ez a két gyártó) uC-rel, bármit meg tud építeni.”
Szia!
Hű ezzel ne tudd meg mennyit szívtam én is. A PGM lábat földre kell húzni. Amúgy én Piklab-ot használok.
Sziasztok
Igaz én AVR párti vagyok inkább....régebben foglalkoztam PIC - el és még van is belőle pár darab ezért gondoltam kezdek velük valamit...másrészt Linux párti is vagyok.... valahol olvastam itt a topicban hogy PIc hez nincs ingyenes C fordító... akkor az SDCC (Small Device C Compiler) az ugyan mi? elérhető Win és LInux alá is teljesen ingyenes és fordít AVR /PIC /MCS51 /DS390 / z80 és még sok más típusra a PIkLab - al együtt használva szerintem nagyon jó! Akkoriban azért tértem át AVR - re mert a PIC - ek felprogramozásával sok gondom volt (volt hogy sikerült volt hogy nem ), és nem volt normális C v Basic compiler (ingyen)! de most a PikLab - al simán megy a programozás , és ingyen C is van alatta (nem is akármilyen ) szóval szerintem mind két uC nagyon jól használható csak meg kell hozzá találni a megfelelő eszközöket ! Mindezektől függetlenül: nekem az AVR a tuti :yes:
Udv!
Idézet: „...nincs ingyenes C fordító... akkor az SDCC (Small Device C Compiler) az ugyan mi?” Aham, tehat az SDCC-vel barmilyen PIC-re tudsz C programot irni, lefordul es beegetve mukodik? Ugyes, engem is tanints meg.
ok
![]() Természetsen szívesen segítek....minden PIC re lehet vele progit írni és működik is. Tegnap egy 18F458 egyik CCP modulját fogtam működésre PWM üzemmódban és működött is! SDCC ben még én is kezdő vagyok, de abban tudok segíteni hogy elindulj (ha tényleg érdekel).....továbbiakat priveben (win vagy LINUX?) linux alatt egyszerübb a helyzet! Üdv
Hali!
én most kezdem a mikrokontroller-es pájafutásom, és a vitatkozók kedvéért pic ÉS avr-rel egyszerre, mer ha mindkettőt ismerem majd jól elvitetkozom magammal h mejik a jobb. szal 2 kérdésem lenne a méjentisztelt hozzáértőkhöz 1 - sokszor láttam már h "az atmel-t 5 szál dróttal be lehet programozni", kérdésem: mindet? 2 - a reklám miatt, ha nem is ide a fórumba, de e-mailba tudna nekem vki ojan magyar céget mondani akitől rendelhetnék atmel mikrokontrollert?, mer ijem még nem sikerült találnomneten, de biztos az én hibám ja és még valami: egy csomó fórum van ebbena témávan, de még soha nem láttam ojat h egy KONKRÉT proláma megoldása nem sikerült vkinek egyikkel, bezzzeg a másik...
PIC-et is 5 vezetékkel lehet programozni :p
ez a PIC vs AVR dolog kicsit vallási kérdés... ki melyikkel találkozott előbb... PIC-ek előnye, hogy sok hozzá a példaprogram, a microchip oldalán is rengeteg segédlet van hozzá ATMEL mikrokontrollereket az MSCBP forgalmaz ( www.mscbp.hu ) PIC-eket pedig a Chipcad ( www.chipcad.hu ) Atmeleknek az az előnye hogy JTAG-on keresztül lehet őket programozni és debuggolni is, miközben a PIC-ekhez kicsit drágább debugger kell...
AVR-t szerezhetsz a RET kft-től, PIC-et a chipcad-től.
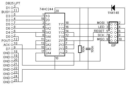
Az AVR-t valóban be lehet programozni 5-szál dróttal(Mindegyik típust), de nem célszerű ezt használni, mert csinálhat hülyeségeket. Erre van mondjuk az STK200-as programozó (melléklet), De lehet neten találni STK500v2 kompatibilis USB égetőt is hozzá. Fórum mindegyikre van, pl van itt is ezen az oldalon. De van chipcadéknél PICre, avr.tavir-on AVR-re. (Bascom fordítóhoz)
Idézet: „PIC vs AVR dolog kicsit vallási kérdés... ki melyikkel találkozott előbb...” A vallási dolog igaz Bár én előbb PIC-eztem, aztán kiábrándultam belőle, meg mondták az AVR-t hogy próbáljam ki Idézet: „...PIC-ekhez kicsit drágább debugger kell...” amit USB-s változatban is, akár magad megépíthetsz!
igen de ha azt vesszük, akkor egy AVR -hez a JTAG kábel (amivel már debuggolni is lehet) sokkal olcsóbban kihozható, mint a házilag épített ICD2, akkor ebből a szempontból üti a PIC-et...
Én pont fordítva voltam vele: avr-el kezdtem, sikerült kisebb nehézségek árán rá próbaprogramokat írni, de véletlenül KIZÁRTAM magam az atmega8-ból, és nem lehet vele kommunikálni
Aztán avr helyett vettem egy 16f877a-t, már vagy két éve nyúzom és még mindíg műxik. Én mindent meg tudtam vele csinálni, nem is nagyon volt olyan eset, amikor "kevés" lett volna. Neked miért nem jött be a PIC?
És abból, hogy kizártad magad milyen következtetést vontál le az AVR - rel kapcsolatban? ( tényleg érdekel, nem piszkálás )
Kerestél megoldást arra, mit lehet ilyenkor tenni? ( Hátha lett volna )
Én sem kötözködésképp, de nem az a baj, hogy nem lehet ismét bejutni, hanem az, hogy a PIC-ből nem lehet kizárni magunkat...
Mivel nem ismerem a PIC-et elhiszem és köszönöm az infót.
Én attól, hogy egy egzaktul dokumentált rendszerben csinálok egy hibát nem az eszközt gondolom rossznak. Itt van megoldás arra az esetre ha kizártad magad.
Udv!
A "kizaras", vagyis a fuse bitek helytelen hasznalata a tajekozatlansagbol ered -> RTFM!!! A fuse es a lock biteket azert talaltak ki, hogy az elkeszult projekt-et ne tudjak ellopni. Ez ugyanugy megvan PIC-ben is es "Code protect" neven fut, tehat innen is ki tudod zarni magad. Egyebkent, a kizarast egyszeruen meg lehet oldani: kulso clock-ot adsz neki mondjuk 1MHz. Ezt meg tudod oldani egy masik AVR-rel is valamelyik I/O labon. Neten sok iras van errol...
Tudom,meg sokszer elmondtátok hogy rossz, de én csak egy JDM rendszerű programozót tudtam használni, de nem is maga a JDM volt a baj, hanem hogy a windows nem szerette az ICprogot XP alatt normálisan, ezért nehézkes volt a programozás. Ráadásul nem ICSP módban nyomtam, tehát mindig ki kellett kapni a fogalalatból. Aztán meg az ASM. Küzdöttem vagy 3 hónapot egy szoftveres I2C lekódolásával, de az Istenért sem akart összejönni. Meg mindennel vagy 10x annyit kelle szórakozni mint egy komolyabb fejlesztőkörnyezettel. Itt jött a következő gond: Nem volt ingyenes fordító, olyat meg nem találtam amihez volt gyógyítás.
Na itt telt be a pohár. Mondták hogy próbáljam ki az AVR-t. Megtetszett benne hogy Szegeden annyi árért amibe egy PIC kerül, annyiért sokkal nagyobb tudású AVR-t lehet kapni. Főleg a nagy tárhely tetszett meg benne. Azután az avr.taviron taléálkoztam a Bascommal, és az is megtetszett. Találtam gyógyítást is hozzá. Programozni is hibátlanul programozott, sose volt gond. Egyszer kísérletléppen szórakoztam ponyproggal és sikeresen kizártam magamat egy ATmega16-ól. Azóta megtanultam hogy mit nem szabad elállítani. Aztán belekezdtem a szkópba, egy ideig bascommal programoztam, de olyan hülyeséget fordított a kódba a bascom, amitől egy idő után ujraindult az áramkör, néztem egy ideig a kódot, de minden jó volt.... Aztán megtaláltam a winavr-t, ez nagyon megtetszett, főeg azért mert ingyenes, meg azért mert C nyelvű, és általában a komolyabb projecteket C-ben programozzák. Mondjuk meg kellett tanulnom C-ül. Igaz mostanában valami gond van a programozással megint, ezért néha csak 3.jára vagy még többszöri próbálkozásra akar belemenni a program az AVR-be. Nem tudom hogy az STK-200-al van gond vagy a winfo$sal. Gondolkozok egy STK500 klón építésén, ez már USB-ről menne. Ubuntu linux alatt próbálkozom az avr GCC-t beüzemelni, de még nem jártam sikerrel..... Szóval nekem az AVR a nyerő... |
Bejelentkezés
Hirdetés |






elérhető Win és LInux alá is teljesen ingyenes és fordít AVR /PIC /MCS51 /DS390 / z80 és még sok más típusra a PIkLab - al együtt használva szerintem nagyon jó!
), és nem volt normális C v Basic compiler (ingyen)! de most a PikLab - al simán megy a programozás , és ingyen C is van alatta (nem is akármilyen ) szóval szerintem mind két uC nagyon jól használható csak meg kell hozzá találni a megfelelő eszközöket !

Bár én előbb PIC-eztem, aztán kiábrándultam belőle, meg mondták az AVR-t hogy próbáljam ki





