Fórum témák
» Több friss téma |
az biztosan jó ötlet úgy??
Én úgy már nyírtam ki 7812eseket hogy párhuzamosan kötöttem őket. én inkább megfejelném egy 2 vagy inkább több Ampert tudó tranyóval valahogy így :
Abban biztos vagy, hogy a 7812 párhuzamos kötése a tönkremenetel közvetlen okozója?
Hellósztok
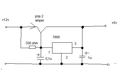
7805-el meglehet oldani egy vinyó külső táplálását 12voltról? nem lesz gond,hogy a 2 test az közös?
mármint,kivülre szeretném tenni a merevlemezt,és 12 voltról müködne,ebből csinálnék egy 5 voltos kimenetet is a stabilizátorral.
De a merevlemeznek úgy van,hogy 12v(sárga) GND(fekete) GND(fekete) 5v(piros) és ha a GND mindkettő a 12 volt negatívja lenne remélem nem kérdeztem hülyeséget
Az a két fekete drót ugyanoda megy a tápban és a merevlemezeken is, csak a nagyobb terhelhetőség miatt van két vezeték párhuzamosan.
Köszi, bár tudom,hogy hülyeséget kérdeztem, de akkor mégsem? köthetem a -12 voltos kábelt,és a -5 voltos kábelt egy helyre?
Megvettem az 7805-öt és jól is adja 5,02-t ad, de még mindig áll az a kérdés,hogy télleg köthetném-e úgy,hogy 12 volt plusz minusz fele adott a 12+ és a 12- -t bekötném a vinyó kábelbe,és erről a kábelbe bekötném még a 7805-t,és a gndje az ugyanaz lenne egy sata táp kábelbe kéne az 5+ 5- 12+ 12- nem lesz vele semmi galiba? probléma? nem szeretnm hazavágni a kábelt, olvastam,hogy előlehet állítani a -5it egy kisebb áramkörrel,de azt muszáj?
Üdv!
Ha erre gondoltál akkor meg lehet csinálni, bár a 7805 igen csak melegedni fog úgyhogy a hűtést ne sajnáld tőle!
De igen, simán kötheted úgy. fidelcastro rajzához annyit, hogy a 7805 kimenete és a GND közé is tegyél 100nF-os kerámiakondenzátort minél közelebb a 7805-höz.
Igaz! Növeli a stabilitást és a tranziens viselkedés jóságát.
Köszi szépen nektek!
rájöttem azóta,hogy nem kell nekem -5 v,az csak a föld(GND) holnap összerakom,és meglátjuk mi sül ki belőle mégegyszer köszi nektek!
Nincs mit! Remélem működni fog!
Helló,nos a helyzet a következő
5.02, hűtőborda rajta,labortápegységről nézve de a vinyó nem pörög fel,csak kattog, megnéztem gépen,ott jó 5.16 van a gép tápegységnél az 5 voltnál itt 5.02,hogy lehetne felhúzni ezt a keveset? vagy valami egyszerű megoldás? szerintem kevesli a motor a fesztültséget(az 5 volt kell a motornak) esetleg USB nem bírná el?
Üdv!
Lehet hogy tényleg kevés neki az áram, a kimenetre kellene kötni egy nagyobb kondit (mármint a stabilizátor kimenetére) mert az a stabilizátor nem engedi hogy nagy csúcsáramok folyjanak rajta. Ezt a kondival meg lehet kerülni, most csak körülbelüli értéket tudok mondani neked a kondira, szerintem először egy 2200µF-ossal próbálkozz. A feszültségét is meg lehet emelni egy diódával, de ez szerintem nem szükséges először a kondit próbáld ki.
Köszönöm szépen, valószínű mert a labortápegységen a CC(áramerősség korlátozás) bevillant egy pillanatra, bár szerintem ez más okból történt(egy pár ms-ra). Holnap meglátjuk, ha már ezzel nem foglalkozom, este van már
ugyanaz,pedig a kondi jó,jó lett bekötve valami kapcsolási rajz ilyesmi nincs valahol? 12v 5vhoz?
Akkor elmondom,hogy mi lenne az egésznek a lényege adott 1 laptop(a benne lévő vinyó kódolt,és mivel epromba égetve,kicsit nehézkes lenne a törlése,kiolvasása) így egy külső usb-s sata eszközt vettem,és mivel a laptop vinyó tudtommal 5 voltos(nincs ott 12 volt,de lehet tévedek) így kivülről szeretnék berakni(?) egy vinyót,ehhez kell egy usb 12v 5v,mert van 12v gnd gnd 5v ->sata táp kábelem esetleg szedjem szét a laptopot,és mérjem le az 5 voltot a vinyó tápjáról(ami az eredeti bentiről)? és a 12 voltot meg állítsam elő a laptop tápjáról(19 volt) 7812vel? már nemtudom mit kéne,már télleg Idézet: „már nemtudom mit kéne,már télleg” Kezd azzal, hogy érthetően leírod, hogy mit is szeretnél csinálni!
sziasztok!
Nagy hétszegmensű kijelzőket készítettem a csatolt képen látható alapelv szerint. A kapcsoló szerepét egy atmega8 tölti be.Ameddig a programozórol kapja a mikrovezérlő az öt voltot addig gyönyörűen működik. Viszont mivael 220-ról -->adapter-->12V-->ledek. A 12V-ból csinálnék 5V-ot az avr-nek. 7805-össel. bekötöm a 7805 kimenetét, amit leellenőriztem, h. 5V. És nagyon melegszik a stabilizátor, de működik a kijelző. hosszabb ideig nem próbáltam mert szerintem elfüstölne Előre is köszönöm a válaszokat.
Milyen terhelés van még az 5V-on? Lehet, hogy teljesen normális a melegedés. 7805-ben van túlmelegedésvédelem, nem fog az egykönnyen elfüstölni.
Nem gerjed ? 100nF van a kimenetet és a bemeneten ?
Mennyi °C lehet az a nagyon meleg ?
Juteszembe, az a 400ohmos ellenállás az AVR-es áramkörben hol is van pontosan?
a 400 ohmos a tranzisztorok bázisáról megy az avr GND-jére.
olyan 80C foknál nem hagytam jobban melegedni, hűtőbordát is raktam rá. olyan mintha valahogy átfolyna a stab IC-n is az áram egy része ami a ledeken megy. tettem kondenzátort a 7805 -re köszönöm a válaszokat
Akkor rajzold már le, hogy pontosan hogy is van az a kapcsolás!
Most az a helyzet, h. megtaláltam a rövidzárat ami miatt melegedett.
És most ez a kapcsolás. és az összes tranzisztor kinyit ha megkapja a 12 voltot. És nem tudok rájönni miért :S
Most vettem észre, h. ebben az állapotban is kinyit az összes tranzisztor, valaki meg tudná mondani miért?
köszönöm
Egyrészt:
Idézet: „a 400 Ωos a tranzisztorok bázisáról megy az avr GND-jére.” Ez neked hol is van a rajzon? Másrészt hol láttad azt, hogy bipoláris tranzisztor bázisát direktben kötjük kontroller lábára abban az esetben ha a tranzisztor emittere direktben van testre kötve, és ellenállást teszünk a test vezetékbe? Az ellenállások mindig a BÁZISSAL mennek sorba, hiszen a bázisáramot állítjuk be velük, valamint a ledek elé a kollektorkörbe is MINDIG kell az áram beállítására ellenállás. Harmadrészt, mi lenne ha normálisan lerajzolnád a KOMPLETT kapcsolást és azt raknád fel?
Akkor nyílnak ki a tranzisztorok, ha a 7805 input lábán rajta van a +12V és a GND lába pedig rajta van az avr GND-jén.
A 7805 +5V lába pedig csak lóg a levegőben Miért nyitnak a tranzisztorok a kollektor emitter között? köszönöm
Sziasztok!
Szeretnék autóba egy villogó led-et betenni áramkörrel, viszont ehhez stabil 4,5 V-ra lenne szükségem. Hogyan tudnék az akkumulátor 12V-ból 4,5V-ot csinálni? Esetleg van ehhez valami olyasmi kapcsolás ami kicsi és nem melegszik? Köszi a választ!
Ahogy potyo mondja emitter(ek)be nem teszünk ellenállást, mert emitterkövető lesz belőle, és a tranzisztor nem fog kapcsolni. A bázisokba viszont kell áramkorlátozó ellenállás, ahogy a diódákkal sorba is.
|
Bejelentkezés
Hirdetés |















