Fórum témák
» Több friss téma |
Üdv!
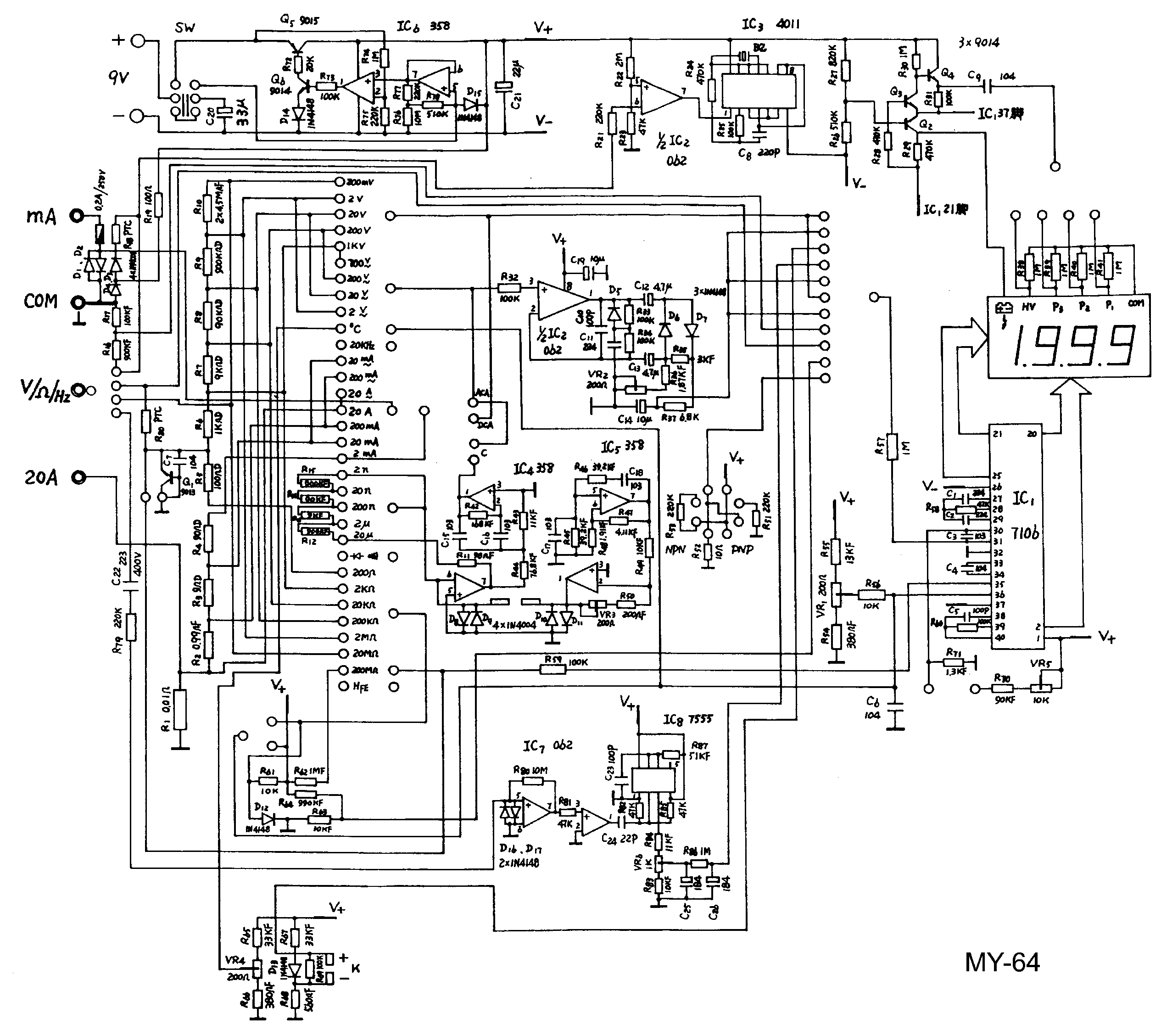
Nagyon ügyes voltam: A mastech My-64 -es multiméteremmel elég sokat kapcsolgatva mértem áramot,és feszültséget felváltva, majd sikeresen átkapcsoltam a tárcsát 700V váltóra, miközben a 200mA-es méréstartományú árammérő bemeneten hagytam a szondát. Természetesen volt nagy szikra,és a szonda végének megolvadása, majd a kijelző többet már nem jelzett semmit. Lehet, hogy a kijelző azért is "sötétedett" el, mert korábban a 200mA-es üvegbiztit kivettem, és egy 200mA-es regeneratív biztit forrasztottam a helyére, kényelmességi okokból... A multimétert szétszedve látható, hogy az IC5 teteje elszállt, ez egy 358 müv.er., de ettől még működnie kéne a dolognak... valami más is kiment... Érdeklődnék a Tisztelt Fórumozó társaktól, hogy hasonló helyzetben volt-e már valaki,és rájött,hogy mely alkatrészeket érdemes kapásból cserélni, ill. kérdezném, hogy érdemes-e mókerálni vele, vagy olcsóbb ,gyorsabb,könnyebb-e egy újat venni? Mellékelem a kapcsolási rajzát: Köszönöm a segítséget előre is!
Van valahol műszeres fórum .Egyébként vegyél újat szerintem.Gondolom a programtárcsa sem úszta meg. Az pedig cserélhetetlen.Összes IC csere azután lehet keresni a többi apróságot.
Egyetértek proba válaszával. Ha siikerülne is vmilyen szinten megjavítani, már nemigen lehetne a adatokban megbízni.
Én általános mérésekhez a legolcsób multim. használom - ha az elszál, nem nagy kár. Bár azt is sikerült helyre hozni, csak egy 1ohmos ellenálás ment el hasonló mérési hibánál. Ha meg komoly, pontos adatra van szükség, ott van a drága műszer.
Nagyon köszönöm a választ mindkettőtöknek!
Ha már szóba került az új vásárlása:
Nézegetem a multimétereket,és éppen nekem is egy maxvellen akadt meg a szemem, aminek van RS232 interfésze, és adnak hozzá egy szoftvert is (azt hiszem az elektroexpresszen láttam.... vagy a hestore-on, nem tudom). A lényegi kérdés az, hogy -mivel én még sosem láttam ilyen szoftvert- ezzel a szoftverrel akár egy galvanikusan leválasztott szkópként is tud működni a műszer-PC együttes? Mert akkor egy pár ezer forintot érdemes lenne rááldozni! Mit tudnak ezek a hozzáadott szoftverek?
Csak a műszer határain belül ,másodpercenként egy két minta.Ez szkópnak nem gondolnám hogy alkalmas.
Az enyém nem tudja.
A tárolt adatokat tudod a számítógépre átvinni. Van külön a műszerekkel foglalkozó topic, a kérdéseidet ott tedd fel.
Szia, ha nem tudtad megjavítani akkor a javaslatom egy új műszer vásárlása a megoldás.Van egy cég ahol nagy ker. áron tudsz vásárolni, ha érdekel majd megadom a weboldalt. Üdv.
Hello sziasztok van egy MAXWELL MX-25 304 oda adtam az egyik havernak es elintezte a homerseklett szondat meg a kapacitas merest ossze vissza ugrandozik mivel , hogy a kondenzatort nem sutotte ki es a tolomerot peddig nem helyezte a kapacitasra hanem a Celsiusra... !!!
Mit tudok csinalni ???a lcd alatt fekete poty szeru IC van azt halottam,hogy ott lehet a gond. Talan egy tehnikai rajzzal ha megkuldtok nagyon orulnek koszi sziasztok. http://www.maxwell-digital.com/products/act/multimeters/19_25304/main.jpg A hozzászólás módosítva: Márc 4, 2013
Sziastztok.
Van egy MY64-es multim, és most vettem észre, hogy a hőmérő szenzora ( szerintem ) nm igazán a valós értéket mutatja. Ugyan is a kinti hőmérséklet Kb. 7 °C (Kb) de a műszer 15 °C mutat kint is, bent is a szenzor nélkül, és a szenzorral is, bár bent 24°C van. A leírásban úgy van írva, hogy ha nincs csatlakoztatva a szenzor, akkor a környezet hőmérsékletét kell(ene) mutatnia. Lehet, hogy tönkre ment a szenzor, (vagy maga a műszer)?
Tudnátok rajtam segíteni?
Nekem is my-64 multiméterem van, de más problémával. Amint bekapcsolom csak egy pillanatra jelenik meg valami a kijelzőjén aztán elsötétül. Korábban tudtam vele mérni mert nem egy pillanat után hanem bizonyos idő elteltével sötétült el. Elemgond jutott nekem eszembe először de ezt már kizártam. Visszagondolva a helytelen mérésekre egyszer tévedésből R mérésben hagytam és U-et mértem vele de nem hiszem hogy ez lenne a hiba oka. Egyik haverom arra gyanakszik hogy mivel auto power of funkciója van megzavarodhatott a kikapcsolása időzítése. Szerintetek mi lehet a hiba oka? Előre is köszönöm.
Szovjet c(ciril c)4315 tipusu univerzális villamos müszerről van szó, 30 éves minimum, fesz mérést akartam de árammérésre volt állitva,egy kis rövidzár lett a következménye- és nem müködik, szétcsavaroztam takaros munka, ahogy kinéz, biztositékot kerestem , de nem látom, valami sorkapocsszrüséget látok az lenne a biztositék nem tudom, egy kis idő utazásra lenne szükség- szeretném ha valaki segitene- az elektromos kerékpár töltését akartam ellenörizni , áramot meg feszt akartam egyidejüleg mérni. Köszönöm, hogy elmondhattam.
Van egy M890G műszerem amin a helyértékek állandóan megjelennek. Gyorsan szét is szedtem,mert azt olvastam,hogy általában a tárcsa alatti csíkok megkopása okozhatja a hibát.
Sajna nem találtam semmi túlzott kopást. Nagyon örülnék ha valaki rávezetne,hogy milyen fórumon keresgéljek,vagy a kijelző melyik részénél keresgéljem a hibát. Nagyon köszönöm a baráti segítségeteket
Szia! Hátha ez hasznodra lesz.
Szia! Itt egy rajz,talán jól jön.
Kedves endrusz köszönöm a gyors reagálást , de nemtudom megnyitni a küldött file-t csak sotét téglalapokat látok a számitástechnikában az elektronikában is kezdő vagyok szeretnék okosodni. Köszönet és üdvözlet.
21 éves MY-64 műszerem már csak akkor kapcsol be ha bekapcsoláskor hátulról a kapcsoló környékét elkezdem tapogatni, mi lehet a baja?
Kedves Fórumtársak! Van egy SMA64 multiméter, ami az MY64 ráncfelvarrot újabb változata. Az a szépséghibája, hogy több kapcsolóállásnál is egyszerre kitesz két vagy három tizedespontot. Amúgy pontosan mér, de ez a jelenség rendkívül zavaró. Szétszedtem, kitisztítottam a yaxley panel íveket, de semmi változás. Találkozott már valaki ilyen jelenséggel és vajon mi lehet az oka? Köszönöm!
Ahhoz hogy egy tizedes pont eltűnjön, az IC 21-es BP lábára kell legyen kötve. (vagy 180 fokos fáziseltolásban, hogy kigyuljon)
A rajz jobb felső sarkában nézz körül. (Q2, Q3, Q4 környékén)
Van egy Somogyi MY-64 multiméterem. Egyszer csak elkezdte össze-vissza írni a számokat mérés közben. Megjelent a kijelzőn, hogy cseréljek elemet. Gondoltam csak ez a gond. De teljesen új elemmel sem mér rendesen. Az biztos, hogy nem sütöttem meg. Nem is használtam olyan sokat. Van valakinek esetleg valami ötlete?
A hozzászólás módosítva: Ápr 16, 2023
A programtácsát tekergesd meg rendesen elemcsatlakozó/ kibekapcsoló gomb.... Ha nem javul/változik esetleg valami pontosabb hibaleírás? De a hiba leírása alapján inkább műszer csere.
Köszönöm a választ! Igen, próbálgattam tekergetni, másik elem csere, bele is néztem de nem tűnik kontaktosnak.
Sziasztok, ismerős-e valakinek az a hiba SMA64 (MY64)-nél, hogy ellenállást jól mér, de minden másban (U,I,C) a valós érték kb dupláját méri?
|
Bejelentkezés
Hirdetés |













