Fórum témák
» Több friss téma |
Fórum » TV hiba, mi a megoldás?
Köszönöm neked is a segítséget István! Üdv: Attila
Talán már nem félek a tvktől annyira? Csak jó lenne egyet magjavítani már...
Helló! Lekaptam a burkolatot. Nem világít a képcső nyaka, teljesen sötét a kép.
De vicszont, olyat csinál a tv, hogy néha bejön a kép teljesen normálisan, aztán szép lassan elhalványul. Ez volt először, aztán másnap ismét bekapcsolom, és (vízszintesen) ugrálva bejött a kép. Aztán kikapcsolom, és aznap már nemtudtam életrekelteni, csak fekete képernyővel találtam magam szembe. Most kiviszem a műhelybe. Bedugom, bekapcs., sötét kép. Aztán lehúzom a képcső végéről a panelt, visszadugom. Bekapcs. Bejön a kép és elhalványul. Mi van ezzel a tv-vel? Pedig már egyszer a tápágban is cseréltem a kondenzátorokat...Szerintetek mibe piszkáljak bele?
Valószinüleg forrasztási hiba okozza a problémát.A képcsőtől kövesd vissza a fűtöfeszültség útját,ezeket forraszd át.
Biztos, hogy nem a szomszádnál van szétesve, mivel nálunk van egy hely, ahonnan jön, és ketté van osztva onnan a 2 TV-hez, és a másik TV működik, csak ez nem, és az az elosztó sincs szétcsúszva.
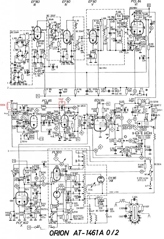
Üdv. A mellékelt képen pirossal berajzoltam a plusz alkatrészek helyét, a trióda anódfesze így 160V, a rajzon előírt 275V helyett. Ha kiveszem az ellenállást, akkor ugyan megvan a fesz, de még rosszabb lesz a kép. A kf rész nem okozhat esetleg ilyen hibát?
Sziasztok!
Van egy Samsung CW68444N- típusú TV-m. Gondol egyet és elhalkul, kis idő múlva újra normalizálódik szép fokozatosan a hang. Mikor még garis volt, a szervizes ipse állított valamit a szerviz menüben és nagyon sokáig jó volt. Sajnos már nem garis, és azt sem tudom mit állított a szerviz menüben, mert már kb három éve volt. Aki tud legyen szíves segítsen! Nagyon bosszantó! Üdv:Tomi
Üdv! Egy ideje már küzdök egy sharp 70cs03 tv-vel. Eddig legalább standby-ig jó volt, de a méregetés közben csináltam véletlenül egy zárlatot a táp FET-én és akkor az el is pukkant a biztivel együtt. Kicseréltem a FET-et meg a biztit is, de a bizti megint elszállt. A FET gate-je előtt találtam egy zárlatos 15v-os zenert is. A puffer kondin zárlatot mértem. Az egyenirányító diódák rendben vannak. A PTC-n 35 ohm-ot mértem. Hol lehet zárlatos?
A FET nem zárlatos? Szépen ki kell emelni minden szóba jöhető alkatrészt az áram útjából. Amelyik kivétele után elmúlik a zárlat, at volt a rossz.
Sziasztok,
Valaki segítsen: Panasonic TX29PS12 tv-n a kép tetején jobbról balra lejtő vékony fehér, alatta pedig halványabb piros, kék, zöld csík húzódik. Mindig ott vannak, értelemszerűen fekete háttérnél jobban látszanak. A fehér néha vibrál is. AV-n is, teletextnél is ugyanaz. A kép függőleges mérete nem változott, egyébként minden megy. Melegedésre sem változik a helyzet. Előre is köszönöm. Lazy
Sziasztok!
Van egy 10éves hagyományos katódcsöves TV-m és olyan baja van hogy a képernyő közepe tájékán nincs piros szín egy foltban, de nem élesen hanem fokozatmentesen halványul ki a piros. Mi lehet a probléma?
Szia!
Rossz a képcső lemágnesezése. Húzd ki a hálózatból a dugvilláját, várj egy fél órát, majd indítsd be a készüléket. Ha mindig meg van a folt, akkor ki kellene cserélni a lemágnesezésért felelős PTC ellenállást a tápegységben.
Elvileg csak 2db PTC van ugye?
Márhogy könnyen megtalálom? Gondolom a hagyományos tokozású.
Egy tévében egy PTC van. Ez lehet két lábú vagy akár három lábú is.
Sziasztok!
Van egy hagyományos Samsung CW6844N típusú tv-m, mostanában azt csinálja, hogy elhalkul és kis idő múlva lassan normalizálódik a hang. Már garis korában is csinálta, kihívtam a szervizt a szervízmenüben turkált valamit és jó lett. EDDIG! Tud valaki segíteni mit "csavargathatott" a szerelő? Annyit mondott, hogy valamit oda-vissza kell állítani, vajon mit? A szervízmenü belépést is írjátok le.
Sziasztok!
Van egy Samsung CW68444N- típusú TV-m. Gondol egyet és elhalkul, kis idő múlva újra normalizálódik szép fokozatosan a hang. Mikor még garis volt, a szervizes ipse állított valamit a szerviz menüben és nagyon sokáig jó volt. Sajnos már nem garis, és azt sem tudom mit állított a szerviz menüben, mert már kb három éve volt. Aki tud legyen szíves segítsen! Nagyon bosszantó! Üdv:Tomi
Sziasztok!
Van egy Samsung CW68444N- típusú TV-m. Gondol egyet és elhalkul, kis idő múlva újra normalizálódik szép fokozatosan a hang. Mikor még garis volt, a szervizes ipse állított valamit a szerviz menüben és nagyon sokáig jó volt. Sajnos már nem garis, és azt sem tudom mit állított a szerviz menüben, mert már kb három éve volt. Aki tud legyen szíves segítsen! Nagyon bosszantó! Üdv:Tomi
Sziasztok
Egy olyan problémám lenne hogy a tv semmilyen csatornát nem tud tisztán befogni, csak nagyon csíkosan/szemcsésen. Mi mehetett tönkre benne? Típus: ITT IDEAL COLOR 3227
Még annyit elfelejtettem írni, hogy ha DVD lejátszót dugog a tv-re a Scart csatlakozón keresztül tökéletes a kép! Nem tudom ez menyire segít
Az antennajel tutira jó?Ha igen,akkor szedd ki a tunert belőle,és nézd meg a bemenetét.Az szokott kitörni.Kettő bordó műanyag tekerő rögzíti a panelhoz.A két fedelét úgy tudod levenni a tunernek,hogy benyomod a közepét,ilyenkor áthuppan,és le lehet emelni.
István
Sikerült kivenni a tunert, ahogy látom egyszer már volt csinálva, ki volt törve belőle az antenna csatlakozó de valaki bár beforrasztotta (igaz nem valami szépen) Nem tudom hogy ez menyire befolyásolja magát a vételt/képet.
Azóta még kicseréltem az összes elektrolit kondit ami a tunerben volt Esetleg más tipp? Az antenna jel tutira jó mert kábel TV és másik tv-ből húztam ki amiben tökéletes volt a kép.
Sziasztok.
Lenne egy olyan problémám, hogy van egy GR...dig Arc...ce 51-es(T51-2101mv) televízióm. Sehogysem tudom beállítani a csatornákat rajta, mert nincs menüje. De a gombokkal hol kell beállítani? Mit kell megnyomni? Kézikönyve nincs, és nem is találtam a neten. Ha valaki tudja, hogy hogyan kell, akkor írja le pls, és ha valaki tud linkeljen be egy kézikönyvet. Előre is köszönöm.
Szia!
A pontok helyén mi van? Ha van a hátulján CUC kezdetű számsor, akkor azt add meg! Köszönöm.
köszönöm a gyors választ. a tv hátulján ez ál:
CUC2103 GCM04 Remélem így jó lesz.
Megoldási lehetőség:
"Készülékem gyerekzárba került,hogyan tudom törölni? Készülék korától függően kétféle lehetőség adódik: 1. Távirányítón a következő gombokat megnyomni: hangerő+, hangerő-, program-, program+ 2. 7038-kód beütése" Forrás: Bővebben: Link Csatornát sem tudsz váltani?
De csatornaváltás az megy. Meg a hangerő is, csak a csatornákat nem bírom behangolni a frekvenciákra.
Akkor a Hotel mode-ból kell kivenni a készüléket.
"Nem tudom hangerőt bizonyos szint felett állitani, illetve nem lehet hangolni a TV-t, program menü nem jelenik meg. A TV HOTEL állásban van. Kivétele: Hálózati kapcsolóval kikapcsolni a TV-t, majd úgy bekapcsolni (hálózati kapcsolóval), hogy a távirányítón az "i" gombot nyomva tartja, ekkor megjelenik a szerviz menü, ahol lesz egy Hotel ON-OFF sor, arra a sorra kell lépni(távirányító P+,P- gombokkal) és a távirányító hangerő minusz gombjával OFF állásba kapcsolni, majd az "i" gombbal kilépni ebből a menüből."
Minden sávon csinálja ezt(VHF1,VHF3,UHF) ,vagy csak bizonyos sávokon? Szedd le a rajzot hozzá,INNEN(GetManual),ennek a végén ott a tuner rajza is. A kondicsere jó ötlet volt,azok más jellegű hibákat okoznak ennél a gépnél.
István
Sziasztok,
Van egy Panasonic Qiuntrix 100Hz TV-m. Másodlagos képernyőkként szeretném használni. De nem hajlandó egyik AV bemenet sem megjeleníteni a szgép képét. A szgép ad video jelet. Szoftveres beállítása jó, kábel jó. A TV csak hangot jelenít meg. AV1 AV2 AV3 bemenetek egyike sem jelenít meg video jelet ![]() A TV menüjében van valami Q-Link menü, amibe be lépve megjelennek a képernyőn az AV csatlakozók, de semmire nem reagál. Lenne valami ötlet, hogy mi lehet az oka, hogy AV-n beadva a video jelet nem jeleníti meg a TV? Köszi, Tamás |
Bejelentkezés
Hirdetés |




Csak jó lenne egyet magjavítani már...
Pedig már egyszer a tápágban is cseréltem a kondenzátorokat...




