Fórum témák
» Több friss téma |
Sziasztok! Szükségem lenne egy kapcsolásra, mely 18-20 voltból, galvanikusan elválasztott 8-10 voltot ad, kb. 5-10mA-es terhelhetőséggel. Előre is köszönöm!
Üdv!
Kész kapcsolással nem tudok szolgálni, de ajánlok két IC-t, amivel megvalósítható a dolog. A doksik példakapcsolásokat is tartalmaznak, amikből ki lehet indulni. (A tokozásuk lehet hogy nem fog klappolni neked, mivel powerpad-es SMD mindkettő, amihez hőlégfúvó és forrasztópaszta kell.)
Kössz a választ! Ha jól látom, a javasolt IC-k a trafók preciz meghajtását végzik. Mivel csak néhány mA áramra van szükségem, valószínű, hogy egyszerűbb vezérlés is elegendő lesz. (esetleg 555-ös astabil, 20-40 kHz-en?) A trafó adataira nincs valami gyakorlati ötleted? Az sokat segítene.
Egykori számítógép hálózati kártyákon voltak DC/DC konverterek. 12/9V, leválasztó, műgyantába beöntve. Típustól függően 1-1,5 cm széles 2-3 cm hosszú, 0,5-1 cm magas. Kimenet ~200 mA. Csak egy stabkockát kell elétenni és kész. Pl. YCL DC-109.YCL adatlap
Ezeket a kártyákat már kiszórták, mert a DC/DC konverter a BNC kábelhez kellett, de itt-ott fiókok mélyén, MÉH telepen, elektronikai hulladékgyűjtőben biztos lehet találni. Adnék szívesen, mert többet megőriztem, ha elérhetlek valahogy.
Ebben szerepel a bekötés is a 11. lapon. Ez éppen a kisebbik változat, 80Z1209.
Köszi tényleg jó lenne csak 7 dollár az IC. Ráadásul valami lehetetlen SMD. Próbálkozok azzal a kapcsolással amit felraktam...
Szia!
Azért nem annyira drága: Bővebben: Link
Hogy én ezt miért nem találtam meg egy magyar oldalon se.
KösziSzerk: Á 3x3mm az IC. Ezt kizárt, hogy normálisan beforrasszam a helyére.
A Farnellnél mindenféle egzotikus IC megtalálható. Ez egy viszonylag barátságos SMD-tokozás: Bővebben: Link
Szia! Az ötlet jó. Próbálok keresni ilyen hálókártyát. Természetesen, amit itthon találtam D-Link DE-528 kártyát, azon más alkatrészek vannak, rajzot meg nem találok róla. Üdv!
Hááát... pedig ez egy elég egyszerű kapcsolás. Egyedül az IC tokozása jelenthet gondot. A trafó méretezésére van a doksiban segédlet, sőt konkrét típusokat adnak meg különböző esetekre. Sajnos gyakorlati tapasztalatom nincs ezzel kapcsolatban, mivel ilyen tápokat még nem használtam.
A 0,65mm lábosztású IC forrasztása gyerekjáték. (A 0,4mm-es az már megizzaszthat.) Viszont most látom, hogy ez is powerpad-es (mint a tápok többsége), így a hőlégfúvó ide is kell.
Szia! A kapcsolás valóban egyszerű, de az IC-t beszerezni már macerásabb, az igények pedig nem követelik meg a pontosságot. Megpróbálok egy egytranzisztoros, trafós megoldást.
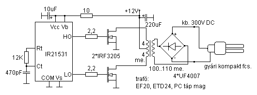
DC-DC konvertert szeretnék készíteni 12V-ról 315V-ot kellene produkálnia.
Manapság a háztartásban előforduló elektomos eszközök /kivéve motoros/ zöme kapcsolóüzemű táppal működik. Ebből kifolyólag nem szűkséges a napelemből akkumlátorba pumpált energiát visszaalakítani szinuszos, vagy módosított szinuszos 220V-os váltófeszűtséggé , mert a kapcstáp bemenetén rögtön egyenirányítóra kerül. Ezért a SZG,TV, Kompact fénycső stb. kihagyható a fölösleges szinusos oda-vissza alakítgatás. Kipróbáltam egy hálózati egyenirányítót ezen eszközök elé kötve simán működnek. A gyakorlatban csak a begyűjtött zödenergia /napelem/ és a DC-DC konverter teljesítménye szab határt. Az alábbi DC átalakítókkal próbálkoztam, de sajna nem jött össze, ezért ehhez kérek Tőletek segítséget. Ezzel próbálkoztam, de csak a 12V/315V-os átalakító része érdekel, mert nekem űresjáratban is 8A-t fogyasztott. Próbálkozam egy itt látható 50Hz-es változattal is. Ennél is az volt a gondom, hogy kb. 8A körül volt az áramfevétel üresjáratban. Jó lenne pl. ez a Kompakt fénycsöves felturbózva kb.500W-ra és akkor egy ilyen DC-DC-ről mehetne egyidejüleg SZG. TV, világítás stb. Segítségeteket köszönettel várom: kepitu
Az előbbi hozzászólásomnál lemaradt ez akét kép.
Sziasztok! Van egy olyan problémám, hogy van itthon egy PL504-es cső, annak a fűtése 27V 300mA ez ha jól számolom 8,1W, de nincs itthon olyan trafóm ami leadná ezt a feszt. Sajnos a gyári trafója nincs meg. Ami trafó van itthon az csak 9V AC ad le ami 12,7V DC egyenirányítva, ebből szeretnék valahogy 27Vot csinálni, lehetőleg nem ICs megoldással mert DC-DC konverter IC nincs itthon. Válaszokat előre is köszönöm.
Egy ilyen kapcsolással megduplázhatod a feszültséget. Igaz így sem lesz 27V-od, de fel tudod legalább fűteni. Egyébként ez egy soros fűtésű cső. A régi TV-kben sorba voltak kötve a csövel fűtései, így mindegyikükön átment a 300mA. Úgyhogy ne is keress a készülékben 27V-os trafót.
Erre már gondoltam, de ilyenkor alul fűtött lesz a cső. Tesla tekercset szeretnék róla hajtani, és nem szeretném ha tönkremenne mert csak ez az egy van belőle.Az a trafó ami a fűtést adta az hány voltos lehetett?
Nem nagyon volt a csöves készülékekben hálózati trafó. fűtések sorba voltak kötve, és egy megfelelően méretezett ellenélléson keresztül közvetlenül a hálózati feszültségre voltak kötve.Ezt a módszert nem ajánlom, egyrészt mert életveszélyes, másrészt mert 60W-ot kellene a soros ellenálláson elfűtened. Inkább keríts egy másik trafót, vagy próbálj a meglévőre még néhány menetet tekerni.
Ezzel esetleg nem lehetne megoldani? Tranyónak persze valami izmosabbat tennék be.
Megoldható, viszont Neked egy erősebb tranyó kell, hiszen a hideg cső fűtőszálának ellenállása kicsi, így bekapcsoláskor az üzemi áramánál lényegesen többet vesz fel.
Tranyónak MJE13007et gondoltam.
Sziasztok!
Van egy régi elektromos kerékpárom, amelyben 3 db 12V-os akkumulátor van sorba kapcsolva.Szeretnék rá csinálni néhány dolgot (lámpa, index stb.), de 40 V-ra kb egy áramkör sincsen. Tehát szükségem lenne egy 30-41 V (az akkumulátorok merülnek!)/12 V-os konverterre. Teljesítményben nem kell több kb. 50 W-nál! Köszönöm!
Mi lenne, ha csak az egyik aksit használnád fel ezekre a célokra? Akkor máris megvan a 12V. Ennél egyszerűbbet nem találsz. 1 vezeték kell.
Aránytalanul nagy terhelést kapna az akku. Megoldás a kapcsolóüzemű feszültségcsökkentés.
Ja most látom ehez picit hozzá kell nyúlni.
Helo!
Hogy érted azt, hogy hozzá kell nyúlni? Ezek a DC/DC konverterek mennyire viselik el a feszültségingadozást (az akku feszültsége ugye a terhelés és a merülés hatására ingadozik)? Köszi, Boti Idézet: „Mi lenne, ha csak az egyik aksit használnád fel ezekre a célokra? Akkor máris megvan a 12V.” Sajnos így csinálják gyárilag. Az az akku hal meg először. Aztán dilemma, mert ha csak azt cseréled, nem lesz párban a többivel...ha meg mindet, akkor kidobsz 2 még használható akkut... Üdv Inhouse
Küldök jobbat :
Bővebben: Link Ezt meg is építettem. LM2576-ban van HVT változat amelyik azt hiszem akár 57 voltig is felmehet. Ezt kicseréled ADJ-s változattal és a 4-es lábra két ellenállással leosztott feszültséget kötöd nem direktbe a kimenetet. Ha egy kicsit átnézed az adatlapját az LM2576HVT-ADJ-nek + a linket amit küldtem szerintem menni fog. Ha ez nem szimpatikus esetleg nézd még meg a L4970A-t. |
Bejelentkezés
Hirdetés |




Köszi









