Fórum témák
» Több friss téma |
köszönöm szépen a a segítséget!!nagyon rendes vagy!!
Ha valami van csak irj (ha eszreveszem es lesz idom)
Heló!
Megépítettem egy bontott uaa180-al egy kivezérlésjelzőt,de nem megy.Nem tudjátok mi lehet a baja?12v-ot adtam neki, meg egy kis 6voltos erősítő hangszóró kimenetéhez kötöttem.Ha ez IC 2 lábát összekötöm világít pár led
Hello!
Te nem az "IC 2 lábát" kötötted össze, hanem a bemenetére adtad a 12V tápfeszültséget. Tehát jól kivezérelted.. Amire ki is gyulladtak a Led-ek. Elég "bátor voltál", mert a táp 12V, a 3-16-17-es láb abszolút maximum feszültsége, pedig 6V az adatlap szerint. (Bár valami hiba is van, mert az egyik 4-es csoportból, csak egy világított. Gondolom fordítva van a második Led..) Szóval lehet a bemeneti feszültség kevés a hangszóró felől (vagy a bementi osztás túl nagy), vagy a Referencia feszültség nagy a 3. lábon. De egy kapcsolási rajz, segített volna, mert nem igazán lehet látni mi hova van kötve a bemeneten (mi van a kondi előtt) és milyen értékűek az alkatrészek.. A 3-as és 16-os láb feszültségét is meg kellene mérned. De lehet egy előerősítő fokozat, egyenirányító és a 2-es lábról a 18-asra egy 100kohm-os ellenállás is szükséges lett volna mint pld. itt. üdv! proli007
Heló!
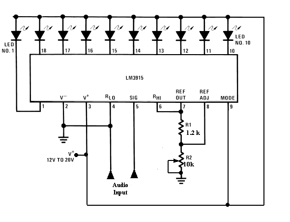
Itt a kapcsolási rajz, innen szedtem az oldalról,és azt írták hogy működik.. 1,2Mohm helyett rektem 1,2K-t, két diódát kivettem ahogy írták. 100k helyett pedig 47K-t raktam mert csak az volt. A 3-as lábon 7,7v , a 16-os lábon 0,3v, a bemeneten pedig 0,03v esik.
Hello!
Próbáld meg, hogy az áramkör bemenetét egy 22kohm-os ellenállással felkötöd a 12V tápra. (Ahová a hangszóró és a +12V van írva, azok közé.) Ekkor ha a bemeneti 47kohm-os potit lassan tekered, szép sorba ki kell gyulladni a Led-eknek. Az utolsónak, meg a 7,7V körül kell jelezni, ha a feszültséget a negatív táp és a 17-es (bemeneti) láb között méred. (De ebben a felállásban, kb. 10W/8ohm-os erősítő kell, ennek a kivezérléséhez.) üdv! proli007
Köszi!
Kipróbáltam, tényleg kigyulladtak így a ledek, mondjuk az utolsó nem, pedig az se rossz.Mikor az összes égett tényleg 7,7v volt a 17-es lábon. Van egy 60w-os erősítőm azon működik?
Sziasztok!!! Van egy nagyonregi ledmeghajto nyak es minden alkatresz rajta van 3 db beta m339 es ic es sehol nem talalok hozza kapcsolasi rajzot hogy "leheljek belejuk".... Valaszokat kosz elore is.
Sziasztok led Vu metert szeretnék építeni Lm 324 el egy kapcsolási rajz nagyon jó lenne!
Sziasztok!
A keverőpultomhoz szeretnék egy meter bridge-t építeni, a 16 vu méter egymás mellett lennének egy panelban. A keverő direct out-jaira kötném őket, majd a jel továbbhaladna. A kérdésem, hogy a jelfojamba kötött Vu méter csökkenti vagy változtatja-e a jelet? Köszönöm!
Hello!
NEM! De a kérdés csak elméleti jellegű, hiszen a VU méternek nem szabad befolyásolnia a jelet, csak kijelezni azt. De a jelet nem vezeted át a VU méteren, csak megtáplálja a VU métert bemenetét az Out kimenet. A jelet a VU méter (vagy bármely más fokozat ) csak akkor befolyásolja, ha terheli a kimenetet. Ezért helyes ha a kimenet kis-impedanciás, míg a VU méter bemenete nagy-impedanciás. Ekkor a legkisebb az egymásra hatás. Az Out kimenetek alapból is kis-impedanciásak, tehát a VU méternek kell nagy-impedanciásnak lenni. Tehát aktív VU méter szükséges. Ezek biztosítják a nagy bemenő ellenállást, vagy elválasztó erősítő a kettő közé. üdv! proli007
Sziasztok!
Erősítőt építek és szeretnék VU métert is beépíteni. Van ötletetek, hol tudok VU métert vásárolni. Köszi a segítségetek. Üdv: :
Szia!
Köszi szépen. Elfelejtettem beírni, hogy analóg műszer kellene (deprez) Nagyon megköszönném, ha tudnál ajánlani valamit. Üdv:
Hello mindenkinek!
Megépítettem ezt a kapcsolási rajzot működni működik ..egy szépség hibája van hogy amikor nincs zene akkor az egész led sor világít.. Hogy udnám ezt kiküszöbőlni halottam valami kondenzátoros megoldást... ötlet?
Üdv mindenkinek!
Van egy kis problémám: Terveztem és kiviteleztem egy VUmetert PIC16F871el. A cucc tökéletesen működik viszont annyira gyors, hogy a szinuszjelek is látszódnak rajta. Vagyis egy mélydobnál amikor a "bumm" leér 30Hz környékére a pic a negatív félperiódusoknál nullát mér és elkezd villogni. Remélem érthető amit írtam. Erre szeretnék valami megoldást találni a segítségetekkel. Fontosnak tartom, hogy a frekvenciamenet ne változzon, tehát kell a magas is. Várom az ötleteket!
Esetleg kondenzátor a bemenettel párhuzamosan?
Kapcsolás publikus? Feltennéd?
Szia!
Én is építettem VU metert, de varázsszemmel. Ott is az volt a gond, hogy nagyon gyors (kis értékű nF-os) kondit raktam bele, és szinte csak világított. A VU műszernél szerintem ugyanez a helyzet lenne, csak mutatna egy értéket, amely a hangerő általános értékét (középértékét) mutatja. Szerény véleményem szerint akkor látványos egy VU meter, ha a bemenetén van egy felülvágó szűrő, és csak a mély frekvenciákat jelzi, tehát a zene ütemére mozog a mutató, vagy varázsszem esetében a fénycsík. A negatív jeleket pedig nem szabad ráengedni, mert akkor visszafelé mozog a mutató, és még a végén eltörik, vagy beakad, esetleg leég a tekercs az erőltetéstől.
Köszi, hogy írtatok.
A kapcsolást nem tudom feltenni mert gépem csak otthon van net meg csak a suliban. (iPhone) De nincs is benne semmi érdekes mert csak a mikrovezérlő van meg a LEDek. Azért ragaszkodom az egyenletes frekvenciamenethez mert ez a VU meter egy általam tervezett és kivitelezés alatt levő digitális keverőpult része aminek van egy olyan funkciója, hogy ha a vumeter ledsorán előre (az indításkor) beállított szint fölé megy a hangerő akkor egy megszakítást küldve a potmeter(DS1801) vezérlő PICnek lehalkítja a mastert annyira, hogy a hangerő ne haladja meg az említett szintet. De ha ez megoldásra vezet akkor a felső (7-20kHzes) tartományról lemondok. Üdv Gabi!
Ha egyenirányítanám a jelet akkor csak a 0,6V(Si dióda) fölött mérne nem?
A VU müszernek megvan a maga pontos specifikácioja, hogy hogyan reagáljon a jelre (ez nem fényorgona, hanem müszer).
(pl. itt VU müszer. A régebbi mechanikus müszerekbe a jellemzök mechanikusan lettek kialakitva - mágneses teret ill. a rugot képezték igy ki, igy azok a müszerek még évtizedek után is nagyon jol mutatnak). Az elektronikus verzioban ezt a ballisztikát extrán kell kialakitani, és rendszresen ujrakalibrálni. (Lásd a linket).
Üdv! Nézd meg ezt: Bővebben: Link
|
Bejelentkezés
Hirdetés |














