Fórum témák

» Több friss téma
Fórum » A-osztályú erősítők
 
Témaindító: Dióda, idő: Feb 14, 2006
Lapozás: OK   82 / 137
(#) zoZolika válasza masterknave hozzászólására (») Jan 13, 2011 /
 
Szia !

Ne haragudj, hogy csak most írok, de ma néztem rá a topikra. Ez a kapcsolás a régi lengyel Unitra M531S kazettás magnó végerősítője.
Elég tűrhető hangminőséget produkált.

Szia és szép hetet
(#) Mayan válasza zoZolika hozzászólására (») Jan 14, 2011 /
 
Egy 2009. júniusi hozzászólásra válaszoltál...
(#) Srajmund válasza Srajmund hozzászólására (») Jan 14, 2011 /
 
Kicsit beleástam ma magamat a ZEN-V5, és a V9 verziókba. Ezek közül az egyik lesz a következő megépítendő áldozat....
Ahogy kutakodtam a neten, találtam egy olasz céget, aki hobbisták által építendő erősítőkhöz készít DOBOZOKAT. Alapvetően 1U, 2U, 3U, 4U, és 5U rack méretek vannak nekik.
Ami szimpatikus hogy az általuk kínált dobozok a HŰTŐBORDÁVAL EGYÜTT értendők (Dissipante sorozat). Nem semmi szerintem. Ennél gyáribban nehéz otthoni eszközökkel kivitelezni. Az árakhoz ne felejtsétek el a postázást is megnézni.
Íme a link:ampl_box
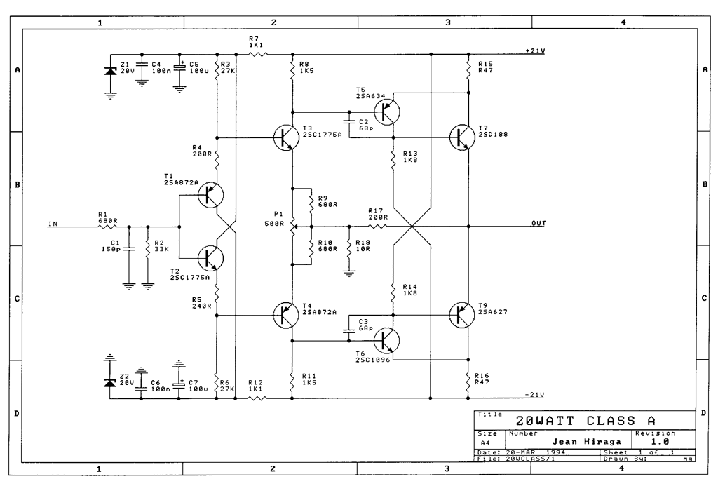
(#) hugi00 hozzászólása Jan 14, 2011 /
 
Jatszadozom egyenlore csak a gondolattal.

Mi lenne ha a meghajto tranyokat cserelnem a vegtranyok parjara.

Az en esetemben: a vegtranyok
A1186 es C2837
A meghajtok
A985 es C2275
Namost ezek helyere is 1186 2837 es paros kerulne.

Miert ?
- azert hogy a karakterisztika kiegyenlitetteb legyen.

Velemenyek ?

hiraga.gif
    
(#) (Felhasználó 46585) válasza hugi00 hozzászólására (») Jan 14, 2011 /
 
Miután a meghajtók feszültségerősítők, a végtranyók meg áramot erősítenek, nem sok értelmét látom. Más lesz, de hogy jobb, azt nem hiszem.
(#) kiszebra hozzászólása Feb 19, 2011 /
 
Sziasztok!
A Hiraga-hoz ajánlott MJL21193 - MJL21194 tranyópár létezik fém (to3) tokozásban?
(#) CIROKL válasza kiszebra hozzászólására (») Feb 19, 2011 / 1
 
Igen csak az nem MJL csak simán MJ
Bővebben: Link
(#) kiszebra válasza CIROKL hozzászólására (») Feb 19, 2011 /
 
Ennek örülök, köszi a választ!
Hangminőség szempontjából ugyanazt tudnák? Csak a tok más?
(#) CIROKL válasza kiszebra hozzászólására (») Feb 19, 2011 / 2
 
Nagy valószínűséggel , maga a a tranzisztor ugyan az csak más tokban hisz minden megegyezik !
(#) kiszebra hozzászólása Feb 22, 2011 /
 
Ez a trafó elég lenne két 8W-os Hiraga végfokhoz? Nem akarok négy szekundert, mert csak két kondim van.
Diódának milyet válasszak az egyenirányításhoz?
(#) ethosz2 válasza kiszebra hozzászólására (») Feb 22, 2011 /
 
2x9-10V AC jobb lenne. Ha csak ez van, akkor shottky diódát használj egyenirányításra.
(#) kiszebra válasza ethosz2 hozzászólására (») Feb 22, 2011 /
 
Köszi a választ!

Szeretnék trafó venni, azért kérdezem.
A Hiraga cikkjében olvastam, hogy max 1V-tal jó eltérni a 12V-től. Miért lenne jobb, ha 9, 10 Voltos trafót vennék?
Hány wattosra van szükségem?
(#) ethosz2 válasza kiszebra hozzászólására (») Feb 22, 2011 /
 
Azért,mert egyenirányítás után abból lenne 12V. 8Vx1,4-2V=11V. (egyenirányítóra minimum 2V esést számolj).Ezért inkább 9V-os AC feszültségű trafó kell. (Inkább nagyobb legyen a tápfesz, mint kisebb.)
(#) kiszebra válasza ethosz2 hozzászólására (») Feb 22, 2011 /
 
Honnan tudok olyan trafót venni?
HQ-ba nincs.

Milyen egyenirányító diódákat használjak? Az ok, hogy shottky, de pontosabb típust tudna valaki mondani?
(#) hapro válasza kiszebra hozzászólására (») Feb 23, 2011 /
 
Például MBR 10100.
(#) oibacsi válasza kiszebra hozzászólására (») Feb 23, 2011 /
 
Én nagyon szeretem pl. az SB560-at, elég olcsó is.
(#) Srajmund válasza kiszebra hozzászólására (») Feb 23, 2011 /
 
Helló,
Én P600J diódákat vettem bele, nem melegszenek, és olcsók is voltak. (min.5A-es diódában gondolkozz)
A trafóból én nagyobba(ka)t használtam oldalanként 160VA-esek vannak, célszerű ha nem egy trafó 2db szekunder tekercsben, hanem 2db trafó és egy-egy szekunder tekercselésűben gondolkozol. 9-10VAC szekunder feszültségűnél nagyobbat ne használj, mert a magasabb feszültséggel én is megszívtam.
Kondikat pedig minimum Hapro kolléga által publikált cikkben szereplő mennyiségben tegyél bele, Hiraga esetében a kondikból sose elég.
(#) kiszebra válasza Srajmund hozzászólására (») Feb 23, 2011 /
 
Köszi a dióda tippeket, próbálok választani.

Helló!

Két darab elég nagy méretű (0,1F) kondim már van, és ezért nem tudok négy szekunderes tápot készíteni hozzá.

hapro oldalán találtam egy táp kapcsolást: katt . Jó lenne-e az, hogyha vennék egy 2*12V AC trafót, és ezzel lestabilizálnám? Majd pedig erre a két végfok.
Miután leírtam, eszembe jutott, hogy a két LM338 nem biztos hogy elbírja, de azért megkérdem.
(#) oibacsi válasza kiszebra hozzászólására (») Feb 23, 2011 /
 
5 ampert bírnak, nem lesz gond, bár én jobb szeretem magam építeni az aktív tápot külön darlingtonnal.
Ebben az esetben felesleges az akkora kondi.
(#) kiszebra válasza oibacsi hozzászólására (») Feb 23, 2011 /
 
Miért lesznek feleslegesek?
Egyébként nem egyszerűbb lenne megoldanom két 7812-tessel?
(#) Srajmund válasza kiszebra hozzászólására (») Feb 23, 2011 /
 
Ebben a topikban korábban már taglalták a táp kérdést.
Azt javaslom továbbra is, ha Hiragát szeretnél építeni, azt vagy az eredeti ajánlás alapján, vagy Hapro cikkében szereplő módon tedd.
Nem véletlenül szerepel az eredetiben is meg Hapro-nál is a csatornánkénti külön trafó, és a kondipakk. Az eredei cikkben egyébként még egy-egy akkut is betesznek a tápágakba hogy a kimenő fesz. abszolút simított legyen.
A 7812-vel megvalsított táp megoldást egyáltalán nem javaslom.
Inkább várjál a megépítéssel, és gyűjts megfelelő alkatrészeket hozzá. Maga az erősítő kapcsolás akkor fogja a megfelelő értékeket hozni, ha a táp is megfelelő.
Simított, brumm mentes stabil táp, nincs a csatornák közötti "áthallás", stb.
Ha 2db 0,1F-os kondid van akkor egyenlőre csak az egyik csatornát építsd meg. Aztán meglátod.
“The Monster” Revisited
(#) kiszebra válasza Srajmund hozzászólására (») Feb 23, 2011 /
 
Köszi a tippet, az lesz, hogy megépítem először az egyik oldalt, így ha nem tetszik, félbe is hagyatom akár a dolgot.
Viszont még mindig ott tartunk, hogy hogy is legyen a táp.
(#) ethosz2 válasza kiszebra hozzászólására (») Feb 23, 2011 /
 
Figyelj, ha egyszerűen akarod, akkor vedd meg a 8V-os trafót, meg 8db shottky diódát, 4db min 22.000µF/16V-os kondit. Ilyen kondi van a lomexban 100Ft-os áron is. Mondjuk szerintem olyan is, de 400Ft a 4 kondi...
(#) kiszebra válasza ethosz2 hozzászólására (») Feb 23, 2011 /
 
Ez se rossz ötlet, de megnéztem a táp rajzát.

link
Itt egy 2*14 V-os trafó van, és a végére lesz neki 2*13,2 Voltja. De mitől?
(#) ethosz2 válasza kiszebra hozzászólására (») Feb 23, 2011 /
 
A Két ellenállástól, meg a stabilizálásra használt két akkumlátortól....
(#) oibacsi válasza kiszebra hozzászólására (») Feb 24, 2011 / 1
 
Mert úgyis lestabilizálja, felesleges elé akkora böhöm nagy kondi. Egy kis olvasnivaló:
Bővebben: Link
(#) hugi00 válasza kiszebra hozzászólására (») Feb 24, 2011 /
 
Az akkumulatorok nem orulnek am a 13,2V-nak.

Minden fajta akksi mas toltest, cseptoltest igenyel.
3°C elteresnel már mas feszultsegen, kell "cseptolteni" ugyan azt az akkumulatort.

Pl: Marathon
(#) dj.csont hozzászólása Feb 24, 2011 /
 
Üdvözlök Mindenkit! Van egy Technics SU-V4A erősítőm ami a osztályú azt szeretném megkérdezni hogy Technics ugyan úgy gyártott olyan erősítőt is a mi Class AA mi különbség a sima A-s és e között válaszokat előre is köszi!
(#) hapro válasza dj.csont hozzászólására (») Feb 25, 2011 /
 
Szerintem egyiknek sincs semmi köze az A-osztályhoz.
(#) kiszebra hozzászólása Feb 25, 2011 /
 
Lesz attól valamiféle minőségromlás, hogy a végtranyókat kábelezem?
Következő: »»   82 / 137
Bejelentkezés

Belépés

Hirdetés
XDT.hu
Az oldalon sütiket használunk a helyes működéshez. Bővebb információt az adatvédelmi szabályzatban olvashatsz. Megértettem