Fórum témák

» Több friss téma
Fórum » TV hiba, mi a megoldás?
Lapozás: OK   453 / 1282
(#) kentaur4 válasza kentaur4 hozzászólására (») Márc 6, 2011 /
 
Szia feltettem a videó résznek a kapcsolási rajzát, jelöld be , hogy a képcső melyik lábát kell testhez egy pillanatra rövidre zárni, hogy bejöjjön a fény. Régen már csináltam ilyet de nem emlékszem rá.A képcső 6-7 lábát szakadásmérővel nézve nem mutat semmit,egy ellenállást mérve rajta sem mutat semmit, lehet, hogy szakadt a képcső fűtő szállja? Lehet,hogy a Tv üzemel csak rossz lenne a képcső?

img017.jpg
    
(#) mike70 válasza Swedhart hozzászólására (») Márc 6, 2011 /
 
Kíváncsiságból lekaptam a hátulját, megmozgattam minden csatit, még üzem közben is piszkálgattam, de semmi változás, sajna.
(#) bladzser2 válasza BarnaPili hozzászólására (») Márc 6, 2011 /
 
Kicseréltem a sortranzisztort egy másikra, dea hiba továbbra is fent áll. A tunert kopogtattam. Így sem jó.

A relének nem lehet köze a jelenséghez? Van egy relé bekapcsolom a TV-t az behúz, majd bejön a hang, aztán relé kattan, és úgy jön be a kép.

A ki-bekapcsolós jelenet gondolom az én belepiszkálásom miatt volt, mert megszerettem volna oldani, hogy ne ugráljon a kép bekapcsoláskor.
A sortrafón a fókusz alatti potit kicsit feljebb tekertem, erősödött a kép, majd kikapcsolt a tv standby-ba. Azóta csinálja ezt a ki be kapcsolgatós dolgot.
A képcső nyaka nem világít ha magától standby ba rakja magát a tv, de valami idegesítő éles hang azért hallatszik a panelról, gondolom én valamelyik induktivitásból.

Most mi tévő legyek, igazából ilyen hibajelenséggel még nem találkoztam :/ Szkópom van mérni tudok, csak a TV chassicján meg kellene mutatni mit hol mérjek.
(#) csampi02 hozzászólása Márc 6, 2011 /
 
Helló Mesterek!
Monitorba is lehet segítséget kérni?
(#) kadarist válasza bladzser2 hozzászólására (») Márc 6, 2011 /
 
A sortápfeszültséget mérd meg (140V). Ha nagyobb, akkor ez okozhat ilyen problémát. Ezen kívül még képcsőgyengeség miatti csökkent sugáráram is okozhat ilyen gondokat. Tekerd feljebb a G2 (Screen) potmétert a sortrafón (alsó). Ha ez nem jön be, akkor a képcsőfűtés soros áramkorlátozó ellenállását zárd rövidre.
Rajz: kattints a Get Manualra
(#) kadarist válasza csampi02 hozzászólására (») Márc 6, 2011 /
 
Itt nem. Arra vannak más topikok: Bővebben: Link
(#) bladzser2 válasza kadarist hozzászólására (») Márc 6, 2011 /
 
VG2 nagyon le volt tekerve, feljebb tekertem. A kép bejött, a TV már nem kapcsol ki standbyba. A sortáp fesz. 135V.

Az ugrálás jelenség továbbra is megmaradt. Ezt mi okozhatja?
Úgyvettem észre, ha hagyom kihülni a bordát amin a sortranzisztor van, akkor bekapcsolás pillanatában imbojog a kép. Akkor áll csak meg, amikor a BU langyos/meleg lesz. Aztán, ha langyos a borda illetve a tranzisztor, utána kapcsolgathatom ki be a tv-t mint egy őrült, mert ilyenkor az istenért nem akar imbojogni a kép. Meg kell várni még teljesen kihűl a borda.

Nem láttam még ilyen hibát, ezért kérdezlek te biztos láttál már ilyet
Köszönöm
(#) kadarist válasza bladzser2 hozzászólására (») Márc 6, 2011 /
 
Elkóhiba szokott lenni, ha melegedés után javul a helyzet. A sortáp szűrőjét cseréld. Gondolom vízszintesen imbolyog.
(#) bladzser2 hozzászólása Márc 6, 2011 /
 
Mutatok egy videót
Így imbolyog a kép.

videó

Nézegetem a chassic-ot de nem találom a szűrőkondit segíts
(#) kadarist válasza bladzser2 hozzászólására (») Márc 6, 2011 /
 
Hát hol mérted azt 135V-ot? Egy elektrolitkondit keress (vagy kettőt). Az a videó annyira rossz minőségű, hogy semmit sem lehet látni.
(#) bladzser2 válasza kadarist hozzászólására (») Márc 6, 2011 /
 
A 135V-ot a sortranzisztor collector lábán mértem a tuner házához képest.

Itt egy kép a chassicról. Melyik pirossal karikázott lenne a szűrőkondenzátor?

névtelen.JPG
    
(#) kadarist válasza bladzser2 hozzászólására (») Márc 6, 2011 /
 
Ott soha ne mérj bekapcsolt állapotban! A bal felsővel kezdd a cserét.
(#) bladzser2 válasza kadarist hozzászólására (») Márc 6, 2011 /
 
Bekapcsolt állapotban akkor hol szabad mérnem azt a feszültséget?

Kicseréltem az elkót. Nem az volt a baja. Azon gondolkoztam esetleg a lemágnesező tekercsnél lenne valami gubanc? Mert igaz hogy kattan eggyet a tv bekapcsolásnál, de a lemágnesező tekercscsatlakozójánál a panelon van egy kerámia foglalatban valami, ami bemelegszik és utána nem vezet. Lehet ez is hiba? Vagy csak kondenzátor baja lesz?
(#) Jakab Krisztián válasza nagyimre10 hozzászólására (») Márc 6, 2011 /
 

köszönöm szépen így már sikerült sikerült belépnem a menübe
(#) kadarist válasza bladzser2 hozzászólására (») Márc 6, 2011 /
 
Lehet, hogy a lemágnesezőtekercs zavar bele. Alaposabban meg kellene vizslatni. Esetleg kivenni a lemágnesezés PTC-jét és úgy próbálni. A 2561-el jelölt elkót is cseréld ki ezen a 140V-os vonalon. Ha nem lesz jobb, akkor vedd ki ezt a PTC-t, amely 3510-es számmal van jelezve és a hálózati oldalon található.
(#) nagyimre10 válasza Jakab Krisztián hozzászólására (») Márc 6, 2011 /
 
Szivesen.
(#) horvathrobert2006 válasza BarnaPili hozzászólására (») Márc 6, 2011 /
 
Szétszedtem a tv et ujra.A nagyfesz indulna ,mert serceg,de 1 másodperc mulva leáll.Nem igazán találok hozzávaló rajzot.
(#) horvathrobert2006 hozzászólása Márc 6, 2011 /
 
Azt hogy tudom megnézni,hogy a trafó-e a rossz?
(#) kadarist válasza horvathrobert2006 hozzászólására (») Márc 6, 2011 /
 
ŰSzia!
Nézd meg jobban a típusjelzést, mert SONY kv-X250 típus nincs.
(#) bladzser2 válasza kadarist hozzászólására (») Márc 6, 2011 /
 
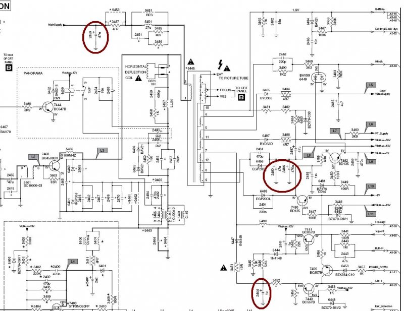
Na meglett a hiba. Kicsit megerőltettem magam hibakeresés ügyben a chassic alapján

Az ugrálást a nyákon 2455-el jelzett kondenzátor hibája okozta. A kondenzátor a sortranzisztorhoz menő báziságban tartózkodik. 47µF 20% 25V adatokkal rendelkezik. Ki volt száradva, kicseréltem és az említett ugrálás megszűnt. Hátha tudtam valakinek ezzel segíteni

A TV szerelés veszélyes üzem, vigyázzon magára mindenki
(#) kadarist válasza bladzser2 hozzászólására (») Márc 6, 2011 /
 
Látod, milyen ügyes vagy! Szinte önállóan sikerült megjavítani, Sokat segít, ha szakportálokat is olvasgat az ember, mint például az ElktrOnline-t.
(#) horvathrobert2006 válasza kadarist hozzászólására (») Márc 6, 2011 /
 
PontosanKV-X2501D
(#) kadarist válasza horvathrobert2006 hozzászólására (») Márc 6, 2011 /
 
(#) horvathrobert2006 válasza kadarist hozzászólására (») Márc 6, 2011 /
 
Köszi.Megmérem a feszkókat
(#) horvathrobert2006 válasza kadarist hozzászólására (») Márc 6, 2011 /
 
A + és- 15 V nincs meg,a többi ok,megvan a 135 V es a 200V is indulásnál
(#) kadarist válasza horvathrobert2006 hozzászólására (») Márc 6, 2011 /
 
Ezek a 15V-ok csak akkor vannak meg, ha működik a sorvégfok. Az a 200V biztosan 200V?, nem kevesebb?
(#) horvathrobert2006 válasza kadarist hozzászólására (») Márc 6, 2011 /
 
Pontosan 200v
(#) horvathrobert2006 válasza kadarist hozzászólására (») Márc 6, 2011 /
 
Pontosabban 203V ,egy másodpercig megy és utánna letilt.
(#) kadarist válasza horvathrobert2006 hozzászólására (») Márc 6, 2011 /
 
Na, akkor mérj rá a 15V-os vonalakra ohmmérővel, hogy nincs-e zárlat rajtuk.
(#) horvathrobert2006 válasza kadarist hozzászólására (») Márc 6, 2011 /
 
A- ágon a testhez képest zárlat van
Következő: »»   453 / 1282
Bejelentkezés

Belépés

Hirdetés
XDT.hu
Az oldalon sütiket használunk a helyes működéshez. Bővebb információt az adatvédelmi szabályzatban olvashatsz. Megértettem