Fórum témák
» Több friss téma |
Fórum » TV hiba, mi a megoldás?
Szia feltettem a videó résznek a kapcsolási rajzát, jelöld be , hogy a képcső melyik lábát kell testhez egy pillanatra rövidre zárni, hogy bejöjjön a fény. Régen már csináltam ilyet de nem emlékszem rá.A képcső 6-7 lábát szakadásmérővel nézve nem mutat semmit,egy ellenállást mérve rajta sem mutat semmit, lehet, hogy szakadt a képcső fűtő szállja? Lehet,hogy a Tv üzemel csak rossz lenne a képcső?
Kíváncsiságból lekaptam a hátulját, megmozgattam minden csatit, még üzem közben is piszkálgattam, de semmi változás, sajna.
Kicseréltem a sortranzisztort egy másikra, dea hiba továbbra is fent áll. A tunert kopogtattam. Így sem jó.
A relének nem lehet köze a jelenséghez? Van egy relé bekapcsolom a TV-t az behúz, majd bejön a hang, aztán relé kattan, és úgy jön be a kép. A ki-bekapcsolós jelenet gondolom az én belepiszkálásom miatt volt, mert megszerettem volna oldani, hogy ne ugráljon a kép bekapcsoláskor. A sortrafón a fókusz alatti potit kicsit feljebb tekertem, erősödött a kép, majd kikapcsolt a tv standby-ba. Azóta csinálja ezt a ki be kapcsolgatós dolgot. A képcső nyaka nem világít ha magától standby ba rakja magát a tv, de valami idegesítő éles hang azért hallatszik a panelról, gondolom én valamelyik induktivitásból. Most mi tévő legyek, igazából ilyen hibajelenséggel még nem találkoztam :/ Szkópom van mérni tudok, csak a TV chassicján meg kellene mutatni mit hol mérjek.
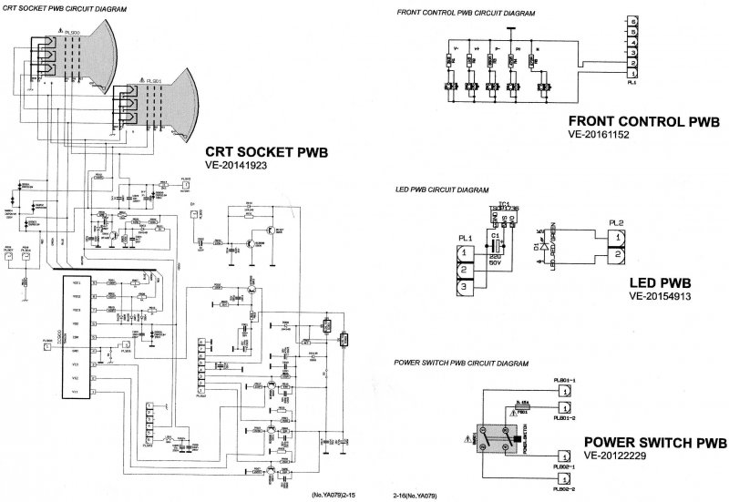
A sortápfeszültséget mérd meg (140V). Ha nagyobb, akkor ez okozhat ilyen problémát. Ezen kívül még képcsőgyengeség miatti csökkent sugáráram is okozhat ilyen gondokat. Tekerd feljebb a G2 (Screen) potmétert a sortrafón (alsó). Ha ez nem jön be, akkor a képcsőfűtés soros áramkorlátozó ellenállását zárd rövidre.
Rajz: kattints a Get Manualra
Itt nem. Arra vannak más topikok: Bővebben: Link
VG2 nagyon le volt tekerve, feljebb tekertem. A kép bejött, a TV már nem kapcsol ki standbyba. A sortáp fesz. 135V.
Az ugrálás jelenség továbbra is megmaradt. Ezt mi okozhatja? Úgyvettem észre, ha hagyom kihülni a bordát amin a sortranzisztor van, akkor bekapcsolás pillanatában imbojog a kép. Akkor áll csak meg, amikor a BU langyos/meleg lesz. Aztán, ha langyos a borda illetve a tranzisztor, utána kapcsolgathatom ki be a tv-t mint egy őrült, mert ilyenkor az istenért nem akar imbojogni a kép. Meg kell várni még teljesen kihűl a borda. Nem láttam még ilyen hibát, ezért kérdezlek te biztos láttál már ilyet Köszönöm
Elkóhiba szokott lenni, ha melegedés után javul a helyzet. A sortáp szűrőjét cseréld. Gondolom vízszintesen imbolyog.
Mutatok egy videót
Így imbolyog a kép. videó Nézegetem a chassic-ot de nem találom a szűrőkondit segíts
Hát hol mérted azt 135V-ot? Egy elektrolitkondit keress (vagy kettőt). Az a videó annyira rossz minőségű, hogy semmit sem lehet látni.
A 135V-ot a sortranzisztor collector lábán mértem a tuner házához képest.
Itt egy kép a chassicról. Melyik pirossal karikázott lenne a szűrőkondenzátor?
Ott soha ne mérj bekapcsolt állapotban! A bal felsővel kezdd a cserét.
Bekapcsolt állapotban akkor hol szabad mérnem azt a feszültséget?
Kicseréltem az elkót. Nem az volt a baja. Azon gondolkoztam esetleg a lemágnesező tekercsnél lenne valami gubanc? Mert igaz hogy kattan eggyet a tv bekapcsolásnál, de a lemágnesező tekercscsatlakozójánál a panelon van egy kerámia foglalatban valami, ami bemelegszik és utána nem vezet. Lehet ez is hiba? Vagy csak kondenzátor baja lesz?
köszönöm szépen így már sikerült sikerült belépnem a menübe
Lehet, hogy a lemágnesezőtekercs zavar bele. Alaposabban meg kellene vizslatni. Esetleg kivenni a lemágnesezés PTC-jét és úgy próbálni. A 2561-el jelölt elkót is cseréld ki ezen a 140V-os vonalon. Ha nem lesz jobb, akkor vedd ki ezt a PTC-t, amely 3510-es számmal van jelezve és a hálózati oldalon található.
Szivesen.
Szétszedtem a tv et ujra.A nagyfesz indulna ,mert serceg,de 1 másodperc mulva leáll.Nem igazán találok hozzávaló rajzot.
Azt hogy tudom megnézni,hogy a trafó-e a rossz?
ŰSzia!
Nézd meg jobban a típusjelzést, mert SONY kv-X250 típus nincs.
Na meglett a hiba. Kicsit megerőltettem magam hibakeresés ügyben a chassic alapján
Az ugrálást a nyákon 2455-el jelzett kondenzátor hibája okozta. A kondenzátor a sortranzisztorhoz menő báziságban tartózkodik. 47µF 20% 25V adatokkal rendelkezik. Ki volt száradva, kicseréltem és az említett ugrálás megszűnt. Hátha tudtam valakinek ezzel segíteni A TV szerelés veszélyes üzem, vigyázzon magára mindenki
Látod, milyen ügyes vagy! Szinte önállóan sikerült megjavítani, Sokat segít, ha szakportálokat is olvasgat az ember, mint például az ElktrOnline-t.
PontosanKV-X2501D
Rajz: kattints a Get Manualra
Köszi.Megmérem a feszkókat
A + és- 15 V nincs meg,a többi ok,megvan a 135 V es a 200V is indulásnál
Ezek a 15V-ok csak akkor vannak meg, ha működik a sorvégfok. Az a 200V biztosan 200V?, nem kevesebb?
Pontosan 200v
Pontosabban 203V ,egy másodpercig megy és utánna letilt.
Na, akkor mérj rá a 15V-os vonalakra ohmmérővel, hogy nincs-e zárlat rajtuk.
A- ágon a testhez képest zárlat van
|
Bejelentkezés
Hirdetés |





segíts 
