Fórum témák

» Több friss téma
Fórum » TV hiba, mi a megoldás?
Lapozás: OK   462 / 1282
(#) kadarist válasza biowizard hozzászólására (») Márc 15, 2011 /
 
Itt megkapod.
(#) biowizard válasza kadarist hozzászólására (») Márc 15, 2011 /
 
Köszönöm szépen a segítséget.Hálás vagyok érte egy életre.Nagy örömet okoztál nekem azzal,hogy segítettél.
(#) kadarist válasza biowizard hozzászólására (») Márc 15, 2011 /
 
Szívesen! Remélem sikerül megjavítani ezt a szép készüléket.
(#) biowizard válasza kadarist hozzászólására (») Márc 16, 2011 /
 
Nagyon remélem,mert sokba van nekem

Ammm.Még egy kérés.Tudnál ajánlani olyan hővezető ragasztót amivel a transistort oda tudom ragasztani?
Köszönöm és jó éjt.
(#) Prometheus01 válasza BarnaPili hozzászólására (») Márc 16, 2011 /
 
Köszönöm a választ mindenkinek, amint lehet megnézem. ebből csak 1fajta van, ha veszek a boltban, az jó lesz akármelyik tv-be?
(#) Lalle hozzászólása Márc 16, 2011 /
 
Sziasztok van egy
ck5073t
tipusú samsung

Hibajelenség megkapja az áramot és mély koppanás szerű hangot ad , de se kép se hang


Mi okozhatja?
(#) kadarist válasza biowizard hozzászólására (») Márc 16, 2011 /
 
Az a hővezető paszta nem ragasztási célból van a tranzisztor és a hűtőlap között, hanem azért, hogy kiszorítsa a levegőt a tranyó és a borda közötti térből. A rögzítés rugós pánttal vagy csavarral történik.
Bővebben: Link
(#) moltam válasza kadarist hozzászólására (») Márc 16, 2011 /
 
Köszönöm a segítséget, ez volt a baj. C822 n alig mérhető feszültség. Innentől remélehetőleg egyszerű lesz.
(#) biowizard válasza kadarist hozzászólására (») Márc 16, 2011 /
 
Köszi szépen.Közben azért utána olvastam én is és az enyémben rugós pánt van.Rendeltem is már pár cuccot az általad ajánlott oldalról és holnapra itt is lesz.A sortranyoból mindjárt 2 db-ot rendeltem.Fő az óvatosság Rendeltem pasztát is meg egy pákát is,mert a pillanat forrasztóval nem könnyű chip-ek közelében forrasztani.
(#) kadarist válasza biowizard hozzászólására (») Márc 16, 2011 /
 
Ez az! Kell a jó felszerelés a hatékony munkavégzéshez!
(#) Dayday hozzászólása Márc 16, 2011 /
 
Hello....valaki segit megoldani ezt a feladatot?...koszonom elore is
(#) kadarist válasza Dayday hozzászólására (») Márc 16, 2011 /
 
Ismered O h m bácsi törvényét? Egyébként rossz helyre írsz.
(#) Dayday válasza kadarist hozzászólására (») Márc 16, 2011 /
 
persze hogy ismerem...I1 et ki is szmoltam de Rv vel van a gond
(#) bihari laci válasza kadarist hozzászólására (») Márc 16, 2011 /
 
Köszi meg probálom.
(#) Auth Zsigmond válasza Dayday hozzászólására (») Márc 16, 2011 /
 
Kérlek, légy figyelmesebb, ha műszaki problémát kívánsz megoldani/megoldatni!
Az ábra alkatrészeinek jelölése, a felsorolás és a kérdés nem fedik egymást! (Hol az R2, melyik az RV?)
Persze lehet találgatni, de az ember nem tudja mennyi, ha nem tudja miről van szó. Jelöld be korrekten, és a kadarist által megnevezett bácsi törvénye alapján magad is játszva meg tudod válaszolni a kérdésedet!
(#) Dayday hozzászólása Márc 16, 2011 /
 
itt a hejes rajz.....meg tudok oldani problemakat csak ijen nyilas V meterrel nem dolgoztam mert meg nem tanultuk
(#) küzmös Gergely hozzászólása Márc 16, 2011 /
 
Sziasztok!

Még vannak gondok,de kétségtelenül alakul!

P1070833.JPG
    
(#) kadarist válasza küzmös Gergely hozzászólására (») Márc 16, 2011 /
 
[OFF] Ööö, hát igen.
(#) pitro hozzászólása Márc 17, 2011 /
 
Sziasztok!

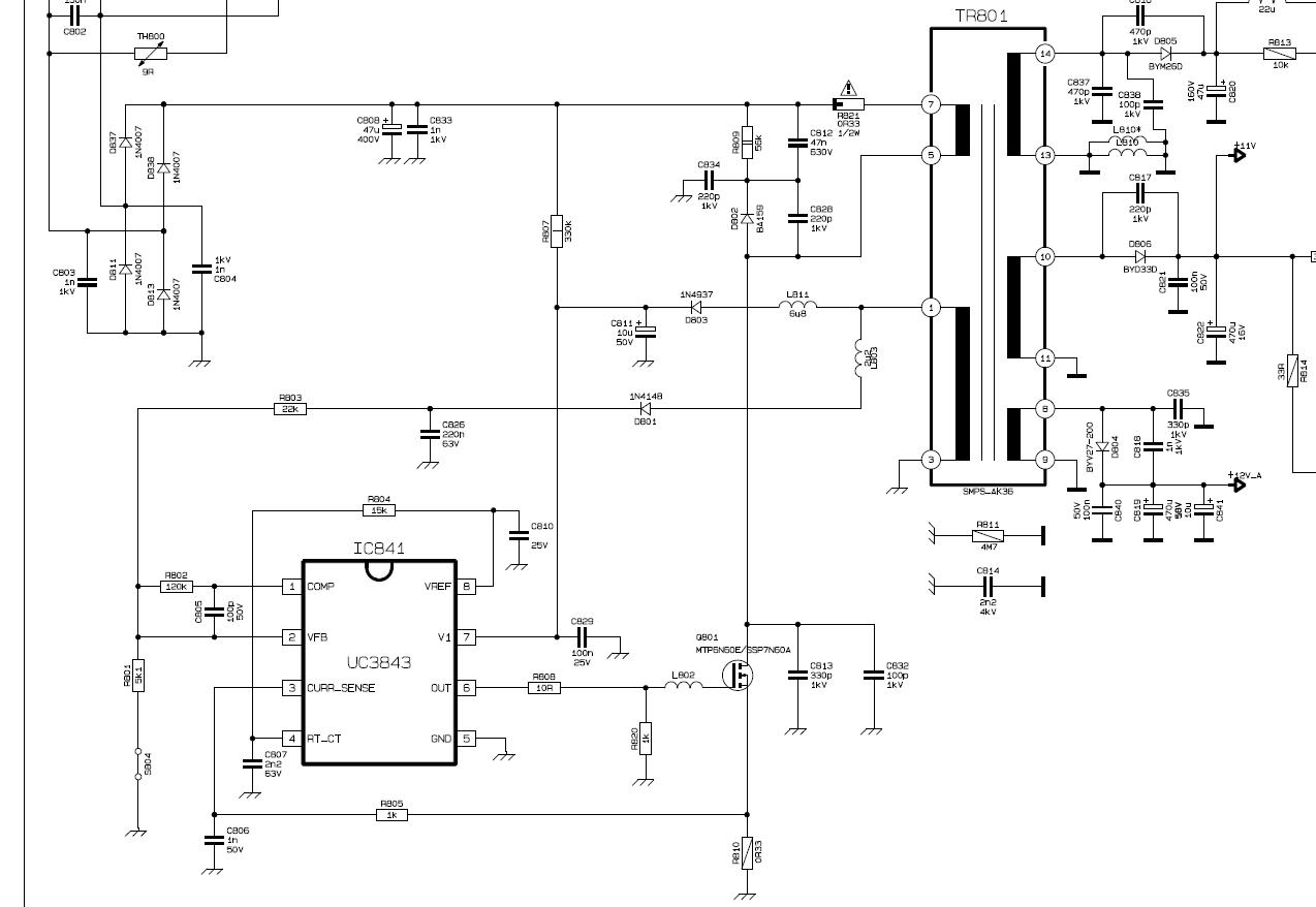
Került hozzám egy kis 37cm-es Orion csoda. 11AK36A2 sasszé.A jelenség az volt,hogy kikapcsolás után másnap már nem indult el. A tápjában a FET oda volt az biztos.Kicseréltem de semmi változás.Egyértelmű,hogy nem áll fel a táp csak az a kérdés,hogy a tápban van gond vagy valami beterhel neki és azért nem indul el. A sorvégfok környékén látszólag minden rendben bár nekem kicsit fura,hogy ha kiforrasztom a sorvég tranyót akkor a nyákon B-E között olyan 10ohmot mérek .Ez normális? Ha esetleg van valakinek valami ötlete ,hogy mit érdemes megnézni nagyon szívesen veszem.Köszönöm.
(#) arpad53 hozzászólása Márc 17, 2011 /
 
sziasztok !
Samsung CK-5379 T televizóm van nem tudom mi baja lehet ha bekapcsolom a tv-t a képernyőn egy fehér csík látható csak,mit tehetek hogy melyik IC-t kell megnézni ahoz hogy normális képet adjon !?
(#) BarnaPili válasza pitro hozzászólására (») Márc 17, 2011 / 1
 
A tápban nézz szét jobban,ha a FET zárlatos volt,lehet hogy vitte magával a táp IC-t is.Továbbá a gate-ben szokot lenni egy ellenállás,az is szeret megszakadni.A FET megkapja a 300V-ot?A 10 ohm lehet normális,ha a sorvégtranzisztor ellenállásos.Mi a típusa?
István
(#) biowizard válasza kadarist hozzászólására (») Márc 17, 2011 /
 
Szia.Megérkezett a csomag és az alkatrész is.Már össze is tettem és szuperul működik.Valszeg a paszta hiánya okozta azt,hogy kiégett a sortranyo.
Lenne még 1 kérésem.Van egy Vestel CTV 5131-es tv-m.Illetve anyámé.A gondja az lenne,hogy anno 5 éve a szomszédba bevágott a villám és anyám tv-je be volt dugva,de csak a hálózati csatlakozó.Azóta hang van,de kép semmi,csak sötétben lehet látni elég sötéten. A képcső felfűt,mert világít,de az osd menü sem jön be.Van-e tipped,hogy merre keressek.
Köszönöm előre is és köszönöm a segítséget még 1x a Tevion-hoz is
(#) moele válasza arpad53 hozzászólására (») Márc 17, 2011 /
 
Szia !
Kellene a sasszé szám is mert több IC-vel szerelték. Általában LA7845, de TDA8350, TDA8356, KA2131.
Valamelyiket biztos megtalálod. Lehet még, hogy nem az IC rossz , csak megszakadt az IC táp ellenállása.
Üdv.: moele
(#) Fülöp Ferenc 49 hozzászólása Márc 18, 2011 /
 
ALKOR HD-500 mini set-top box
MPEG4/H-264 hd DVB-T vevö

kedves kollégák a segitségetekre szorulok , vettem egy mini set-top-box ot de sehogy sem tudok képet találni rajta , nem jön át rajta semilyen hagyományos tv müsor sem , megkapja az antennát , rca av kimenetéröl megy a tv-be (menne) a jel de semmi sem megy AV csati kiválasztva a TV-n. távirányitora érzékeny ki.be lehet kapcsolni , mute, ,de még a menüt sem sikerül megkapni vele , kérlek benneteket ha tudtok ötletet adni vagy véleményt , hátha elörébb jutnák , (lehet, hogy rossz?)
elöre is köszönettel Feri
(#) kadarist válasza Fülöp Ferenc 49 hozzászólására (») Márc 18, 2011 /
 
Szia!
Így csatlakoztattad?
(#) Fülöp Ferenc 49 válasza kadarist hozzászólására (») Márc 18, 2011 /
 
igen így csatlakoztattam , a hagyományos erösitös padlás antennához , a manapság kaphato vevöantennához ,
de semmi nem jön be m ég a menü sem , készülék pirossal jelzi hogy bekapcsolva , 3 av csati van a tn-n, mindhárommal probáltam , 2 scart bemenet van a tv-n azt is mindkettöt , van egy rca AV-Scart átalakito, kapcsolóval , mindkét állásban probáltam (jel ki vagy be ) de nincs menü .ez aggaszt , köszönöm a válaszodat, Feri
(#) kadarist válasza Fülöp Ferenc 49 hozzászólására (») Márc 18, 2011 /
 
Vidd vissza oda, ahol vásároltad és ott mutassák meg, hogy hogyan kell használni. Ha hibás, akkor meg gariban cseréljék ki.
(#) pitro válasza BarnaPili hozzászólására (») Márc 18, 2011 /
 
Köszönöm a tanácsokat. Biztos ami biztos a táp ic-t is kicseréltem de semmi változás.A FET megkapja a 300v-ot.Nagyon az az érzésem,hogy beterhel neki valami és azért nem pörög fel.Egyébként a sorvégfok tranyó egy BU 808DFH ami ha minden igaz valóban ellenállásos és darlington ugye. Nem tudom,hogy lenne e értelme lekötni a tápról a sorkimenő részt és úgy megnézni,hogy a többi táp megvan e?
(#) kadarist válasza pitro hozzászólására (») Márc 18, 2011 /
 
Szia!
Valamilyen életjelet produkál a tévé? Pittyegés, kattogás, LED-villogtatás... Nézd meg az R807-et és cseréld a C811-et.

11AK36-A2.jpg
    
(#) arpad53 válasza moele hozzászólására (») Márc 18, 2011 /
 
Szia!

Kösz hogy válaszoltál, még azt akarom kérdezni hol találom ezt a sasszé számot?
Az alaplapon a TDA8356, TDA756.B és F4036 IC számokat találtam. Nem tudnál küldeni egy alaprajzot ahol fel van tüntetve, hogy melyik IC a képcsőnek az indítója? Melyik lehet rossz a három közül?

Köszönöm!

Árpád53
Következő: »»   462 / 1282
Bejelentkezés

Belépés

Hirdetés
XDT.hu
Az oldalon sütiket használunk a helyes működéshez. Bővebb információt az adatvédelmi szabályzatban olvashatsz. Megértettem