Fórum témák
» Több friss téma |
Fórum » LPT portos vezérlés
Igen, így már jobb, de a 4k7 ellenállás nyugodtan lehet nagyobb is, pl. 33 kOhm megfelelő lenne.
Ez sem jó megoldás, mert a logikai IC kimenete önmagában nem képes megfelelően meghajtani, a teljesítménytranzisztort és galvanikus leválasztást sem biztosít. A vezérlése is bonyolultabb logikát igényel. Szerintem egyszerűbb és biztonságosabb az optocsatoló + FET kombináció.
a feteknek nem ismerem a működését sajnos... leírások alapján nem értettem meg.
Ha valaki megcsinálja ezt a opto+fet-es kapcsolási rajzot annak örök hálám!!! (csak ha lehet ne legyen csillagászati az ára) ps: mi kell hogy meghajtsa rendesen a tranzisztort? mert 5v-ot ad az ic és 5v kell a tranzisztornak is adatlap szerint
Amit csináltam az jó, csak az R2-es 4,7kohmos ellenállást cseréld ki egy 33kohm-osra.
Szerk.: az IRF9530N FET ami kicsit drága, (235Ft..), de azért nem vészes.
valami olcsóbb nincs? 32x fogom megépíteni és nekem nem kell 14 amper hanem bőven elég lenne olyan 4-6 amper is.
Keresgélni kell. Vagy kérdezd meg valamelyik topicban.
100-150 Ft-ból már lehet kapni megfelelő FET-et, így nem sokkal drágább, mint a bipoláris teljesítmény tranzisztor. Ráadásul bipoláris esetben, mint már említettem, nem lesz megfelelő az optocsatoló meghajtó képessége, tehát mindenképpen kell még egy kisebb teljesítményű tranzisztoros meghajtás a teljesítmény tranzisztorok elé. Így további alkatrészek is szükségesek, amik bonyolítják a kapcsolást és a NYÁK-ot. Ráadásul ha te 32 ilyen fokozatot szeretnél alkalmazni, az azt jelenti, hogy 32x300 mA (megfelelő meghajtás miatt) ~ 10A plusz fogyasztás is megjelenik, ami a tápegységedet terhelné. Tehát összességében nem jönnél ki olcsóbban. A FET tranzisztoroknak megvan az az előnye, hogy az átkapcsolási tranziensen kívül gyakorlatilag nem fogyasztanak áramot, tehát feszültséggel vezérelhetőek és nem árammal. Ebben az esetben mindenképpen FET lenne javasolható.
Üdvözletem!
Adott egy nyomókapcsoló. (lásd fénykép) Azt szeretném tudni, hogyan lehet ezt a nyomókapcsolót helyettesíteni LPT vagy RS232 port segítségével (WinXP alatt)?
Helló!
Relét húzatsz meg. A relé Common és NO érintkezőjét kötöd a nyomógomb helyére. Üdv. Ottó
Nem vagyok biztos benne, hogy jól értelmezem a feladatot, de megpróbálok segíteni. Én úgy értem, hogy Te a nyomógomb megnyomását szeretnéd emulálni a PC segítségével, tehát a PC által kiadott jel váltja ki a gombnyomás eseményét.
Bár a képen nem látható, feltételezem, hogy a nyomógomb egy felhúzó ellenállással kapcsolódik az elektronika többi részéhez. Egészen egyszerűen egy optocsatoló képes megoldani a problémát. Az optocsatoló kimeneti tranzisztorát a nyomógombbal párhuzamosan kötjük, míg a bemeneti oldalt egy soros ellenállással kötjük az LPT port egyik adatkimenetére (330 Ohm megfelelő). A kimeneti tranzisztor emittere az elektronika GND pontjához, míg a kollektor a felhúzó ellenállással kapcsolódik sorba. Így a galvanikus leválasztás is biztosítva van, az elektronika nem tud kárt tenni a PC-ben. Természetesen ellenőrizned kell, hogy valóban az általam leírt módon kapcsolódik a nyomógomb az áramkörbe. Ezután már csak egy programot kell írnod, vagy vadásznod a netről. Itt a fórumon is találhatsz szoftver megoldást.
Hali!
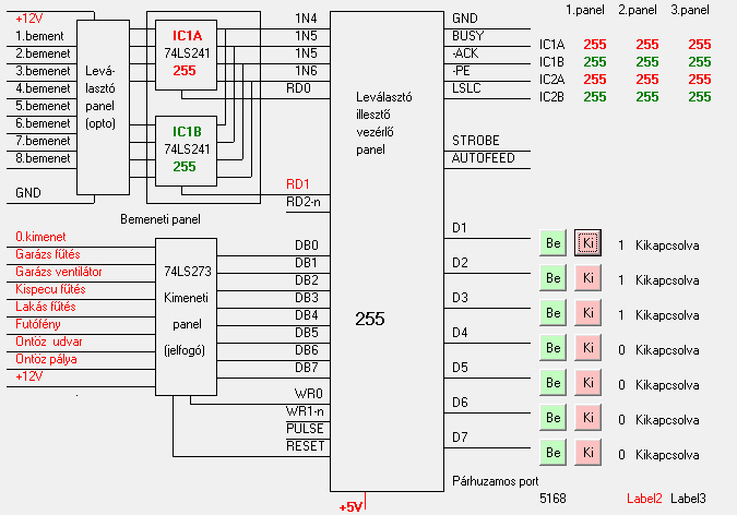
Van itt egy elvi rajz, igaz ez be-kimenetet is kezel és bővíthető. Alapból 4 bemenet (BUSY,ACk,PE,LSLC) és 8 kimenet (D0-D7). Bemenetek optocsatolóva kimenetek relével leválasztva. Lényeg, nem lehet galvanikus kapcsolat a PC és az eszköz illetve illesztő között. Az LPT kezelésére programot kell írni, talán legyegyszerűbb VisualBasic6. Üdv.
Üdv mindenkinek.Nekem a problémám az lenne,hogy van 1 ibm a31-es laptopom amin nem működik az lpt port.Csináltam 1 kapcsolást csak ledek vannak rajt,hogy lássam mikor melyik kimenet működik.Asztali gépemen jó a panel.Ibm gépen folyamatosan világítanak a ledek.Mit kell beállítani a gépen és hol?Letöltötem 1 programot amit melékelek ezzel már tudom kapcsolgatni valamilyen szinten.
Hello,
A Win32 mappában benne van az IO.dll? lehet ez a probléma. Ha nincs töltsd le másold be majd restart és próba ismét. De mivel ez egy IBM és régebbi nekem is volt egy ThinkPad600 ott energia takarékosság miatt kapcsolt le, állítsd át az OP rendszert asztalira.
Roland megnéztem az io.dll megvan.OP beállítva mégis világít megállás nélkül.Valami más ötlet?
Hello,
Ha egy LTP port scannerel megnézed és berakod a LED-eket akkor ha a programba be van kapcsolva az aktuális port akkor a LED világít, ha kikapcsolod a portot akor is világít ? annak ellenére , hogy kikapcsoltad? Illetve ha bezárod a programot akkor megint visszakapcsolja? vagy nem? Mire szeretnéd használni az LTP portot illetve milyen programmal? Mert megnéztem én is a saját laptopomat annak is világítanak de ha elindítom rajta az aktuális programot akkor lekapcsolja az össszes portot és csak a program vezérlésel kapcsolja fel. Amennyiben egyéni programot használsz akkor bele kell írnod /irni a programba , hogy törölje a portot amikor futatod. (szerintem egy nyomtatóval ellenőrizd mert ha nem nyomtat semmit akkor az LTP a ludas, ha nyomtat akkor a programmal)
LTP port scannert hol lehet letölteni?(nekem nem sikerült leszedni semjet)ezzel vezérelném lpt vezérlő.Ha megy a program ha nem mindenképen világítanak a ledek.Programmal se be se ki nemtudom kapcsolni.
Távoli vezlrlésre használnám.(lámpák,elektronikus eszközök kapcsolására)
Hello,
Én ezt használom működése pofon egyszerű ezzel próbáld meg. 1 - LED bekötés 2- program megnyitás (figyeled felvillan vagy elalszik is valamelyik led) 3- 2. portra rákattintasz és figyeled elalszik vagy nem Bővebben: PortScan
Hali!
Próbáld ki ezt: Bővebben: Link Az inpout32.dll-t pedig rakd a program mappájába, vagy a windows/system32 mappába. Aztán csak simán elinditod a progit és pipálgatod a kimeneteket. Mármint feltéve hogy jól van beálíltva a BIOS meg a többi...
Hello,
Vista skin XP-n vagy Win7 van a gépen mert csak XP -ig müködikk a legtöbb ilyen program
Semmi változás.LPT monitorban változtatni dudom a beállításokat csak nemértek hozzá.
vista sin xp-n
nyomtatást próbáltad vele ? az megy?
Használd a Válasz-t! Mert így nem derül ki, kinek írsz.
Hali!
Használok IBM-notikat párhuzamos port-i eszközökkel. (igaz T30 szériát) Nálam úgy működött ha LPT portot átállítottam EPP-re, alaphelyzetben ECP üzemmódban van. Én a ThinkPad config-ot használom a perifériák beállítására. Üdv.
Köszi végre megvan jol mücik.Biosba nemerek nyuli de most megtettem és átállítotam ECP -be.
Hello! egy lpt csatlakozóra a meghajtáshoz uln2003a ic-t használok, és léptetőmotort tettem rá(lézert szeretnék belőle csinálni). A program a led shine controller.Laptopom van és nincs lpt portop ezért vettem egy átalakítót. De sajnos a motor meg se mozdul.tud valaki segíteni hogy mi lehet a gond?
Üdv.
Milyen átalakítót vettél? USB/LPT átalakító nem alkalmas ezekre a feladatokra, csak a nyomtatáshoz szükséges üzemmódot tudja. PCMCIA 'kártyát' kell beszerezned. |
Bejelentkezés
Hirdetés |












