Fórum témák
» Több friss téma |
Üdv!
Nem nagyon találtam hasonló dolgot a fórumban, ezért gondoltam nyitok egy új topicot. (ha esetleg mégis van, és csak én nem voltam eléggé kitartó, akkor azt úgysem hagyjátok szó nélkül )Szóval a lényeg... mentőautóba akarok csinálni egy ledes villogót. de a gyáriak árban sztem drágák az alkatrészekhez képest. valami hasonlóra gondoltam, mint a videóban : Bővebben: Link Ez szerintem nem lehet túl bonyolult dolog. A lényeg az lenne, hogy max 100 db 5mm-es ledet tudjon vezérelni. 20-20 darab a szélvédő mögött, 20-20 db az oldalsó tükrökön, és talán még a hűtőrácsra is jutna. Mindegyik helyre lenne 2ék, és piros fényű is. Dcsek dugóval csatlakoztatnám őket a vezérlőhöz. Csak maga a vezérlő a kérdés. Vettünk pár éve egy használt szettet, de a ledek megadták magukat, aztán a vezérlése is, mert már csak folyamatosan világít vele az összes led. Nagyjából ennyi lenne. A segítségeteket előre is megköszönöm! Spyke
Itt van az én változatom. Ha kiegészíted a ledek meghajtását, szerintem jó lenne. Bővebben: Link
Szia!
Hűű hát ez igen tetszetős... A problémám az annyi csak, hogy a pic-cel nem állok sehogy se... Én csak a sima "mezei" kapcsolásokban vagyok valamennyire otthon... ![]() Mondjuk ha valaki bevállalja a programozást(ezt persze díjjaznám is) akkor szerintem ez teljesen kivitelezhető lenne. Még azt kellene megoldani, amit írtál is, hogy kb 100 db 5mm-es sima leddel elbírjon. Köszönöm mindenesetre a segítségedet! Spyke
Tisztelt Fórumozó társaim, és _JANI_!
Megépítettem a JANI által feltett kapcsolást de sajna nem akar működni. A bekapcsolást jelző led villog, sebességét is változtatja a trimmerrel, de a kimeneten nem jelenik meg az áram. Nézzétek már Ti is meg, hátha rájöttök mit ronthattam el. A BD242 szándékosan van felülre téve, (lábhelyesen remélem) mert kis hűtőbordát szándékszom rátenni ha beindul. Segítségeteket köszönöm.
Az előző hozzászólásomból kimaradt: A 100 nanos kondi nincs mindegyik benne, mert nem találtam többet, de szerintem így is indulnia kellene.
Türelmeteket és segítségeteket köszönöm. Csibai, Salgótarján
Bocsánat mindenkitől, rájöttem én voltam a figyelmetlen, a bd tranzisztort fordítva raktam be. Működik rendesen, egy picit hozzáértő emberkének az elkészítés kb. egy óra.
Nem olyan ugyan mint a pices megoldás de ez is felkelti a figyelmet. Köszi JANINAK, és Zoli bácsinak.
Üdv!
Tudnál feltenni valami féle videjót, a villogásáról? Ha jól értem, akkor ebben a kapcsolásban nincsen programozott PIC, csak egy sima mezei kapcsolás IC-vel? Köszi! Spyke
Szívesen! Szerintem is eléggé figyelem felkeltő a villogása. Igaz, hogy PIC-el sokkal egyszerűbb megoldani, csak én nem használok pic-et, mert többre és megbízhatóbbnak tartom a tisztán hardveres megoldást.
Üdv!
Én terveztem az áramkört, kedves fórumtársam JANI pedig kiegészítette, fejlesztette néhány dologgal. No és persze NYÁK-ot is tervezett hozzá.
Néhány oldallal visszább van egy video a teszt áramkörről. video
Üdv!
Akkor Ha minden igaz, akkor Jani hozzászólásában [code=c](#944128) levő becsomagolét cucc, már egy működőképes kapcsolás? Úgy értem, hogy csak táp kell neki, meg 2 led, és a videón látható módon fog villogni? Ha igen, akkor pöpec kis cucc Lenne egy oylan kérésem még, hogy ha valaki leírná részletesen az alkatrészeket, akkor az jólenne. mert akor nem kell a boltban égnem, hogy nem tudom, hogy mondjuk az az alkatrész egy dióda, vagy ellenállás pl ![]() Köszönöm előre is! Spyke
Kedves Barátunk!
Az amit nézegettél (a Jani féle "cucc", igen már egy működő kapcsolás, rajz, panelrajz, beültetés meg minden.) Zoli bácsi rajza alapján készített villogó. Ha figyelmesebben olvasnád ezt a fórumot már megkaptad volna a válaszokat. De azt szeretném javasolni, ha ennyire nem vagy tisztában a rajz értelmezésével akkor előbb nézz szét itt a fórumon is az alapokról. Egyébként amit tartalmaz a kapcsolás: 2 db ic. 4 db tranzisztor néhány kondenzátor néhány ellenállás + led Megjegyezném, hogy Zoli bácsi egy kicsivel korábban megírta, annyi ledet rakhatsz rá amennyit a tranzisztor terhelhetősége megenged. (Több 10 darab oldalanként.) Én megépítettem itt van néhány sorral előrébb a fotója is.
Sziasztok!
Örömmel látom, hogy testet öltött a nyáktervem. ( A tranzisztor úgy lett elhelyezve, hogy az alkatrészoldalon rá kell csavarozni a nyákra. Érdemes hővezető szilikonpasztát is alkalmazni. Kis teljesítménynél elegendő lehet ez a hűtés is. ) A kért lista. IC-k: 1DB: CD4017 1DB: CD4060 2DB: 16-lábas IC foglalat. Tranzisztorok: 2DB: BD242 ( Vagy hasonló pataméterű és-vagy lábkivezetésű... ) 2DB: BC182 ( UNI NPN. PL: BC547-548, 2SC914. STB. ) Dióda: 4DB: 1N4148 ( 1N914. Si UNI. ) 1DB: 3mm Piros LED ( Ütem kontroll. ) KÉK és PIROS LED tetszés szerint. Nagy fényerejűt érdemes használni. Külön gondoskodni kell a megfelelő áramkorlátozásról! !!! Kondenzátorok: 1DB: 1000µF 25V ( 100 - 2200µF 25V ) 4DB: 100nF (A C1 kicsit szélesebb de gond nélkül odahajlíthatók a lábak.) 1DB: 10nF Potenciométer: 1DB: 470K. Trimer. ( Többféle típushoz lett a nyál kialakítva. Érdemes kicsit válogatni. ) Ellenállások: 1Db: 1M ohm, 0.25W 7DB: 10K ohm, 0.25W 2DB: 8.2K ohm, 0.25W 2DB: 1K ohm, 0.25W ( AZ R5 helyett lehet áthidalás is. ) 1DB: 680 ohm, 0.25W ( Kontroll LED előtét 680-1.2K. ) 1db: 100 ohm, 0.25W Fém rétegellenállás. Egyéb: 1DB: 3 * 2 tagos tüskesor. ( + 1DB jumper.) Nyákba ültethető sorkapocs. 2*3-as vagy 3*2 tagos. ( Összesen 6 csatlakozási pontra. ) Nyáklemez a megfelelő méretben. Lehet egy vagy kétoldalas is. Opció: 2DB: A teljesítménytranzisztorhoz illeszkedő szilikon vagy csillám alátét. ( Csillámhoz hővezető szilikonpaszta is kell. ) 2DB: Szigetelő műanyag alátét a csavarfejek alá. ( Ha a tranzisztorok a nyákra vannak közvetlen felcsavarozva, akkor a felsorolt alkatrészekből csak a hővezető paszta vagy a szilikon fővezető lapkák fognak kelleni. ) Üdv. _jani_
Hello mindenki!
Van itt egy csomó jó kapcsolás melyik az a kapcsolas amelyik egyszerűen meg lehet csinalni kevésbé jártasak számára is ?
A zoli bacsi, és jani által kimunkált kapcsolást én megépítettem, (lásd kicsit vissza fotók) remekül működik, most 60 db led van rákötve (30-30) 4 sorosan és úgy párhuzamosítottam, így nem kellett ellenállás (12 v).
Az elkészítése panel készítéssel együtt kb. 3 óra + a ledek forrasztgatása.
Üdc Mindenkinek!
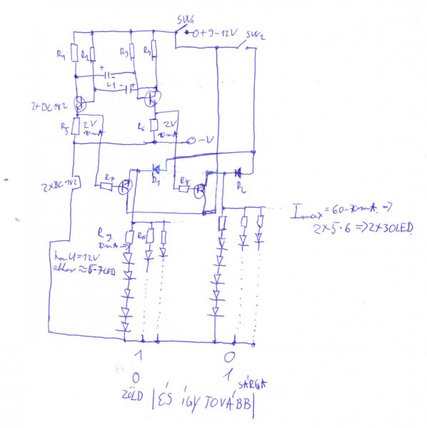
A kérdésem az lenne, hogy terveztem egy áramkört, melynek alapja a jól ismert 2-ledes villogó. Azt szeretném vele elérni, hogy egyszerre kb 30 ledet képes legyen az eggyik állapotában világításra bírni (PL:zöld), majd a másik állapotban a másik oldali (sárga) ledeket. Plussz egy kiegészítés: 2 üzemmód közül lehet választani egy tolókapcsolóval: folyamatos üzem vagy villogás. A két diódát azért tettem be, hogy amikor az eggyik oldalnál nyit a BC tranyó, akkor az áram ne folyhasson át a másik oldali ledekhez. Szerintetek működhet? Esetleg az alsó BC tranyók helyett használjak BD-et? I[sub]maxtranyó[sup]=60-70mA Előre is köszönöm a válaszokat!
Plussz egy kis kiegészítés: szeretném változtatni a villogás frekvenciáját, ezért használhatok úgy egy potmétert, hogy a két BC tranzisztor bázisára menő ellenállásokat kiveszem, helyette egyet berakok, hogy sohase kerülhesen rá tápfesz, és vele sorba meg egy 50KOhmA potmétert?
Szia! Elvileg működne a kapcsolás. Bár néhány helyen még lehetne kicsit csiszolni az áramkörön.
PL: R5; R6; elhagyható ha a teljesítménytranzisztornak az R1-(T1 kollektor); R2-(T2 kollektor)-ról veszed le vezérlőjelet. ( Példa a nagáramú vezérlésre _PNP_ - _NPN_ tranzisztorokkal. ) Természetesen használhatsz BD-tranzisztort a " teljesítmény kapcsolására. Érdemes _darlington_ kapcsolást készíteni a teljesítmény kapcsolására. De a vezérlő AMV képes közvetlen (bázisellenállásokon keresztül) is a BD-k meghajtására az R1; R4 optimális beállításával. A villogás állítására két lehetőséged van. _Az_egyik_ lehetőség az intervallum állítására ha a potméter csúszkáját kötöd tápfeszültségre és a fix végeit kötöd az AMV bázisellenállásaira. _A_másik_ megoldás a független potenciométerek alkalmazása. Kellemes építést kívánok.
( "Az egyik" kapcsolás linkje elvileg _erre_ a (fordított LED-es) képre mutatott volna. De gondolom megtaláltad... )
Köszönöm a választ
! Holnap kipihenve átfutom majd az egésszet.![]() Üdv: Einstein
Üdv!
Átnéztem, és frekvencia a szabályozására én is hasonló módon agyaltam, mint ahogyan azt mutatja az általad linkelt kapcsolás is, tehát akkor ez így jó. ![]() Nekem még ismeretlen fogalom az AMV, az pontosan mit jelent? BD233-as típusú tranzisztorra bukkantam, ami elég jó árban van, és Ic=2A, ami elég jó, nem nagyon fog melegedni 2-300mA-nél. Ezt írták az aplikációjában: VBE (on) Base-Emitter ON Voltage [VCE = 2V, IC= 1A]1.3 V max Tehát 1.3 v-nál kapcsol a bázis? Mert a bázis ellenállásokkal vagyok egy kicsit bajban, a számolása fejtörést okoz, mert nem ismerem az Ib-t sem. Még egy apró kérdés amivel eddig nem foglalkoztam, de itt az ideje h megtanuljam, mégpedik h NPN tranzisztornál, ha azt led meghajtására alkalmazom, akkor a led(ek) kerülhetnek az emiter "alá", vagy szigorúan a collektor"fölé"? Előre is köszönöm a válaszod!
Sziasztok!
Elkészítettem „vicsys” kapcsolását, kitűnően működik. Feltenném a nyákrajzot, hátha valakit érdekel. Jaa, a stabilizátor IC-helyett, zenneres megfogást használtam.
Üdv!
Szép az smd forrasztásod! Hogyan szoktál ilyen pici alkatrészeket forrasztani?
Lerajzoltam a talán végső (?) tervet a tanácsok alapján.
Vélemény? Előre is köszönöm a választ!
Sorry, BD 233 a két meghajtó tranzisztor!
Szia!
Már 30 éve gyakorlom , és nagyon jól megy, meg minden nap forrasztok. De azért a 0603-as sorozat alatt nekem is nehezebben megy. Nincs élet páka nélkül .
Üdv!
Valaki tudna nekem egy gyors választ adni az este folyamán, mert holnap pont a bolt közelében járok majd, és akkor be tudnák szerezni hozzá mindet. 1. kérdés : A javított változat jó-e? 2. kérdés : Rx milyen legyen 10k? (a BD233-as tranyónak bázis ellenállásai) Elnézést a türelmetlenségemér, és köszönöm mindenkinek, aki eddig segített, és annak is, aki a jövőben fog! Üdv: Einstein
Tranzisztor, mint kapcsoló:
Idézet: „- Kapcsolóüzemben "nagy áramnál", a bétára (áramerősítési tényezőre) csak 20..30-at érdemes számolni. Tehát 80mA kollektor áram mellett, 3..4mA bázisáram igény van. (Ib=Ic/beta) Vagy is R1 értékét ez szerint kell megválasztani. Figyelembe véve, az PNP kb. 600mV-os bázis-emitter feszültségét, ami levonódik a tápból. Így R1=(Ut-Ube)/Ib=(5V-0,6V)/4mA=1,1kohm. Vagy is 1kohm megfelelő lehet. R2-re csak azért van szükség, hogy lezárt NPN esetén, a PNP is le tudjon zárni. Ide is lehet 1kohm-ot tenni, hiszen az a 4mA bázisáramnak csak a töredékét fogja elszívni, tekintve, hogy azon csak a BE 0,6V feszültsége lesz. Így ez R1 áramból 0,6mA-t fog levonni. (R2 1kohm-al, az áram 4,4mA lesz, ebből levonva a 0,6mA áramot, még marad 3,8mA)” ( Az Idézethez kapcsolódó kép. ) #995208) proli007 válasza kisgeri hozzászólására (#995176) Vagyis Hfe = 20-as jelerősítéssel számolva ~766 ohm, kellene, hogy a BD233-on KB 300mA IC áram folyjon keresztül. ( Számításom szerint. ) A gond az, hogy az AMV (Astabil MultiVibrátor) felhúzó ellenállása is hatással van a BD233-as bázisáramába. Így vagy erősíteni kell az AMV kimenőjelét egy PNP tranzisztorral, úgy mint a Tranzisztor, mint kapcsoló-ban. PNP-s jelerősítés. Vagy a BD233-as elé kell tenni egy nagy jelerősítésű (HFE: 200-400 -as (Lehet már jó eredményt adna egy BC184-es is.)) NPN tranzisztort. Lásd Darlington kapcsolás.
Köszönöm szépen!
Így már érthetőbb. Bár egy kicsit sokat mondtam Ic-nak, kb 100mA lessz a max áram, ami azt jelenti, h ha a Hfe= 20, akkor Ib=5mA, amihez kb 2,4k kell. Ebben az esetben is kell előtét erősítés, vagy működhet így az áramkör? (azért ma megveszek hozzá amit csak tudok)
Sziasztok!
A gyermekem unszolasara kezdtem bele a topik olvasasaba, amivel vegeztem is ma. Talaltam egy szimpatikus kapcsolast, amihez a beultetesirajzot is megtalaltam. Sajna viszont csak a foliarajzolatat mutato kepet nem. [vagy csak megint en voltam a vak] Legyen oly jo valaki, hogy PDF file-ban A4 v A5 formatumban kozeteszi azt nekunk. Koszonettel: Ghoost |
Bejelentkezés
Hirdetés |




)








.




