Fórum témák
» Több friss téma |
Fórum » Ki mit épített?
Ez a téma ha úgy tetszik a mi "kiállítótermünk", nem pedig a ki mit csinált volna másképpen, mások helyett, és legfőképpen nem javítós téma.
Minden készüléknek van saját témája, ott kell kitárgyalni a részleteket!
FONTOS! A kapcsolási rajzok keresésére is van saját téma, ott keressetek rajzokat!
Nagyon jó ,hogy az autó motorjához hasonlítottad ,hiszen mindkettő ugyan olyan terhelésnek ,igénybevételeknek ,hőhatásoknak (ebből eredő anyagtágulásnak ) vannak kitéve.Csak azt az egyet nem tudom ,hol is súrlódik a hangszóró ?
Mi változik a "pár nap alatt" ? Mert ,ha tud lényegeset változni pár nap alatt a membrán ,akkor 2 hónap az össz élettartama ? Ez olyan placebó téma . Ez kicsit olyan ,mintha a "segszeleplehelletet" szeretnénk meghámozni ![]() Részemről lezártam..... Üdv
Arne Domnerus - Jazz at the Pawnshop
Bővebben: Link
[OFF]Igazat adok, a szemléltetőpélda valóban helytelen volt, ellenben minden máshoz tartom magam. Nem kell hinni benne, nem a templomban vagyunk, ha érdekel, próbáld ki...
Részemről is lezártnak tekintem. Minden jót!
Elhiszem, hogy máshogyan szól, rendbe van, nekem a távolságok azok, amik érdekesek. A borzasztótól elmentünk a csodnálatos telt hangzásig, az ájulásig, és csak annyi történt, hogy bejáródott a hangszóró?
Ez az ami nekem furcsa.
Azok szerintem csak túlzások h a szaxofonos előbújik a láda alól meg ezek..
Erre utaltam az első hozzászólásomban is.
Ez így van! Az a 100-120 óra jóval több szokott lenni, de bejáratni kell, ez tény, mármint hangszórót.
100wattos TDA2030+BD Tranzisztor pár hidam. Még sosem építettem ilyesmit csak ettől jóval egyszerűbb kapcsolásokat ,illetve hát ez is az, kinek mi , persze ahogy nézem a képeket a galériában itt profik járnak . Az első próbán volt egy zárlat a panelon és nem reagált semmire . Erre rá jöttem , majd elégé zúgott és fel tekertem a hang erőt ekkor tönkre ment a hangszóró . Ezután növeltem meg a tápban a puffer kondenzátorok után a 2db 220nf kondi értékét 5szörösére, majd kapott egy testet a lemez ház és most atom biztosan működik és szép a hangja. Elég rá a 8óhmos Videoton hangszóró ,nem kell erőseb hangzás mint 4óhmossal adna. Én nagyon örülök neki ,persze a célom az hogy majd bele kezdjek egy quad 405be.
Te aztán nem sajnáltad a pasztát. Amúgy nem rossz.
A tanszformatort honnan szerváltad?
A trafót 1építkezésen találtam mikor ki dobtak a konténerbe 1elosztót és abban volt benne. Persze régebben sokat tekercseltem, még az akkumulátor töltőmet is én hajtottam. Sőt hegesztő trafókat is csináltam. Az itthoni trafóm amit szintén csináltam 400voltos , és akár egy 4es pálcával is simán használható folyamatosan. Már most nincs sajnos huzalom hozzá ami volt az el fogyott ha csinálni akarnám vennem kellene .
Üdv ! A múltkórjában észrevettem hogy nincs Egyenirányítom hat mérgemben legyártottam egy párat !Nem a legszebb de megteszi a dolgát !
Ügyi vagy ! grat de azér figyelj a szigetelésre mert elég nagy feszültségell dolgozzol Veszélyes! :banplz:
Úgyhogy csak óvatosan
Nem szoktam tapogatni mikor arám alatt van
Es mikor beszerelem valahova akkor gondosan elhelyezem tehát szigetelem !
Pedig az arád alatt néha kell tapogatni.
Amúgy sem nagy arámnak cs inaltam csak trafókat irányítani
Én azt vettem észre, hogy kevés ember dolgozza le a nyák széleit. Miért? (Ez költői kérdés volt) Egyébként hasznos kis jószág lett, egy puffer és egy hidegítő még elfért volna, hogy teljes legyen a kép. Sőt. Jumperelhető, hogy pufferrel, vagy puffer nélkül kérjük a DC tápfeszt.
Üdv!
Hat nem tudom hogy most hogy is véljem ezt a költői kérdést én finomreszelővel végigmentem rajta Udv
Mivel vágod a nyákot? Kicsit mintha törné a széleket. A derékszögekre, sarkokra és a párhuzamosokra értettem a költői kérdést.
Üdv!
A nyákot én lemezvágóval vágom amit be lehet fogatni a satuba és nagy erőkar segítségével vágom el tehát mint az olló csak befogatva az egyik fele.Amúgy bevallom hogy most jut eszembe hogy nem csiszoltam le az egészet mert nem volt idom és azért nem szép de amúgy mindig leszoktam csak ma raktam össze !Tudom hogy sok hiba van benne de meg nincs is kész ! De köszönöm az észrevételeket mert abból csak okulni lehet
Üdv:Levente
Köszönöm, és hadd mondjam, hogy tiszteletre méltó, ahogyan fogadod a negatív, -de mindenképp építő jellegű- kritikát.
Én most ezt építettem. Zömmel az itthon talált anyagokból. Lehetett volna jobb is. De ez az első ilyenem. A kicsikém
![]() Kreuzer J-Fet preamp, Conductor +/-45 V végfok, reflex 2utas láda.
Egyetlen baja van: Hogy nem az én szobámban áll...
Szép munka, gratulálok!
Köszönöm a gratulát. Sajnos a belsejéről nem tudtam feltenni fotót, mert mikor eszembe jutott fényképezni, már fel volt csavarozva a hátlap, és nem volt kedvem kicsavarni azt a 20 csavart. Azért a következő jobb lesz mit ez, sokat tanultam építés közben.
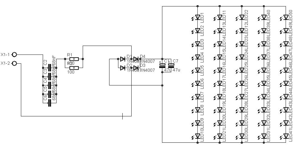
Kis 50 LED-es hálózati lámpa. Egy gyors fél napos projekt volt, "ami van itthon" stílusban
Üdv ! Nekem nagyon de nagyon tetszik szép pontos perciz munka ! Meghozta a kedvem hogy én is megcsináljam felteszed a kapcsolását?
Olyan mint én. Szép és veszélyes....
Ezek az értékek erre a 14000mcd-s LED-sorozatra vonatkoznak.
Halasan köszönöm amúgy hogy én is megkritizáljam ! ezt úgy kellet volna csináld hogy a ledeket egy külön táblára tedd hogy lehessen bedobozolni mert elég veszelyes
Hát az izzókat se fogdossuk, nemde?
Egyébként pedig majd be lesz dobozolva, meg még kell egy diffúzor is rá. |
Bejelentkezés
Hirdetés |











Es mikor beszerelem valahova akkor gondosan elhelyezem tehát szigetelem !











