Fórum témák
» Több friss téma |
A fenébe! A 887-es fele ára a 877-esnek. Miként is tudom a Parsic-ban 877-esre írt .asm fájlt 887-re konvertálni?
Az MPLAB-ba behívom a 877-es .asm-et, átállítom a prcesszort 887-re és elkészíttetem vele a 887hez a .hex fájlt. Oké így?
Szia kaqkk.
Az időzítőt amit küldtél ott a szünetet hogyan lehet úgy megváltoztatni, hogy percekben legyen állítható (60-180 perc) viszont a munka ideje maradna így másodpercekben?Bővebben: Link
A ZV4 és a IF3 közé beteszel egy osztó modult ami 60 ra van állítva
Hali
Nem eleg. Hasonlitsd ossze a ket proci adatlapjat! Nagyon sokban elternek.
Így gondoltad?
Az állítását hogyan lehet megcsinálni, hogy ne a másodperceket, hanem a perceket állítsa?
Egy használható program...(működő projekt, nem 5 perces)
A 12F675_be való program csak hex. (nem Parsic-os) A 12F675 Pic-ek lekérdezését engedélyezi a Parsic léptetve a Gpio.1 lábon A DS18s20 lekérdezések a Gpio.2 lábon, az Uart kimenet Gpio.0. A Pic12F675 soros kimenete invertált és egy 4 bemenetű NOR kapura megy rá (HCT_4002_IC) két PIC közé van téve. Sebesség 2400 Bit/sec. A múltkor kérdezett 240 db bemenet lekérdezését is hasonlóan lehet összeilleszteni. A 16F876-on a kijelzés csak tájékozódásra szolgál az élesztés idején, el is hagyható (a programban ennek ellenére benne maradhat.
Sziasztok!
Az A/D konverternek mennyi a mintavételi sebessége 4 MHz-es kristály esetén? Üdv: Gábor
Kipróbáltad ? Beégetted picbe ? Ha az előző a másodperceket állította , és másodpercekre kapcsolt
akkor ha ezt a dolgot megszorzod 60 al mit fog állítani és mire kapcsol ?
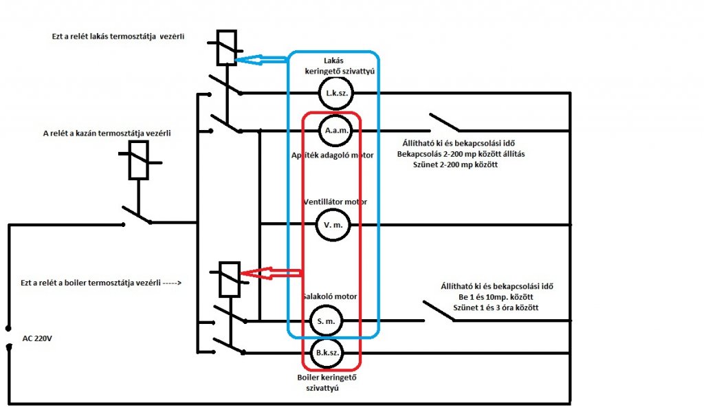
Igen bocsánat igazad van. Sajnos nem láttam a fától az erdőt. Én még annyira kezdő vagyok, hogy csak az elméleti résznél tartok. Égetésig még nem jutottam el, de nem adom fel egykönnyen. Az igazi célom, hogy egy működő relékkel vezérelt fűtést igazi vezérléssel tudjak felváltani. A meglévő mintapéldák módosítgatása már sikerül. Viszont nem tudom hogyan induljak el a rajz szerinti kapcsolás Parsic-os megvalósításához.
Akkor ha jól láttam a rajzot : a fele már kész van
a salakoló részhez kell még egy időzítő és kezdődhet az építés
Szerintem 20us körül lehet, a Parsic a beírt quartz frekvencia függvényében változtatja.
Sziasztok!
Korábban valaki emlegette a digitrace programot, mint logikai analizátort. Letöltöttem, kábelt csináltam, és ha a bementre adok jelet, látom, hogy az adott kis négyszögben villog, mégsem csinál semmit. Tudom, nem ide tartozik egészen, de akinek működik, kérem segítsen.
Szia!
Ha villognak a kis négyszögek akkor a portbeállítás jó. Megnyitod a settings menüt, kiválasztod hogy melyik bemeneti csatorna legyen a 8 közül amelyikre triggereljen. Ezen csatorna állapotváltása fogja indítani a mérést. Megadod a"samplesize" méretét, ezt nyugodtan állítsd jó nagyra mondjuk 200000-re. Ha ezeket beállítottad akkor okézd le. Majd ezek után a mérést a "sample" gombbal indíthatod. Ha végzett a méréssel a samle gomb szürkéből ismét feketére vált. A zoom + - gombokkal húzhatod szét a mérési eredményt megtekintés céljából. Első próbálkozásom alkalmával egy pár százas mintát csak egy tüskének láttam, mert nem húztam szét a zoommal.
Helló. UARt-al lenne problémám. Az adatátvitel ,,működik,, de fals értéket ad. A küldő pic-ben van A B C számérték amit át kell küldenie a másik PIC-be az A B C-nek. És olyan hibák vannak hogy, A küldéskor az A értéke 100-200, de a fogadó PIC mi a kijelzőre van kötve, már 65000-64000 értéket, mutat, tehát nem azt amit mutatnia kellene. A másik gond, hogy az A érték amit küldd, az a fogadó PIC-ben a C helyén jeleníti meg: mi lehet a gond?
Az Rs-check exe nevű segédprogit keresd meg itt a HE
fórumon. Itt a topicban is lehet, hogy feltettem. Ezzel le tudod tesztelni az adást és a vételt is számítógéppel. Csinálj egy Uart-rs232 illesztőt, egy db Max232 ic és 4db 10µF kondi kell hozzá. Épp most segített nekem is egy dologban ez a két cucc. Az egyik eszközödet rákötöd és adni és venni is tudsz. Arra ügyelj a beállított byte-ok száma egyezzen meg a PIC-ben használtak számával. A Te PIC-es programodban nem jó a változók sorrendje. A neve teljesen mindegy, de feltételezem amit harmadikként( KONTROL) küldesz azt a másik oldalon is akként szeretnéd használni.
Pl: így kell beállítani...
De a 19200-as sebesség 4MHz-n érvényes, nem tudom, hogy 20 "megán" mit ad. (talán 5x) Egymással kéne kommunikálni, ha egyforma a kristály. Próbáld ki egy másik PIC programmal, küldjél át pl: 3 db számot, ha ez megy, akkor a programmal van valami bibi. Az a "CG-Ram" nem biztos, hogy mindenhol megállja a helyét. Tettem fel egy példát, feljebb 5db PIC kommunikál uarton.
OK, kösz az infót, holnap ránézek, most már ncisn időm
Köszönöm, megpróbálom
Szia!
Mégegyszer köszönöm, működik.
Sziasztok!
Lehet, hogy fatális a kérdés, de hogyan tudok UART-ra küldeni szöveget. Soros nyomtatóhoz kellene. Üdv: Zsolt
Egy fura jelentés. 3 ADC-n mérek hét hőt és egy feszültséget, kijelezve egy LCD kijelzőn. Gondoltam hogy a háttérvilágítását PWM-el regulálom. A PWM értékét beállítottam fixre, azzal még nem golgoztam. Ha a háttérvilágítást PWM regulátorral működtettem, mindhárom analóg jel értéke eléggé változó, szóval nem stabil. Ha nicsn háttérvilágítás, vagy csak egy And kapu kimenetére ráteszem a háttérvilágításhoz való lábat, a háttér ,,teligázzal,, világít, viszont az értékek állandóak, stabilak. Miért is van ez?
Bezavar a PWM-ed. Tipikus eset, amikor a digitális táp "átszór" az analóg áramkörbe. Elkülönített, sok 100nF kondikkal, esetleg induktivitással szűrt tápvezetékezés, csillagpontból vezetett negatív táp a megoldás.
Vagy áramgenerátor PWM helyett.
Hello!
Látom vagy megoldódott a dolog, vagy nem válaszolnak.. De mi a gond. (Én nem próbáltam, de ez az elv.) - Ha egy nyomtatóra szöveget akarunk küldeni, akkor a karakternek az ASCII kódját kell elküldeni. (Ezek között vannak "nem nyomtatható" un. vezérlő karakterek is. Mint pl. "LF" "CR" soremelés - kocsi vissza..) - Vagy ha az a gond, hogyan lehet a karaktereket kivinni. A karakterek kódjait konstansként lehet deklarálni, és egy miltiplexer segítségével, szépen sorban ütemezve (időre) ki lehet vinni a soros portra. Persze PIC kis Flash memóriájában korlátozott számú karaktert tudunk tárolni.. üdv! proli007
Szia!
Köszönöm. PC-röl már vezéreltem soros nyomtatót, régebben DOS alól, tehát a vezérlő karakterek, és a nyomtató specifikus rész az ok. Nem igazán vagyok PIC-es, de ezt a progit azért több-kevesebb sikerrel használgatom. Tudnál egy egyszerű példát felrakni, hogyan képzeled? Üdv: Zsolt
Hello!
Például így.. Természetesen az ütemezés lehet sokkal gyorsabb, csak a szimuláció követése miatt választottam 2sec/karakterre. (A táblázatnál, TXT- választva beírhatjuk az "olvasható" karaktereket. Hex-et választva a vezérlő, vagy ékezetes karaktereket. Vagy egyszerűen egy file-ból feltöltjük a táblát.) üdv! proli007
Az Rs-check.exe (itt a fórumon is megtalálod)programmal is próbálhatod, ha megy akkor a PIC-el is könnyebben boldogulsz.
|
Bejelentkezés
Hirdetés |




Nagyon kösz!







