Fórum témák
» Több friss téma |
És milyen PC-táp az ami +-30V-ot tud?
Üdv Inhouse
Gondolom 3 darab, föld kiiktatva és sorba 12+12+5
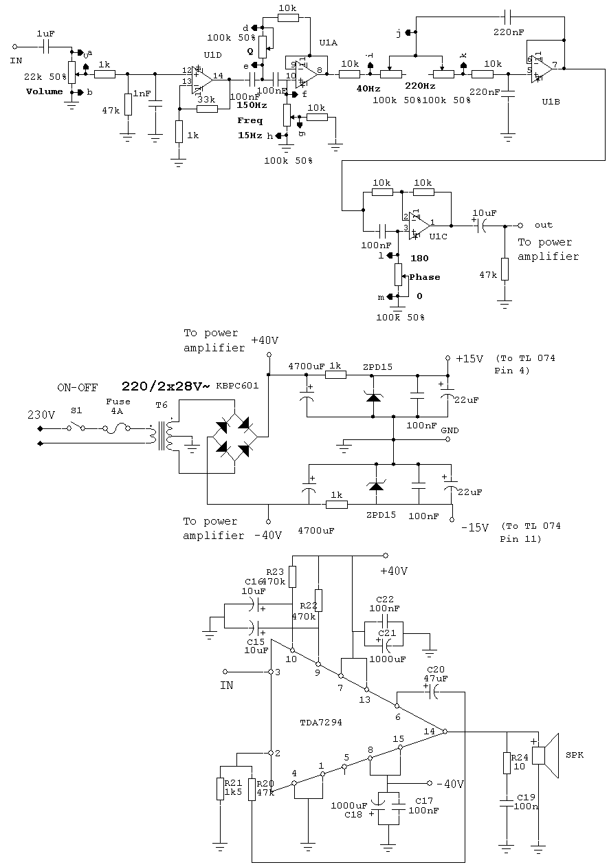
sziasztok.lenne nekem is egy kapcsolasi rajzom TDA 7294 el ,viszont Woofer szurovel ellatva es 100W-teljesitmennyel.
ha valakit erdekel szurjon egy uzcsit es lehet rola szo
Szia! Üdvözlégy a fórumban.
Szerintem itt a fórumon már olyant mindenki látott, de azért feldobhatod, hátha te másra gondolsz!
Igen, 12+12+5 V, és 6 PC táp, föld kiiktatva. Ahol a kapcsirjaz a 0 V-ot irja, az van leföldelve.
Egyébként a Stany-by nak hol kell lennie?? hova kell érinteni?? Mert én akárhova éérintettem akkor sem csinált semmit. 4 V V kimeneti fesz, ha leterhelem, leeseik 0 ra Mi lehet a gond?? (az IC mégcsak nemis melegszik, a bemenetre is tettem jelet, kb 2V-os színuszt, zenét ) és semmi nem szol a kimeneten. :no:
szia!!!
Pedig ez az IC ott szokott lenémulni, a mute,vagy standby lábaknál4 Egyszerűen csak húzd le őket a + tápágra, valami kisebb értékű ellenállással és sztem szólni fog!!!
Hali!
Na előszöris, a táp rendben? A "0"-hoz képest megvan rendesen a +30, és a -30? Esetleg más táppal nem tudod megnézni? Nem tudom ide mennyire megbízható a PC táp. A stand-by, és a mute lábon min 3,5 volt kell legyen, hogy ki legyenek kapcsolva. Ez rendben? Esetleg 1 fénykép? Hátha elsiklottál valami felett. Találkoztam olyannal, hogy rossz volt a nyákterv, és az illető nem vette észre többszöri ellenörzésre se.
Fényképet inkább nem tennnék
Mert elég hülén néz ki, tod, probanyákon van az egész, és az IC lábai oda vannak drótozva a panelhöz. (de tutira jol vannak összekötve, 3 szor is átnéztem) de egyébként van 2x24 V-os trafom is! azzal is kiprobáltam, de azzal is ugyanez (graezt+10mF-os ELKO-k) a helyzet Mellesleg építettem már 1 ugyailyen TDA-s erősítőt, de ott meg a kapcsirajz volt rosz, utolga derült ki, de ott viszont rendes nyákon volt.(nem probanyák) a Mute-n egy 10 kOhm-os, a Stand-by-on peig egy 22 kOhm-os ellenállás van. Szal huzzam a + tápra a standby-t meg mute-t,???? egyszerre??
10uf-os puffer kondi van benne?? Annak minimum vagy 4000-nek kéne lennie a + és a - tapban.Én egy ilyen végfoknak raktam 2x10000µF ot az biztos elég
(amúgy azért mert volt ithon és ingyen volt)
igen, mind a kettőt húzd fel a + tápra az ellenállásokon keresztül, és úgy nézd meg az ic mindkét lábán, hogy megvan e a min. 3,5V
ha nem akarod közkincsé tenni a képet, esetleg elküldheted email-ba is, igérem nem mutatom másnak, és nem is kritizálom.
én ha jól értem a 10mF=10000uF
legalábbis én így értelmeztem Te hogy irtál "mikro" jelet?
Én NEM 10µF-ot irtam, 10 mF -ot, milifarad! 10^-3 farad.(mind1 nem fontos
biztos csak elnézted )ténlyeg, hogy irtál "mikro" jelet?
Nyilván TOPI mester intézte el az oldalon
ha írsz egy "u" betűt és egyből utánna "F"betüt az u átvált mikrora: uF(de csak miután elkülted)
Nah mostmeg nemjó
ez érdekes pedig már sokszor írtam így... uFAmúgymeg mF ról mikro ugrott be szal én néztem el
Hi!
Lenne egy hülye kérdésem: hogy kell elképzelni az IC kiszigetelését? Ha egy szigetelő lappal elválasztom a bordától és összecsavarozom a kettőt, akkor a csavaron keresztül is letestel az IC, nem? Van valamilyen plusz szigetelő elem (vagy műanyag csavar, hehe) a művelethez? Hogy néz ki egy helyesen szerelt IC? Előre is köszi!
hello!megépítettem a kapcsolást.egy problémám lenne,remélem a táppal. a trafóra két db. 10000mikroF-os kondi van kötve, úgy,hogy szimpla tápból csinál szimetrikusat.csakhogy a 28volt váltóból így 1volt alatti feszültség jön ki...mikor először próbálgattam a trafót,raktam egy 150ohmos ellenállást, mely elkezdett kb.2mp után füstölni
![]() megpróbáltam kondi nélkül,de akkor csak recseg ropog a hangszóró,nem nagyon lehet érteni mi is szól.ebből lehet következtetni arra,hogy a kapcsolás rendesen van megépítve?ha megfogom a bemenetet tökéletesen búg,nem melegszik. kipróbáltam 2db. 9voltos trafóval,de azzal is ezt csinálta(puffer nélkül).a táp átalakító kapcsolást linkelem. a dióda 1n4007. akksival kellene még kipróbálni,de az sajnos nincs 2db.... Köszönöm!
Átváltottad a multimétert egyenfeszültség-mérésre?
Kipróbáltad már az erősítőt "normális" üzemben, kondikkal, mindennel? Ha minden OK és mégsem megy, akkor lehet a kondira gyanakodni (vezetnek-e, pl.).
Mindenképpen legyen pufferkondi, akármilyen tápot, trafót, vagy aksit hazsnálsz... Az azért fontos!!!!
természetesen greatz után egyent mértem. próbálkoztam váltóval is ,mert ilyenkor ugye feleződik a frekvencia, de akkor sem működik. pufferkondi nélkül legalább "szól", velük meg se mukkan.Normális üzemen mit értesz? Az alapkapcsolás és a rendes táppal próbáltam először,de semmi....egyébként van az ic mindkét tápágában 2db 1000mF-os kondi,aminek elégnek kellene lenni kis hangerőn....akkor lehet,h mégiscsak valamit elszúrtam
,habár rendes szimmetrikus tápot eddig még nem kapott kösszi a tippeket! Egyéb véleményeket szívesen várok!
hello!légyszivess közzé tennéd azt a kapcsirajzot,melyet rossznak találtál?hátha én is azt építettem meg... a csatolmányban benne van a hibás?ha igen,melyik?Köszi
Szia!
It valami nagyon nagy fogalomzavar van, vagy csak semit nem értek amit leírtál... Kezdjük: Szóval csináltál a tápnak egy feszkétszerezőt, mert nem volt középleágazásos trafód. Két 10eµF rendben van. Hogy miért jön abbol 1V ki nem tudom... Olyan nagyon nem szabadna lenie. Azzal az ellenállással mit akartál kezdeni? Tán lemérni hogy terhelve ad e ki feszt? Muszály neki terhelés nélkül is kiadnia feszt. feszkétszerező itt kondi nékül próbáltad ki? Ilyen őrültséget. Azzal egy szép lüktető egyenfeszt engedtél rá... És az erősítőknek sima szürt egyenfesz kell. Amit pufferkondival kell símítani. Ajánlom átolvasni:Deguss cikkét! Azt a pár alkatrész csak nem fordítva kötötted be. A tápod rosz valszeg. Kipróbáltad két 9V AC-s trafóval? És hogyan kötötted be? sorba a két trafó szekuderét és egy Graetz híddal egyenírányítottad, pufferelted? Puffer nélkül... hát nem tudom hol gondoltad hogy két darab diódával tudsz szép egyen áramot adni neki... Érdemes lenne hazsnálni az adatlapokat. Egy minimálsi angoltudásra van csak szükséged, hogy megérsd mennyit bír az a dióda amit betettél. http://www.datasheetcatalog.net/ Kerek 1A bír szegény dióda. Minimum négyszer ekkora kell oda. Szóval Te az adatlapjában lévő kapcsit csináltad? Annak mennie kell! Nézd át az egészet.
hello!1 volt alatti feszültség jön ki a traófóból,nem pontosan 1volt,és nagy valószínűsggel jól kötöttem be a kondikat.ugyanazt a feszkétszerezőt készítettem el,mint amit belinkeltél. az ellenállást azért raktam bele,mert olvastam a JHL 10wattos erősítő cikkjét,és benne írja a szerző,hogy élesztésnél rakjunk ellenállást a tápágba ,mert ha valami gáz van,csak az száll el.(trafó egyik kimetete után egy ellenállás, és utána a dióda,kondi stb.de később kiszedtem az ellenállatot).a trafó jó,mert terheletlenül leadja a 28volt váltót,(bár sztem kérek kölcsön majd egy próbatrafót, hátha az a baj.) róla használtam a tda2030-at,mely puffer nélkül is működött tökéletesen (na jó: "nagy" hangerőn 8ohmon kicsit betorzított...
), mert a tápágban neki is volt a kapcsolási rajza szerint kondi (1000mikroF).ezért mertem kipróbálni puffer nélkül a tda7294-et. 2db 9vDC-s trafóról próbáltam ki. ezeket kötöttem össze,majd mentek egy graetz-re,nehogy rossz feszültség menjen a bemenetre. Adatlapokat sűrűn használok,azért kössz a tippet! A diódát majd kicserélem,kössz h szóltál! Milyet ajánlanátok? elvileg ezzel a diódával is mennie kellene, most csak próbaüzem van. Ma az lesz,hogy átnézem még 100-szor...vagy újra is építem.bár sztem a kapcsirajz jó, a táp nem adja le a feszt....Remélem minden kérdésedre válaszoltam. Kössz mindent!
Szia. nem tudom hogy vetted ki azt a két pufferkondit, de annak kell létrehoznia a virtuális földet. Szal az úgy nem igazán jó megoldás, mégha ott van az a két 1000µF-os kondi is a panelen.
igen. azzal a diódával is kéne mennie. De nem tudom hogy miért nem ad ki magából feszt. Csak rosszúl van öszekötözve a tápod. Én nem kötöttem volna rá a panelt a tápra ha nincsen meg a feszültség. Sietni itt nem szabad ha nicsen minden ok. Trafó: 28V AC éppen a határon van. Üresjáratba meg is haladhatja a 40V-os határt. Ezt majd mérd meg ha beindul a tápod. Nem jól olvastad szerintem. A korlátozó ellenállás a pufferkondi után szokták tenni, és minimum 5-10Wattosat. Az rendeben van hogy azon kéne esnie a fesznek. Csakhogy éppen nem szabadna melegednie ha minden rendben van vele. Idézet: „tegyünk pl. egy 1ohmos, nagy teljesítményű ellenállást a pozitív tápfeszültség ágba” Egyszóval a + táp ág a pufferkondi után van. Idézet: „1 volt alatti feszültség jön ki a traófóból,nem pontosan 1volt” A diódát záró írányba raktad be?? mert akkor mérsz 0.6V-ot kb.
ma vagy holnap jön a trafó,és egy hozzáértő emberrel megvizsgáljuk! utána válaszolok az összes kérdésre!köszi! még próbálkozok azért vele egy kicsit! Jó fórumozást!
Ez így nem fog menni...
Trafót újra kell tekerni és ehhez igazítani a szekunder oldali alkatrészeket és a feszültségfigyelést. Üdv Inhouse |
Bejelentkezés
Hirdetés |




:yes:
:worship: 
Köszönöm! 
,habár rendes szimmetrikus tápot eddig még nem kapott
kösszi a tippeket! Egyéb véleményeket szívesen várok! 








