Fórum témák
» Több friss téma |
Fórum » Tranzisztorok helyettesítése
Nagy valószínúséggel MPSA42 is jó oda. CRT televíziókba videó végfoknak minden helyett azt raktuk be. Ráadásul nagyon olcsó volt.
Na az nagyon jó lenne. Abból pont van itthon tizenegynéhányam.
Lehet, hogy megpróbálkozok azzal.
Hali
ESP-32 GPIO kimenetről szeretnék meghajtani egy mágnesszelepet (12v 300mA). A GPIO kimenet 3,3V és 40mA-ig terhelhető. A kapcsolások amiket néztem a TIP102-es tranzisztort vagy az IRF3708-as mosfetet ajánlák. Ezek közül egyiket sem találom itthon webshopokban (lomex, hestore, hq, conrad). Ti mit tudtok ajánlani? Csatolok pár képet, hogy mire gondolok.
Szia!
A TIP102 darlington. Tökéletesen megfelel az adott célra a TIP122, ami szintén darlington.
Megint segített a "Keresztreferenciák". Bővebben: Link
Hali!
Valakit kérek segíteni, hogy a képen látható tranzisztoron milyen gyártónak a jelölése látható.?
Mikroelektronikai Vállalat, ami már régen nem létezik.
Köszönöm!
A kérdés azért van, mert amibe beszereltem, nem mindegy, hogy mennyi a tranzisztor béta értéke. A fiók aljában, van több felségjelű, ilyen tip. tranzisztorom. Minden jelölésűnek más ez az érték. (mértem) Ha vásárolni akarok 2N3055 tranzisztor, nekem ezt az értéket nem tudják megmondani.?
A béta soha nem egy fix érték egy típusra nézve. Általában megadnak egy jellemző értéket, de az csak egy nagy átlag, és példányonként jelentősen eltérhet.
A kereskedő meg, akitől vásárolni tudsz ebben a kérdésben nem tud neked segíteni, nem fogja válogatni a kényes vevői igények szerint. Sok olyan tranzisztor típus van, ahol a gyártó válogatja, szortírozza a tranzisztorokat béta alapján, és egy egy típusnak így több alcsoportja is van, amiknek a jellemző béta értékük más és más, de az sem jelenti azt, hogy a csoporton belül mind egyforma lenne. És ezek jellemzően kis teljesítményű tranzisztorok. Vagyis ha egy áramkörben adott bétájú tranzisztor kell, akkor sokkal többet kell venned, hogy legyen miből kiválasztani a megfelelő értéket, vagy az áramkört kell átszámolni úgy hogy a rendelkezésre álló bétájú tranzisztor megfelelően működjön. Az áramkörök tervezésénél egy alap szempont ez is, hogy amikor egy tranzisztort kiválaszt a tervező, akkor végigszámolja a lehetséges béta szórásokra is az áramkört, és ha kritikus az érték, akkor előírhatja, hogy a béta mekkora tartományba eshet. Aztán majd a gyártáskor a technológusok vagy válogatnak, vagy ha kellően nagy tételben vásárolnak, akkor a gyártótól eleve úgy rendelik meg, némi felárral.
Hello! Az kimaradt, hogy az áramerősítés értéke a kollektoráram függvénye is. Avagy nem minegy milyen kollektoráram mellett méred/válogatod..
En spec a MOSFET kapcsoloelemet valasztanam, es ahogy neztem be tudsz szerezni IRLB8721PBF a Farnell magyarorszagi oldalarol (olyan N-MOSFET kell aminek alacsony a gate threshold feszultsege). Az eredetileg emlitett IRF3708-nak 0.6 - 2V es 2.7V eseten mar 40A-t kepes atereszteni. Az IRLB8721PBF eseteben 3V gate feszultsegnel "csak" 3A. A magyar Farnell oldalon talaltam meg egy versenyzot, RTR040N03HZGTL. Ez akkor erdekes, ha kepes vagy SMD alkatresszel foglalkozni.
Mindezeken fuggetlenul en betennek valami galvanikus elvalasztot, pl 4N35 es akkor az alacsony gate threshold nem is erdekes. A hozzászólás módosítva: Máj 15, 2022
Sziasztok.
Kicsit elakadtam. Volna egy gyújtás áramköröm ahol egy 2SD1071-es NPN darlington a CDI egység vége. Ennek adatai: Vcb: 450V , Vce: 300V , Veb: 6V , Impulzus árama: 6A , RMS áram: 2,5A disszipáció 40W Ezt az alkatrészt kellene kiváltanom egy FET-re mivel magas a disszipáció így a dobozon belül rendre szétég az alkatrész, károsítva a panelt vagy tönkretéve magát a gyújtás vezérlő spéci ic-t aminek helyettesítője sem létezik. ![]() Mod.: Adatlap az alkatrészhez: adatlap PDF A hozzászólás módosítva: Júl 15, 2022
És ha "bikább" tranisztort tennél a helyére?
Mit javasolsz? Többnyire itt a hőtermelés a gond.
IRF740/840,10-20 ns,szerintem jó lehet neked,már ha a gate meghajtás is megfelelő.
Az a gond hogy az eredeti darlington meghajtó feszültsége 4-5,5V közt van ahogy mértem.
IRF740 adatlap közepén a nyitófeszhez tartozó áram karakterisztika.
Szintillesztés,fet meghajtó,vagy ULNxx, 7414, is jó lehet.
Az a baj maga a gyári elektronika mellett kb még talán 2 tranzisztort tudnék elhelyezni úgy hogy ne "nőjjem" ki a dobozt, ráadásul ezt rázkódás állóvá is kell még varázsolnom.
Amire gondoltam az inkább logikai FET (mivel ott akkor az 5V már bőven nyitott állapotot feltételez), és mivel a CDI-n belül a darlington is már tranzisztorról van hajtva így még némi áram is jutna, oda, persze méretezéssel, amire így hirtelen ráleltem az a Hiperfet családban van, ott elvileg a Vgs 4V rms-el már elegendő lehet, pontosabban itt a IXFT26N50 -et néztem ki "kísérletezni" elsősorban , aztán majd elválik jó lehet-e.
Persze,próbálgasd csak,aztán melegragasztóval is kiöntheted,az oldható is hőléggel.
Ilyesmire gondoltam, sajnos a gyári elektronika eléggé pótolhatatlan (a vezérlő ic-je), viszont az a gond a tranzisztoros vég annyira tud melegedni hogy képes megégetni a nyáklapot és maga körül mindent az elektronikában.
Elég nehéz eset.
![]() Még a teljesítményre, a disszipáció szempontjából, pl. 125 W-ost is találok, de az elviselendő feszültségre nem nagyon.
Igazából itt ugye ami lényeges a meghajtó feszültség (itt ugye 6Vpp max), és az a tény hogy 1x ohm a primer ellenállása a gyújtótrafónak, ami miatt a visszahajtó feszültség is tetemes lehet.
![]() Esetleg külső alkatrésszel védeni a fetet a visszahatás ellen? Azért is gondoltam fetre mivel a 0.xxohm belső ellenállás olyan alacsony hogy a tizen ohm ellenállású gyújtótekercs mellett annyira eltörpül hogy legalább érdemi disszipáció nem nagyon vagy alig lenne, viszont a gyári alkatrész irtóra fűt, a ház pedig zárt amiben van.
Idézet: „gyári alkatrész irtóra fűt” Igen, az adatlapja szerint már felső határértéke a 40 W.
Esetleg a BUZ80A? De nem tudom kinyitna-e.
Sziasztok.
IRGB14C40L szeretnék helyettesíteni, elméletileg már nem gyártják, ez egy motorgyujtásban lévő igbt. Amiket kinéztem helyette, csatoltam is őket, viszont ezekben nincs G 75Ω és G-E 20kΩ ellenállás, G-E és C-G TVS diódák amik 12V meg 400V-os darabok. Betehető ezek közül valamelyik?
Szia!
Hasonló jellegű kapcsolásokban be szoktak tenni a G-D vagy G-C közé egy 600 voltos diódát és egy megfelelő feszültségű ( 4...600 V ) zenert sorban, hogy a keletkező nagy +ugrást rövidre is zárassák az eszközzel, a max drain vagy kollektor fesz alá méretezve. Nálad lehet jobb híján 2 szembekapcsolt zener is a ZY, ZPY fajtából. A G-E közé szintén. Az igbt egyéb tulajdonságait hasonlítsd a régihez.
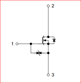
Sziasztok! Daewoo 21CB1TK televízió FET-jét szeretném helyettesíteni aminek a gate és a source között van valami dupla dióda.Típus 2SK3567. Gondolom egy TVS és egy zéner dióda, de csak " sima" FET-em van itthon. Van viszont P6KE200 szupresszor és 18V 1W-os zénerem. Kérdés ez jó lehet így? Bár a rajzon szereplő FET sem ilyen dupla diódás. Köszönöm a segítséget!!
|
Bejelentkezés
Hirdetés |


















