Fórum témák
» Több friss téma |
Szia! Kérlek linkeld be azt a kapcsolást amit megépítettél.
Ez a te kapcsolásod csak ennyi változtattam rajta hogy stereóban van.
Ha betartottad a kondenzátorok előírt feszültségtűrését, akkor nincs semmi tennivalód, mehet rá a 24V.
Rendben, köszönöm!
Üdv!
Közben találtam egy hasonló teljesítményű erősítőből bontott 12v os trafót. Vettem egy egyenirányító hidat, olvasgattam hogy mi kell még hozzá. Azt találtam, hogy pufferelés, de az ugye van az erősítőn is, akkor most elég ami az erősítőn van vagy kell még pluszba? Előre is köszönöm!
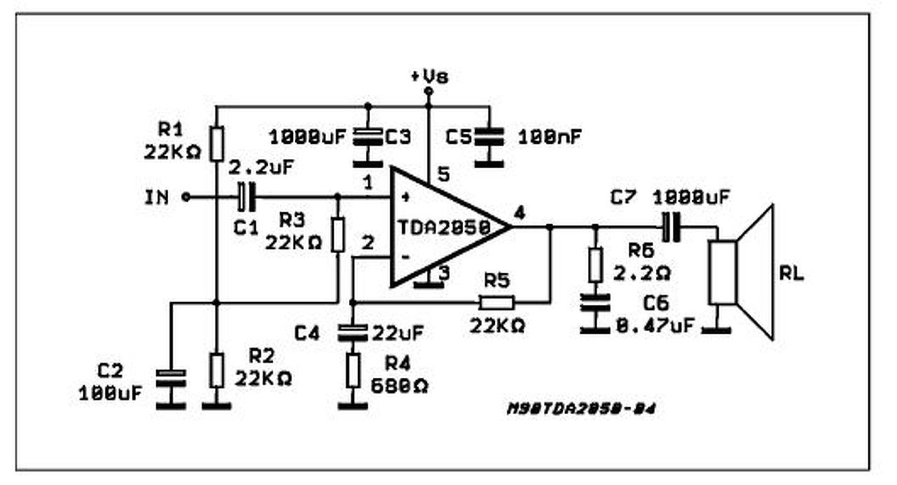
Az erősítőn lévő C5, 470µF kapacitás csak a csatornák közötti áthallást, gerjedést hivatott megakadályozni. Az egyenirányító híd után 2200-4700µF puffert iktass be!
Rendben, köszönöm!
Ismét itt vagyok, az a problémám, hogy az erősítő egyik fele valamiért nem szól rendesen. Elmagyarázni nem tudom, ezért készítettem egy videót:Videó
Amit észrevettem, hogy az RCA csati rosszul van bekötve, de az nem hiszem hogy gond lehet, majd orvosolom. A különbség a két oldal között hogy az egyikben két fólia kondi helyett két kerámia van, de a méreteik egyeznek. Valami ötlet, hogy miért ilyen? Előre is köszönöm!
Első lépésként kösd be jól az RCA csatlakozót.
És lehetőleg árnyékolt vezetékkel.
Egy jó tápegység és megfelelő hangsugárzó se ártana a teszteléshez. A hozzászólás módosítva: Dec 17, 2015
Meg lesznek csak azt nem értem hogy ugyan azzal a hangszóróval az egyik "szépen" szól a másik meg valami nem tudom miket csinál.
Azt a torzítást túlvezérlésnek hallom, ellenőrizd a visszacsatoló ellenállások értékét!
Mivel ennek az erősítőnek "jelentősebb" költségét a tápegység ( trafó) teszi ki és az nálad adott, csak 12V-os én azt javaslom előbb rakj össze egy egyszerűbbet, a TDA2003-ból. kevesebb alkatrész kell, az beéri 12-18 V-os DC táppal. A TDA2030-nak inkább 24-36V szükséges., de jobban érzi magát a szimmetrikus +_18V DC táplálással. Sokat tanulsz belőle, a meglévő alkatrész egy részét ahhoz is felhasználhatod, elég hasonló,
Én hangsugárzót írtam, nem hangszórót, azon jobb meghallgatni az elkészült erősítőt. A hozzászólás módosítva: Dec 18, 2015
Rendben! Köszönöm!
reloop: Azok melyikek?
Az R1 és az R2 állítja az erősítést, Au=1+R1/R2.
Az ellenalasok stimmelnek. Megcsinaltam a bemeneti rcat most ha kihuzom a baloldal szol a jobb, viszont ha a bal oldalt hasznalom es kihuzom a jobboldalt akkor nem szol.
Amire még gondoltam hogy valamit rosszul csináltam a nyákon. Mellékelek egy képet hogy lássátok. A hozzászólás módosítva: Dec 19, 2015
A testet sajnos nem szabad így összekötnöd. A 470µF kondikat egy külön vastag vezetősávval (utólagosan dróttal) kösd össze és ennek felezőpontjára kösd rá a tápot.
Az RCA-d ezek szerint még rosszul van bekötve, amelyiket bedugod annak kell szólni, mivel szemmel követhető a dolog, meg tudod magad is oldani.
szia
jól látom a hangszorókon kondik vannak?? azokat én leszedném, mert gondolom egy hangfalból származnak, ahol megvolt a szerepük... nekem is úgy tünik, hogy túlvezérlés van az egyik csatornán... cserélted össze a bementeket, illetve a hangszorókat?
Rendben, akkor meg van a megoldás!
Ma is tanultam valami újat! A vezetősávot elvágjam amivel össze van kötve? Holnap megcsinálom! Köszönöm! Ami még lemaradt, hogy 18v os tápal használhatom? Vagy csak 12v és 24v? @bando Igen van rajta kondi és bontottak. Le fogom szedni! Persze, természetesen cseréltem a hangszórókat és a bemenetet is! Köszönöm! A hozzászólás módosítva: Dec 19, 2015
Igen, a panel közepén a C5 -C7 ne érintkezzen közvetlenül.
Rendben!
Ha az egy széles sávú hangszóró és a középső tölcsér tekercsére van rákötve a kondenzátor, akkor nem kellene levenni.
Meg csináltam, átkötöttem a GND-t és a régit elvágtam, de nem változott semmi.
Valami ötlet? Ha kel holnap készítek képet a nyákról.
Mindenképp készíts képet, az segíthet!
A kép hasznos lesz.
Boldogultál az RCA aljzat bekötésével?
Szia,
kérdéseim:- mivel táplálod végül is? leginkább a szimetrikus tápot szereti, egészen 2x18 V- ig.. ha pedig egyszerű, sima táp (ami lehet max. 36V), akkor legyen szűrve, -amint írták mások is-, legalább 4700 uF, s nem árt csatornánként 100 nF kondi az IC mellé a tápra. Ha sima táp akkor maradhat a test közös, amint a nyák-rajzon van...nem kell szétválasztani. -mindent jól kötöttél be? ellenőrizd le, nincs-e híba, főleg a kondiknál a polaritás! -mértél feszültségeket? párhuzamosan sávokként méricskéjjél..és hasonlítsad össze Ha semmi , akkor marad a favágó módszer: szerre kezdjed összecserélgetni az alkatrészeket sávokként, főleg a kondikat és az IC-t (!!), és erdeményre kell vezessen...
Sziasztok!
Ebben a kapcsolásban hová tegyem a potmétert hogy lehessen szabályozni a hangerőt? Mi legyen az értéke? A választ előre is köszönöm.
Szia.
A bemenet elé tedd a potit és az értéke 47...50 kOhm körül legyen.
Nézd csak: Bővebben: Link.
|
Bejelentkezés
Hirdetés |














