Fórum témák
» Több friss téma |
Nem tudom hogyan tökéletesíthető tovább ez a tranzisztoros fokozat, ha magamnak készülne meneten térnék át műveleti erősítőre.
A témában emlegetni szoktak egy kis brummogást, főleg ahogy száradnak kifelé tápszűrő kondenzátorok. Az alaplapon elkelne valamilyen aktív szűrés a HR97 pozíciószámú 330 Ω-os ellenállás helyett. Egyszerű kapacitássokszorozótól kezdve, Zener-es stabilizátoron át, 24 V körüli stab. IC-ig bármi javulást hozhat.
Köszönöm. Tehát a 330Ω csinál 28V-ot a 34-ből?
A 28-34 V azt jelenti ebben a tartományban mozog a pozitív táp amiről a végerősítő is működik. Terheléstől, hálózati feszültségtől függ ez az érték.
A 330 Ω-on annyi esik amennyi áramot felvesz a RIAA korrektor, a bemeneti illesztő és a hangszínszabályzó együttesen, 5-10 V-ra tippelem. A Vidin kívül nem is jut eszembe erősítősítő ahol ne lenne aktív szűrés az előerősítő számára. Meg is nézem mindjárt az Orionokat.
Köszönöm. Akkor a 330Ω-os fűtőtest helyett, berakok 7824-et, ha az megfelelő. Előtte-utána mekkora kondik legyenek? Próbálnám kicsit rendbe rakni. Majd, teszek fel rajzot a fejleményekről, véleményezésre.
A 7824 minden bizonnyal megfelel. A kondik a meglévőkön kívül a szokásosak, a be oldalon 330 nF, a kimeneten 100 nF és ajánlott a kerámia kivitel. Ezeket a kondenzátorokat a stab IC lábához a lehető legközelebbre ültesd!
Tégy visszáram diódát (pl. 1N4001) az 1-3 lábak közé, mert megeshet, a végfok táp hamarabb leesik a kikapcsolás pillanatában mint az előfok pufferei és azt a 7824 zokon venné. Bővebben: Link
Köszönöm. Azon gondolkodtam, ha kicserélném a trafót egy jobbfélére és nincs rajta 3.1V váltófesz, azt hogyan lehetne előállítani nagyobb feszről?
Szia!
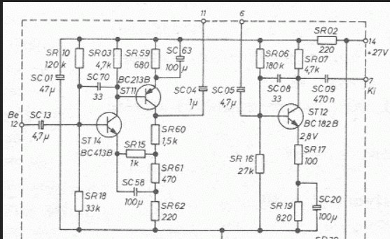
Rajzoltam valamit. Azt vettem észre, hogy a T11-nél, az 1µF és a 100µF csatlakozása, fel van cserélve a gyári rajzon, a panelhoz képest (mindkét oldalon).
Szia! Úgy is működik ahogy lerajzoltad, csak rosszul. A gyári rajz szerint működik helyesen A T14-T11 áramkör.
De akkor, miért van úgy a panelon, ahogy rajzoltam? Kisípoltam műszerrel is.
Tehát, az 1µF az emitterhez megy, a 100µF a collector-hoz, a panelon, a gyári rajzon pedig fordítva. A hozzászólás módosítva: Máj 18, 2024
Valószínű, akkor a szitázás rossz a panelon, én meg azután mentem. E-B-C, valójában, C-B-E.
Sziasztok!
Tönkrement a BD809 és BD810-es tranzisztor a baloldali végfokban. Ilyet már nem nagyon lehet kapni és azt szeretném megtudni, hogy a TIP142T és TIP147T tranzisztorokra ki tudom-e cserélni őket a végfok átalakítása nélkül? Másik kérdésem, hogy az áramköri rajzon a tápnál a TC09-es kondenzátor 70µF vagy 10uF? Tudomásom szerint valaki már javította az erősítőt és feltehetően félreolvasta úgy gondolom, mert jelenleg 10µF 25V-os kondi van benne. Mindig is volt egy búgása az erősítőmnek, ami néha zavaró volt, talán pont emiatt? (Ha nem 70µF van a rajzon, akkor nem szóltam )Köszönöm a válaszokat!
Szia!
A TIP-ek Darlingtonok, oda nem lesznek jók. Ide írd be a helyettesíteni kívánt tranzisztort és megkapod a típusokat: Bővebben: Link A kondenzátor 70 µF-os lesz a rajz szerint.
Szia!
A TC09, az 10uF. Márcsak azért is, mert megnéztem a panelon és újracsináltam az egészet. Persze 70-nek van írva a rajzon.
Köszönöm!
Ezen az oldalon néztem, azért hittem, hogy jó lesz, mert itt írja a TIP142T -t alternatívának: https://www.el-component.com/bipolar-transistors/bd809 Sajnos az általad említett linken felhozott tranzisztorok ugyan úgy nem elérhetők a HQ elektronika oldalon, ahonnan rendelnék, így kénytelen leszek több helyről rendelni, találtam BD809, BD810-et a ret.hu oldalon.
Köszi az infót, akkor megnyugodtam!
Viszont, amit még észrevettem és nem tudom normális jelenség-e, elektrolit kondenzátorok majdnem mindenhol magasabb értéket mutatnak mint, ami rájuk van írva. Pl.: A 4700µF -os kondi 6800µF -os, a 47µF-os 64µF stb... és azért ez nem 20%-os tűréshatár. (Nem az áramkörben mértem, kivettem őket) Elöregedtek volna?
Nem tudom, én is mindig nagyobbnak mérem őket.
Lehet, hogy még jók.
Üdv újra!
Lehet, hogy ez már nem "tuning" hanem javítás kategória, ezért elnézést kérek, de ha már itt kezdtem bele, gondoltam akkor rákérdezek itt! Kicseréltem a bal végfokon a BD809 és BD810-et egy újra. Bekapcsol, minden oké, nem vágja le a biztit. Viszont rövid idő után recsegés és szikrázó hang jön a bal oldalon, ami nagyon hangos, a teljesítmény kijelző fel-le ugrál. Bármi ötlet, hogy hogyan induljak neki ennek a hibának a felkutatására, esetleg mi lehet az oka? Köszönöm a válaszokat, szép estét! A hozzászólás módosítva: Máj 28, 2024
Szia!
A meghajtótranzisztoraikat és környezetüket is átmérném. Általában több dolog is tönkremegy, nem csak a BD.
Nem hinném, hogy a végfokban lenne a további hiba. Ha szabályzó egységet leválasztom a tápról (H2, H3, H4, H5) akkor a nagyon hangos szikrázó recsegő hang megszűnik viszont még így is hallható a bal oldalon hogy nem oké... sercegés, pattogás.
Ha a szabályzót a szűrő egységről leválasztom akkor teljesen megszűnik a zaj.
Azt nem tudhattam, elnézést.
Várjuk meg reloop-ot, ő ért hozzá.
Hát...meglepő módon megjavult. Elkezdtem ellenőrizni a szabályzón a kondikat, hogy nem e az a ludas, szépen megnéztem mindet, de mivel mind hibátlan volt visszaraktam, majd a tranzisztorokat is, de azok is hibátlanok voltak. Visszaraktam és már nem rossz... ki érti ezt?
Még a halk búgás is teljesen eltűnt, ami korábban volt.
Akkor lehet, hogy a modul érintkezői eloxidálódtak és ettől lett kontaktos/sistergős. De mivel kihúztad, visszadugtad, kicsit megtisztult az érintkezés.
Szia!Ha még aktuális a kérdés, akkor ha jól emlékszem a középsugárzó hangerejét lehet vele beállítani.Én is szoktam korrigálni a DC2550-nél(hangkártya EQ), mert eléggé harsogó tud lenni.Egyébként szép mentés volt, kár, hogy mifelénk nem akadni ilyen szettekbe.
Sziasztok!
Ez egy új kérdés. A kérdés az, hogy ez jó így? ![]() A szűrőmodult rajzolgatom, meg raktam bele két relét, mert volt itthon feleslegben. Egy a monitorozásnak, egy a fejhallgatónak. A mono/stereo gombot használom monitornak, de jumperelhető, így visszaállítható az eredeti funkciónak. Nézzétek meg légyszi, hogy gyártható-e. Ti úgyis jobban értetek hozzá. Köszönettel:lóri |
Bejelentkezés
Hirdetés |







)




