Fórum témák
» Több friss téma |
Fórum » Videoton Lyra, Star, Star De Lux, Capri készülékcsalád
Témaindító: rozsdas111, idő: Okt 19, 2019
Sziasztok! A Videoton címben szereplő készülékeinek felújításával, javításával,használatával kapcsolatos tapasztalatok kérdések,válaszok,probléma megoldás céljából nyitom ezt a témát.
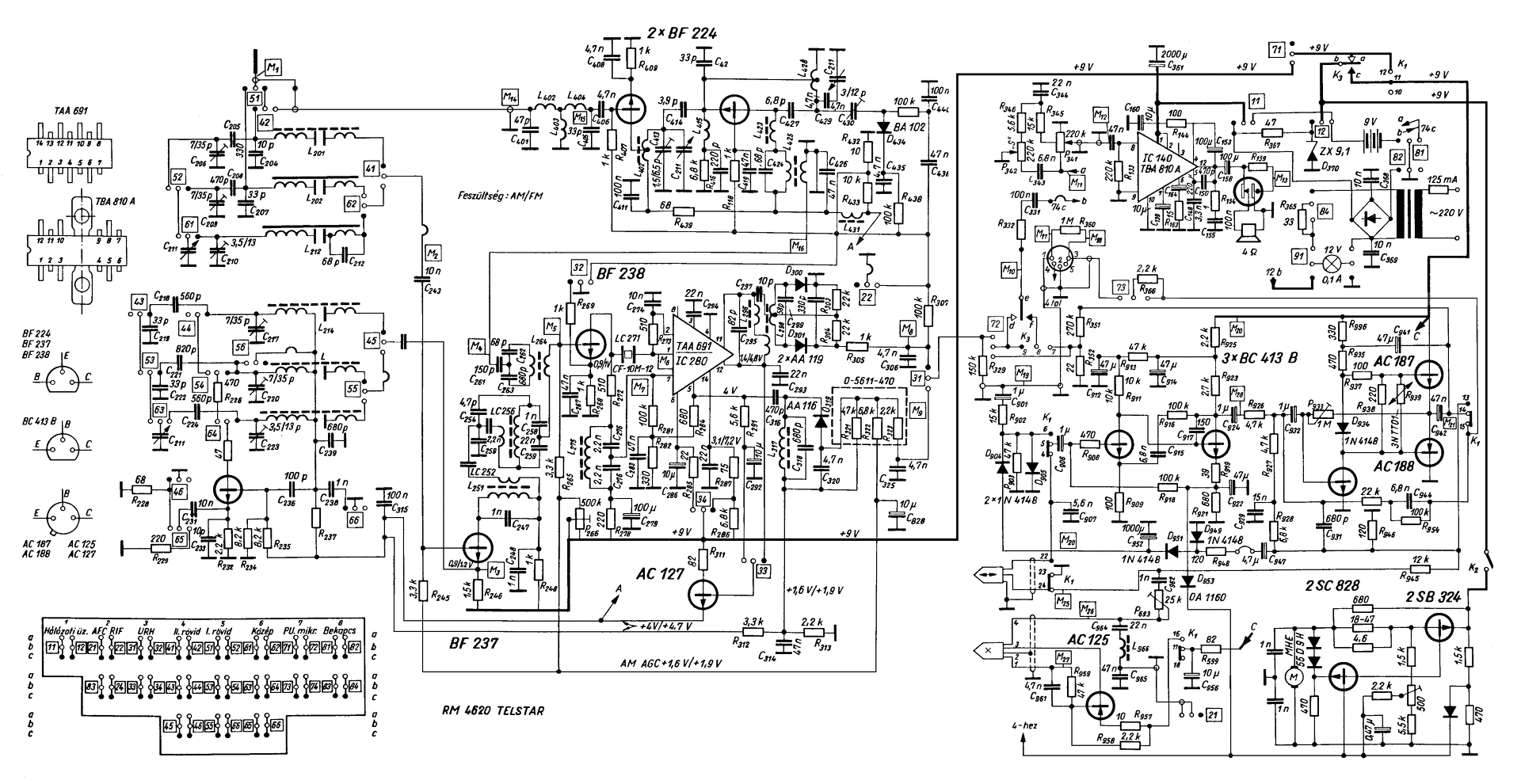
Mindjárt téma indítónak kérem is a szakemberek segítségét. RM4620 készülék, a képen jelzett ellenállás erősen forrósodik és a kép jobb oldali részén látható fém lemez is melegszik. A bekapcsoló gomb szerkezetéből halovány kis füst látszik. Hol kezdjem a vizsgálódást?
Kiegészítem a probléma leírását annyival hogy hálózatba bedugott, de kikapcsolt állapotban is kézzel foghatóan meleg a jelzett oldal lemez és a bekapcsoló gombnál lévő ellenállás viszont nem forrósodik ha kiveszem a skála izzót
A jelzett ellenállás (R365) sorba van kötve a 100mA-es skálaizzóval, így jogosan melegszik.
A lemez nyílván hűtési célt szolgál, melegedése szintén lehet üzemszerű. Meg kell nézni, hogy mely félvezetők vannak rászerelve és a rajz alapján eldönteni, hogy az adott mértékű melegedés normálisnak tekintendő-e. UI: Azt is figyelembe kell venni, hogy a készülék 220V névleges hálózati táplálásra lett tervezve tehát a tápegység környékén némi hőemelkedést ez is okozhat A hozzászólás módosítva: Okt 19, 2019
A kis mértékű füstölésnek lehet az oka hogy pl. előzőleg be lett fújva a kapcsoló valami kontakt spray-vel? Vagy esetleg nem jó izzót tettem bele ( az RA6350-hez vásárolt 6,3V 2W 300mA )?
Ennek a hangszínszabályozó potméterről jövő szürke vezetéknek a másik vége el van ereszkedve, nem tudom hova kéne illeszteni.
Hello! A rajzon oda van írva, hogy 12V 0,1A-es izzó való bele. Nem csoda ha izzad a 33 Ohm. A 0,33W helyett most 3W van rajta..
Köszi, vettem a lapot. Majd szerzek bele való izzót.
Ezért küldtem a rajzot, azon biztosan megtalálod.
Igen, a kis füstöt okozhatta a befújás- nyilván nem erre a célra szolgáló folyadékkal. (Valószínűleg WD40 lehetett, mert abban a legtöbb a petróleum...) A skálaizzót kicserélheted egy fehér LED-re (ellenpárhuzamos dióda is kell, valamint egy soros 560 ohmos ellenállás) A hozzászólás módosítva: Okt 19, 2019
A soros ellenállást még tudom értelmezni, na de [b]ellenpárhuzamos [b]dióda- na az már meghaladja a képességeimet
. Mindjárt google lesz a barátom.
...és hol kötöttem ki? Ugyanitt a Hobbielektronika oldalon. Na ezért szeretem. Jobban mint a facebook HE csoportot.
Ha megfigyeled a rajzot, a skálaizzó a 12V körüli váltakozó feszültségre van kötve. Neki mindegy, de a LED csak a neki nyitóirányú félperiódusban világít (ami nem baj) viszont a záróirányú félperiódus feszültségét nem feltétlenül bírja ki,ezért kell oda egy dióda, ami akár egy másik LED is lehet
Lehet ezekhez még valahonnan kompatibilis magnó lejátszó fejet szerezni?
|
Bejelentkezés
Hirdetés |







. Mindjárt google lesz a barátom. 





