Fórum témák
» Több friss téma |
Azóta is várjuk.
Lehet hogy eltart egy ideig...
A hozzászólás módosítva: Dec 25, 2019
Ó, pedig most hogy kiderült, a kozmikus háttérsugárzásra érzékeny szerkezettel van dolgunk, rendkívül kíváncsi lettem. Azért a 160 GHz-es érzékenység nem kutya, ezt neked is be kell látnod! Wikipédia: Kozmikus mikrohullámú háttérsugárzás.
Nem a mikrohullámú háttérsugárzásról beszélt, hanem nagy energiájú részecskesugárzásról (proton stb.). Bár nem hiszem, hogy ezt vette volna egy VLF vevővel. Szerintem lehetetlen! Nekem müon részecskék detektálására kellett egy 60x55mm-es NaI(Ta) szcintillátorral szerelt detektor. És ezzel is csak 15 nagy energiájú részecske körül tudtam detektálni 20 perc alatt.
Idézet: Az sem piskóta. „Nem a mikrohullámú háttérsugárzásról beszélt, hanem nagy energiájú részecskesugárzásról”
Milyen messzire volt tőled egy nagyfeszültségű távvezeték? Azokból szoktak származni ilyesmi hangok.
Sziasztok!
Van valakinek " mostani" vagy stabilan működő villámdetektora fényképezőhöz?
A készülékemmel nem mikrohullámú sugárzást érzékelek hanem hangfrekvenciásat. 20 kHz fölött már nem foghatók ezek a jelek. Az erősítő nagyon nagy bemeneti ellenállással rendelkezik , ezért nagyon érzékeny a villamos térre. A legközelebbi távvezeték 8 km-re volt annak az 50 Hz-es hangja már nem hallatszott. A hortobágyi pusztán találtam ilyen zavarmentes helyet.
Inkább a whistlereket és más, az ionoszféra által eltozított villám zajokat és a napszél-recsgést hallottad.
Whistler detektálás A hozzászólás módosítva: Feb 1, 2020
Ha a természetes rádiót akarjátok hallgatni, akkor készítsetek egy ilyen vagy hasonló E-tér vevőt. Nekem is hasonló van és egy 20 cenitis drót az antennája. A zavarmentes működéshez vezeték és lombkorona mentes területet kell találni. Bővebben: Link
Szia, városban csak a brumm jönne róla? Ha csak hallgatni szeretném, akkor kell a második fokozat is, vagy mehet bele egy közönséges erősítőbe a leválasztó trafó előtti részről?
Amúgy furcsa egy rajz, 2nF és polarizált? Van 100nF és van 001µF is? Kipróbálnám, de bizalmatlan lettem! A hozzászólás módosítva: Feb 1, 2020
Nincs ott polarizált kondenzátor. Az amerikai jelölésmódnál jelezni szokták a tekercselt fegyverzetű kondenzátor külső fóliarétegét a brumm minimalizálása miatt (azt a felét kötik a hidegebb oldalra). A rajzon .001 µF van, ami 1nF-nak felel meg, a 2nF pedig értelemszerű. A többszöri átírogatások miatt van ilyen többféle jelölésmód. Egyébként az első TL071 bemenetén az R-C kombináció egy 50Hz szűrő, ami akár el is hagyható.
Amit én valósítottam meg, az is nagyon hasonló ehhez, csak én nem kötöm számítógépre, hanem fejhallgatóval használom, ahol az első műveleti erősítő után egy hangerőszabályzó potméter van és egy LM386 hajtja meg a fülest. A városi használatról nincs tapasztalatom, de felsővezetékek (vasút, áramszolgáltató) környékén esélytelen a vétel.
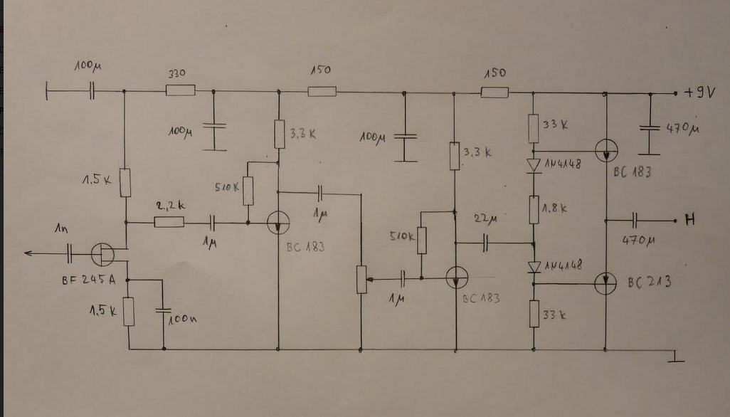
Itt van az én kis próbanyákos áramköröm. Egy 9V-os elemről üzemel.
A fent említett természetes rádió leírásának hangfájljait meghallgattam, ugyanezeket a hangokat hallom én is, ezek szerint az említett készülék szintén hangfrekvenciás rádióvevő.
A napszélnek nem tudom milyen a hangja. A whistler hangját ismerem de nem hiszem hogy villámok okozzák, a villámnak más a hangja.
A villámok hangfrekvenciás elektromágneses rezgései belekerülnek az ionoszféra által keltett üregrezonátorba és így füttyökké torzulnak. Olvass utána: Wikipédia.
Hallgatni való: Bővebben: Link. Itt vannak északi fény idején hallható (auroral) recsegésekről, csengésekről. A hozzászólás módosítva: Feb 1, 2020
Próbálom itt közzétenni a kapcsolási rajzot de nem sikerül. Tudna valaki segíteni hogyan kell?
Siker. De minek.
Azért küldtem , hátha valakit érdekel a téma.
https://www.csillagaszat.hu/hirek/asztrofizika-hirek/af-egyeb-asztr...garak/
A fenti leírás alapján gondolom hogy a részecskesugárzás hangját halljuk a VLF rádióban.
Azért annak a bemeneti FET -nek nem ártana némi védelem, így nem lesz valami hosszúéletű.
Én is gondoltam védelemre de szerencsére jól bírja a FET még a sztatikus töltéseket is. Kihangsúlyoznám hogy a kapcsoláshoz csak a BF 245A tipus jó, a B és C jelzésűek nem.
Ezt a linket javítsd ki. A részecskesugárzás akkor ölt "hangot", amikor kölcsönhatásba lép a Föld mágneses terével és létrehozza az ionoszférát. Az állandó napszél így biztosítja az ionoszféra állandó meglétét Földünk mágneses terének segítségével, plusz így lehet hallgatni a natural radio-t. A másik érdekes jelenség a földi villámlás elektromágneses rezgéseinek átalakítása az ionoszféra által, ami a whistler-ekben testesül meg.
A VLF vevőben Vhistlert aránylag ritkán lehet hallani, ellentétben a többi hanggal amelyek folyamatosan jönnek. Azok szerinted mik lehetnek?
A napszél gerjesztette rezgések, mert a Föld mágneses tere lép kölcsönhatásba a protonokkal. Erős naptevékenység idején jóval zajosabb az éter. De hasonló erős beütéseket lehet hallani nyári erősebb zivatartevékenységek idején is, de ezek ugye földi eredetű jelek.
Az A, B, C változatok csak meredekségben térnek el egymástól.
Ettől függetlenül a jFET bemenetén egy záróirányban előfeszített pici rétegdióda van (legalábbis kellene lenni), ami azért elég érzékeny. Egy darabig így is működhet, de hogy meddig? Így inkorrekt a kapcsolásod.
A Vgs karakterisztika is eltérő, tehát van még különbség közöttük.
Az BF245A azért különleges mert ha a gate elektróda szabadon van akkor a drain és a source láb között nyugalmi helyzetben 200- 300 ohm körüli ellenállás mérhető. A B és C tipusnál gate lábra negativ feszültséget kell kötni ellenálláson át amivel beállítjuk a munkapontot, ami egyből elrontja a bemenő ellenállást, igy a vevő nem lesz elég érzékeny.
Az első készülékemet kb 40 évvel ezelőtt készitettem, akkor még BF 244 FET-tel, amelyek már nem kaphatók. Igy került sorra a 245A. Kb 30 éve működik ez a kapcsolás ugyanígy. Nagyon kitartó ez a FET.
A szcintillátoros detektornak ismerem a működési elvét. Az közvetlenül érzékeli a detektorba jutó részecskék okozta felvillanásokat.
A VLF vevő a nagy energiájú részecskék elektromágneses jeleit érzékeli távolról, a részecskék a sebességük és a töltésük miatt adják le ezt a jelet, mint ahogyan a mozgó elektronok mágneses teret keltenek. A távoliak halkan jönnek, a a közeliek nagyon erősen. Készülök jobb hangfelvételt készíteni csak még nem jók a feltételek. Ha meg lesz akkor majd itt megosztom. Az jutott még eszembe hogy a napszelet rövidhullámú rádióban lehet hallani és inkább a fehérzajhoz hasonlít.
Persze hogy más a Vgs karakterisztika, mert más a meredeksége S [mA/V]
|
Bejelentkezés
Hirdetés |











