Fórum témák
» Több friss téma |
Fórum » Villanymotor bekötése
4 kW-os motorral hajtott komoly hajtóművel és elég súlyos tengelyekkel rendelkező lemezhajlítógép 4 Ohm-os tekercsellenállású motorját (delta 400V) 73 V váltakozó feszültségről feltöltött 200000 µF (!!!) kapacitású kondenzátor rásütése (~100 V > 25A) és az áramkorlátozós trafó (mágneses sönt) nem azonnali leállással, hanem látható lassulással fogja meg.
A 4 Ohm-ban nem vagyok biztos, mert a digitális műszer sokáig ingadozott, mire itt megállt. Induktív terhelés, forgórészvisszahatás, ...
Idézet: „Kíváncsiságból érdekelne hogy egyenáramú fékezés esetén mekkora árammal kellene számolnom?” A névleges motor áram fölé nem érdemes menni. Bár rövid ideig elviseli akár a dupláját is. De ekkora egyenáram teljes fordulat mellett olyan nagy fékezőnyomatékot ébreszt, hogy károsodhat a mechanika. Mi kísérletképpen egy 7.5kW-os öntött vas állórészű 2900 rpm névleges sebességű motorral régen kipróbáltuk. 110V egyenáramot kapott. Teljes fordulat mellett az egyenáramot rákapcsolva a kb. 20-25 kg-os motor dobott egy 1 méter magas tripla szaltót ( a vezetékeket magára csavarta a levegőben és kitépte a csatlakozásokat). Szóval csak óvatosan!
Köszönöm a válaszokat! Inkább nem játszok most ekkora motorral de ha lesz szabadidőm akkor egy kisebben mindenképp kipróbálom majd ezt a fék dolgot. Előtte azért jól lerögzítem majd nehogy szaltózzon egyet!
Az egyenáramú fékezés hatását nagyon egyszerűen kipróbálhatod ha van használaton kívüli, fel nem szerelt, nem hajtóműves motor hozzáférhető közelségben.
Egy 9V-os elem kell hozzá. Az elemet hozzányomod a kapocslécen két fázis kivezetésre miközben kézzel próbálod a motor tengelyét forgatni.
Igen van itthon pár ami nincs használva. Köszi az ötletet ki is próbálom valamelyik nap ha ráérek!
Sziasztok.
Egy kérdés,a képen látható 1 fázisú Imi motor jól van bekötve?Köszönöm a válaszokat.
Köszi szépen,pont ezt a rajzot találltam meg a kapocsfedélen az imént,melyik két szállat cseréljem meg ha forgásirányt akarom megváltoztatni?Köszi ismét.
A hozzászólás módosítva: Jan 31, 2014
Illetve még egy kérdés,a rajzon a jobb oldali ábra lenne a forgásirány váltás?
Annak az átkötésnek az átfordításával válthatsz forgásirányt. Az egyik rajz az egyik forgásirány, a másik rajz meg a másik irány.
Üdv mindenkinek: Nagy kérdés : van egy olyan villanymotorom Osztrák.az van ráirva,230 /400 v csillag delta 2,2 Kw 2880 N az lenne a kérdésem,hogy ez a motor 230 volttal adja le a 2,2 Kw vagy 400 volttal .mert hogy nem úgy van irva,hogy 400/230 : köszönöm a hozzászólást Oszkár
Szia!
Természetesen mindkét feszültség mellett leadja, ha valódi háromfázisú a táplálása.
Egyszóval 230 voltnál is 2,2 Kw
Helló illesoszkar!
Félek, hogy félre fogod érteni. Igen de 3 fázis esetén ahogy kadarist írta! Tehát olyan 3 fázisú táplálással, hol a vonali feszültség nem 400V, hanem 230V! Ez ugyanis nem ugyanaz mint a 230V egy fázis! ![]() Az ilyen motort is bekötheted 230V egy fázisra kondenzátorral, de sokkal kisebb teljesítményt tud úgy.
Erre voltam kiváncsi ,köszönöm szépen
Pedig odaírtam, hogy akkor, ha valódi háromfázisú....
Köszönöm szépen,világos már minden
Érdeklődnék hogy mi a véleményetek,,,,
![]() Egy körfűrészt most újítottunk fel,új asztal,csapágyazás stb...... sajnos csak 1 fázisom van,és egy 220as 2.2Kwos motorom,ami ugyan szépen hajtja a 300as lapot,de szeretnék rá egy 400asat venni,és azzal már gyengélkedne.220asból sajna nem találok seholsem olcsó 3 Kwos motort,,,,így arra jutottam hogy mi lenne ha egy 380ast kötnék át 220ra. Konkrétan én egy 5.5Kwos motort szemeltem ki,,,mert elvileg az a teljesítményének 2/3részét leadná,-3666w-ot,ami elég lenne. ![]() A villanyórám megszakítója 32A-os,,,,,,,elbírná ez a megszakító ezt a motort átkötve? Illetve ha igen,akkor mekkora üzemi kondi kéne rá szerintetek? Valamint valóban leadná a 380as motor a teljesítménye 2/3át így?
Szia! .... hogy ne kelljen megint magyarázkodni : Bővebben: Link
Mióta dolgozol fa munkálatokkal? A hozzászólás módosítva: Feb 16, 2014
Igazából csak tüzifa vágásra van használva a gép,de nagy mennyiségben
Az átmérő amit alkalmazni akarsz az már az életveszélyes kategória a kerületi sebesség miatt, no és az ismeretlen eredetű vágólap minősége. Ha nem "szeldelt" tagolt a vágólapod akkor ott akkora lesz a kerületi tágulás, hogy a lap behullámosodik és beremeg, ami ilyen fordulatnál beláthatatlan következményekkel járhat. Az átmérő problémát inkább hasítással oldd meg, mint valami bajod legyen a lap hibájából.
A motort azt rendkívüli módon terhelni fogja a lehajtásból erdő megnövekedett ármérő.
Ismerősömnek 5.5Kw motornál,,,380on 500as lappal vígan lehet vágni a 20-25 centis bükköt,vagy akármi mást,,,,a korong 3mm vastag,soha nem remeg be,és a motor is bírja. Nekem 4000res fordulaton pörög a fűrészkorong hogy meglegyen a minimum 60m/sec sebesség.És tagolt a körfűrészlap.
1. Nem is tudod, mekkora fordulattal hajtja most és mennyivel szeretné a 400-as lapot. 1,5 kW-os 3f motor van a körfűrészemen, az egykori 450-es lap már 400 alá kopott, de soha nem volt vele gond. Igaz, ritkán használom tüzifához, de egykor a 15*15-ös fenyőgerendát hosszában végigvágtam.
![]() 2. Szigonynak: Ekkora motort 1 fázisról igazából már csak frekvenciaváltóval illik elindítani. Akkor még a teljes teljesítményét is tudja. De 400-as laphoz bőven elég a 2,2 kW. Csak óvatosabban kell tolni. Fontos a megfelelő fordulat és a jó él. Egyébként nem ok nélkül nincsenek 1 fázisra 2,2 kW-nál nagyobb motorok.
Vettem a lapot!
![]() Mindig is tudtam, hogy a bátraké a szerencse! DE nálam 350mm a plafon és kész. Azt nem mondtam, hogy ettől nagyobb nem lehet de ott már az ember kihívja a sorsot maga ellen. A szalag inkább biztonságosabb .....
Én sem a motor bekötéséhez szólók hozzá, de ez kikívánkozik belőlem. Egyik ismerősöm tűzifát vágott körfűrésszel és eltört a tengely..... Pedig "csak" 300-as lap volt rajta. A fűrészlap a maradvány csonkkal úgy 30 méretnyire repült. Az volt a szerencséje az embernek, hogy nem a lap vonalában állt, így csak egy kis seb lett a combján. Egyébként azonnal letépte volna.
Bocsánat, ezt nem rémisztgetésnek szántam, csak amolyan "gondolatébresztőnek". Köszönöm !...
Tisztelt Hozzáértők!
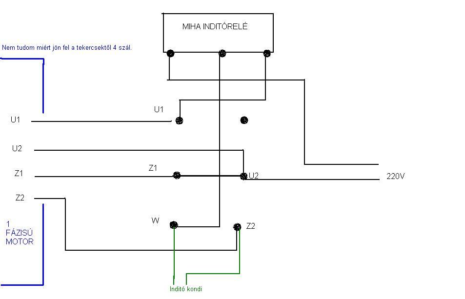
Kaptam egy IMI OZFM 71C 4N tipusú motort, ventillátorban volt vagy 40 éve…... Szeretném bekötni, illetve be is kötöttem aszerint, ahogy a régi kábel volt, de természetesen nem jól volt bekötve, nehezen indul,hol jobbra, hol balra forog, kondi sem volt rajta. A bekötési kis rajzát nézve kell nyomógomb és kondi, illetve valami átkötés is, de nem tudom , hogyan jó. A kép szerint belülről 4 vezeték jön, 2 barna, 2 sárgás…. Valami kondit már rábiggyesztettem az oldalára… Esetleg ha valaki segíteni tudna, hogyan kössem be 220-ra a kondival, és kell-e hozzá mindenképpen nyomógomb??? ( jó lenne a nélkül,--- polírozógépet szeretnék hajtani vele. ) Előre is köszönöm…..
Szia!
Rakd fel a kapocslécre az átkötéseket (vastag fekete vonalak), végy egy rendes fekete indítókondenzátort meg egy nyomógombot. A rajzon indítórelés megoldás látható, de ez ne zavarjon meg, mert a relé érintkezőinek helyére kell a nyomógombot bekötni.
Sziasztok!
Segítségre lenne szükségem, úgy látom itt sokan otthon vannak a témában. Adott a mellékelt képen látható villanymotor. 380V-ról szépen üzemel, de én 220V-ról szeretném üzemeltetni a továbbiakban. A kérdésem az lenne, hogy elég-e egy 150 mF-os indító kondenzátor vagy szükségem van állandó üzemű kondira is? Vagy egyáltalán hogyan kell szakszerűen kivitelezni oly módon, hogy ne égessem le a motort. Sajnos én nagyon zöldfülű vagyok a témában... Elvileg deltában egy fix üzemű kondira lenne szükség de azt sem tudom hogyan kell kiszámolni az ideálist, nyomógomb kell-e így hozzá vagy csak egy bekapcsoló?.....
Szia!
Köszönöm szépen! Ezt sikerült művelni: még nem füstöl….. Nyomógombot most nem találtam, a meglévő kondit kötöttem rá a képen látható módon. Most mindíg egy irányba indul, ereje is van. Jó lesz ez így, vagy teljesen hülyeség…... |
Bejelentkezés
Hirdetés |





Mindig is tudtam, hogy a bátraké a szerencse! DE nálam 350mm a plafon és kész. Azt nem mondtam, hogy ettől nagyobb nem lehet de ott már az ember kihívja a sorsot maga ellen. A szalag inkább biztonságosabb ..... 


