Fórum témák
» Több friss téma |
Fórum » Villanymotor bekötése
Függőlegesen ráteszed az átkötőket, U-V re a hálózat, V-W-re a kondi, kb. 130uF. Balra forgás; V-W közé a kondi.
köszi.
És mi történik ha összekötöm a Z X Y és a hálozatot a U V a Kondit a V W re kötöm??
Hello! Akkor csillagba lesz kötve, és gyengébb lesz. üdv!
220/380 as villanymotort át lehet tekercseltetni 220 as ra????
Akármire át lehet tekercselni. De minek? Elmegy egy fázison is (csak gyengébb, mintha direkt 1~ra lenne tekercselve).
A hozzászólás módosítva: Márc 2, 2014
Hàt êppen azèrt hogy ne legyen gyengèbb
A 220/380-as eleve tudja. Más kérdés, hogy a tisztán egyfázisú alkalmazáshoz ügyes tekercselőre van szükség.
Arra számíts, hogy 1~ra áttekercselve kissé gyengébb lesz, mintha 3~ról menne. Rosszabb a hatásfok, de nem annyival, mintha 3~úként menne, 1~ról.
Helló ghostman!
Szerintem nem azt kérdezted amit tudni szeretnél. Gondolom az érdekel, hogy egy fázisúra át lehet-e tekercselni a három fázisú motort...
Az egyfázisú motorban két tekercs van amik nem egyformák, ráadásul aszimmetrikus elhelyezésűek. Ezért írtam, hogy ügyes, hozzáértő tekercselőre van szükség.
A hozzászólás módosítva: Márc 4, 2014
Anno tekertem egynéhányat, mind szimmetrikus volt, és az a két tekercs, négy. (1 póluspár esetén.)
És hogy alakult a teljesítménye, indíthatósága?
Ha nem hozták vissza, akkor biztosan jó lett.
Többféle egyfázisú tekercselési mód van. A nagyobb teljesítményű motoroknál gyakran használatos, hogy a főfázissal nagyobb területet fognak be, több vastagabb huzalból készült tekerccsel, míg a segédfázis kevesebb, kisebb felületet befogó, vékony huzalból készül. Ezek általában csak indító kondenzátorral üzemelnek. Ha üzemit rak rá valaki, nagyon óvatosan kell méretezni, nehogy meghaladja az állandó áram a tekercs teherbíró képességét. Az üzemi kondenzátorhoz készülők segédfázis tekercse erősebb, tartós igénybevételre készül. Előfordul, hogy pontosan megegyezik a főfázissal. Ellenben aszimmetrikussal még nem találkoztam.
Az előbbieknél az általában használatos kondiszámítás nem jó, csak a tekercselő tudja, mekkora kondihoz méretezte (vannak erre is útmutatások). Egyforma tekercsek esetén elég jó eredményt ad az általános számítási mód.
Egy aszimmetrikus megoldás: Bővebben: Link.
Nem látom az aszimmetrikus megoldást. Két-két egymástól pontosan 90 fokra eltolt tekercs van mindegyik egypóluspárú gépben.
A kihagyott hornyokra értettem az aszimmetrikusságot.
Felfogás kérdése. Én meg a 90 foktól eltérő eltolásra érteném, ami nem ad azonos nyomatékot mindkét forgásirányban.
![]() Az eltérő tekercsekről és okairól már írtam. De még lehetne oldalakon át sorolni a többi különleges változatot.
sziasztok. segitene valaki megmagyarázni hogy kapcsolódik a csillag kötés?sokszor bajlódom ezzel.előre is köszi.
Nem teljesen világos mire vagy kíváncsi, de csillagban a három tekercs egy egy kivezetése egy pontban van összekötve (csillagpont), a fennmaradó három tekercsvég a három fázisra csatlakozik.
szia ara lennék kiváncsi,hogy hogyan kötődnek a tekercsek.mindeggy mellyik három tekercset kötöm össze?például három kezdőt?a végzőt meg a végzőkkel?
Szia!
Segítség: Bővebben: Link. Az csillag-átkötés kerülhet az 1-2-3 kapcsokra is és akkor az lesz a közös (common). A mondatokat kezdd nagy betűvel! Köszönjük!
Szevasz busz10!
Idézet: „mindeggy mellyik három tekercset kötöm össze?” Mindegy melyik három? Összesen van három (már ha 3 fázisú AC motorról van szó). Mind a hármat össze kell kötni. Tehát összekötöd a 3 fázis tekercs egyik végét egy pontba. Két lehetőséged van, nem jó bármilyen kombináció! Vagy az U1-V1-W1 pontokat kötöd össze, vagy az U2-V2-W2 pontokat. Más kombináció nem jó.
Üdv!
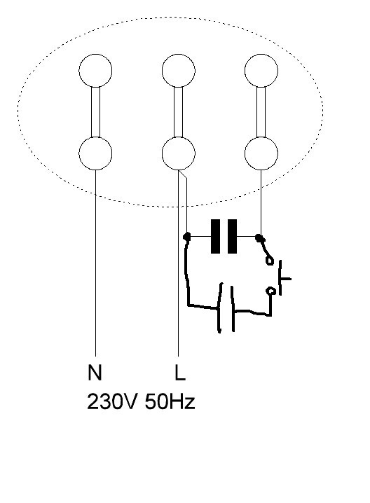
Vettem egy 220/380 villanymotort. 230V-ról szeretném használni. Megvettem a kondikat is hozzá, csak a bekötéssel akadt gondom! Ugyanis: Üzemi és indító is volt rajta használva, így működött, indult tökéletesen. (Kondikat levette a régi tulaj) Kicsit sok az info, itt és net szerte is, még több az ellentmondó! Tehát hogyan kell bekötnöm a két kondit, ezt szeretném tőletek megtudni! Volt olyan villanyszerelő (!) Aki azt mondta: Indítót és üzemit egyszerre nem lehet használni! Volt aki ezt: Indítóhoz kell nyomógomb! Volt aki szerint az sem kell! Stb... Kérlek benneteket segítsetek eligazodni! Előre is köszönöm a segítségeteket! További szép estét kívánva: Karcsi
Szia!
Az indítókondenzátort egy nyomógombbal kapcsold a motorra a felpörgés alatt.
Annyi "lábjegyzetet" tennék még hozzá, hogy egy kicsit mindenkinek igaza van. Azért mert van olyan motor amihez elég csak az üzemi kondenzátor, de egyes típusokhoz csak indító kell.
Mekkora kondikat vettél ? Egy kis segédlet az értékek kiszámításához. A hozzászólás módosítva: Márc 6, 2014
Idézet: „Üzemi és indító is volt rajta” Szia! Ebből induljunk ki. |
Bejelentkezés
Hirdetés |





Ha nem hozták vissza, akkor biztosan jó lett. 


