| Fórum témák 
 
 » Több friss téma | 
 
				Tényleg vannak rá szabályok.   Kicsit morgolódtam is magamban annó, amikor a villanyoszloptól a kerítésig terjedő 120 cm, járda alatti földkábelt be kellett méretni geodétával. De teljesen jogos, mert így már szerepel a nyilvántartásban, hogy "Ott ne áss, ész nélkül!". Ámbár nem ingyen csinálják (ezt sem). Telekhatáron belül is normális kábel van elásva, ökölszabály szerint akkora árokba, hogy "hónaljig" érjen. Mivel nálunk homok van, ezért nem szitáltam, de a kábel tetejére került bontott tetőcserép (kábel téglára nem tellett), és felette "félúton" narancssárga szalag "Vigyázz, erősáramú kábel!" felírattal. Jelentem, asszony még tulipánhagymák ültetése során (heti kerti munka) soha nem sértette meg. De nem értek hozzá. 
 
				Köszönöm a típusajánlást. Az ára is vállalható, és több helyen is elérhető.						 
				Ha fontos, hogy a másik végén is megmaradjon a teljesítmény használj 4x16 Alu földkábelt. Az ára nem sokkal több. De hosszabb távon jobban megéri. Bővebben: Link Azért elég a 4 eres, mert 30 méterre már úgyis szükséges a földelő szonda. A PEN vezető és a 3 fázist elég tovább vinni. Korábban már tettem fel rajzot a bekötésről. Maga a földmunka a költséges és a megfelelő elhelyezés, védelem. Földbe csak földkábel. Ha 80 cm-re el van helyezve , jó a talaj, nincs felette jármű közlekedés, elég csak a levezető és a kivezető szakaszt megfelelő védőcsővel ellátni. Használj oda dupla falú piros színű védőcsövet, az eltér a föld színétől, feltűnőbb, mint a fekete KPE cső. De szalagot kell tenni felette 20 cm-el. A hozzászólás módosítva: Ápr 30, 2023 
				Sajnos közeli rokonságomban  megtörtént, hogy  árkot ásott ki a markoló. Víz vagy gáz csövet fektettek le. Persze a földkábelről nem tudtak, hogy az is ott fut. A markoló el is vágta. A rokonomnak a homloka és a fejbőre égett meg a felcsapó szikrák miattr. Meg nem beszélve arról, hogy nagyon megijedt. 				 A hozzászólás módosítva: Ápr 30, 2023 
				Ebből az a fő tanulság, hogy a lefektetett földkábelt dokumentálni is kell. Ha ez megtörtént volna elkerülhető az ilyen baleset.						 
				Meg ásás előtt kikérni és elolvasni... Ahogyan a klasszikusok mondják: - Ha le lett volna dokumentálva, - Ha meg is néztem volna.   
				Részleteket nem tudok, de a következményét láttam.						 Idézet: „elég csak a levezető és a kivezető szakaszt megfelelő védőcsővel ellátn” No, most pont az ellenkezője hangzott el, mint ami választ az előző este kaptam. (Eredetileg is így gondoltam, csakhát ...) 
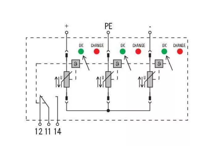
				A csatolt képeken a DC túlfeszültséglevezetők (ha jól értem az egyiket 2 pólusúnak a másikat három pólusúnak hívják) között mi különbség? Úgy értem a relén kívül, nyilván van a három pólúsnak hívottban plusz egy varisztor, de hogy az mivel tud többet így?						 
				TN C és S? Ahol három van, ott már korábban szét van választva nulla és a védőföld... Szerintem jobb az órához tenni és a kettő... 
				Napelemes rendszerhez lesz, szóval a helye az fix a DC dobozban az inverter mellett. A jelenlegi ami van is kettes, de csak 600V-os és most kellene az 1000V-os (felrakunk még pár napelemet és a 600 így már kevés) ami szintén kettes lesz mert minek változtatni azon ami bevállt. Viszont szemet szúrt hogy 90%-ban már ilyen hármasakat árulnak és nem volt tiszta hogy miért.						 
				DC kimaradt, már megint előbb írtam mint gondolkoztam.    
				Üdvözletem az Uraknak! Lenne két kertben elvégzendő feladatom. Mindkét helyen (egyik szüleimnél, másik nálunk) el kellene vinnem a földben cca 20 méter hosszban a villanyt.  1. Szüleimnél a garázsba kellene visszakötnöm a világítást ezért úgy gondolom, hogy NYY-J 3x1,5 mm-es kábelt vinnék ki, de sajnos kell bele két kanyar. 2. Nálunk meg ki tudja,hogy mi lesz még a kert végébe ezért NYY-J 3x2,5mm-t vásárolnék. Viszont ez gyakorlatilag nyílegyenes nyomvonal, csak a földből kell felállnom a csővel. A kérdésem az, hogy be tudom húzni ezeket a kábeleket ilyen hosszban 25mm-es symalen védőcsőbe? Nem gond, hogy kint kell belefűzni, nem szándékozom megbolygatni később. Vagy esetlegesen valami más lenne a megfelelő a számomra? 
 
				Miért ne tudnád, ha egyenesen kell behúzni? Dobsz pár betontéglát rá, hogy ne kígyózzon és akkor nem súrlódik a kanyargás miatt. Mondjuk ha fel kell ásni mindent, nem vinnék 1.5-öst, 2.5 nem sokkal drágább és akkor be is lehet dugni normális fogyasztót. 
				Ezt a kábelt ilyen hosszon nehéz lesz behúzni az adott csőbe, ha egyáltalán sikerül. 11,5 ill. 12,5 az átmérő. MBCU kábel is jó oda. Az olcsóbb, és vékonyabb is. De a csőbe egy zsinórt érdemes először behúzni (porszívóval), és avval a behúzót. Érdemes ketten csinálni, az egyik húzza, a másik tolja (és esetleg mosószerrel keni) a kábelt, vigyázva hogy ne csavarodjon meg. Ha kint van a védőcső, akkor kevesebb az ív rajta, könnyebb áthúzni, talán egyből átmegy a behúzó is. 
				És behúzás közben a csövet sem árt középen, ill értelemszerű helyeken mozgatni.						 
 
				25/19mm csőbe miért lenne nehéz, ha egyenes a szakasz? Be kell porszívózni egy kis zacskó darabra kötött bálazsinórt, az nem nyúlik és lehet húzni. Nyilván két emberes, de aki adagolja a kábelt, annak nem kell erősnek lennie. 3x10 NYYJ az 55m-en bement 32/28mm LPE csőben bármi erőlködés nélkül (azért van súlya, szóval kell erő hozzá, de nem akad meg stb). NYYJ való a földbe, MBCU nem bírja, ha vízben áll mondjuk a csőben, meg a fagyot sem szereti.						 
 
				Azért 1.5mm2, mert abból maradt régi munkából szerintem vagy 30 méter és az ingyen drótnál nincs olcsóbb.   Ténylegesen a garázs (szimpla egy kocsibeállós) világítása menne róla, meg maximum évente párszor egy alap akkutöltő.  A régi kábel is maximum 1,5mm2 volt. Akkor holnap elmegyek a szüleimhez, és megmérem én, hogy pontosan mennyi cső is kell. Jó lenne egy 50 méteres gurigával megúszni a dolgot. És nagyon szépen köszönöm mindegyikőtöknek a válaszokat. Idézet: „(és esetleg mosószerrel keni) a kábelt” Eszedbe ne jusson! Vagy hintőpor, vagy behúzófolyadék! Robbant már össze falban fővezetéknek húzott mkh, mert valami mosogatószerrel húzták be, aztán az szépen megtámadta a szigetelést és zárlatos lett. 
				Továbbá: A mosogatószer a behúzás pillanatában jó síkos, utána pedig egy ragacsos cuccá válik és a következő, évek múlva történő behúzáskor már igazi szívás lesz! Szilikonnal érdemesebb kenni. 
				Ha ásni kell, akkor min. 3x4mm2.  Nincs az a pénz, hogy én azt újra kiássam, ha nem elég a 3x1,5mm2 mondjuk 2-5-10 év múlva. 
				Több, mint húsz éve élnek ott. Eddig három garázsra volt "bekaparva"  maximum 5x1,5 -es földkábel cca. a 70-es évekből. Ha nincs a tapír szomszéd miatti kavarás, a mai napig az szolgáltatná az áramot, és nem lenne semmi dolgom náluk.  Édesapám 78 éves. Van egy három éves benzines "autójuk", kizártnak tartom valami elektromos autóba való átállásukat. Nem használnak semmi komolyabb elektromos teljesítményű eszközt még a házban sem, nemhogy a garázsban. Örülök, hogy egy normális szerelésre rá tudom édesapámat beszélni. (már így is keverne a különféle bontott csövekből "kókányolt" védőcsővel) Ha magamnak kellene lehet, hogy elgondolkodnék a dolgon, de addig amíg a környéken már vagy háromszor cseréltek trafót az eon szakemberei, mert a kertváros villamos rendszere ötven évvel ezelőtti fogyasztási szokásokra van tervezve, addig most nem költenénk egy vagyont arra, hogy mondjuk 1x év múlva milyen jól is jönne az. 
 
				Jó, ne tegyél be vastagabb vezetéket, de legalább 32-es csövet tegyél le! Symalenből inkább 40-est!! Aztán ha mégis kifordul a világ magából , vagy a következő tulajnak legalább lesz mibe tenni az 5*10et!! Nálam a garázs majdhogy összeér a házzal, 2x 40es KPE megy át(ez volt olyan áron, hogy kilométereket is vennék ennyiért) Egyikbe utp-k hada, a másikba a nappali 3 fázis kábele, meg az éjszakai 2 ere fut. Idézet: „Azért 1.5mm2, mert abból maradt régi munkából szerintem vagy 30 méter és az ingyen drótnál nincs olcsóbb.” Szerintem ásd fel a 30 métert, tedd be a védőcsövet, ami legyen akár 50 mm-es. Ha ez megvan, ráér utána eldönteni milyen vezetéket teszel bele. De legyen lehetőség az áthúzásra, ha nincs kedved újra ásni. Vagy az utókor téged fog emlegetni, ha nincs így előkészítve. Ha ezt a védőcsövet választod, ebbe még a behúzószalag is benne van: Bővebben: Link A hozzászólás módosítva: Máj 2, 2023 
				Meggyőztetek,hogy a 25-ös csövet engedjem el. Akkor méretet növelünk. Ma mondta jó apám, hogy az unokabátyám lehet, hogy tud kedvezményesebb áron védőcsövet, mert most olyan helyen dolgozik, ahol van erre lehetősége. Majd beszélek vele, hogy milyen alternatívák lennének. Nem azonnal kell. (Nálam, például még el kell pakolni előtte.) Természetesen Mindenkinek köszönöm a jobbító javaslatokat.... 
				Elromolt a sütőm. Szereztem másikat, nem az a gond. Felemeltem a főzőlapot. Megijdtem csöppet. Lásd 1,kép. Épp ideje volt tán szétszedni? Ezek az eredeti, gyári vezetékei a főzőlapnak A vezetékkeresztmetszet is vékonykának tűnik. 2,képen balra az eredeti, gyári vezeték, mellette egy 1mm2 rézvezeték. A hozzászólás módosítva: Máj 13, 2023 
				Egérrágta... Oda a szilikonost javasolnám, nem a pvc-t. 
				Létezik, odavaló, üvegszövetes huzal. 1-2 m nem egy ökör ára.						 
				Szia! A nem ipari sütőkben két db 2kW alatti cekász van. Itt nyugaton egy fázison ezt két áramkörre szoktuk bontani, tehát a betáp 5x2,5 mm2 !DE! a  biztosítása C16 4P. Ennek a bekötése, (itt kinn) Barna -kék (egy áramkör, Fekete . Szürke,(kék csőben, mid a kért végén) második áramkör. A 4p azért kell, mert ha az egyik ÁK leveri akkor lemegy a másik is.  A másik, hogy belül csak 1 mm-es a vezeték azt a gyártó tudja mekkora teljesítményre visz áramot. Ha belegondolsz az 1mm2 aza 2 kW-ig elég. | Bejelentkezés Hirdetés | 









