Fórum témák

» Több friss téma
Cikkek » Forrasztóállomás digitális hőmérséklet-kijelzéssel
Forrasztóállomás digitális hőmérséklet-kijelzéssel
Szerző: Attila86, idő: Aug 1, 2007, Olvasva: 80947, Oldal olvasási idő: kb. 1 perc
Lapozás: OK   4 / 5

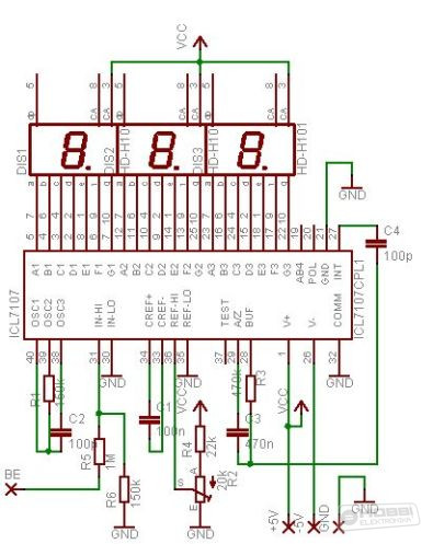
A hőmérő modul kapcsolási rajza:


A hőmérő modul NYÁK-terve:

 
(Kattints a képre, a nagyobb változathoz)

A hőmérő modul beültetési rajza: 


(Kattints a képre, a nagyobb változathoz)


A cikk még nem ért véget, lapozz!
Következő: »»   4 / 5
Értékeléshez bejelentkezés szükséges!
Bejelentkezés

Belépés

Hirdetés
XDT.hu
Az oldalon sütiket használunk a helyes működéshez. Bővebb információt az adatvédelmi szabályzatban olvashatsz. Megértettem