Fórum témák
» Több friss téma |
Cikkek » Mélyláda vezérlés Mélyláda vezérlés
Szerző: Baxi, idő: Ápr 2, 2020, Olvasva: 9332, Oldal olvasási idő: kb. 2 perc
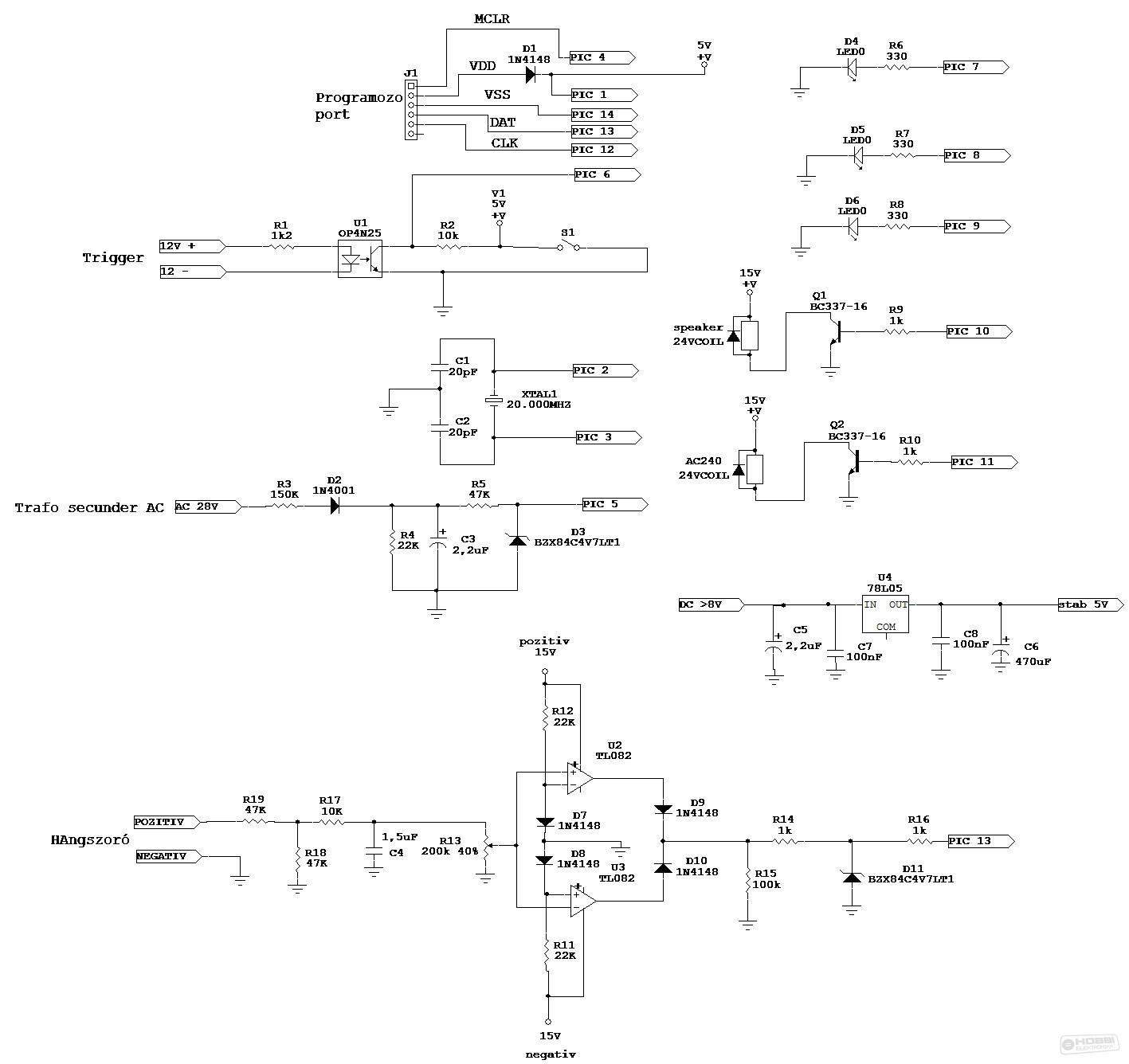
Az alkatrészek értékek fel vannak tűntetve a beültetési rajzon, illetve a kapcsolási rajzon is megtalálhatók. A PIC 16F676-os 20 MHz oszcillátorral müködik. A NYÁK-on a relék mellet található még 2 db LED, amelyek elhagyhatók, ezek csak visszajelzőnek vannak a relékhez, programozáskor hasznosak voltak. Panel rajzból csináltam kétfélét. Egyik, amikor maga a műveleti erősítő tápja látja el feszültséggel a mikrovezérlőt, és amikor van egy külön 5 V-os bemenet a vezérlésnek. Ez a "zöldebb" módszer, de ettől függetlenül szükséges a +/- feszültség is. A táppal le lehet menni +/-12 V-ra, annyiról is elketyeg a műveleti erősítő. Én a +/- 15 V-ot használom és így a 24 V-os relék még húznak 15 V-ról (ez volt a fiókban). A relék, amik a NYÁK-on vannak 2 áramkörösek, viszont én a relatív nagy teljesítmény miatt 1 áramkörösként használom, azaz közösítettem a két érintkezőt, és a NC kivezetést is közösítettem rajta. Raktam fel még pár módosított programot: Az időd úgy lehet meghatározni, azaz hogy ki milyen gyors védelmet akar használni,hogy az AD átalakítás ideje 40 ciklus időt vesz igényben. A 20Mhz kristály esetében egy ciklus idő 200ns. A pic adatlapja szerint. A panelon még található egy GND, illetve a ház közösítésére hivatott csatlakozási lehetőség. Mindenki használja belátása szerint, én személy szerint közösítettem a PEN-nel. Mivel csak egy otthon készített készülékről beszélünk, ezért a hálózati (otthoni) földelésem is rá van kötve az erősítő dobozára. A GND pedig egy kondenzátoron keresztül rá van kötve a házra. Földelt készülék esetén nagy segítség a brumm-mentes erősítő felé. Mivel hálózati feszültég is bekötésre kerül a vezérlőbe, ezért csak megfelelő szaktudással, hozzáértéssel és odafigyeléssel reprodukáljátok a vezérlést! Ezek hiánya Életveszélyes lehet! Az esetlegesen bekövetkezett károkért semmilyen felelőséget nem vállalok.
Letölthető mellékletek
Értékeléshez bejelentkezés szükséges! |
Bejelentkezés
Hirdetés |







