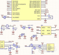
Ez a kapcsolás már az általam készített és kicsit módosított rajz:

Illetve a NYÁK-terve:

(Nagyobb felbontáshoz kattints a képre!)
A NYÁK-terven az osztások 5 mm hosszúságúak, így kiderül, hogy a panel 46 x 24 mm alapterületű. Fele ekkora is lehetne, ha kétoldalasra terveztem volna, de akkor sokkal nehezebb lenne az utánépítés "házi", esetleg "barkács" eszközökkel...
A kapcsolási rajzon csak 2 dolgot változtattam meg:
- raktam rá egy tápfeszültség jelző LED-et, hogy lássam, működik
- felprogramozási célból kivezettem az ISP lábakat (MISO, MOSI, SCK, RESET, VCC, GND)
A cikk még nem ért véget, lapozz!
Értékeléshez bejelentkezés szükséges!