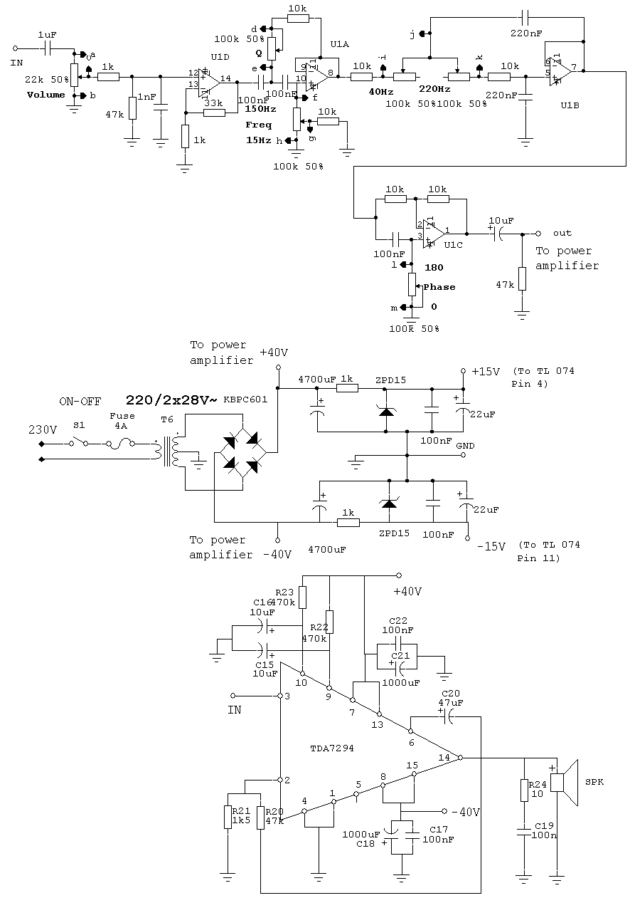
Kezdjük a kapcsolási rajzzal:
A rajz felső részén látható maga a szűrő. A
TL074 IC négydarab műveleti
erősítőt tartalmaz, melyből az első (U1D) a bemeneti jelet fogadja, szintjét
illeszti, erősíti. A második opa.(U1A) egy alulvágó szűrőt alkot aminek a jósága
egy potival beállítható (Q), a szűrő megközelítőleg a 15-150Hz-es frekitől
"enged át". Tehát a poti állásától függően a 15-150Hz alatti mélyhangokat vágja
le. Erre azért van szükség mert az igazán jó (és drága) hangszórók sem tudják az
ez alatti mélyhangokat kinyomni, csak feleslegesen erőltetnénk. A harmadik
fokozat (U1B) egy szűrő aminek a törésponti frekijét a sztereo potival változtatni tudjuk 40 és 220Hz között. Az e fölötti hangokat a szűrő
nagy meredekséggel vágja, nem engedi át. Az utolsó fokozat (U1C) pedig
a jel kicsatolását végzi és egyben a jel fázisát is beállíthatjuk a poti
segítségével 0 és 180° között. A mélyhangok mivel hosszabb amplitudóval
"közlekednek" mint a hallható társaik, néha furcsán összegződnek vagy kioltják
egymást. Ha a hang indulása "késleltetve" van akkor ez a jelenség
elkerülhető!

Középtájon látható a tápegység
Ez is három jól elkülöníthető részből áll:
Hálózati vezeték, biztosíték, dugvilla, kapcsoló és trafó. A trafó szerepe, hogy
a hálózati 230V-ból 2*24-28V-ot állítson elő, megfelelő terhelhetőséggel. Ide
kb. 120-150W-os trafó az ideális ami a szekunder oldalon legalább 4-5A áramot
tud üzembiztosan leadni. Ezt a feszt egyenirányítjuk egy nagyobb graetz-cel
(legalább 100V és 10A-es legyen) majd puffereljük 2 db 4700µF-os kondival. (A
stréberek és újgazdagok ide rakhatnak 10 000µF-t is.) A pufferelt nyers tápból
állítjuk elő a műveleti erősítő tápfeszét (+-15V). a soros 1kΩ
és 15V-os zener segítségével.
A kép alján van a végfok, ami a hangszórót hajtja meg. A
TDA7294 végfok IC a gyári
alapbeállításban üzemel. Talán még annyit érdemes elmondani róla, hogy a 9 és
10-es lábak a MUTE és STANDBY vezérlő bemenetek, ezzel a IC vezérelhető. Jelen
kapcsolásban fixen felvannak húzva tápfeszre (egy-egy 470kΩ-on keresztül), így
ezek nem játszanak.
Alkatrészlista:
|
ell |
10 ohm |
1 db |
2w |
|
ell |
10k |
6 db |
fémr.,2 raszter |
|
ell |
1k |
2 db |
fémr.,2 raszter |
|
ell |
1k |
2 db |
2W |
|
ell |
1k5 |
1 db |
fémr.,2 raszter |
|
ell |
33k |
1 db |
fémr.,2 raszter |
|
ell |
470k |
2 db |
fémr.,2 raszter |
|
ell |
47k |
3 db |
fémr.,2 raszter |
|
|
|
|
|
|
kondi |
1000uF |
2 db |
elkó,50V, álló |
|
kondi |
100nF |
8 db |
ker, mtk |
|
kondi |
10uF |
1 db |
elkó,16V,álló |
|
kondi |
10uF |
2 db |
elkó,50V, álló |
|
kondi |
1nF |
1 db |
ker, mtk |
|
kondi |
1uF |
1 db |
fólia, tömb |
|
kondi |
220nF |
2 db |
ker, mtk |
|
kondi |
22uF |
2 db |
elkó,25V,álló |
|
kondi |
4700uF |
2 db |
elkó,63V,álló |
|
kondi |
47uF |
1 db |
elkó,50V, álló |
|
|
|
|
|
|
poti |
22k |
1 db |
lin.,mono |
|
poti |
100k |
3 db |
lin.,mono |
|
poti |
100k |
1 db |
lin.,sztereo |
|
|
|
|
|
|
doboz |
MDF |
1 db |
|
|
Graetz |
100V6A |
1 db |
kocka,felcsavarozható |
|
Hangszóró |
200mm |
1 db |
sub |
|
IC |
TL074 |
1 db |
müv.erősítő,quad |
|
IC |
TDA 7294 |
1 db |
végfok IC |
|
trafó |
2*24~28V váltó |
1 db |
120-150VA |
|
zener |
ZPD15 |
2 db |
15V-os |
A cikk még nem ért véget, lapozz!
Értékeléshez bejelentkezés szükséges!