Fórum témák
» Több friss téma |
Pánikba esett, mert a négy online tag közül senki sem reagált, majd elrohant...
ebben a kapcsolásban vagy forog a venti, vagy nem! akkor valamit elronthattál!
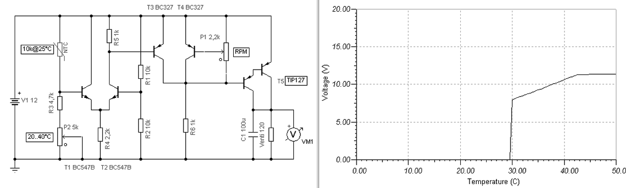
igy komparátorként működik, nekem ilyen van fénykapcsolónak megépítve az akváriumhoz, de a hőkapcsolója is ilyen. előfordul relés működtetés esetén hogy a relé rezeg, de az érzékelővel párhuzamosan kötött kondi segít! ez néhányszor 10 mikro! lehet hogy nálad is ez történik. berezeg az áramkör, és a motor forog, de csak szaggatott egyenáramot kap. ebben a kapcsolásban az ic kimenete vagy 12V vagy 0V! tegyél be egy 100Kohm-os ellenállást a kimenet és a "-" láb közé, a "-" lábat egy 100 nF-os kondival testeld le! remélem segítettem! ez a kapcsolás elég nagy tűréssel dolgozik, precíz hőfoktartásra nem alkalmas. a kondi csak a táp szűrésére van meg némi zavarszűrésre, akár el is hagyható! ha púpos, az nem jó, mert már túl volt hajtva (túlfeszt kapott), ezért cseréld ki! ha van szkópod nézdd meg az ic kimenetét! ha négyszög jeleket látsz, akkor tutira gerjed! akkor a fentebb leírtak segítenek!
szia!
én tudok adni egy egyszerűbb kapcsolást Nekem nagyon jkól működik A timmerrel azt tusdod állítani hogy miklyen hőmérsékleten kezdjen el pörögni a venti és minnél melegebb annál jobban forog... üdv
Hali!
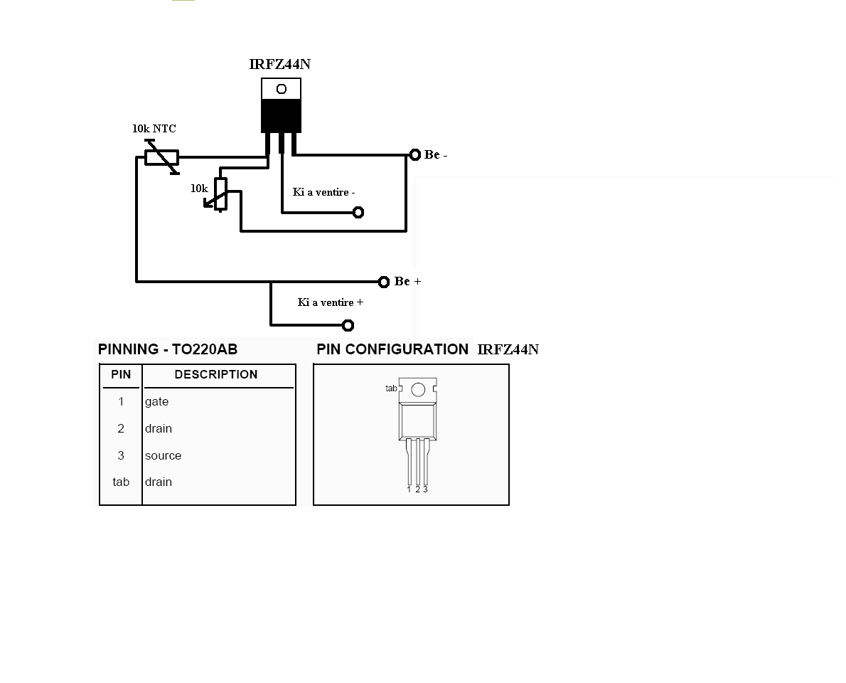
A képen a Be- az ugye az egyenáram GND-je, és nem pedig egy szimmetrikus táp negatív feszültsége?
Terveztem egy PWM-es ventilátor (igen, egy l-el írandó!) fordulatszám-szabályozót.
Pár alkatrész pontos méretezéshez azonban szükségem lenne arra az adatra, hogy a "normál" 12V-os ventilátorok mekkora minimális kitöltési tényezőnél kezdenek el forogni. Erről van valakinek gyakorlati, mérésen alapuló tapasztalata?
Ja igen, az elinduláshoz szükséges kitöltési tényező mellett a "még épphogy nem áll le" állapothoz tartozó értékre is kíváncsi vagyok.
Sziasztok szeretnék épiteni egy pc ventilátor szabályzót ami potméterel tudok álitani. előre is köszi bögyik87
Üdv én egy fokozatmentes venti szabályzást szeretnék olyat ami kb 5-6 voltot (féltápot)kap szobahőmérsékleten
és innen felfelé gyorsul hő hatására. Ilyen rajzot vagy kapcsi rajzot tudtok? Előre is köszönöm!
Már megépítettem egy kapcsit amibe a tl071 van "komparator" na szóval az jó működik de nekem kellene egy fokozatmentes! Köszi!!!
Sziasztok.
Én azt szeretném megoldani, hogy amikor szabályzom a ventilátort és emelem vagy csökkentem a fordulatot akkor egy 2 színű led jelezen vissza h milyen fordulat körül járhat.Pl ha kicsi a fordulat akkor zöld vagy kék színű a led, de ha teljesen fel van pörgetve akkor piros a led. Előre is köszönöm szépen a válaszotokat. Zoleee
Sziasztok!
Olyan ötletem támadt, hogy egy lm324 tipusú négy műveleti erősítőt tartalmazó tokkal valósítanék meg egy hűtést. Ebből indultam ki és arra gondoltam, hogy a 4 darab invertáló bemenetet összekötném. A nem invertáló bemenetekre tennék potit és így kötném össze őket a termisztorral és a (fő)beállító potival. Így mind a négy OPA más és más hőmérsékletértéken kapcsolna. A négy kimenet egyikén 1k ellenállás, a többin pedig 10k potik lennének, az elképzelésem szerint. Kérdezném, hogy ez járható út-e, vagy felejtcsem el? Köszi szépen előre is!
Sziasztok!
Segítséget kérnék! Szeretnék építeni olyan ventilátor szabályzót pc-be, ami 6 ventilátor fordulatát szabályoz külön-külön potikkal. Meg a ventilátorok három kivezetéssel rendelkeznek és szeretném tudni a sárga kivezetéssel mit csinál? Ha a piros 12V a fekete meg a test. Tudnátok nekem segíteni olyan megoldásokat találni, ami méretben kicsi és egyszerű is lenne? A válaszotokat előre is köszönöm! Hali!
Általában háromvezetékes fan oknál a sárga a +12V a fekete a test a zöld pedig a fordulatszám visszajelző.Legalábbis én csak ilyet láttam.
Fekete a test, piros a 12V, sárga pedig a fordulatszám visszajelzésére szolgál
Köszönöm segítséget!
De lenne még egy kis gondom. Tudnál nekem esetleg ajánlani valami jó megoldást is az előző tervem megépítéséhez is? Itt sok rajzot meg tervet találtam a kivitelezésre, de nem tudom eldönteni melyik is lenne leginkább célszerű, egyszerű és méretben is kicsi. Főleg ami külön 6 ventit tudna szabályozni. Néztem azt az egyszerű fordulatszám szabályzót, de nem tudom elképzelni, hogy az méretben mekkora a borda miatt. Egyáltalán mekkora borda kell rá és mind a 6 ventire külön-külön le kellene-e gyártani a projektet, hogy egyenként tudjam őket szabályozni? Sajnos tanácstalan vagyok ebben. Válaszod előre is köszönöm!
Köszi a linket, de ez egy FET-es hőre működő fordulatszám szabályzás, aminek a fordulatát nem én szabályzom, hanem a termisztor, amit a potival állítok be az adott hőre. Nekem nem pont ilyen kell és a FET-et is kell hűteni. Még mindig nem tudom mekkora borda kell ezekre!
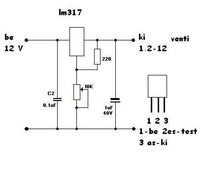
Végül is ez is megfelelne, de csak 2 ventimre. Szerintem egy ilyen kapcsolásra a FET felesleges és drága megoldás, lehet mással is helyettesíteni, ha jól tudom egy LM317T-el. De ebben nem vagyok annyira biztos. Én egyébként erre a kapcsolásra gondoltam, de még mindig nem tudom, hogy az IC-re mekkora borda kell és ez az egész méretben is kedvező lenne-e. Mert a doboz, amibe el kell férnie 100x25 mm-es, ami 120 mm hosszú. Ez nem is gáz addig, amíg kicsi borda kell és mind a 6 ventihez nem kell külön megépíteni a kapcsolást. Engem leginkább ez érdekl! Tudsz olyan kapcsolást amivel 6 ventilátort lehet külön-külön szabályozni?! ![]() Vagy ezt kell megépítenem 6-szor? Ja meg az IC-re még egyszer kérdem mekkora borda kell? A válaszokat előre is köszönöm!
Hali!
A diódás hőérzékelős megoldást lehetne valahogy egyesíteni a 12 V-os ventilátorral?Mondjuk az 1N4148-al nem lehetne valahogy megoldani?Vagy pl gagyi kínai hőmérők hőérzékelője jó lenne valamire? Üdv!
Sziasztok megépítettem egy áramkört it is volt már róla só ahogy látom, ő lenne az.
Na de a probléma a következő: Adott egy PC táp, 12V-os ága molexról. Ez idáig mind szép és jó míg egyszer a potméter egy kis lánggal és pukkal el nem szállt és utána kb ilyen ki-be kapcsoló ként üzemelt már csak. Mit tegyek be ide amivel ez elkerülhető? Illetve a tranzisztort, hogy ellenőrizzem lett-e valami baja?
Sziasztok. Engem egy 12 voltról működő és 12 voltos ventilátor meghajtó ventilátor szabályzó érdekelne. Persze hőérzékelővel kellene vezérelni az egészet. Ötleteket várnék és persze nyák tervet ha valaki tud ilyet.
Szia!
Itt egy szabályzó, ha ilyesmire gondoltál:Bővebben: Link üdv:hp A hozzászólás módosítva: Jan 19, 2013
Iden, csak 1 kicsivel egyszerűbbre.
Van ennél egyszerűbb természetesen, az nem szabályoz fordulatot csak a beállított hőmérsékletnél kapcsol be egy relé által.
Szerintem jó lesz az is. Az a lényeg, hogy egy bizonyos hőmérsékleten kapcsolódjon be a venti.
Üdv mindenkinek,
egy nagy segítséget szeretnék kérni , össze szeretnék rakni egy alaplapot ami 3 db 12v -30v max. dc motort automatikusan lassú indítással fokozatosan a max. fordulatig gyorsul majd egyből fokozatosan lassulni kezd míg megáll, először egyszerre az 1es és 3as motor ,majd ezek után a 2es motor , majd ezután újból kezdődik a periódus az 1es és 3as motorral és így tovább míg ki nem kapcsolom. Sokat segítene egy pontos kapcsolási rajz , akár úgy is hogy csak egy motort vezérel a lap. Mindenkinek ezer és örök hála.
Üdv! Én is összebütyköltem ezt a venti. szabályzót, remekül működik, a potméterrel a motor fordulata a max-ról kb 10-15%-ra csökkenthető, de nem kapcsolja le. Kérek segítséget, hogy milyen egyszerű beavatkozással olhatnám meg, hogy a választott hőfoknál kikapcsoljon.
A hőfok tartomány 20-40 C fok között lenne jó. Előre is köszönöm.
Hello! Kikapcsolni csak akkor tud valami, ha van hőérzékelő, és áramkör, ami érzékeli is hogy az épp a beállított hőfokon van. De ha ez nem túl bonyolult, akkor kiegészítheted vele a kapcsolásodat. (Gondolom rájössz, hogy a jobb fele a már meglévő áramköröd.)
Mondjuk nem írtad, hogy a hőfok alatt vagy felett kapcsoljon ki. De feltételeztem, hogy alatta.. A hozzászólás módosítva: Júl 25, 2017
|
Bejelentkezés
Hirdetés |






A válaszotokat előre is köszönöm! 







