Fórum témák
» Több friss téma |
Segítséget szeretnék kérni! 140 db 10mm Ledet szeretnék összekötni. Kapcsolást szeretnék rá találni. A legfontosabb az lenne , hogy minnél kevesebb legyen a fogyasztás, max fényerő mellett. A max fényerő azt értem amit még a Led elvisel és több évig jól műküdik.
Adatok : Electrical-Optical Characteristic (Ta=25°C) Item Symbol Condtitions Min. Typ. Max. Unit Forward Voltage VF If=20mA / 1.90 2.30 V Reverse Current IR VR=5V / / 10 uA Dominant Wavelength / IF=20mA 625 / 635 nm Luminous Intensity IV IF=20mA / 70,000 / mcd 50% Power Angle / IF=20mA / 12° / degree Absolute Maximum Ratings (Ta = 25°C) Item Symbol Absolute Max. Rating Unit Power Dissipation PD 100 mW Forward Current (DC) IF 30 mA Peak Forward Current IFP 100 mA Reverse Voltage VR 5 V Operation Temperature Topr -40~85°C / Storage Temperature Tstg -10~100°C / Lead Soldering Temperature Tsol Max. 260°C for 5 sec. (3mm from the base of the epoxy bulb) Köszönet
Ha a 230V-ot óvatosan egyenirányítod ledeket sorba kötheted egy 1,8Kohm/1W-os ellenállással. Ekkor a 325V-nál 20mA áram folyik, miközben a ledeken 2,1V esik. Bár ezt a megoldást nem javaslom mert túl magas az alkalmazott fesz. és életveszélyes lehet. De, ez is csak egy megoldás a sok közül...
Egy kis segítség
Szia!
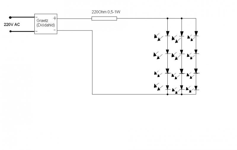
Ennyi lednek(140db) 220V-ról való üzemeltetéshez, soros bekötéssel 220Ohm 0,5W-os ellenállás kell.
Amit elfelejtettem mondani, 2 fajta Led Kék és Piros, Több sorban szeretném elhejezni őket és minden sorban lenne kék és piros is.
A kék paraméteri: Electrical-Optical Characteristic (Ta=25°C) Item Symbol Condtitions Min. Typ. Max. Unit Forward Voltage VF If=20mA / 1.90 2.30 V Reverse Current IR VR=5V / / 10 uA Dominant Wavelength / IF=20mA 625 / 635 nm Luminous Intensity IV IF=20mA / 70,000 / mcd 50% Power Angle / IF=20mA / 12° / degree Absolute Maximum Ratings (Ta = 25°C) Item Symbol Absolute Max. Rating Unit Power Dissipation PD 100 mW Forward Current (DC) IF 30 mA Peak Forward Current IFP 100 mA Reverse Voltage VR 5 V Operation Temperature Topr -40~85°C / Storage Temperature Tstg -10~100°C / Lead Soldering Temperature Tsol Max. 260°C for 5 sec. (3mm from the base of the epoxy bulb) Az lenne még a kérdés ezeknek összesen mennyi lenne a fogyasztása max fényerő mellett. A Ledekhez a gyár küld ellenállást is 12voltra.
azaz ime a kék
Electrical-Optical Characteristic (Ta=25°C) Item Symbol Condtitions Min. Typ. Max. Unit Forward Voltage VF If=20mA / 3.20 3.60 V Reverse Current IR VR=5V / / 10 uA Dominant Wavelength / IF=20mA 465 / 475 nm Luminous Intensity IV IF=20mA / 70,000 / mcd 50% Power Angle / IF=20mA / 12° / degree Absolute Maximum Ratings (Ta = 25°C) Item Symbol Absolute Max. Rating Unit Power Dissipation PD 100 mW Forward Current (DC) IF 30 mA Peak Forward Current IFP 100 mA Reverse Voltage VR 5 V Operation Temperature Topr -40~85°C / Storage Temperature Tstg -10~100°C / Lead Soldering Temperature Tsol Max. 260°C for 5 sec. (3mm from the base of the epoxy bulb)
12V-ra ne küldjön, ha 70db a kék, és 70db a piros. 70*1,8V=126V*2=252V
(ennyi nem kell nekik, mennek 220V-ról is.) Akkor sorosan kötsz piros és kék ledeket, és a ledsorokat párhuzamosan kötöd.
Nem rajzoltam be minden ledet, de így már meg tudod csinálni.Első ilyen rajzom.
Üdv.!
Ez a rajz nem igazán jó, külön ellenállás kellene minden LED 'oszlop'-hoz. Tehát a sorba kötöttekkel sorosan külön 1-1db ellenállás kell. Graetz pedig nem feltétlen muszáj, mert a LED-ek is tudnak egyenirányítani. Viszont az 50Hz-es (vagy 100Hz-es) villódzások megszüntetése érdekében kellene egy kondenzátor is.
Köszönöm az ötleteket, HA 2 párhuzamos körrel próbálnám megoldani külön a kék és a piros 12 voltról üzemelne akkor egy 40watt os táp megtenné? Nem szeretném 220vról üzemeltetni mert az balesetveszélyes.
Mondjuk a 40db kék elötét ellenállása 12kohm 7watt körül és a 100 piros Re= 5,6 hm 20Watt körül? Ez igy megoldható ?
Sziasztok! Egyszer valaki felfoghatná, hogy Magyarországon nem 220V az 1 fazisú hálózati feszültség, jó régen nem az!!! Yoe
Akkor mi, 110V
230V+-10%. És pont az a 10% miatt, amit rajzoltál, az rövid úton megsütné a ledeket.
40drb kék led az 40*3,3*0,03=4W
100drb piros led az 100*2*0,02=4W Tehát a táp elég lesz, még sok is. De hogy ne fűts el túl sokat, ezért úgy csináld, hogy 5 drb piros ledet sorbakötsz, és velük sorba még egy 100 ohmos ellenállást, és ezt kötöd rá a 12V-ra. Tehát lesz 20drb ilyened. A kékeknél hármat köss sorba, és szintén 100ohmos ellenállást. Ez így nem jön ki hármasával a 40drb-ra, tehát lesz egy kék led egy 470 ohmos ellenállással egymagában is a tápra kötve. Az ellenállások értékei valamennyit eltérhetnek feljebb vagy lejjebb, legjobb ampermérővel lemérni az áramfelvételt egy soros körnél, és az alapján módosítani az ellenállást. Ja és az a 12V-os táp feszültsége nenagyon menjen 13V fölé, tehát lehetőleg legyen stabilizált.
Köszi az ötlet jó , de hogyan lehet megvalósitani a ledek védelmét?
Akkor 230V és nem 110V, ezt most bebuktad.
Szia!
230V-ról nem használnám, mert abban a periódusban ahol nem nyit ki a led átüthet és vége. Mindenki ellenállást számol, ahelyett, hogy csinálnál egy áramgenerátort és nem kellene sehová sem ellenállás. Kötöttem már 60-80 ledet így be és nagyon jól működött. Üdv.: Robi
Persze egyenirányítva már átütés nem lehetne, úgy már "csak" életveszélyes lenne.
Tudom, hogy nem 110V! A 230V-ra meg még ránézek.
Felesleges ránézned, mert annyi. 400V az egységes európai vonali feszültség. Ebből meg 230V jön ki fázisfeszültségnek.
Sziasztok! Nem igazán ide tartozik, de jó lenne egy topik, ami tisztázza a Magyarországon használatos szabványos feszültségszinteket. Párszor belekezdtem ennek a tisztázásába, de sajnos sokáig nem jutottam. Szerintetek hol lehetne ennek utánajárni? Yoe
6.3. táblázat A hazai villamosenergia rendszer feszültségszintjei
Bővebben: A hazai villamos hálózat
Üdv.!
Nem tudom hogy erre gondolsz-e, de leírom: 0-50V -> törpefeszültség 50V-400V -> kisfeszültség 400V felett -> nagyfeszültség
Szia! Köszönöm szépen, valami ilyesmire gondoltam, de ennél bővebbre pl. az egyenfeszültség, vasúti vontatás, metro stb..... Jó ezeket eddig nem írtam.
Szia. Nem igazán erre, hanem amit hbal küldött, ráadásul a Tiéd nem is pontos, de azért köszi a fáradozásod. Üdv.: Yoe
Sziasztok, az eredeti témához hasonló problémám van, és nem akartam új témát nyitni. Szóval nekem 400db LED-em volna, amit be kéne kötni. Ami felmerült bennem, mint lehetőség:
1. 220->12V ACDC trafó. Párhuzamosan kötni mind a 400 ledet. Ekkor ha jól gondolom mindegyikhez külön előtétellenállás kell, plusz összeadódnak az áramfelvételek, vagyis 400*20mA=8A kéne, ilyen tápot meg nem nagyon kapok. 2. Szintén 12V-os trafó, de sorba kötni a ledeket. Ha jól gondolom, ekkor elég lenne egy előtétellenállást beforrasztanom, de a feszültségesések miatt 400*2V feszültség kéne neki az elején, ami megintcsak nem megoldható. 3. Szintén valami kisfeszültségű egyenáramra letranszformálni a hálózati feszültséget, pl 24V. Tippem szerint ebben az esetben kb 10 ledet köthetnék sorba, és egy ilyen sorhoz tartozna egy előtétellenállás, kb 200Ohmos. És ezeket a sorokat kötném párhuzamosan. És akkor ha jó a gondolatmenetem, mindegyik soron 24V lesz, és mindegyik soron 20mA áram folyik. Tehát akkor már csak 40*20mA-es, vagyis egy 220ról 24V-ot csináló, 800mA-es trafóra lenne szükségem. Szóval amint látjátok nem igazán találtam megoldást, bár próbáltam utánajárni a témának. Eléggé kezdő vagyok ebben a témában, bocsánat ha hülyeségeket írtam. Ha esetleg valaki tudna segíteni, megerősíteni/megcáfolni a gondolatmenetemben, azért nagyon hálás lennék.
Hello!
Az elso elgondolas sajnos megvalosithatatlan, mert 8A folyik egy agon es 12V mellett oda 96W-os ellenallas kene olyat meg nemnagyon gyartanak ![]() A kettes elgondolas is elvi hibas, ugyanis hatalmas feszutseg kene a ledeknek es ha egy kieg akkor az egyik se fog vilagitani. a 3. gondolatmenet mar kicsit helytallobb. Ugye 1 LEDnek 2V koruli fesz kell. ha fogsz egy 24V-os trafot es sorba bekotsz 12 DB ledet akkor nemkell ele ellenallas. Es akkor erre a 12 db-ra parhuzamosan rakod a tobbi ledet addig mig el nem fogy mind a 400. Ha nem erted mit akarok mondani lerajzolom paint-ba ha kell.
Na megrajzoltam neked PAINT-ba. minden sorban van 10 LED, igy ha 24 V-ot kotsz rajuk akkor egy LED-re 2.4V jut es az igy jo nekik. Minden oszlopban van 40db LED. A feszutseg rajtuk is 2.4V huroktorveny miatt. Egy oszlop eszik 800mA-t, 10 pedig 8A-t. Tehat a trafonak 24V/8A-esnek kell lennie.(192VA)
Köszönöm szépen a segítséget, értem hogy hogy mondod. Még egy kérdésem lenne, lerajzoltam az én 3. elképzelésemet, és az érdekelne, hogy működőképes-e. Azért erőltetném, mert így elég lenne a 800mA-es táp, ami azért jóval olcsóbb. És ha működik, akkor még egy kérdés, hogy előtétellenállás nélkül, 12 db LEDet kötve egy sorba, tuti lesz-e a dolog, egyenletes lesz-e a világítás, stb. Ez is az olcsóbbítás miatt lenne hasznos, másrészről annyival is kevesebbet kellene forrasztanom. Köszi!
|
Bejelentkezés
Hirdetés |




Köszi 







