Fórum témák
» Több friss téma |
nem ugy a programozható lábon ha kimenetkén programozon akkor mi jön ki
ezt a kapcsot át tod variálni lent tranyoknál ulc ic bent van??
http://www.hobbielektronika.hu/cikkek/files/232/kocka_sch.jpg vagy a nyák terven http://www.hobbielektronika.hu/cikkek/files/232/kocka_nyk.jpg és hogy a + gndre legyen kötve ?? A hozzászólás módosítva: Máj 12, 2015
Én is így értettem: Alacsony szint a kimeneten = Vss, magas szint a kimeneten = Vdd.
Vss vdd lab donti el hogy milyen megy ki a labon ??
+ vagy - ?![]() Az nem a pic + - laba hogy mukodjon? Szerk minusznak kene kijonni 25 labra A hozzászólás módosítva: Máj 12, 2015
No akkor egy kicsit részletesebben:
Legyen egy pic lába kimenetnek beállítva. Ha a PORT regiszter szerint a kimeneten magas szintnek kellene megjelennie (a PORT regiszter megfelelő bitje 1), akkor egy belső, a Vdd és a kimenet közöti (Source = Vdd, Drain = kimenet) P-MOS FET nyit. A kimentre a Vdd feszültsége kapcsolódik, magasabb feszültséget nem ad ki. Áramot tud kiadni a Vdd felől. Ha a PORT regiszter szerint a kimeneten alacsony szintnek kellene megjelennie (a PORT regiszter megfelelő bitje 0), akkor egy belső, a Vss és a kimenet közöti (Source = Vss, Drain = kimenet) N-MOS FET nyit. A kimentre a Vss feszültsége kapcsolódik, alacsonyabb feszültséget nem ad ki. Áramot tud vezetni a Vss felé. A hozzászólás módosítva: Máj 12, 2015
Hmmm akkor port regiszter el tom ezt alitgatni
jol gondolom ? ezt programba bele kell irnomEgy shiftregiszter ic mukudese erdekelne hogy mukodik egyutt a picemmel A hozzászólás módosítva: Máj 12, 2015
Idézet: „Egy shiftregiszter ic mukudese erdekelne” Igaz hogy ez a cikk AVR-t hasznal, de az elv ugyanaz: SPI 74HC595 shift regiszter Idézet: „ULN2803A (ez egy siftregiszter??)” Nem, az ULN2803 az egy Darlington tranzisztormezo IC. Az oszlopok aramanak az elnyeletesere pl egy 74HC595-os shift regiszterrel vezerelt ULN2803-as Darlington tranzisztormezot lehet hasznalni. Jo lenne ha amit belinkelunk azt el is olvasnad. Mar korabban irtam errol, ha megerted hogy ez a kapcsolas hogyan mukodik, akkor mar konnyebb lesz a LED kocka vezerleset is megertened. Bővebben: Link A hozzászólás módosítva: Máj 12, 2015
Már csak annyi hogy hogy kösseb a led + lábt a tranyohoz gondolom az emiterhet de collectort??
ink képet szeretnék kérni
Én meg tolmácsot...
Amúgy valószínűleg a +5V-os tápra megy a collector. A hozzászólás módosítva: Máj 13, 2015
Idézet: „Már csak annyi hogy hogy kössem a led + lábát a tranyóhoz” P csatornas MOSFET-et hasznalj, es arra ugyelj hogy logic level (TTL) mosfet legyen, mert azt mar 5V-os feszultseggel is lehet vezerelni. Bővebben: Link Igy kell bekotni: Bővebben: Link Neked a P-channel MOSFET Switch resznel levo abra kell. A mosfet-nek Gate-je, Source-a es Drain-je van nem pedig bazis-emitter-kollektor mint a tranyonal. A Gate-et kossed egy 100-150 ohm-os soros ellenallassal a PIC labara (de nem art a Gate-et egy 100K ohmos felhuzo ellenallassal 5V-ra is rakotni). A Source megy az 5V-ra, a Drain meg az adott szintnek megfelelo zold vagy piros LED-ek kozos + labara: Bővebben: Link A LED - labara koss egy 220 ohmos soros aramkorlatozo ellenallast es ez megy az ULN2803-ra, amit a shift regiszterrel vezerelsz, es ez foldeli le a LED-et ha vilagit. A hozzászólás módosítva: Máj 13, 2015
De ha mindenaron tranzisztort akarsz hasznalni, akkor ez alapjan meg tudod nezni a bekoteset:
Bővebben: Link Ez egy PIC 16F688-et hasznal (a belso 8MHz-es oszcillatorrol jaratjak kulso kvarc nelkul). A LED-ek aramanak elvezetesere 2db CAT4016 LED meghajto IC-t hasznal, de ha ilyet nem tudsz beszerezni, akkor helyette hasznalhatod a mar korabban emlitett 74HC595-os shift regiszterekkel vezerelt ULN2803-as IC-ket. A hozzászólás módosítva: Máj 14, 2015
Azert a tranzisztor bazisa es a PIC koze raknek egy ellenallast is, ami a tranzisztor bazisaramat korlatozza (a linkelt projektben ezt nem tudom miert sporoltak ki).
MOSFET
S lábat 5v voltva G a shitregiszterbe D peddig a tranyok bázisába bármilyen MOSFET jó vagy nem a te amit linkeltél nincs hestoron
Es meg annyi hogy akkor 25 labra hogy tudok picbol - varazsolni ?
milyen program koddal?
P MOSFET es tranyok keressek akkor
jól gondolom akkor?
Tenyleg jo lenne ha el is olvasnad es foleg meg is ertened amiket belinkelek.
A shift regisztereken keresztul SPI-vel osszesen 3 PIC I/O lab felhasznalasaval meg lehet hajtani az egesz LED kockat.
de még akkor amikor a led + fele nézd shiftregszterfelé??
MOSFET az most egy tranyó vagy a led lábakat ugy kell kötni (persze ha tom) ahogy a képen látszik?? A hozzászólás módosítva: Máj 15, 2015
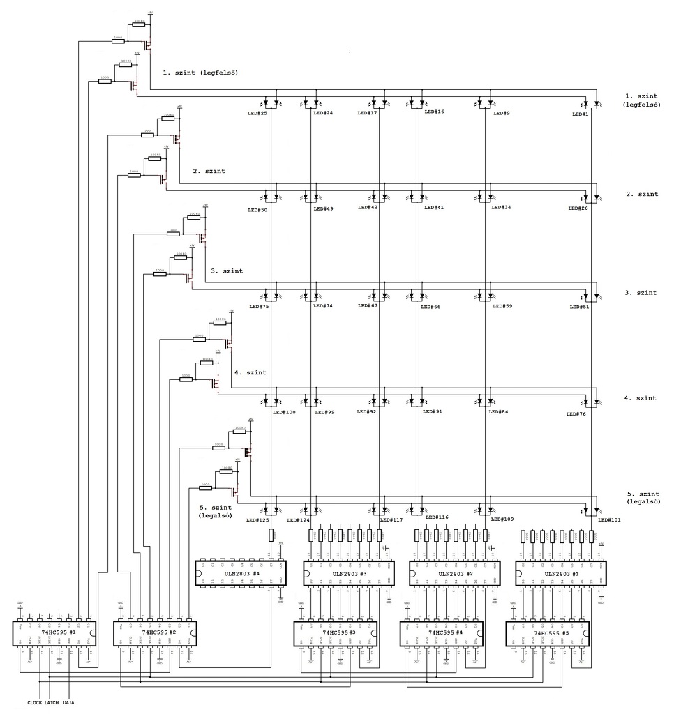
25 LED van egy szinten, es 5 szint van. Ahogyan te forrasztottad ossze a LED-eket, minden szintnek van 2 kozos + laba (zold + es piros +). Ahhoz hogy ezt vezereljed kell 10 p channel mosfet (az 5 szinten kapcsolja a +5V-ot a piros es zold + halora) es idonkent foldre kell kapcsolni a 25 oszlopba rendezett LED-ek - labat. Ezt meg lehet oldani 4 db ULN2803-as IC-vel (1 IC-nek nyolc csatornaja van). Ennek a vezerlesehez kellene a PIC-en osszesen 30 szabad I/O lab (25 oszlop + 2x5 szint). Ezert erdemes 4 db shift regisztert hasznalni es arra kotni a 10 FET-et es a 4db ULN2803-as bemeneteit. Ezaltal 3 PIC labbal tudod a FET-ekkel a szinteket es az ULN IC-vel az oszlopokat vezerelni.
A PIC-kel a shift regiszterekre pedig adott frissitessel ki kell irni a megfelelo byte-okat. Mivel a forrasztas miatt a hardver egyedi lett, ezert a PIC kodjat teljesen az alapoktol ujra kell irnod.
Itt egy 8x8x8-as LED kockat vezerelnek 25 db sorba kotott shift regiszterrel. Erre koti a 8 MOSFET-et a szintek kapcsolasahoz (kozos anodos RGB LED-ek), es erre koti a tranzisztorokat, amivel a 3x64 oszlopot foldeli.
8x8x8 RGB cube kapcsrajz A hozzászólás módosítva: Máj 15, 2015
Valahogy igy gondoltam (csak nehany LED-et rajzoltam be, mert nagyon nagy lett volna a rajz).
Sziasztok!
Tudtok nekem javasolni egy jó kapcsolást 16f628-hoz 3x3x3-as led kockához? Válaszotokat előre is köszönöm! ![]() Üdv Peti!
Ezt igen én is néztem de úgy láttam egy-két led nem villog és nem tudom hogy a programban lenne a hiba vagy rosszul kötötte be a ledet?!
Hát egyszerűbb ha te írod a programot nulláról
Őszintén meg mondom fogalmam sincsen hogyan kellene ezeket a ledeket így vezérelni így nem tudok írni hozzá programot ott az oldalon a forráskód meg nincs fent csak a kész hex.
Sziasztok! Meg èpitettem amit fentebb írtam de semmi, led meg se villan egy se mi lehet a problèma? Bővebben: Link
|
Bejelentkezés
Hirdetés |





+ vagy - ?
Amúgy valószínűleg a +5V-os tápra megy a collector.







