Fórum témák
» Több friss téma |
Most látom hogy milyen hülyeséget irtam. Nem fénycső hanem IZZÓ.
Havernak magyaráztam miközben írok és belekavarodtam a fénycső izzó dologba. Szóval 500w halogén izzó. ilyen: halogén izzó
Hali!
Az igaz, hogy az izzóknak nem jó a sok ki-be kapcsolgatás lágyindítás hozhat eredményt, de arra is gondolni kell, hogy az izzók a maximális élettartamhoz az üzemi feszültségre vannak méretezve. Alacsonyabb vagy magasabb feszültségen szintúgy csökkenhet az élettartam. Egy ILYEN megoldáshoz mit szólnál? Az egész izzópakk elé kötni egyet az 50%-on beindítja majd 1-2mp múlva mehet 100%-on. A másik FET+PWM ahogy írtad pl PIC-el. Egyenirányítod a 230V-ot, elegendő csak lüktető egyent csinálni, majd a negatív ágban egy FET-el megszaggatod PWM-el lágyindításnál a feszültséget.
A linket pont az előbb néztem.
Azt mondod ha egy dimmerrel egy izzót pl. 80% használok az ugyanúgy rossz neki mintha tulhajtanám? Na ez az amire én nem is gondoltam. Azt hittem megoldom ha lehúzom a teljesítményt.
PWM helyett egy triakos fázishasításos módszerrel (ez is a PWM egy formája) egyszerűbben elérheted ugyanazt a hatást. Inkább előfűtésként némi egyenáramot folyatnék az izzón, az hatásosabb lenne. A ki-, be kapcsolgatás úgyis megviseli az izzókat, mindegy milyen módszerrel kapcsolgatod.
Az előző oldalon írta, hogy a fázishasításos módszerrel is valami matt hirtelen felgyullad.
Mondjuk lehetne egy elofutest csinalni a kapcsolo elemmel perhuzamosan kotni egy 10k/10W ellenallast. Ez csinal kb 40 mA elofutest. A rendorlampaknal, es a vasuti fenysorompoknal is igy van (volt) megcsinalva.
Lehet, de akkor az az áramkör hibája. Nálunk több lámpában is van ilyen szabályzó, igaz kézi, de nem tapasztaltam felvillanást, sőt, kifejezetten lágyan indul.
Én arra a megoldásra gondoltam, amit a villogó közlekedési jelzőfényeknél alkalmaznak(tak), bár ott nincs fényerő szabályzás, de a villogtatás miatti kapcsolgatás okozott problémát. Szerintem nem a fázishasítás vagy a PWM a probléma, az izzóra nézve igen hasonló a hatásuk, hanem a ki-. be kapcsolgatás, aminek hatását némi előfűtéssel lehet csökkenteni.
Rendes fénypultnál, van egy poti külön amivel lehet beszabályozni az üresjárati parázs áramot. Egy sima dimmer áramkörrel csinálnám a helyedben.
Mit szárít, miért jo hogy villogtatva van, mi a célja?
(#1224851) dbase
Hogy miért jó hogy villogtatja? Ez egy filmnyomáskor használt száritó, aláfordul a textil ez pekapcsol és a frissen rányomott festék felületét egy kicsit megszárítja. azért nagy a teljesítménye mert rövid idő alatt (pár másodperc alatt kell a festéket úgymond 'meghúzza') aztán kikapcsol, mert ha tovább száritaná akkor be is gyúlna a textil... Az izzok és a szövet között kb 10cm van. Villanónak is hívják mert csak felvillan pár másodpercre aztán kikapcsol. Gépi filmnyomásnál ahol viszonylag gyors a folyamat ott is sokszor villanókat használnak mert az álladó működés és a villanás között minimum 50% az energia takarékosság. A kézi nyomásnál meg sokszor akar fel percet vagy ha az ember egyedül dolgozik egy percet is állhat a dolog ez alatt fölöslegesen melegítené a teret és használná az elektromos áramot. Arról nem beszélve hogy a hő hatására a feldolgozandó festék is szárad, nehezítve a munkát. Na ezért kapcsolgat ki-be. (1224603 pucuka) Próbáld meg légyszi a falba épitett kapcsolót, lehúzod kattanásig, ekkor megszakítod az áramkört és kapcsold vissza de csak kattanás és közben figyeld az izzót, izzókat, nálam ilyenkor villannak egyet. Ha nem szakítom meg az áramkört csak lehúzom ütközésig akkor nincs villanás, csak amikor megszakított áramkört újra áram alá helyezem, de nekem meg pont így működne a diakos dimmer.
Amúgy jó lenne ha valaki segítene abban hogyan kell PWM-el hajtani a triacot, mert akkor csak megcsinálnám hogy pic-el vezéreljem és beállítanám az üresjárati áramot olyan értékre hogy előmelegítse a wolframot és ahogy (#1224610) simpi irta kisérleti úton megpóbálnám belőni az üzemi áramot is úgy hogy a 2700C alatt maradjon.
Az a kérdésem az hogy ha pl. ezt a kapcsolást pwm-el hajtom, milyen frekvencián tegyem? a MOC nullátmenet detektoros legyen vagy nem?
Szia!
Ne erőltesd ezt a PWM-es dolgot, mert a triaknál az nem biztos, hogy jó lenne. Normál fázishasításos szabályzással csináld meg. Bővebben: Link
Szia
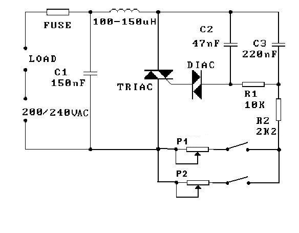
Picit módosítottam a kapcsolást. Szerinted a 2 kapcsolás közül melyiket próbáljam. A dimm1.jpg itt a 10k ellenállás adja az előfűtést és amikor a kapcsoló zár (ezt nem tudom még mi legyen relé vagy pl. egy MOC3041) potival beállított, teljes üzemnél is a 2700C alatt maradjon, vagy a dimm2.jpg itt az egyik poti az előfűtés és a másik a teljes üzem. Ha mindkét kapcsoló (relé) nyitva akkor nem folyik áram, ha az egyiket zárom akkor előfűtés, ha mindkettőt akkor teljes üzem. De ebben a kapcsolásban mit lehet használni relé helyett?
Válaszd a két potis megoldást. A teljes lekapcsolást a diak áramkörének a megszakításával is el lehet érni, de attól még nem lehet feszültségmentesnek tekinteni a lámpákat.
Kösz.
Akkor ezzel megpróbálkozom. Azért nem akarom a teljes áramkört áramtalanítani, mert amikor áram alá helyezem van, hogy bevillan. Persze e mellett van egy főkapcsoló a vezérlőn azzal kell áramtalanítani, meg a halózatról való lecsatlakoztatással. Még egy kérdés, mivel nem szeretnék mind a 8 izzóra külön egységet mi az a triak ami biztosan elbír ennyit? Sajnos elég sok rossz tapasztalatom van a triakokkal, de ezt egy másik topikban valamikor rég már leirtam. BT139 16A triak van itthon vagy 50 darab és 230V 450W-nál füstölnek. Ugyanez a helyzet a TIC206-osokkal 8A, régi elektronikábol kitermelt darabok jól birják az üzemet viszont új ugyanebből mint a puskagolyó robban szét. Hamisított alkatrészek.
Minél nagyobb áramút és legalább 600V-os feszültségűt válassz. Ha nagyon melegednének, akkor szereld őket hűtőfelületre.
A potinál ne használj kapcsolót, kitudja hogy reagál az áramkör ha a poti nincs az áramkörbe bekötve.
Ha szükséges 2 állapot, akkor pl kapcsolóval a potira egy másik potmétert kapcsolj rá párhuzamosan, és ha nyitott a kapcsoló akkor is él az áramkör.
Egy tapasztalatot szeretnék megosztani...A nagy teljesítményű, (nem motorikus) teljesítmény szabályozásra lehet kapni olyan szilárdtest reléket amelyeknek a bemenete már ki van alakítva az adott vezérlés kimenetéhez. Ezeket gyakorlatilag kétszál dróttal kapcsolhatjuk a gyenge áramú vezélés kimenetre. Az utóbbi időben használtam Pl. 4-20mA 0-5V bemenetű vagy éppen csak egy 470K-s potméteres típust.
Ezeket gyakorlatilag kb,3000e Ft ért meg lehet venni, akár 25-40A terhelésre is. Itt nem kivánok tippeket adni. A biztonságos hobbi és "félhobbi" építést nagyon megkönnyíti.
Szerintem nem jó ötlet előfűtési céllal kondenzátort párhuzamosan kötni triakkal vagy szilárdtest relével. A félvezető kapcsoló minden kapcsoláskor kisüti a kondit, ami nagyon nagy áramokkal jár. Legalább egy áramkorlátozó ellenállást is sorba kéne kötni, vagy pontos nullátmenet kapcsolás szükségeltetik (az átlagos nullátmenet kapcsolók elég nagy hibával kapcsolnak).
Szoval akinek sok penze van alkalmazhat gyari SSR-t, de pl egy 40 amperos triac itt a HEStoreban brutto 740 Ft, egy MOC3041 110 Ft plusz egy kis panelka, 3 ellenallas es egy dioda, mondjuk osszesen 1000 Ft brutto. Es maris ott a kivant SSR, a kivant aramra. Persze ipari alkalmazasoknal ahol mas szempontok is kozrejatszanak, es kevesbe szamit a penz, ott alkalmazzak ezeket eloszeretettel. De egy amatornel azert 200 Ft kulombseg sokat szamit.
A kondenzátoros előfűtés jelen esetben nem is használható mert a 8 izzó egyenként lekapcsolható, mert van amikor nem szükséges mindet használni és olyankor a kondi értékét is "módositani" kellene. Mindhez kellene egy kondi és akkor abbol is lekapcsolni egyet.
Azt hiszem megpróbálkozom a két potméteres dimmeres megoldással. A kérdésem az lenne hogy a csatolt rajzon mit kellene használni a K1 helyett? Egy nem nullátmenetes optocsatolót?
Miért nem jó a k1? A triac az mindig 0-átmenetnél gyujt csak be. Ez az áramkör is már olyan. Állítólag, ha egy ilyen áramkör van a lámpára kötve, és sokat van le-fel kapcsolgatva, max fényerőre tekerve is tovább fogja bírni az izzó, mert soha nem jöhet létre, hogy
csúcson van a fesz és pont akkor kapja meg a hideg izzó és elszál.
Ha nullátmenetes optotriakot használ , akkor elvileg nem zárja rövidre a kondit fesz alatt, vagyis nincs túláram.
mit szólna a lámpa ahhoz az előfűtéshez ami úgy néz ki hogy alapban 3 lámpa sorba van kötve , és ez megy a hálózatra. ekkor az egyes izzókra durván 80 volt jut, ez az előfűtés. az izzók közös pontját a nulla ill fázisra kötve 2 tiakkal , az izzók párhuzamosan mennek, ha a trikok kikapcsolnak vissza állnak előfűtésre. nincs fázishasításos zavar , igaz csak 3as csoportba lehet kötni az izzókat (vagy 5ösbe 4 triakkal)
"Sima" kapcsolgatás esetén egyet is értek veled, általában én is ezt használom. (a Bta40, Bta41...stb)
Viszont "fokozatmentes" galvanikusan leválasztott meghajtásra, nem hinném, hogy 1000Ft elég lenne.Esetleg az említett szabványos adatok, 4-20mA, 0-5V...stb. Továbbá a dobozolásnál is vannak előnyök, mert akár egy szabványos kapcsolószekrényben, nem kell külön dobozolni. Aki már 6Kw-ban gondolkodik(topic címe), az már nem is teljesen hobbi, azért írtam a "félhobbi" kifejezést.
Sok vagy kevés? A PIC -el lehet 0-5V "analóg" feszültséget előállítani és már készen is van. Gyakorlatilag a PIC-et is meg lehetne csinálni diszkrét elemekből.
Csak nem lattam sok ilyen 4-20 mA es 0-5 V bemenetut. Amit lattam az viszont a nem nagyon olcso inkabb q.. nagyon draga sorozatbol volt.
Azért mert nem közvetlenül kapcsolgatom.
Az forgó asztal ami a száritandó dolgokat "viszi" alapból szolgáltat jelet amikor a megfelelő pozicióban van. A jel 0-5V pár miliamper, erről kell hajtsam, szóval vagy tranzisztor+relé vagy optocsatoló.
Szerintem bonyolultabb a sorba kötés-+kapcsolgatás mint az elektronika.
Ez így igaz...Egy ideje "sz...tam" egy bizonyos vezérlésekkel, amelyikből több db kellett és állandóan át kellett alakítanom a paneleket...aztán keresgéltem...és találtam. (Az olcsóbb az nem biztos, hogy rosszabb, csak éppen nincs pénze vagy lehetősége az adott cégnek a "szélesebb publicitáshoz".)
|
Bejelentkezés
Hirdetés |












