Fórum témák
» Több friss téma |
A számlálókkal nem tudom, hogy hogyan szeretnél statikus bemenetből statikus kimenetet dekódolni...
Hello!
"Vagy egy Xilinx" Nekem nincs, ha lehet az én korommal ne haladjunk, elég gyors az így is.. "A számlálókkal nem tudom, hogy hogyan szeretnél statikus bemenetből statikus kimenetet dekódolni..." Regiszterekkel.. Egyébként úgy is lehet, hogy decimális számlálóval elszámolsz a bináris értékig (komparátor), majd a számot kiteszed a kijelzőre.. Parasztos, de egyszerű. üdv! proli007
A számlálók stimmelnek,a shift regisztert néztem be.Helyette egy összehasonlító kell.A számláló (cd45xx) addig számlálja az órajeleket amíg a beállított kapcsolóállás nem egyezik egy másik bináris számláló tartalmával,ekkor kiírás ,resetelés ,kezdődhet minden elölről.
Az nem esett le elsőre, hogy honnan lesz órajeled, ha egyszer statikus a bemenet...
Hello!
Nagyon szépen köszönöm a sok segítséget. Sajnos nem vagyok túl gyakorlott az építés terén, úgyhogy ha lehet kérnék még segítséget. Tetszik az a megoldás amit bosszantás képen küldtél, azzal csak az a bajom, hogy nem tudom az epromot felprogramozni. Se programot nem tudok írni és nincs amivel beleírjak az IC-be. Ha tudsz benne segíteni megköszönném. Üdv: silencezozo
Szia _vl_!
Nagyon köszönöm, hogy fordítottál időt az én problémámra. Sajnos nem tudom, hogy amit leírtál megoldást, azt hogyan is kéne kivitelezni. Tudnál még ebben segíteni? Üdv: silencezozo
Hello!
"Se programot nem tudok írni.." Ehhez még nem is kell tudni. Annyi az egész, hogy amelyik szegmenst szeretnéd látni hogy ég, oda 0-át írsz, amelyiket nem, oda 1-et. Az Eprom nulladik címén az első digit (egyesek) kódja van, az elsőn, meg a második digit (tizesek) kódja van. Majd így tovább. Tehát összesen a 32 varicióhoz, 64 byte-ot kell "kódolni". Pld. ha a bináris érték nulla '00000', akkor Te a kijelzőn "_0" számot akarsz megjeleníteni. (Az alávonás a nem jelző digitet jelenti, mert azt írtad, hogy 05 helyett, nullát nem, csak az 5-öst szeretnél látni.) - Nos, "0" számnál, minden szegmens ég, kivétel a "g". - Akkor a 0.byte kód binárisan 'x1000000'. Hiszen a bit összerendelése 'xgfedcba" ("x" helyére bármit írhatsz, hiszen az a bit nincs használva. - Mivel a tízeseknél nullkioltás van, a tízesek ekkor nem égnek, így az 1.byte kódja csupa 1 lehet. 'x1111111'. - Ha ezt Hex formátumra konvertáljuk, (és az "x" helyére 0-át írunk) akkor első byte x100=4, 0000=0. Vagy is Hexa "40". - 1-es byte pedig x111=7 és 1111=F. Vagy is "7F" -Ezt kell égetni az Eprom nullás és egyes címére, és kész is a '_0' kijelzés. Ha van kedved, akkor kódolj, és majd leellenőrizzük. Szerintem sokan vannak (én is) aki be tudja égetni ezt a 64 byte-ot. Itt még az is lehetőség, hogy az Eprom kimeneteket úgy kötöd a kijelzőre, ahogy éppen kijön a nyák, csak a bitek kódolását kell, a szerint módosítani. De ha nagyon keresel a rajzok között, már kódoltam számokat, mikor 0..99-ig kellett számolni valamiért.. üdv! proli007
Hello!
Na, visszanyalt a fagyi. Mint látható hasonló dolgot már megoldottam, csak három digitre itt. üdv! proli007
Üdv mindenkinek! Én egy olyan kapcsolást szeretnék építeni amely egy olajnyomás érzékelő, aminek 320 - 0 ohm- ig terjed az ellenállása. Én ezt a nyomásértéket szeretném egy kijelzőn megjeleníteni, 0 - 8- ig skálázva. Vagyis a 9 már nem kell. 320 ohm- nál 0 a nyomás és 0 ohm- nál a nyomás 8. Ennek a megvalósításában kérném a segítségeteket.
Köszi!!
Indulásnak.. A 320 Ohm jeladót egy referencia feszültségre (pl. 5 V ) kell kötni. Ez lehet egy osztó felső vagy alsó tagja. A leosztott érték felel meg a 8 szintnek. ( 320/8 = 40 ohmos lépéseknél kell figyelni a feszültségt ez megközelitőleg 0,625 V =5V/8 ) Komparátorokkkal vagy PIC.
A hozzászólás módosítva: Okt 17, 2012
Helló! Köszi! Szerintem komparátorral kellene megoldani, mert programozni nem tudok. A komparátor után jönne a kijelző meghajtó? A komporátort, hogyan gondoltad?
Igen a komparátorok után a kijelző meghajtó jönne. Egy egyszerű komparátorra gondoltam ha nem fontos a nagy pontosság. Diódás lánc ami egyre nővekvő értékkekre nyit. (0.6V, 1,2, 1,8 stb. ha B-E átmenetet használok 0,7 V ha diódát) Mivel majdnem egybeesik a tranzisztor nyitó feszültsége (0,6) a lépési szintekkel (0,625) és a szilicium dióda nyitófeszülstégével ezt használnék. Előáll egy bináris érték amit logikával, vagy egyéb kódolással a kijelzőt vezérelném. Nagy vonalakban ennyi.
Nem fontos a pontosság, csak nagy vonalakba jelezze ki az értéket. A diódás láncról, vagy a tranzisztoros láncról, amit mondtál tudnál mutatni egy rajzot? Mellékeltem pár képet, a diódaláncot jól értelmeztem? A számlálóhoz hasonló lesz majd az áramkör?
A láncot jól értelmezted, de nem erre gondoltam. Hmm nem lesz egyszerű rajznélkül elmagyaráznom.. Nekem meg nincs szkennerem.. A számláló sem ilyen. Nem is kell számláló. Csak kijelző és egy kodóló. vagy egy logika. Találok valami megoldást.
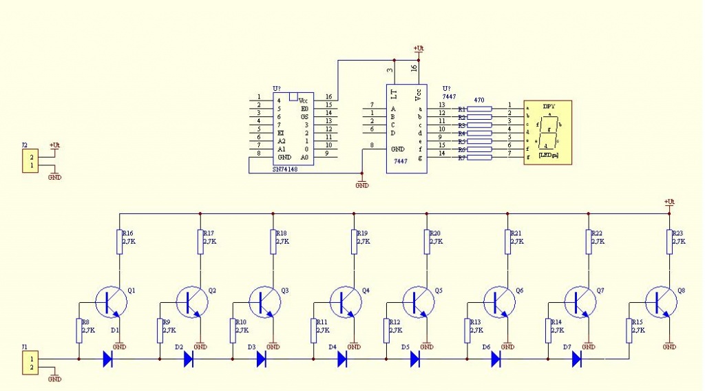
Na találtam egy lehetőséget. A Texas Optoelektronikai receptek könyvben van. A ledek elhagyhatóak. Az ellenállások értékét megnövelni. pl 2,7 KOhm-ra. a kollektorokról levehető a logikai szint. Ezt prioritás dekodolóhoz (SN74148) kell vezetni. Annak a kimenete előállítja a BCD számot. Ezt fogadja a SN7447 hétszegmenses kijelző meghajtó. Itt lehet használni valamelyik TIL kijelzőt.
Na egyszuszra ennyi. Már csak le kellene rajzolni, hogy lássam is .
Fontos a számként való kijelzés? Ha nem akkor az előző kapcsolás önmagában elég egy led soros kijelzőhöz.
Az az igazság, hogy igen. A kapcsolás az egyik rokonomnak lesz és ő ragaszkodik hozzá.
Újabb alternatíva ,veszel egy ledes feszültségmérő panelt.Ettől kezdve már csak három számjegyet kell kivenni belőle.A 2. vagy a 3. teljesen elég,csak jól kell bekalibrálni.(ha meg mindet meghagyod akkor aztán fullos az egész.(esetleg ha nem ragaszkodsz a ledeshez ,LCD-s kijelzőnek akár egy gagyi multiméter is jó lehet. (800-1000ft és készen van)Maximum a tápellátással lesz némi gond.Ha autóba készül ,és nem tudsz hozzá független tápot készíteni.
A hozzászólás módosítva: Okt 19, 2012
Helló! Készítettem egy kapcsolást, amennyire tudtam. Remélem, hogy az ellenállásokat jó helyen nevezgettem át. Az IC-ket most így tettem bele, de ha kell akkor még tudok rajta változtatni. Köszi!!
Köszi a segítséget, és az ötleteket, csak mivel nem nekem lesz, nekem is ragaszkodnom kell az előírásoknak.
A diódás tranzisztoros lánc jó. Az SN74148 lábkiosztása nem jó. egyébként sem mert -bocsi- a 147-s kell. A 148 az 0-7 kódol s neked a 8 is kell. Az sn74147 0-9 -ig. Mellékeltem az adatlapját. A tranzisztorok kollektorait kell az Ic bementeire kötni. A következő képpen. Az első tranzisztor kollektora a d2 / 12. láb és értelemszerűen így tovább. A D1 -t kösd testre. A kimenetekre kell egy egy inverter. Ami lehet egy tranzisztoros vagy az Sn 7404 alkalmazása.Én a tranzisztoros megoldást alkalmaznám. Egyébként a kimenetet értelemszerűen súlyozva össze kell kötni a szegmens meghajtóval. SN747-nél a 4. láb szintén + ra Lásd adatlap.
Helló! Megvannak a módosítások, remélem hogy jók. A nyomásmérőt egy potival helyettesítettem a rajzon.
Szia !
Tökéletes. De most néztem az igazság táblát, nem vettem figyelembe a 0-t más felé járt az eszem. Bocsi. Csak annyit kell módosítanod, hogy az 1 (d1) bemenet földelését megszünteted. A D1-t az első tranzisztor kollektorára. Így tovább 8 -ig. D1 1. tranyó D2 2. stb. D8 8. Így a nullát is jelzi.
Helló! Így gondoltad?
A hozzászólás módosítva: Okt 21, 2012
|
Bejelentkezés
Hirdetés |














