Fórum témák

» Több friss téma
Fórum » A-osztályú erősítők
 
Témaindító: Dióda, idő: Feb 14, 2006
Lapozás: OK   29 / 137
(#) Bali125 válasza vendelkiraly hozzászólására (») Nov 29, 2009 /
 
Vagy csak én vagyok ilyen tudatlan vagy valóban nem lehet hsz-ben két hozzászólásra válaszolni... Mindegy ez mellékes. Egyébként a föld nekem kis kísérletezés után úgy alakutl ki, hogy a táp - ága a doboz és a hűtőborda is össze lett kötve.. Sok véleményt hallottam erről de végülis erre jutottam, így kevésbé gerjedt... De még alakult volna a dolog ha nem történik ez a baleset, szóval még képlékeny votl a téma...
Üdv. Bali
(#) Mayan hozzászólása Nov 30, 2009 /
 
Na, itt van a mai agyszüleményem, az egyetlen kapcsolóval vagy A-, vagy B-osztályba kapcsolható shaman. B-osztály nagyobb teljesítményhez, disco zenéhez, A-osztály audiofil zenehallgatáshoz...
(#) highand válasza Mayan hozzászólására (») Nov 30, 2009 /
 
Az alsó tranzisztornak a belső ellenállása párhuzamosan fog kapcsolódni a hangszóró ellenállásával. Ez így nem ugyanaz, mint amikor a kollektorral kacsolódik az A osztályban. Ha 1A nyugalmi áram fog folyni A osztályban, akkor csak 26milliohm lesz ez a párhuzamosan kapcsolódó impedancia. Nagyon halk lesz uram.
(#) highand válasza highand hozzászólására (») Nov 30, 2009 /
 
Illetve, akár jó is lehet....duális vezérlés ugye.

Szerk: Fog működni, uram! A bázis ellenállás bétáad része még hozzáadódik ahhoz a 26milliohmhoz4

Szóval jóóóóó! De akkor mostmár részletes leírást kérünk, hogy mi változik a kapcsolónál!
(#) Mayan válasza highand hozzászólására (») Nov 30, 2009 /
 
A gyakorlatban még nem próbáltam ki, majd holnap... hogyhogy mi változik a kapcsolónál ? Szerintem elég egyértelmű: B-osztályban sima push-pull pár, nyugalmi áram nulla, de az opamp kijavítja a hibákat. A-osztályban az a-minimum kapcsolásod, csak alul pnp van...
(#) highand válasza Mayan hozzászólására (») Nov 30, 2009 /
 
Hangban mi változik uram, az itt a kérdés.

Szenzációsak ezek a hangszórók, annyira élvezem, tök olcsó és nagyon jók.
(#) Mayan válasza highand hozzászólására (») Dec 1, 2009 /
 
Sajnos az a-osztályba kapcsolva hamar betorzít, lehet tényleg nem azonos a fordított tranyóval... viszont a b-osztályú módban nagyon jól szól, erőteljes, nagy hang.
(#) Mayan válasza highand hozzászólására (») Dec 7, 2009 /
 
Elképzelhető hogy így (fet+lm317) jobb lenne ?

fet_lm317.png
    
(#) Mayan válasza Mayan hozzászólására (») Dec 9, 2009 /
 
Megcsináltam így, 2 ohmos ellenállással, így is nagyon fűt... egyelőre nem állítom hogy jobb, de biztosan nem rosszabb...
(#) highand válasza Mayan hozzászólására (») Dec 9, 2009 /
 
Ezt kellene fejleszteni(!), azzal, hogy felülre FET-et teszel.

Úgy értem, amire válaszoltam, abban a hozzászólásban, ami van.
(#) Mayan válasza highand hozzászólására (») Dec 9, 2009 /
 
Szerinted fettel még jobb lesz ? Akkor lehet átalakítom... a mostanit megrajzoltam sztereóban: ( csak nekem pnp-kkel van most mert az volt csak kéznél...)

a_min_new.png
    
(#) Mayan válasza highand hozzászólására (») Dec 9, 2009 /
 
Így gondolod ? ( Vagy pnp-vel és a fet fordítva ? )
(#) Mayan hozzászólása Dec 10, 2009 /
 
Megrajzoltam full szimmetrikusan is, tök szép...
(#) Mayan hozzászólása Dec 10, 2009 /
 
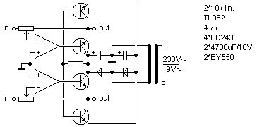
Sőt: teljes táppal együtt...
(#) highand válasza Mayan hozzászólására (») Dec 10, 2009 /
 
Szerintem ezt tedd fel valami külföldi DIY fórumra és nagy hírneved lesz, mert nem fogják érteni hogyan működik, viszont, ha megépítik , akkor jó lesz.
(#) hapro válasza highand hozzászólására (») Dec 10, 2009 /
 
Ezt én sem értem, hogy működik...hogy működik?
(#) Mayan válasza hapro hozzászólására (») Dec 11, 2009 /
 
Azonos az előzőekkel, csak szimmetrikusan rajzoltam meg. A műv. erősítőt egy emitterkövetővel egészítjük ki, aminek egy primitív áramgenerátor adja a tápot. A hálózati táp nem teljes hullámú hanem fesz. kétszerező, de semmi búgás nincs, ez is teljesen jó.

Ma átépítem fetesre, majd beszámolok hogy milyen...
(#) Mayan válasza Mayan hozzászólására (») Dec 11, 2009 /
 
Na kész is, de egyáltalán nem vagyok benne biztos hogy jobb így. Talán ugyanolyan... Mindenesetre ugyanazzal a 4,7k-ellenállással sokkal kisebb lett a felvett áram, ezért azt kicseréltem 2.2k-ra, így már jó.
(#) hapro válasza Mayan hozzászólására (») Dec 11, 2009 /
 
Az a fesz kétszerező volt ami nem volt világos, nem vettem ki belőle, hogy az az.
(#) Mayan válasza highand hozzászólására (») Dec 11, 2009 /
 
Nem szerettem fettel... visszacsinálom a bd244-esekkel. Fettel valami fémes, zavaró rezgés ült rá a hangra, nem tetszett. A bipoláris tranyókkal sokkal természetesebb, kellemesebb volt. Azt akartam még kérdezni, hogy van-e valami különbség a npn és pnp tranyók közt hangzásban ? Vagy teljesen azonosan működnek, csak a polaritás fordított ? Mert nekem a pnp-kel nagyon bejön ez a kapcsolás.

pnp.png
    
(#) highand válasza Mayan hozzászólására (») Dec 11, 2009 /
 
Érdekes kérdés. Van különbség, a pnp sruktura nagyságrenddel kevesebb kombinációt, szellemképet termel olyan vezérlés esetén, amiben sokféle freki van
(#) highand válasza Mayan hozzászólására (») Dec 11, 2009 /
 
Egyébként csak óvatosan jegyezném meg, hogy a fetesnek egészen másképpen alakul a kimeneti impedanciája.
(#) bölcsész hozzászólása Dec 15, 2009 /
 
Hi,

sajnos már másodjára mérek 40v bemenőt 28v helyett ebben a tápban, mióta nyákra szereltem. Első alkalommal fel is robbant ez egyik fet, úgyhogy kicseréltem mindent.

Majd újabb próba...terheletlenül, erősítő nélkül persze.
Az 1k/1W melegszik, mint állat....
Este még jött a 28V, de másnap már megint 40v, úgyhogy most rá sem mertem kötni a végfokot.

Tudnátok esetleg valami egyszerűbb, bolondbiztosabb stabil táp kapcsolást javasolni, ami le tud adni ca. 2-2,5A-t 28-29v mellett, 40V bemenőről?

Bővebben: Link

köszi
(#) Mayan válasza bölcsész hozzászólására (») Dec 15, 2009 /
 
Talán csinálj egy sima, stabilizálatlan, de jól szűrt 28V-os tápot... vagy még inkább, csinálj egy jobb erősítőt: Pár alkatrész az egész sztereóban is, és ezt most komolyan mondom, mióta ez megvan, elvesztettem a motivációt hogy újabbakat építsek, mert nem hiszem hogy tudnék még ennél is jobb hangút építeni. Halál komolyan. Depressziós is vagyok miatta na meg rohadtul boldog is, hogy végre van egy nagyon komolyan audiofil erősítőm... Óriási előnye még ennek a kapcsinak a rendkívüli hangján kívül hogy nincs kondi a jelútban, és totál érzéketlen a táp brummjára, mert az opamp gyakorlatilag rajta lebeg a tápon, és kompenzálja a brummot. Néma csendes, bekapcs. zaj sincs, alapzaj sincs.
(#) bölcsész válasza Mayan hozzászólására (») Dec 15, 2009 /
 
Hi,

Adott a trafó: 2*29V. Szóval nem szeretnék egy másikra beruházni.
Adott a fetes elkötelezettség is legalább addíg, míg sztereóban nem építem meg és szkóppal vagy azzal a hangmérő szoftverrel meg nem mérem jól.

Neked is meg kéne mérned a tiedet legalább négyszög jel vonatkozásában, hogy jobban el tudj tántorítani...

üdv
(#) Mayan válasza bölcsész hozzászólására (») Dec 15, 2009 /
 
Te négyszögjelet hallgatsz ???
(#) bölcsész válasza Mayan hozzászólására (») Dec 15, 2009 / 1
 
Volt már rá példa igen.

Arra akarok csak kilyukadni, hogy az általad korábban istenített egy tranyós is leszerepelt nálam.
Szóval a szubjektív véleményekkel ez a baj.
Ami nem jelentené, hogy ez a mostani kapcsolásod nem tetszhetne éppen, de egyelőre a fetessel akarok megküzdeni.
(#) Mayan válasza bölcsész hozzászólására (») Dec 15, 2009 /
 
Na jó, az egytranyósat már nem istenítem többé... De ez gyári erősítőknél, pl. yamaha dsp végfok, jvc a-x4, stb. is szebben, jobban szól. Igazán nem nehéz kipróbálni, 5 perc kell hozzá kb
(#) Mayan hozzászólása Dec 15, 2009 /
 
Ja amúgy azt vettem észre, hogy erősítők tesztelésére nagyon alkalmas pl. a bach toccata és fuga, jó minőségű cd-ről, amin a legeslegmélyebb orgonahangok is átjönnek. Amikor egyszerre nagyon sok hang szól, akkor pl. az egytranyós hangjában már elég nagy káosz lett, összekavarodtak a szólamok, míg ennél minden egyes hang külön-külön, szinte megfogható, szétválogatható, egységében pedig szinte hátborzongató. Szóval én a zenét preferálom teszteléshez, nem a négyszög és háromszögjeleket. Már csak azért is mert az csak egyetlen hang. Zene esetén pedig gyakorlatilag egy elektromos káoszt erősítünk. Ezt nemigen lehet modellezni vagy mérni, hallgatni és érezni kell.
(#) bölcsész hozzászólása Dec 15, 2009 /
 
Inkább várnám a fenti táppal kapcsolatos segítséget.

Köszi
Következő: »»   29 / 137
Bejelentkezés

Belépés

Hirdetés
XDT.hu
Az oldalon sütiket használunk a helyes működéshez. Bővebb információt az adatvédelmi szabályzatban olvashatsz. Megértettem