Fórum témák
» Több friss téma |
Pont ezt akartam én is elérni anno.
Azóta sem csináltam meg. Kaphatnék én is valami "anyagot"?
Találtam a neten egy kapcsolást ATtiny13-al, amit meg is építettem. A gond csak az, hogy amint ráadom a tápot, azonnal behúzza a relét.
Van esetleg valakinek valami ötlete?
Hiba kijavítva.
Működik. ITT A LINK Ez egy működőképes dolog és alig áll pár alkatrészből. Ahhoz képest viszont két dolgot is tud: Az egyik maga az intervallum állíthatósága kívánság szerint. A másik dolog jó ideje már alap az autókban, hogy a szélvédőmosót működtetve az ablaktörlő is elindul és töröl néhányat. Az utóbbira nekem már nem volt szükségem.
Én is csináltam ilyen ablaktörlő időzítő PIC-el, eredetileg a meghibásodott gyári helyett, mert nem volt kedvem zavargászni a boltokban. Van az a mosási három törlés is rajta, miután elengedem a spriccelést, prímán működik lassan egy éve. Múltkor agyaltam rajta, hogy lehetne ezt az intervallumüzemi időt változtatni, de akkor nem sikerült alkalmas megoldást találni rá. Ez viszont tetszik, hogy a kart megnyomva rövid időre, majd később bekapcsolva a két kapcsolás közötti időt használja a továbbiakban. A kérdés: csak a gyújtás levételéig tartsa meg a beállított időt, és legközelebb a gyújtás ráadásakor ismét az alapértelmezett idővel működjön, vagy mentse el az eeprom-ba a beállított időt, és legközelebb azt használja? Hogy praktikusabb a tapasztalat szerint?
Eddig nem láttam ezt a topikot, de ha van érdeklődés rá, akkor miután ez a kis kiegészítés elkészült, csinálok belőle egy cikket ide az oldalra
Hali potyo!
Részemről nagyon megköszönném a cikkedet,amit emlegettél. Jó lenne ha valaki összefoglalná ezzel a témával kapcsolatba a dolgokat részletesen leírva. Esetleg a Mumtaz által írt megoldást is ki tudnád elemezni és betenni a cikkbe? Üdv. Peti
Volkswagenekben még néhány más autóban is láttam már és tényleg jó megoldás. Ezért is ütött szöget a fejembe. Amit belinkeltem, az szerintem elég egyszerűen megvalósítható. Alig pár alkatrész kell hozzá.
A VW gyári megoldásban az utólag "beállított" időt megtartja a gyújtás levétele után is és addig ezt az időt használja, amíg egy újabb beállítás ciklust végre nem hajtanak. Részemről elhagyható, mert a következő használatkor 80%, hogy nem annyira fog cseperegni az eső, valamint az újra beállítás egyáltalán nem bonyolult.
Szia!
Nézd meg a Wagon R+ Club oldalát! A regisztráció után van ilyen kapcsolás. Üdv
Igen. Azt is néztem már.
Amit én tervezek, az jelen pillanatban így néz ki: Link Most készül hozzá egy kissé módosított nyákterv, mert a régin nem volt bent egy dióda, utólag tettem rá. A program elvileg kész, de ki kell még próbálni az intervallum változtatását. Igyekszem a hétvége folyamán feltenni az egészet a kapcsolásokhoz. Egyébként az 53E jelenti az ablaktörlőmotor tekercsét, I az intervallumkapcsolóról jövő jel, 53C az ablakmosó motorjáról jövő jel, 31B az ablaktörlőmotor végálláskapcsolója, 15 az akku plusz a gyujtáskapcsolóról, 31 az akku minusz. Ezek a jelölések voltak a régi relén, ezért így számoztam be.
Ez úgy látszik, egységes. Vagy az opeleket veszed alapul a jelölésekkel.
![]() Mondjuk a végállás kapcsoló nem rossz ötlet, ha azt is figyelni kell, hogy mennyi ideig tart egy törlés.
Nem tudom, mit tolhattam el a kapcsoláson, de ez nem akar működni. A kapcsoló szálra 12V rákötése, majd levétele, aztán egy idő elteltével újra rátételére csak akkor húz be a relé, amikor rákötöm. Aztán kis idő elteltével lekapcsol a relé, de utána az idő leteltével nem kapcsol újra.
Konkrétan kadettből származnak a jelölések, de Bosch feliratú a relé, úgyhogy szerintem sok autóban ugyanez a relé is van.
Engedélyezve lett a kapcsolás, amit feltöltöttem, itt olvasható: Link
Bár végül maradtam az előzőleg megépített cuccnál, de ez megérdemli a pontokat.
Ma ugye elég változó volt az időjárás, én meg kb. 200 kilómétert autóztam. Jól teljesített a kis cucc, annyira sosem esett, hogy a folyamatos lassú üzemet be kelljen kapcsolni (volt ahol állítólag annyira esett, hogy egyszerűen megállt mindenki, na szerettem volna ott lenni), mindig csak intervallumon volt, egyes helyeken közel egy percre állítottam. Volt, hogy mentem kamion után, az ugye eléggé felveri a vizet, de nekem elég volt 9-10 másodpercenként egy törlés. Jött utánam egy Audi, annak a törlője 8-at törölt, mire az egyém egyet (nő vezette)
Aloha!
Valaki tudja,hogy hány amperes egy autó ablaktörlő motorja? Esetleg tud valaki egy univerzális ablakemelő kapcsoló bekötési rajzot mutatni?Őt lábas és nincs rajta semmilyen tipusjel. Előre is köszönöm.
Az lenne a kérdésem, hogy AVR-hez véletlenül nem értesz? Pontosabban az a gondom, hogy a kiszemel ablaktörlő időzítő nem akar működni és feltételezhetően a szoftver miatt nem. Viszont az bascomra van írva, tehát nem C-ben.
Sziasztok!
Én speciel AVR-hez értek, C-ben és assembly-ben is tudom programozni. Várhatóan ATTINY15 vagy ATTINY2313 lesz a mag, a szükséges lábszámtól függően. Skoda Favorit típusú kocsimba akarok valami ütőset alakítani. Ahogy átnézegettem az elvégzendő feladatokat, biztosan nem lesz elég 10 sor! Jelenleg a végálláskapcsolós dolog sem működik, azaz hiába kap állandó áramot is a törlőmotor, kikapcsoláskor ott áll le ahol éri. De legalább a végálláskapcsoló működik... Az én változatom vezérelni fogja az ablakmosót is. Ha egy pillanatra benyomom az ablakmosót, akkor automatikusan elindul a mosás kb. 6-8 másodpercig, és az indítástól számított 2-3 másodperc múlva indul meg a törlés és 4-et töröl rajt. A tanító módot úgy fogom megoldani, hogy a lassú módot figyeli meddig van bekapcsolva, hányat tööl az ablaktörlő, és utána mennyit várakozik a gépkocsivezető a szakaszos módba kapcsoláskor. Elhasználódott törlőlapátoknál ez előnyös, mert sokszor egyetlen törlés csak szétkeni az esőcseppeket, és legalább 2-3 törlés kell. Ha esetleg valakit érdekel, megírom hogy haladok.
Úgy érted, hogy szakaszosban is egy ciklus nem egy törlés lesz, hanem a betanított időközönként töröl 2-3 alkalommal is?
Az egyébként régen rossz, ha kopott lapátokkal jár aaz ember.
Igen, pontosan úgy gondolom.
Amúgy nemrég cseréltem ki a lapátokat gumival együtt, és azt tapasztaltam, hogy a normális letakarításhoz csöpörgő esőben így is legalább kettőt kell törölni, mert az első csak elkeni.
Akkor vagy gyenge már a karok rugója, vagy karcos a szélvédő.
Ne értsd félre, nem a megvalósítandó időzítőt becsmérelem. Az ötlet nagyon is jó.
Hello!
Új vagyok itt, s persze segítséget kérnék. Lehet, nem pont az időzítés témába vág a dolog, de az ablaktörlő motorral összefügg. Tehát: Adott egy 12V-os kamion ablaktörlő motor, amivel szirupot szeretnék keverni, Az a lényeg, hogy a szirup melegedés hatására sűrűsödjön, s a keverőlapát az üst alján mozgassa a témát, hogy az ne égjen le. Hogy tudom a 12 V-os motort legegyszerűbben 220-as hálóatról üzemeltetni? Milyen átalakító kell ehhez? Lehet ilyent készen venni? Bocs totál bamba vagyok az elektronikában. (Max egy hosszabítót tudnék összeszerelni, meg esetleg egy, két kapcsolót.) Honnan tudom, hogy mennyit forog egy motor percenként? Kell ehhez valami vezérlés is? Előre is kösz a segítséget
Hello!
Fordított sorrendben válaszolnék. Azt hogy mennyit forog a motor, a végálláskapcsolójától tudhatod meg. Az én Skoda Favoritomnál földpontra kapcsol a végálláskapcsoló a törlőmotor végállásában. A tápforrás 12V-15V és kb. 3A-6A kell hogy legyen. Legegyszerűbb egy akksitöltő vagy egy PC tápegység. Ja és tudd: egy ablaktörlőmotor percenként kb. 10-15-öt fordul, azt viszont erőteljesen. Tehát a habverőt ne akard kiváltani vele, és lehetőleg minél nagyobb lapátot mozgasson hogy legyen mechanikai ellenállás. Azért kicsit fúrja az oldalamat, hogy fordulatszámot akarsz mérni(esetleg szabályozni), holott még a tápegységgel is bajban vagy...
Szia!
Kösz a választ. Nem akarok én fordulatszámot mérni, csak nagyjából szerettem volna tudni mennyit fordul egy ilyen motor. Teljesen kezdő vagyok. Még egyszer kösz a segítséget
Szia Kacsa007!
Szeretnék én is építeni egy ilyen ablaktörlő időzítő kapcsolást. Nekem Renault 5-öm van. El tudnád küldeni a kapcsolási rajzot, az alkatrészlistát, és a pic progiját? Jó gyakorlás lenne nekem. PIC-et még sosem programoztam... Köszi! . rpeterr
Sziasztok a következőt szeretném megvalósítani de nem tudom hogy -hogy.
Egy swiftbe szeretnék hátsó ablaktörlő időzítőt. Most ha bekapcsolom folyamatosan megy, a kapcsoló nincs relézve, a motornak van végállás kapcsolója. Azt szeretnén, ha bekepcsolom 8-10 mp -ként töröljön egyet. Segítségeteket előre is köszönöm. Üdv.dani
Szerintem a leg egyszerűbb, ha egy autósboltban veszel egy időzítős relét. Általában régebbi típusú autókhoz lehet kapni. Ezek fix időzítéssel mennek és nem lehet őket szabályozni. A mai autókban már egyetlen egység lát el minden időzítést (index, ablaktörlő, belső világítás, ablakpárátlanító), így az már nem jöhet szóba.
Vagy kotorászol a neten és összeállítasz egy pici kapcsolást, ami egy relét húz be. Sok ilyen van a neten 555-ös "IC"-vel megoldva. Még itt a Hobbielektronikán is találni belőle.
Sziasztok!
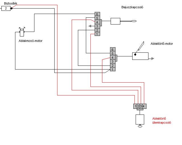
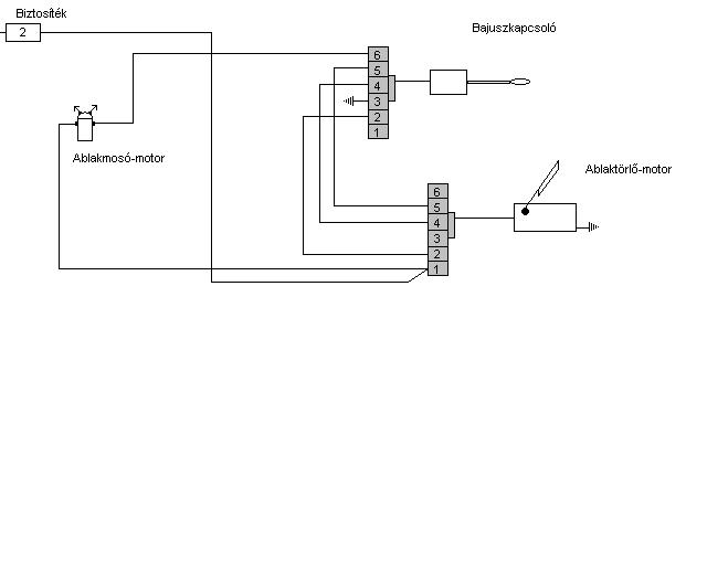
Van egy Skoda 120L kocsink, amiben gyárilag nincs ablaktörlő ütemkapcsoló, de a helye megvan, mivel a nagyobb felszereltségű 120GLS-ben már volt. Gépkönyv alapján csináltam rajzot az ütemkapcsoló nélküli(mint a mienk) és az ütemkapcsolós kocsik bekötéséről. Ahogy elnézem, csak egyetlen kábelt kellene kiiktatni(ablaktörlő motor 4-es és a bajuszkapcsoló 4-e pontja között) és betenni a gyári ütemkapcsolót, csak ilyet már nem lehet szerezni szerintem. Tudnátok valami olyan kapcsolást, ami így elnézve a gyári bekötését hasonló lenne ahhoz?Nem szeretném "szétgányolni" a dolgokat ezért szeretnék valami olyan kapcsolást, amit így kellene bekötni, ahogy az eredetit . A könyve szerint az ütemkapcsoló alapállásban percenként 5-ször törölt, és minden jobbra forgatással, kb. megkétszereződött ez az érték( három állású volt a kapcsoló) Köszönöm előre is!!
Találtam egy kapcsolást, ami talán jó lehet, nem kellene szerintem sokat átalakítani vele a bekötésnél. Szerintetek hova kell pontosan bekötni?
Sziasztok, van egy régi skoda favoritom, sajnos nincs benne alapból szakaszos ablaktörlés. Sajnos nincs végállás kapcsoló sem a motorban. Így arra gondoltam egy astabil multivibrátorral csinálnék egy időzítőt. Az a bajom, hogy a kimenetet meg kellene negálni mert pont fordítva kapcsolgat mint ahogy kéne. meg valami zener dióda is kéne, hogy ne tegye tönkre az ic-t valami visszajövő áram.
Tudtok ebben segíteni, hogy hogy lehetne ezeket megoldani egyszerűen? Előre is köszi a válaszokat |
Bejelentkezés
Hirdetés |














