Fórum témák
» Több friss téma |
Fórum » Akkumulátor töltő
Szia!
Tehát: kb 30Va-s puffer töltés 14,00V max--al ha esik a fesz bekapcsol +30Va-os töltó kb 13,5V ha tovább esik 13,25---13,00V bekapcsol kb 100 VA-s ha mégtovább esik 12,5V bekapcs 100VA és 12,00V nál még +160VA töltés--- ha csökken a terhelés az utolsó 13,8 V-nál kikapcsol a többi 14,00V -nál együtt.. ill. ha van éjszakai áram akkor arról megy................. Ha feltennéd ----érdekelne a töltőd... köszönettel
Szia !
Én már jelenkezem is, ÉRDEKEL az akkutöltő kapcsolás. Remélem még sok fórumozót rajtam kívül...Várjuk !! OFF: írtam priviben is, gondolom már olvastad ? Üdv: sector99
Hello!
Készítettem egy kis ábrát, nem tudom érthető-e és erre gondosz? Ha tudod értelmezni a gondolataid szerint, akkor javítsd ki. - A leírásodban, kis ellentmondást vélek felfedezni. - Nem tudom mivel akarod a töltőket kapcsolgatni, de ez néhány komparátorral (max egy-két RS tárolóval)megoldható. - Az éjszakai átváltáshoz átkapcsoló logika kell. (Bár tudtommal nem szabályos) A töltőt még meg kellene írnom, hogy valami normális kinézetet kapjon, de majd csipkedem magamat. üdv! proli007
Bakter!
Nem raktam hozzá az ábrát, de majd most, ha igaz! üdv! proli007
Szia!
igen a folyamat ábra ilyen -- az éjszakaira lehet konnektort szerelni -- mosógépnek . be jelented onnantól senkit nem érdekel..CSAK FIZESS!! !
Sziasztok
Segítségre lenne szükségem. Savas ( autó) akkumulátortöltőt/regenerálót kell csinálnom. De nem nagyon találtam a neten megfelelő rajzot hozzá, ha valaki tudna és megosztaná velem nagyon boldoggá tenne. Amit tudnia kell: feszültség és áram kijelzés és szabályozás, kijelző digitális ahhoz is kéne a rajz nem baj ha kettőt kell bele tenni V és A- hez külön, de csili vilinek kell lennie. 6-12-24 V töltés. Tudnia kell 14,4 V-on legalább 20A, mivel tölteni kell vele 200A-os nál is nagyobb akkukat. Időzíthető és automata is legyen, töltés végén automatikusan csepptöltésre állással. Polaritás védelem is kellene bele mert kőművesek is használják. Emlékeimben él valami elektronika ami polaritás függetlenné teszi a töltőt de sajnos rajzot már arról sem találtam úgy emlékszem hogy ekkora teljesítményt amúgy sem bírt el. A szulfásodás ellen van valami ami néha meg üti az akkut nem tudom hogyan és mivel de állítólag le üti róla ha vékony, valami ilyen kéne a regeneráláshoz. Töltendő akkumulátorok 12V 1xA ( főnök okos fiának robogója)-200A ( Volvo rakodó gép néha párban is). Fontos hogy üzembiztos legyen. Nem kéne processzoros, mivel sem a programozáshoz sem az EPROM égetéshez nem értek. Nem én találtam ki hanem az okos főnököm a téli akku töltési mizéria miatt, szerzett egy trafót hozzá meg elmondta mit akar én meg kioldhatok vele . A trafó paraméterei: bemenet: 0, 220, 380, 400 V kimenete: 0, 6, 9, 12, 24, 36, 42 V Teljesítménye 400 VA Szerintem a kimentek 380V-ra vannak írva, mivel alapvetően annyira volt kötve eredetileg, de 220-on kéne működnie a dolognak. Ha nem tudja a 20A nem baj, tud amennyit, tud. A segítséget előre ismmköszönömm
Szia!
Szerintem kissé magasra tetted a mércét! Kifelejtetted a 1000A-es startert, és a kávéfőzőgépet, és ha lehet GPS-el keresse meg a kimerült akkukat, mert snassz elmenni a kábellel olyan messzire. Nézz körül a Net-en, hogy milyen töltő van ezekkel a funkciókkal, és milyen áron. De akinek Volvo rakodógépe van, annak jut töltőre is. Én a jövőhéten (ha igaz) felteszek egy töltő rajzot, messze nem ennyire komfortos, de kiindulási alapnak talán jó lesz, egyenlőre töpölök rajta, meg más dolgom is van. üdv! proli007
Szia
Ne gondold hogy az én ötletem volt. Nekem teljesen megfelelt az eddigi állapot is. De muszáj megépítenem sajnos , a neten néztem már rajzot, vagy 100-at ki is nyomtattam, de még, ekkora teljesítményre és hasonló funkciókkal nem találtam. Akinek Volvo rakodó gépe van az nem költ ilyenekre ( forrasztó pákára vagy ónra sem) ez pénzbe kerül, és még a szomszéd /haverok/ konkurencia sem látja/értékeli! A segítséget nagyon köszi
Szia!
A 400Va -s trafó 12V-nál jól teljesithet----ha A 0--12--24 kivezetést használod két diódával/ gen dióda -k/ ventillátorral hűtve a 6 és a 24V graetz-el de mindkettő kisebb teljesitményű.Ezt viszont inkább külön csinálnám meg . sok probléma lesz vele! ! A primerrel sorosan HL 160-as folytot / 1---3 db párhuzamosan /Ez adja az áramkorlátot . A kimenő fesz relével lehtne "polaritás védetté " tenni ,--- ha rosszul teszik rá nem lehet bekapcsolni. A túlfeszvédelmet szintén relé 555 -s Ic- vel . ezek után az időre töltésnek nem sok értelme van .
Sziasztok!
Remci kérésére, kiegészíteném az aksifigyelő áramkört, a nyomtatott áramköri rajzal. üdv! proli007
Sziasztok!
Arrol érdeklődnék, hogy ez a megoldás végül működött -e, ha igen akkor hogyan lett megvalósítva, mert nekem legalább 10A-t kellene kivennem a töltőből! A segítséget előre is köszönöm!
Szia!
Kizárólag a relé kontaktusán múlik a dolog. De egy gépkocsiban használt relé, simán viszi a 16A-t. (pld. fényszórók) De javaslom, olvasd el az eredeti (#129175) hozzászólásomat,amit most kiegészítettem a nyákrajzzal, ott választ kapsz a kérdéseidre. üdv! proli007
Helo van egy ilyen aksitöltöm MACK 119 min 10Ah-max120Ah és nekem valahogy 6v kellene mert 6 voltos aksim van meglehett oldani??????????????
Hello!
Hát erre a kérdésre, nem lehet válaszolni (Én), mert sem a töltőt nemismerem, sem az aksik kapacitását-típusát, amit tölteni akarsz vele. (valami rajz jól jönne )üdv! proli007
Szia!
Én az autómata akkutöltő tranzisztorára gondoltam (TIP147), ezt kellene cserélni ugyebér nagyobb áromúra, mert bár a katalógus szerint 10A-t tud, de a valóságban az egy kissé sok lenne neki folyamatos terhelésen. a kérdésem erre irányulna, hogy esetleg létezik e másfajta alkatrész ami helyettesíthetné (nagyobb áramú). Egyépként köszönöm a gyaors választ! Az ötleteket továbbra is várom
Szia!
A tranzisztor maximális kollektorárama, meg amit eltud disszipálni, az azért nem ugyan az. A hőelvezetés, legfőképpen a borda hőellenállásától függ, a tranyó, hiába 150W-os, ha a hűtése nincs meg. Én azt a hűtést szoktam jónak tartani, amikor a bordát még meg lehet fogni kézzel, ez kb 70fok. Mert a kristályhőmérséklet nem haladhatja meg a 150fokot, de még ott van a tranyó hőellenállása, és a bordára való csatlakozás átmeneti ellenállása is. Egyébként a TIP helyett alkalmazhatsz általad kialakított darlintont is, ahol egy BD250-es darlingtonban meghajt többet. Csak az áramokat kell kiegyenlíteni az emitterben elhelyezett kis ellenállással. Nézd meg egy hangfrekis végfok nagytranyóit, ugyan úgy kell ezt is kialakítani. A hűtéshez, meg jó nagy borda, esetleg ventillátor kell. De akkor hőfokvédelem, sem árthat. (elég egy bimetál a bázisba sorba) üdv! proli007
Szia!
Ha megkérlek akkor papírra vetnéd nekem, hogy mire gondolsz? Akkor ehhez 3 tranyó kellene? Egy a meghajtáshoz és kettő darlingtonpárnak? Ha priviben segítesz az sem gond! Előre is köszönöm!
Hello!
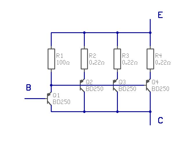
Nem egy nagy kaland ez. Helyettesítheted vele a darlingtont és a sort folytathatod.... Azáram és a disszipáció megoszlik a végranyók között. A 0.22ohm ellenállást a terhelés szerint kell berakni. Ha nagyobb az ellenállás, jobb az árammegosztás, de nagyobb a veszteség is. Ha 100mV esik rajta, mikor folyik az áram, az már megfelelő. üdv! proli007
az aksi 6v-12Ah 80A és a töltö min 10Ah max 120Ah és nekem az lenne a jo hogy ha a töltö elé tudnék vmit rakni és az aksi elé az a lényeg hogy a 12v töltövel feltudjam tölteni a 6v aksit ugy hogy az aksi ne romoljon ell
Szia!
az akkutöltő áram akkor 1 és 12 A közé eshet .... Az akkudat 1,2----max 3A illik tölteni... Ha 2 db akkud van --sorbakötve semmi probléma 1 Akkunál ---megnézném a töltöt belülről -lehet-e feszültséget felezni? / néhány kép nem ártana /
szia igen van két darab akum
és igynéz ki csak ha 2db aksit kötök ösze azt hogy és milyen eröségel töltsem
Szia!
Hát, ez egy igen egyszerű valami. Azt hittem, hogy van valami töltőelektronikád, ahol a tőltésáramot szabályzó tranyót szeretnéd "felbikásítani". Tekintve hogy konkrétan felhoztad a TIP tranyót. Így a képről itélve, az csak egy trafó, meg egy kétutas egyenirányító, és ha "minimumon" van, akkor kikapcsol egy diódát, tehát egyutas lesz. Ennek a töltőárama a diódák méretét nézve, nem lehet több mint 3A (a trafó szekunder tekercsét nézve, még annyi sem) és nem szabályozza semmi, csak a trafó belsőellenállása. A töltőfeszültség, meg a trafó üresjárati feszültsége ami a primer oldalon kiválasztható (ami persze a hálózattal változik). Alapvetően két egyszerű megoldás van. - Az első, amit Atis javasolt, hogy köss vele sorba két aksit, de az két egyforma legyen, egyformán kisütött állapotban. - Nézd meg, hogy a trafón nincs-e még kivezetés, hátha elő van készítve a hat voltos töltésre. (Kicsit életlenek a képek és pont a trafó szekundere nem látszik jól. Tegyél a telefon elé egy 2-3 dioptriás lencsét, talán jobb lesz) üdv! proli007
Szia Proli!
Köszönöm szépen a rajzot!Így már képben vagyok. "A 0.22ohm ellenállást a terhelés szerint kell berakni"Mármint az ellenállás teljesítményére cézol? Más kérdés:A schunt ellenállások teljesítményét hogyan kell kiszámolni ha többfokozatúra szeretném csinálni a töltőt? Mégegyszerköszönöm a hasznos segítséget!
Hát ez elég egyszerü!
Ha pld 12A töltőáramot akarsz három fokozattal hajtani, akkor egy tranyóra 4A jut. Az ellenálláson létrejött teljesítmény P=I*I*R aza 4*4*0.22=3.5W Ennyi! üdv! proli007
Hali
Bocs hogy belebeszélek, de Tibornak teljesen igaza van, még szulfáttal kapcsolatban is. (egyébként a szulfát eltávolítása is megoldható, olcsón csak idő kérdése) Ha már itt vagyok megkérdezem nincs-e valakinek orosz tir. töltőröl rajz, mert a sárga szu tranyók behánytak és nem tudom megjavítani. van benne pár dioda is amin persze jelzés nincs nehogy az ellenség is tudja. Sztivi
Köszi az infót! Így már világos!
Talástam itthon 4db BD246 tranyót ezek elméletileg 10A-t bírnak, ezeket akarom majd felgasználni. Ha minent jól értettem akkor ez is jó lesz! Mégegyszer köszönöm!
Szia!
ha többet is elárulnál róla ---mert elég sokféle tipus van --mind a 10 gyár 30 évig gyártogatot akkutöltöket ---IS. Esetleg teljesen újat akarsz barkácsolni?
Szia Proli!
Kérdezném tőled, hogy az áramelőválasztó kapcsolós megoldásnál a shunt ellenállások értékét hogyan határoztad meg? Ezen ellenállások teljesítménye is számítható a P=I*I*R képlettel? |
Bejelentkezés
Hirdetés |





úgy emlékszem hogy ekkora teljesítményt amúgy sem bírt el. A szulfásodás ellen van valami ami néha meg üti az akkut nem tudom hogyan és mivel de állítólag le üti róla ha vékony, valami ilyen kéne a regeneráláshoz. Töltendő akkumulátorok 12V 1xA ( főnök okos fiának robogója)-200A ( Volvo rakodó gép néha párban is). Fontos hogy üzembiztos legyen. Nem kéne processzoros, mivel sem a programozáshoz sem az EPROM égetéshez nem értek. Nem én találtam ki hanem az okos főnököm a téli akku töltési mizéria miatt, szerzett egy trafót hozzá meg elmondta mit akar én meg kioldhatok vele









